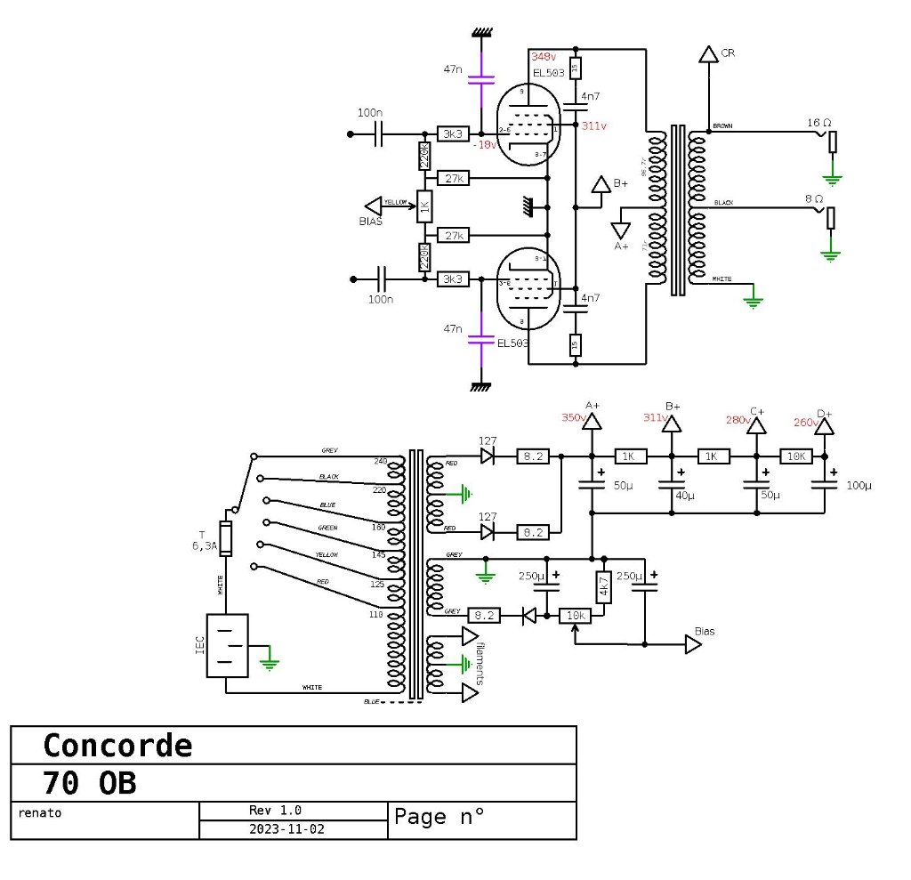
C'est ce qui me semble le plus vraisemblable.Le mien donnerait soit un primaire de 2k5 sous 8 ou 16 ohms
En cherchant un peu j'ai trouvé sur un site italien un gars qui confirme ma mesure de 2 Kohms / 8 ohms...
Donc il se pourrait que le TS du 500R et celui du BassOrgan ne soient pas les mêmes d'origine... why not...
j'en profite pour pour poser une question à la communauté:
Si j'ai un transfo : Z primaire = 2 kohms et Z sortie = 8 ohms
il peut aussi fonctionner en : Z primaire = 4 kohms et Z sortie = 16 ohms
Autrement dit pouvoir s'adapter pour des EL34/6L6 ???
...oui je sais bien que ça fait longtemps que des pointures se sont creusé le ciboulot pour essayer de convertir ces amplis à EL503 sans gros succès, mais bon je pose quand même la question, ça me chifonne...
Pour ton problème de bruit, as-tu essayé en enlevant les tubes de préamp y compris la déphaseuse histoire de mieux circonscrire la source ?...


