Tête d'ampli 4x6550 à la sauce Ampeg

Les bassistes ont des attentes particulières en matières de son, ce forum est là pour eux.
franfranky
G5 optimiseur
G5 optimiseur
Messages : 369
Enregistré le : 09 déc. 2013, 11:40

Tête d'ampli 4x6550 à la sauce Ampeg

Message non lu par franfranky »

Bonjour à tous.
bon j'ai un nouveau projet qui ce concrétise.
Mon clone de DR103 ne me convient plus depuis la construction d'un mon combo 30w (basé sur l'ampeg B15) l'été dernier.
Pour faire simple, le petit combo sonne de la mort sans à avoir à se faire ch*** avec les réglages (volume/basse/aigus avec un switch bright et un switch deep).
30w, ça passe bien en répète mais en concert c'est un peu limite, du coup le clone de DR103 par à la vente et devrait pas tarder à filer...ce qui va me permettre de récolter des fonds pour un nouveau projet.

Dans l'idée:
- on reprend le preamp du B15, simple et efficace en ajoutant un master pour faciliter la gestion du volume.
- on lui colle 4 6550 en PP aux fesses histoire de sortir 150W (j'avais également pensé à 6 6L6GC mais ça fait plus de tube, plus de boulot...).
- transfo sur mesure (chez Toroidy en pologne déjà utilisé sur mon combo, c'est du super matos pas chère: l'OT torique pour un PP de kt 88 sort à 300 zloty soit 70€... et ils font du sur mesure du coup je pense pourvoir me faire fabriquer un OT pour quatre tubes).
- le tout dans une jolie tête maison.

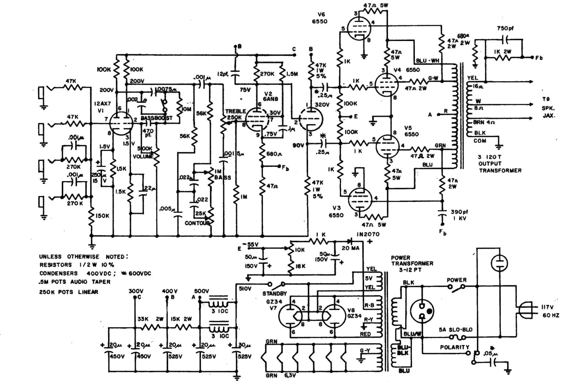
La grande question que je n'arrive pas à résoudre: comment vérifier que le signal en sortie du preamp sera suffisant pour driver mes 4 6550? j'ai rien trouvé de concret la dessus...
L'ajout d'étage de gain supplémentaire (avant ou après le PI?) sera peut être nécessaire.


Ci-joint le schéma (uniquement la partie preamp hors alimentation) duquel je compte repartir.
B15_p.png
B15_p.png (7.33 Kio) Vu 21569 fois
Modifié en dernier par franfranky le 12 avr. 2016, 23:12, modifié 2 fois.
Avatar du membre
a-wai
G5 guru
G5 guru
Messages : 2731
Enregistré le : 23 sept. 2006, 2:00
Localisation : Toulouse
Contact :

Re: Tête d'ampli 4x6550 à la sauce Ampeg

Message non lu par a-wai »

C'est exactement le genre de problématique que j'ai eu à résoudre sur mon ampli basse.

Il y a 2 choses à voir :
- la tension de bias
- l'impédance de sortie de ton PI

Concrètement, il faut que l'amplitude de ton signal soit au moins égale à la tension de bias, donc pour un bias à -40V par exemple, il faut un signal d'au moins 40V d'amplitude.
Mais comme l'impédance de sortie des 6SN7 forment un diviseur avec les résistances de g1 des tubes de puissance (au passage, celles-ci sont limitées à seulement 50k en fixed bias !), il faut que le signal aux anodes soit un peu plus important.

Selon le datasheet, dans un cas "standard" la 6SN7 a une impédance de sortie de 8k environ, pour un gain de 20.
Si on prend des 47k en Rg1 des tubes de puissance, il y a donc une atténuation de 0.85. Il faut donc un signal aux anodes des 6SN7 de 47V environ (toujours pour un bias de -40V), soit 2.35V d'amplitude en entrée du déphaseur.

A condition bien sur que le déphaseur en question ne sature pas avant, et c'est là que ça risque d'être tendu avec ton schéma ;)
La 220R biase la 6SN7 très chaud, à -1V environ, donc même sans découplage, il est possible que tu satures bien avant de passer les 2.4V. Et accessoirement, la cathode n'étant pas découplée, tu n'auras même pas le gain de 20, mais un peu moins...
Bref, à mon avis il faut surement revoir la polarisation de cette 6SN7 pour en augmenter le gain et le niveau d'entrée acceptable (et, en conséquence, modifier les 470k et 510k qu'on voit tout à droite de ton schéma).
franfranky
G5 optimiseur
G5 optimiseur
Messages : 369
Enregistré le : 09 déc. 2013, 11:40

Re: Tête d'ampli 4x6550 à la sauce Ampeg

Message non lu par franfranky »

j'ai déjà pas mal retourné le schéma du preamp (à la base uniquement en 6SL7) pour adapter la 6SN7 (j'ai notamment revu l'alimentation à la hausse pour palier à la conso plus importante du tube et garder un facteur d'amplification correcte).
En fait il y a une erreur sur mont schéma: les deux résistances d'anode sont en fait des 100k afin d'avoir +300V en tension d'anode. en fait en y regardant de plus près la cathode est découplée par le condo de 25uF et la resistance de cathode est d'1k et 1,2k selon le côté du PI. ça donne un gain de 18,3 ce qui est pas mal pour un tube avec un facteur d'amplification de 20. J'avais viré la 6SL7 originale en PI car, malgrès un gain plus fort, elle saturait trop vite limitant ainsi la plage utilisable en clean .

Pour ce nouveau projet mon idée, pour faire simple, était de rajouter une 6SN7 entre le tone stack et le PI pour relever le signal et y adjoindre la master volume.
pour le master je le verais plutot avant d'attaquer le PI, comme sur le Hiwatt. Ca marche plutot bien sur le DR103 et ça évite le soucis d'impedance que tu as rencontré sur ton projet.

pour l'amplitude du signal ma grande question est la suivante:
- en admettant que j'ai un signal de 40V d'amplitude pour un bias de 40V (pour faire simple...), le nombre de tube de puissance aura il une influence sur l'amplitude de mon signal?(en clair est ce que mon circuit, s'il est ok pour 2 tubes, fonctionnera également pour 4 ou 6 tubes?)
Avatar du membre
Lemontheo
G5 Team
G5 Team
Messages : 1814
Enregistré le : 21 janv. 2011, 1:00
Localisation : Rouen
Contact :

Re: Tête d'ampli 4x6550 à la sauce Ampeg

Message non lu par Lemontheo »

As-tu vu les quelques schémas sur le net d'amplis réputés qui fonctionnent avec 4 ou 6 6550 ou KT88.
On peut voir diverses topologies, comme un LTP (long tail pair) simple (Ampeg, Sunn model T, Sound City, A-wai), un cathodyne drivé par une pentode (Sunn 2000S), un LTP suivi d'un buffer (Hiwatt, Mesa, Marshall).
Hiwatt
DR_400wOutput.gif
Ampeg
Capture d’écran 2016-03-05 à 08.14.08.png
Sunn
Capture d’écran 2016-03-05 à 08.14.35.png
Capture d’écran 2016-03-05 à 08.24.23.png
Sound city
Capture d’écran 2016-03-05 à 08.15.36.png
A-wai
Capture d’écran 2016-03-05 à 08.27.23.png
Marshall
Capture d’écran 2016-03-05 à 08.31.40.png
Capture d’écran 2016-03-05 à 08.32.00.png
Mesa-boogie
Capture d’écran 2016-03-05 à 08.33.13.png

Sinon, la 6SN7 en PI sera plus compétente pour driver cette lourde charge.
Avatar du membre
bilbo_moria
Don Bilbo de la Vega
Messages : 7492
Enregistré le : 15 déc. 2004, 1:00
Localisation : Tinteniac (35)

Re: Tête d'ampli 4x6550 à la sauce Ampeg

Message non lu par bilbo_moria »

Le Sound City est vraiment très cousin du Hiwatt 201 ... (y compris quand on voit les photos des "tripes" de l'ampli ...
franfranky
G5 optimiseur
G5 optimiseur
Messages : 369
Enregistré le : 09 déc. 2013, 11:40

Re: Tête d'ampli 4x6550 à la sauce Ampeg

Message non lu par franfranky »

mon idée est de ne pas trop m'éloigner du B15 pour garder la sonorité de cette ampli.
J'envisagais à la base de virer le preamp du DR103 pour le remplacer par celui du B15 mais j'ai quelques doute sur le résultat...
Avatar du membre
a-wai
G5 guru
G5 guru
Messages : 2731
Enregistré le : 23 sept. 2006, 2:00
Localisation : Toulouse
Contact :

Re: Tête d'ampli 4x6550 à la sauce Ampeg

Message non lu par a-wai »

Sauf que le B15 est un 25/30W, qui a besoin d'envoyer peu de signal sur les tubes de puissance, avec en plus des 270k en Rg1 pour les 6L6, donc moins de contraintes d'amplitude et d'impédance. Si tu gardes le déphaseur tel quel, je suis à peu près sur que tu n'atteindras pas ta puissance max.

Note concernant mon bout de schéma cité par Lemontheo : il n'est pas à jour au niveau du PI, de mémoire j'ai mis une 12AT7 avec des valeurs de résistance plus faibles aux anodes et à la cathode (il faudrait que je l'ouvre pour mettre à jour le schéma, un jour peut-être :mrgreen: )
franfranky a écrit :pour l'amplitude du signal ma grande question est la suivante:
- en admettant que j'ai un signal de 40V d'amplitude pour un bias de 40V (pour faire simple...), le nombre de tube de puissance aura il une influence sur l'amplitude de mon signal?(en clair est ce que mon circuit, s'il est ok pour 2 tubes, fonctionnera également pour 4 ou 6 tubes?)
Non, le nombre de tubes n'a pas d'influence tant que tu ne fais pas saturer les lampes de puissance (et une influence limitée dans le cas contraire).
Avatar du membre
Pote Gui
G5 Team
G5 Team
Messages : 4472
Enregistré le : 15 mai 2012, 11:07
Localisation : Lyon (69)

Re: Tête d'ampli 4x6550 à la sauce Ampeg

Message non lu par Pote Gui »

Curieux ce schéma avec des 6SN7... Un Ampeg B15N c'est plutôt à base de 6SL7 d'habitude, non?
franfranky
G5 optimiseur
G5 optimiseur
Messages : 369
Enregistré le : 09 déc. 2013, 11:40

Re: Tête d'ampli 4x6550 à la sauce Ampeg

Message non lu par franfranky »

effectivement comme je le disais plus haut la 6SL7 ne me satisfaisant pas (plus bruyante, son plus sec et apparition de la saturation du PI trop rapide).
L'utilisation d'une 6SN7 a donné un résultat bien plus convaincant après réadaptation de l'alimentation pour être au dessus de 300V en tension de plaque.

bref je viuens de jeter un oeil au datasheet de 6L6GC et des 6550: à priori la 6550 requière un bias moins bas que la 6L6GC (ça descend jusqu'à -60V sur une 6L6 contre -40V sur une 6550)?
donc en principe je devrait avoir moins de difficulté à atteindre mon amplitude max du signal avec une 6550 qu'avec une 6L6?

pour info sur mon ampli la tension de bias actuelle et de -46V

autre solution:
- 6 x 6L6GC ou 8 x 6L6GC

une 6550 appairée c'est environ 30 balles : 4x 30 => 120€
une 6L6GC appairée c'est 20 balles: 6x 20 => 120€ ou 8 x 20 => 160€
la différence reste faible.

je suis partie sur les 6550 pour optimiser la puissance mais je pourrais très bien rester en 6L6 (tube fiable, connu et plus proche de l’original)

autre solution non évoqué pour augmenter l'amplitude du PI: une triode en cathode follower comme sur l'Orange AD200B( qui utilise d’ailleurs des 6550)
http://i291.photobucket.com/albums/ll29 ... kIIIPI.jpg
Avatar du membre
a-wai
G5 guru
G5 guru
Messages : 2731
Enregistré le : 23 sept. 2006, 2:00
Localisation : Toulouse
Contact :

Re: Tête d'ampli 4x6550 à la sauce Ampeg

Message non lu par a-wai »

En fait tu prends le problème dans le mauvais sens : commence par définir ton étage de puissance (type de tubes, droite de charge, bias théorique), et ensuite on pourra vraiment causer !
Parce que faire de l'hypothétique sur un truc encore plus hypothétique, c'est pas le top pour te donner des réponses concrètes ;)
franfranky
G5 optimiseur
G5 optimiseur
Messages : 369
Enregistré le : 09 déc. 2013, 11:40

Re: Tête d'ampli 6x6L6 à la sauce Ampeg

Message non lu par franfranky »

Bien vu!
Du coup je après reflexion je vais rester sur la 6L6:
- pas de modification majeur de mon circuit initial (qui me convient parfaitement)
- plus de choix en 6L6 qu'en 6550 de nos jours, puis le rapport qualité prix du tube est bon.
- je suis sur de retrouver le son de mon combo (puisque je ne fais que rajouter des tubes de puissance).

J'ai eu le fabricant de transfo (Toroidy), il me font du sur mesure ( transfo torique HIFI avec un primaire de 2k, 600mA par côté et un secondaire en 4 et 8 ohms) pour 93€.

EDIT:

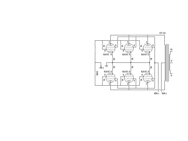
bon je refais un petit point après ce week end où j'ai pu potasser un peu le projet.

donc je partirais sur 6 x 6L6 avec 500V en Va et 450V en Vg, bias au repos à -45V. Transformateur avec 2k en primaire.
J'ai vu que certain amplis tiraient encore plus sur les tubes (mesa boogie 400: 540V en Va et un bias à -63v...) mais je vais me limiter pour ne pas trop soliciter l'étage de puissance.
B15_200_power.jpeg
J' ai étudié les schéma présentés au début du post pour les déphaseurs.
Le LT simple me parait insuffisant si je veux avoir suffisamment de swing en évitant la saturation.
Reste pour moi deux solutions intéressantes:
- le LT suivi d'un buffer (exemple du mesa 400),
- le LT précédé d'un ou deux étages de drive (je pensais à une double triode supplémentaire avant d'attaquer la dephaseuse).

ça me permettrait de réduire le gain du premier et second étage d'amplification (470k et 220k en Ra) pour calmer le jeu et limiter les soucis de saturation en amont du PI.

Quels sont vos avis côté déphaseuses pour éviter au maximum les soucis de saturation?

Il me reste également un questionnement au niveau des tubes de puissance (j'y réfléchi toujours...j'ai vu un topic où certains crachaient sur les 6L6 pour la basse: viewtopic.php?t=3350 ).
Selon les datasheet de GE je peux sortir en AB1 pour 2 tubes:
- 6L6GC (Va 450v, Vg1: 400v OT 5,6k) 55w
- 6550A (Va 600v, Vg1: 300v OT 5k) 100w

Comment une paire de 6550A avec une dissipation max de 42w par tube peut sortir 100W?
Avatar du membre
a-wai
G5 guru
G5 guru
Messages : 2731
Enregistré le : 23 sept. 2006, 2:00
Localisation : Toulouse
Contact :

Re: Tête d'ampli 6x6L6 à la sauce Ampeg

Message non lu par a-wai »

franfranky a écrit :J' ai étudié les schéma présentés au début du post pour les déphaseurs.
Le LT simple me parait insuffisant si je veux avoir suffisamment de swing en évitant la saturation.
Euh, dans les conditions que tu donnes (bias à -45V), ça passe facile avec un LTP ! Et quand tu parles d'éviter la saturation, tu parles de celle du PI ou des lampes de puissance ?
franfranky a écrit :Reste pour moi deux solutions intéressantes:
- le LT suivi d'un buffer (exemple du mesa 400),
- le LT précédé d'un ou deux étages de drive (je pensais à une double triode supplémentaire avant d'attaquer la dephaseuse).

ça me permettrait de réduire le gain du premier et second étage d'amplification (470k et 220k en Ra) pour calmer le jeu et limiter les soucis de saturation en amont du PI.
Si un LTP simple ne te permets pas de driver tes lampes de puissance (ce qui ne serait à priori pas ton cas, comme je l'ai dit), il ne sert à rien de mettre des étages de gain avant, puisqu'il ne pourra pas sortir plus de signal pour autant.
Donc les options sont, pour moi :
- LTP suivi d'un buffer
- LTP suivi d'un étage de gain sur chaque branche pour encore amplifier le signal
L'option 1 permet de driver un poweramp avec une impédance d'entrée faible (comme sur ton schéma, avec les R de référencement au bias valant 100K), l'option 2 est plutôt à réserver pour des besoins en swing monstrueux (ou alors en mettant un cathodyne à la place d'un LTP)
franfranky a écrit :Quels sont vos avis côté déphaseuses pour éviter au maximum les soucis de saturation?
Dans un cas comme celui-ci ("gros" poweramp nécessitant un swing important), la saturation se gère avant le déphaseur, en limitant tout simplement le gain du préamp.
franfranky a écrit :Il me reste également un questionnement au niveau des tubes de puissance (j'y réfléchi toujours...j'ai vu un topic où certains crachaient sur les 6L6 pour la basse: viewtopic.php?t=3350 ).
Selon les datasheet de GE je peux sortir en AB1 pour 2 tubes:
- 6L6GC (Va 450v, Vg1: 400v OT 5,6k) 55w
- 6550A (Va 600v, Vg1: 300v OT 5k) 100w

Comment une paire de 6550A avec une dissipation max de 42w par tube peut sortir 100W?
L'argument contre les 6L6 pour la basse, bof bof...
Pour les 6550 : elles peuvent dissiper au max 42W en continu, mais dans un PP on ne conduit pas en permanence. On peut donc se permettre de dissiper 84W sur une demi-alternance si on ne fait rien sur la suivante.
franfranky
G5 optimiseur
G5 optimiseur
Messages : 369
Enregistré le : 09 déc. 2013, 11:40

Re: Tête d'ampli 6x6L6 à la sauce Ampeg

Message non lu par franfranky »

je vais me pencher sur le gain du preamp ce soir pour voir ce que je peux sortir au niveau du PI et où je risque de saturer.

question section de puissance du coup, en mettant de côté la personnalité des deux tubes, les 4x6500 permettront de tirer plus de puissance que les 6x6L6GC si je suis les données des datasheets (55wx3 => 165w, 100wx2 =200w)? Cette tête viendrait remplacer ma DR103 (100w en 4xel34) et quitte à refaire une tête je souhaiterais avoir quelques chose avec une plus grosse réserve de puissance.
Avatar du membre
a-wai
G5 guru
G5 guru
Messages : 2731
Enregistré le : 23 sept. 2006, 2:00
Localisation : Toulouse
Contact :

Re: Tête d'ampli 6x6L6 à la sauce Ampeg

Message non lu par a-wai »

Il faut réfléchir à plusieurs choses :
- les 6L6 sont bien moins chères à l'unité : en JJ, tu peux avoir 6x6L6 pour environ 100€, contre 140€ pour 4x6550 ou 4xKT88
- il est plus difficile de trouver un set de 6 lampes appairées que seulement 4
- sortir 100W d'une paire de 6550/KT88 nécessite des tensions nettement supérieures à 500V, il faut donc systématiquement doubler les condos d'alim en A+ et B+, qui doivent en plus être assez gros (en valeur) pour fournir les appels de courant, notamment dans les basses (sur mon 200W en KT88, j'ai 2 500µ/500V en série sur le A+ !)

Bref, y'a du pour et du contre dans les 2 cas, comme souvent...
franfranky
G5 optimiseur
G5 optimiseur
Messages : 369
Enregistré le : 09 déc. 2013, 11:40

Re: Tête d'ampli 6x6L6 à la sauce Ampeg

Message non lu par franfranky »

Effectivement j'avais zappé le coup des condo...
Dans tous les cas je préfère doubler les condos de tête sur l'alimentation de l'étage de puissance (on va dire que tirer 450V avec des condos de filtrage en supportant 500v, je trouve que ça laisse peut de marge). de toute façon avec la conso d'un ampli comme celui ci je vais certainement être obligé d'aligner une petit tas de gros condo de filtrage (au passage je compte tout de même mettre un self pour sur l'alim pour éviter d'utiliser un RC).
Mon ampeg B15 tape 460V en Va et 430v en Vg1, j'avais mis deux condo de 220u/350V en série avec des résistances de 220k en parallèles par sécurité.
Niveau fiabilité il est peut être plus facile de trouver des 6L6 correctes actuellement que des 6550 aussi?
La 6L6 reste peut être le choix le plus raisonnable après tout...

Niveau conso ça reste cependant kif kif:
6x 6L6GC (Va 450V Vg1 400V) d'après les datdasheet:
min: 3x (116mA x 450V + 6mA x 400V) = 163 VA
max: 3x (210mA x 450V + 22mA x 400V) = 310 VA

4x 6550 (Va 600V Vg1 300V):
min: 2x (100mA x 600V + 5mA x 300V) = 123 VA
max: 2x (270mA x 600V + 33mA x 300V) = 344 VA
Répondre