plus de son vox ac30
- chmuz
- G5 optimiseur

- Messages : 174
- Enregistré le : 07 mars 2007, 1:00
- Localisation : La Reunion
- Contact :
Re: plus de son vox ac30
Bizzare ce CC : peut-être un CI de mauvaise qualité ou un défaut de fabrication ?
Pour les autres composants ayant pu souffrir : à priori pas les condensateurs de filtrage HT C2, C3, C7 situés sur le circuit d'alim qui alimente les G2 des EL84, puisque tu indiques que tout fonctionne dans la partie puissance. Les vérifier tout de même, ainsi que les tensions qu'ils délivrent (évidemment sans oscillo, difficile de voir l'ondulation résiduelle, très faible normalement).
Sur le schéma du préampli, cette même HT2_a alimente à partir de W1 un tas de choses ! Vérifier les composants sur cette ligne d'alim : résistances, condensateurs, LND150,... Je pense que la ligne HT2_a du CON5 vient du connecteur W1 via un jumper (d'après le service manual), donc à priori pas d'autres composants sur le trajet hors ceux cités ci-dessus.
Ton problèmes de PCB n'est pas le premier que je vois chez des Vox récents : un Vox AC15 neuf d'1 mois avec un beau CC entre HT et alim filament ! A l'analyse, il s'avère que la piste cuivre HT passe sur le CI à moins d'1 mm, entre les deux pistes filaments !!! Un ptit amorçage du CI et Hop !
Autres Vox AC15 : problèmes de composant claqués, sans doute chauffés excessivement lors de la soudure à la vague... Je ne dénigre pas la marque, je constate simplement qu'il y a a ou a eu des contrôles qualité à revoir. Ce n'est pas la seule à avoir ce genre de problèmes : je me souviens d'un Ampeg SVT (récent) avec des résistances de G2 installées en usine avec la mauvaise valeur... Et des diodes de protection tout simplement non montées...
Bon courage pour ta réparation ; au fait il faut isoler bien entendu la ligne HT2_a du CON5, mais je suppose que tu l'as déjà fait.
Pour les autres composants ayant pu souffrir : à priori pas les condensateurs de filtrage HT C2, C3, C7 situés sur le circuit d'alim qui alimente les G2 des EL84, puisque tu indiques que tout fonctionne dans la partie puissance. Les vérifier tout de même, ainsi que les tensions qu'ils délivrent (évidemment sans oscillo, difficile de voir l'ondulation résiduelle, très faible normalement).
Sur le schéma du préampli, cette même HT2_a alimente à partir de W1 un tas de choses ! Vérifier les composants sur cette ligne d'alim : résistances, condensateurs, LND150,... Je pense que la ligne HT2_a du CON5 vient du connecteur W1 via un jumper (d'après le service manual), donc à priori pas d'autres composants sur le trajet hors ceux cités ci-dessus.
Ton problèmes de PCB n'est pas le premier que je vois chez des Vox récents : un Vox AC15 neuf d'1 mois avec un beau CC entre HT et alim filament ! A l'analyse, il s'avère que la piste cuivre HT passe sur le CI à moins d'1 mm, entre les deux pistes filaments !!! Un ptit amorçage du CI et Hop !
Autres Vox AC15 : problèmes de composant claqués, sans doute chauffés excessivement lors de la soudure à la vague... Je ne dénigre pas la marque, je constate simplement qu'il y a a ou a eu des contrôles qualité à revoir. Ce n'est pas la seule à avoir ce genre de problèmes : je me souviens d'un Ampeg SVT (récent) avec des résistances de G2 installées en usine avec la mauvaise valeur... Et des diodes de protection tout simplement non montées...
Bon courage pour ta réparation ; au fait il faut isoler bien entendu la ligne HT2_a du CON5, mais je suppose que tu l'as déjà fait.
Re: plus de son vox ac30
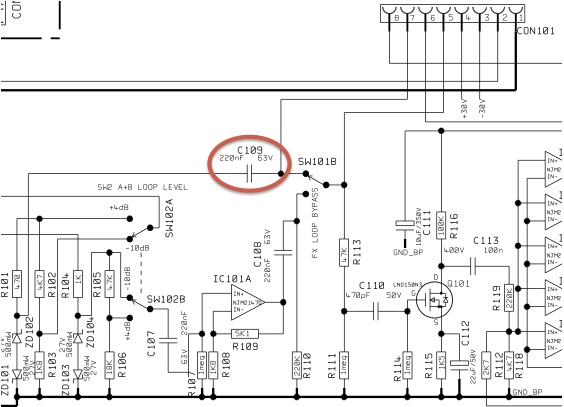
ça y est j' ai trouvé. le condo c109 était en court circuit. je l' ai carrément viré et du coup le signal ne passe plus par le send return. je suppose que du coup la qualité du signal s' en trouve amélioré ? à vérifier à l' oscillo !
Quelle est la fonction de ce condo ? Pourquoi le fait qu' il soit en CC faisait chuté et saturé le signal ?
Pourquoi ne pas avoir mis un double switch pour couper complètement le signal avant c109 en position bypass ?
C' est bizarre quand même de faire passer dans la même nappe, cote à cote, une tension de 300v et un signal audio. Il me semblait qu' il fallait toujours les faire se croiser !
Qu' en pensez vous si je vire le standby. A t' il vraiment une utilité. D' après ce que j' ai pu lire dans un autre post, ça sert à rien voir même diminue la durée de vie des tubes.
En tous cas, merci pour tout ! bravo pour le partage de connaissances et d' expériences !
Quelle est la fonction de ce condo ? Pourquoi le fait qu' il soit en CC faisait chuté et saturé le signal ?
Pourquoi ne pas avoir mis un double switch pour couper complètement le signal avant c109 en position bypass ?
C' est bizarre quand même de faire passer dans la même nappe, cote à cote, une tension de 300v et un signal audio. Il me semblait qu' il fallait toujours les faire se croiser !
Qu' en pensez vous si je vire le standby. A t' il vraiment une utilité. D' après ce que j' ai pu lire dans un autre post, ça sert à rien voir même diminue la durée de vie des tubes.
En tous cas, merci pour tout ! bravo pour le partage de connaissances et d' expériences !
- chmuz
- G5 optimiseur

- Messages : 174
- Enregistré le : 07 mars 2007, 1:00
- Localisation : La Reunion
- Contact :
Re: plus de son vox ac30
Bravo pour avoir trouvé C109 ! en revoyant le service manual, j'ai compris que CON5 (où il y a eu le CC) est relié à CON101 ; du coup, vérifier aussi les composants situés sur le trajet des lignes 8 et 7 de ce connecteur est logique.C109 est un composant prévu pour 63V ; pas étonnant qu'il ait claqué à 300V ! Vérifier aussi le condensateur C108 : suivant la position du switch SW101B, il est possible qu'il ait aussi morflé, de même que IC101.
Je serais toi, je réinstallerai un C109 neuf : 220nF 63V, tu trouveras chez n'importe quel détaillant électronique, et encore mieux en récup sur des vieux circuits (souvent d'ailleurs de bonne qualité : philips, Wima,... en qualité MKP ou MKT). Comme çà la boucle sera fonctionnelle (du moins si tu as trouvé le fameux ampli op "haute tension"). Donc vérifie aussi IC101 (et IC1, mais je suis quasiment sûr qu'il est mort à cause du CC).
Pourquoi virer le Standby ? moi je le garderais : tu as une GZ34, sa HT arrive vite, du coup tu laisses tranquillement chauffer tes lampes en standby, puis tu balances la HT sans dommage pour les lampes.
Je serais toi, je réinstallerai un C109 neuf : 220nF 63V, tu trouveras chez n'importe quel détaillant électronique, et encore mieux en récup sur des vieux circuits (souvent d'ailleurs de bonne qualité : philips, Wima,... en qualité MKP ou MKT). Comme çà la boucle sera fonctionnelle (du moins si tu as trouvé le fameux ampli op "haute tension"). Donc vérifie aussi IC101 (et IC1, mais je suis quasiment sûr qu'il est mort à cause du CC).
Pourquoi virer le Standby ? moi je le garderais : tu as une GZ34, sa HT arrive vite, du coup tu laisses tranquillement chauffer tes lampes en standby, puis tu balances la HT sans dommage pour les lampes.
- bilbo_moria
- Don Bilbo de la Vega
- Messages : 7460
- Enregistré le : 15 déc. 2004, 1:00
- Localisation : Tinteniac (35)
Re: plus de son vox ac30
Ah ! Le sempiternel (mais intéressant) débat sur le standby
Perso, j'ai une position opposée : sur les amplis dotés d'une GZ34 (ou d'une EZ81 ... bref des rectifieuses à chauffage indirect), je préfère ne pas utiliser le standby et je conseille de ne pas l'utiliser
Perso, j'ai une position opposée : sur les amplis dotés d'une GZ34 (ou d'une EZ81 ... bref des rectifieuses à chauffage indirect), je préfère ne pas utiliser le standby et je conseille de ne pas l'utiliser
Re: plus de son vox ac30
D' ailleurs j' ai du mal à vraiment comprendre l' alim sur ce vox. La tension redressé par la GZ repart aussi dans le transfo en passant par un fusible ??
Sur mon twin reverb, j' avais fait un pontage pour laisser quand même passer 50v avant de commuter le standby.
Alors je sais plus !
Sur mon twin reverb, j' avais fait un pontage pour laisser quand même passer 50v avant de commuter le standby.
Alors je sais plus !
Re: plus de son vox ac30
Sur ces AC30, la rectifieuse est une source de panne fréquente, justement à cause du standby, donc non, il ne faut surtout pas l'utiliser.
Le supprimer, why not, mais à y être, tu peux aussi simplement le cabler "bien" en switchant le chauffage de la GZ34, c'est le seul standby techniquement correct dans cette config (ça reste largement dispensable à mon avis, mais bon, les gouts, les couleurs toussa toussa)
Et non, la tension redressée ne "repart" pas dans le transfo, renseigne-toi sur les redresseuses à chauffage direct, tu comprendras
Le supprimer, why not, mais à y être, tu peux aussi simplement le cabler "bien" en switchant le chauffage de la GZ34, c'est le seul standby techniquement correct dans cette config (ça reste largement dispensable à mon avis, mais bon, les gouts, les couleurs toussa toussa)
Et non, la tension redressée ne "repart" pas dans le transfo, renseigne-toi sur les redresseuses à chauffage direct, tu comprendras
- chmuz
- G5 optimiseur

- Messages : 174
- Enregistré le : 07 mars 2007, 1:00
- Localisation : La Reunion
- Contact :
Re: plus de son vox ac30
Toutes mes excuses ! je n'avais pas regardé l'implantation du standby sur ce Vox reissue.
J'ai naivement pensé qu'il était câblé comme sur un bassman.
Effectivement vu son câblage, vaut mieux le laisser on, çà évitera les problèmes sur la GZ34. De toute façon il n'y en avait pas sur les Vox originaux (de standby), que ce soit l'AC30_4 ou l'AC30_6.
J'ai naivement pensé qu'il était câblé comme sur un bassman.
Effectivement vu son câblage, vaut mieux le laisser on, çà évitera les problèmes sur la GZ34. De toute façon il n'y en avait pas sur les Vox originaux (de standby), que ce soit l'AC30_4 ou l'AC30_6.
Re: plus de son vox ac30
Alors petite surprise en dessoudant complètement c109 car j' avais uniquement dessouder un coté. J' ai trouvé un 22uf polarisé au lieu d' un 220nf ! Il est d' origine. C' est quoi le truc. Il se sont trompé au montage !
Toujours quelques crépitement au début qui disparaissent au bout de 5mn.
Toujours quelques crépitement au début qui disparaissent au bout de 5mn.
Re: plus de son vox ac30
Le C109, ce ne serait pas un ".22uF" (avec un point devant le chiffre) qui signifie 0.22 uF ?max10000 a écrit : J' ai trouvé un 22uf polarisé au lieu d' un 220nf ! Il est d' origine.
Et pendant qu'Elvis, Miles Davis...
Re: plus de son vox ac30
Je viens de lire l'article de Merlin Blencowe sur son site à propos du standby et je dois dire qu'il est fichtrement convaincant. D'ailleurs j'ai un ampli Hi-fi à tubes de 1963 qui fonctionne donc depuis 53 ans sans standby et sans problème ! Dorénavant je n'en mettrai plus. Juste un switch de mute sur le potar. Bien vu les gars.bilbo_moria a écrit :Ah ! Le sempiternel (mais intéressant) débat sur le standby
Perso, j'ai une position opposée : sur les amplis dotés d'une GZ34 (ou d'une EZ81 ... bref des rectifieuses à chauffage indirect), je préfère ne pas utiliser le standby et je conseille de ne pas l'utiliser
Amicalement
jptrol
______________________________________________
______________________________________________
Re: plus de son vox ac30
Je viens de remarquer que le tremolo ne fonctionne pas au début, en tous cas avec le son ! on entend l' oscillation mais le son sort droit.
Et au fur et à mesure que les crépitement disparaissent le tremolo refonctionne normalement.
Un condensateur de liaison ?
edit : j' avance dans mes recherches. si je laisse le standby 5mn, les crépitement ont disparu et le tremolo fonctionne normalement.
En gros, le standby masque le problème.
Et au fur et à mesure que les crépitement disparaissent le tremolo refonctionne normalement.
Un condensateur de liaison ?
edit : j' avance dans mes recherches. si je laisse le standby 5mn, les crépitement ont disparu et le tremolo fonctionne normalement.
En gros, le standby masque le problème.
- bilbo_moria
- Don Bilbo de la Vega
- Messages : 7460
- Enregistré le : 15 déc. 2004, 1:00
- Localisation : Tinteniac (35)
Re: plus de son vox ac30
Le standby est bien pratique pour masquer le crépitement des composants qui montent en température 
(le plus souvent les lampes, mais si c'est un autre composant, c'est la galère à trouver ...)
(le plus souvent les lampes, mais si c'est un autre composant, c'est la galère à trouver ...)
Re: plus de son vox ac30
Bonne trouvaille commerciale ce standby finalement !
Maintenant il fonctionne très bien. Faut juste attendre 4-5 mn et plus un bruit. Vu que j' ai bien le nez dedans maintenant, j' ai envie de changer quelques composants pour l' upgrader un peu. ça vaut le coup ou c' est du pipo !!
En tous cas, merci encore pour votre aide bien précieuse.
Maintenant il fonctionne très bien. Faut juste attendre 4-5 mn et plus un bruit. Vu que j' ai bien le nez dedans maintenant, j' ai envie de changer quelques composants pour l' upgrader un peu. ça vaut le coup ou c' est du pipo !!
En tous cas, merci encore pour votre aide bien précieuse.
- bilbo_moria
- Don Bilbo de la Vega
- Messages : 7460
- Enregistré le : 15 déc. 2004, 1:00
- Localisation : Tinteniac (35)
Re: plus de son vox ac30
Ca peut valoir le coup de remplacer les capas de liaisons par des condos de meilleure qualité (voire les électrochimiques de l'alim, pour la fiabilité de l'ensemble).
Après, probablement que remplacer le transfo de sortie apporterait un sérieux plus, mais ça douille !
Après, probablement que remplacer le transfo de sortie apporterait un sérieux plus, mais ça douille !
- warteko
- G5 optimiseur

- Messages : 308
- Enregistré le : 30 mars 2008, 1:00
- Localisation : 68 Riedisheim
Re: plus de son vox ac30
J'ai déjà réparé plusieurs VOX AC30 CC"x" et chaque fois la redresseuse avait claqué à cause du stand by ! Je le vire et l'utilise comme "mute" qui shunte carrément le signal d'entrée à la masse, histoire qu'il serve à quelque chose. Bon, il faut juste mettre des étiquettes car le fonctionnement est inversé : le switch stand by laisse passer le jus quand il est fermé, alors que mon "mute" est actif quand il est ouvert !




