La boucle d'effet refait surface ... la reverb avant le preamp qui crunch ... comment dire ... c'est dégueu quoi
Que pensez-vous ce de montage, du vrai Weber ?




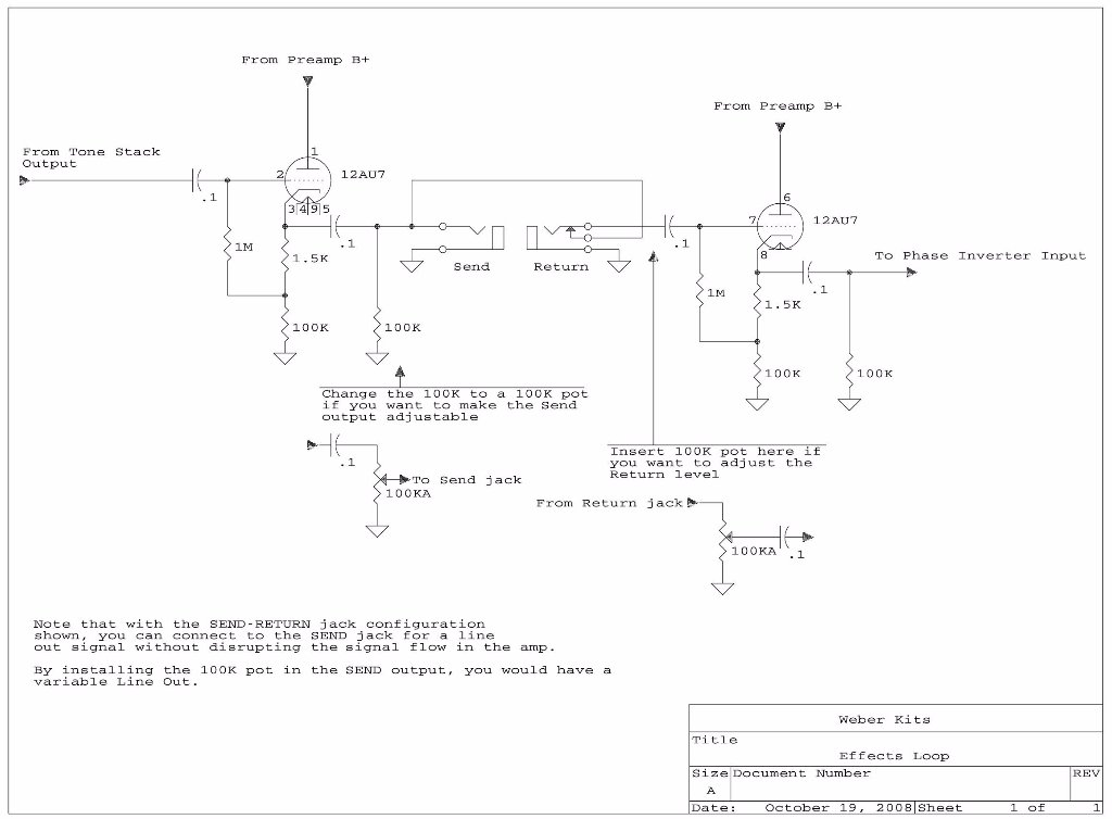
a-wai a écrit : 02 août 2017, 11:09 Le montage que tu proposes blacksnake me parait particulièrement mauvais :
- l'atténuation du signal sortant n'est gérée qu'en option, et via un potar de 100k qui plus est (ce qui annihile les effets bénéfiques du CF..



a-wai a écrit : 04 août 2017, 10:45 Tu prends le problème à l'envers en fait : on n'atténue pas pour compenser le gain de l'étage qui se trouve en sortie de boucle, mais on met du gain en sortie de boucle parce qu'il faut atténuer avant le send, sinon l'amplitude du signal sera souvent trop importante pour une pédale alimentée en 9V, qui va saturer au-delà de 3-4V d'amplitude, parfois moins.
Il faut alors un potard stéréo linéaire. D'autre part ça risque de manquer de souplesse de réglage non ?L'idéal serait d'avoir un systeme similaire, avec un seul potard double couplé, agissant inversement sur les deux étages, ceci dans le but d'avoir toujours un gain de 1, uniforme quelle que soit la position de ce potard...et qui permettrait instantanément de s'adapter à n'importe quel effet inséré dans la boucle.