DIY preamp MESA BOOGIE 400+
-
Julien85
- G5 bidouilleur

- Messages : 27
- Enregistré le : 29 juin 2014, 15:46
- Localisation : Guyancourt (78)
- Contact :
DIY preamp MESA BOOGIE 400+
Bonjour à tous,
Après la réalisation d'un G5 version basse (viewtopic.php?f=1&t=4995), après la réalisation d'un préamp Fleig bass -très inspiré du Ampeg SVTCL (http://www.frontiernet.net/~jff/SonOfSV ... ifier.html ; https://electromik.jimdo.com/)- je me prépare à construire un clone de la partie préamp du MESA BOOGIE 400+.
Le schéma du 400+ est ici : Les décisions prises jusque là sont :
1-Les composants seront montés sur des turret boards
2-Le tout sera rangé dans un rack 1U
3-L'alimentation de la partie HT sera celle du préamp Amp Fleig bass
4-L'alimentation de la partie EQ sera une adaptation de celle du MarkIIC (voir ci dessous)
5-L'alimentation des filaments sera celle du MarkIIC (voir ci dessous)
6-Le transformateur sera surement torique et fait sur mesure.
7-l'EQ sera contrôlé par des potards classiques (ça devrait tenir sur la façade du 1U)
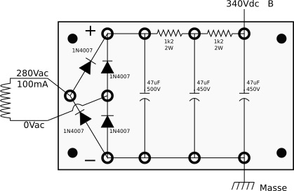
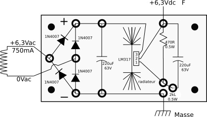
Les schémas des alimentations du MarkIIC : Avant d'attaquer la partie pratique, j'aimerais éclaircir certaines choses qui m'échappent encore.
i-J'ai du mal à savoir quelle doit être l'intensité à la sortie du transformateur pour la plaque d'alimentation de l'EQ. Doit il sortir à 1A ou à plus ?
ii-Même question pour l'alimentation des filaments : quelle doit être la sortie du transformateur ? Est ce 6,3V @ 1A ou plus ?
iii-Les transistors du schéma du mesa boogie 400+ sont obsolètes. J'ai trouvé quelques propositions de remplacement, notamment dans le forum G5 (MPSA63 => 2N5087G ; MPSA70 => NTE232 ; MPSA20-5 => MPSA20). Y a t il d'autres (et de meilleures) options ?
Après la réalisation d'un G5 version basse (viewtopic.php?f=1&t=4995), après la réalisation d'un préamp Fleig bass -très inspiré du Ampeg SVTCL (http://www.frontiernet.net/~jff/SonOfSV ... ifier.html ; https://electromik.jimdo.com/)- je me prépare à construire un clone de la partie préamp du MESA BOOGIE 400+.
Le schéma du 400+ est ici : Les décisions prises jusque là sont :
1-Les composants seront montés sur des turret boards
2-Le tout sera rangé dans un rack 1U
3-L'alimentation de la partie HT sera celle du préamp Amp Fleig bass
4-L'alimentation de la partie EQ sera une adaptation de celle du MarkIIC (voir ci dessous)
5-L'alimentation des filaments sera celle du MarkIIC (voir ci dessous)
6-Le transformateur sera surement torique et fait sur mesure.
7-l'EQ sera contrôlé par des potards classiques (ça devrait tenir sur la façade du 1U)
Les schémas des alimentations du MarkIIC : Avant d'attaquer la partie pratique, j'aimerais éclaircir certaines choses qui m'échappent encore.
i-J'ai du mal à savoir quelle doit être l'intensité à la sortie du transformateur pour la plaque d'alimentation de l'EQ. Doit il sortir à 1A ou à plus ?
ii-Même question pour l'alimentation des filaments : quelle doit être la sortie du transformateur ? Est ce 6,3V @ 1A ou plus ?
iii-Les transistors du schéma du mesa boogie 400+ sont obsolètes. J'ai trouvé quelques propositions de remplacement, notamment dans le forum G5 (MPSA63 => 2N5087G ; MPSA70 => NTE232 ; MPSA20-5 => MPSA20). Y a t il d'autres (et de meilleures) options ?
Groupe : Pint'Atomic
Basse : Jazz Bass (Fender), Thunderbird (Gibson)
Ampli : G5 version basse, "Fleig Bass"
Basse : Jazz Bass (Fender), Thunderbird (Gibson)
Ampli : G5 version basse, "Fleig Bass"
Re: DIY preamp MESA BOOGIE 400+
i-Si tu réalises la même alim à base de LM337, alors le max de courant est 1,5A pour 15w max dissipés. Or le transfo indique 32Vac, soit environ 45Vdc en sortie. Reste à savoir sous quelle tension ton EQ va tourner : -30 ou -37V?? Les schémas indiquent l'une ou l'autre valeur... Si c'est -37V, alors ton régulateur pourrait débiter son courant maximum. Si c'est -30V, il ne pourra sortir "que" 1A au max et avec un bon dissipateur. Comme on prend toujours une marge dans le design, dans le premier cas, on se bornera à un courant max de 900mA, et dans le second à 500mA. Enfin, en calculant la conso approximative des transistors mis en jeu, on arrive à 12mA environ au repos (sauf erreur de ma part). Difficile ensuite d'évaluer la consommation de courant en dynamique, mais je pense qu'une alim capable de délivrer 50 à 100mA devrait largement suffire.
Par contre, la référence MPSA63 renvoie à un darlington; y'a pas erreur??
ii-Là c'est facile : il te suffit d'additionner la conso filament de chaque tube (cf datacheet) et de prendre une marge de 25%.
iii-Aucune idée à chaud! C'est un boulot long et fastidieux de chercher des remplacements pour les transistors. Tu doit étudier les caractéristiques importantes de chaque référence (cf datasheet) pour ensuite tenter de trouver un équivalent qui respecte grosso modo ces caractéristiques. C'est souvent une affaire de compromis car il est rare de trouver des substituts identiques... Surtout regarder les limites max d'utilisation, et ensuite les critères importants pour l'utilisation escomptée (slew rate, bandwith, etc...).
Par contre, la référence MPSA63 renvoie à un darlington; y'a pas erreur??
ii-Là c'est facile : il te suffit d'additionner la conso filament de chaque tube (cf datacheet) et de prendre une marge de 25%.
iii-Aucune idée à chaud! C'est un boulot long et fastidieux de chercher des remplacements pour les transistors. Tu doit étudier les caractéristiques importantes de chaque référence (cf datasheet) pour ensuite tenter de trouver un équivalent qui respecte grosso modo ces caractéristiques. C'est souvent une affaire de compromis car il est rare de trouver des substituts identiques... Surtout regarder les limites max d'utilisation, et ensuite les critères importants pour l'utilisation escomptée (slew rate, bandwith, etc...).
-
Julien85
- G5 bidouilleur

- Messages : 27
- Enregistré le : 29 juin 2014, 15:46
- Localisation : Guyancourt (78)
- Contact :
Re: DIY preamp MESA BOOGIE 400+
Merci Pote Gui pour ces premiers éléments !
En conclusion, j'ai maintenant les caractéristiques du transformateur :
0-280V @100mA
0-40V @ 100mA
0-6,3V @ 750mA
EDIT du 13/05/2017
Toujours dans l'optique de dimensionner l'alimentation, je me suis posé la question de la puissance des résistances sur les plaques EQ et filaments (voir les schémas ci dessous). En effet, est ce que des résistances 0,5W suffiront ou faut-il utiliser des 1W (ou 2W) ?
De plus, je ne sais pas vraiment dans quel sens orienter les condensateurs 220uF @63V dans le schéma plaque-EQ... Un conseil?
En effet, l'EQ du 400+ fonctionne avec -37V tandis que celui du MarkIIC fonctionne avec -30V. D'après LTSpice, si le transformateur délivre 40Vac, alors le circuit du MarkIIC devrait donner -37Vdc.Reste à savoir sous quelle tension ton EQ va tourner : -30 ou -37V??
D'après la datasheet (voir ci dessous), la 12AX7 consomme 300mA. Avec les 25% de marge, la paire de lampe aura besoin de 750mA.ii-Là c'est facile : il te suffit d'additionner la conso filament de chaque tube (cf datacheet) et de prendre une marge de 25%.
Je suis aller faire un tour sur le site de Mesa Boogie (http://mesaboogie.com/). Il semble que les derniers ampli de la marque (Bass Strategy, MarkV) ont gardé les EQ. J'ai recherché le schéma du MarkV sur le net. Il semble que les MPSA63 et MPSA70 ont été remplacé par des MPSA20 et que le MPSA20 a été remplacé par un ECG159...iii-Aucune idée à chaud! C'est un boulot long et fastidieux de chercher des remplacements pour les transistors
En conclusion, j'ai maintenant les caractéristiques du transformateur :
0-280V @100mA
0-40V @ 100mA
0-6,3V @ 750mA
EDIT du 13/05/2017
Toujours dans l'optique de dimensionner l'alimentation, je me suis posé la question de la puissance des résistances sur les plaques EQ et filaments (voir les schémas ci dessous). En effet, est ce que des résistances 0,5W suffiront ou faut-il utiliser des 1W (ou 2W) ?
De plus, je ne sais pas vraiment dans quel sens orienter les condensateurs 220uF @63V dans le schéma plaque-EQ... Un conseil?
Groupe : Pint'Atomic
Basse : Jazz Bass (Fender), Thunderbird (Gibson)
Ampli : G5 version basse, "Fleig Bass"
Basse : Jazz Bass (Fender), Thunderbird (Gibson)
Ampli : G5 version basse, "Fleig Bass"
-
Julien85
- G5 bidouilleur

- Messages : 27
- Enregistré le : 29 juin 2014, 15:46
- Localisation : Guyancourt (78)
- Contact :
Re: DIY preamp MESA BOOGIE 400+
Bonjour à tous,
après presque 2 ans de sommeil, voilà que je déterre ce sujet : DIY premap MESABOOGIE 400+. Cela mérite bien un double post
Le projet initial a été largement remanié. En effet, il est apparu impossible de faire tenir l'EQ en plus des potards Basse/Med/Aigu sur une façade d'un rack 1U. La plaque d'alimentation des filamments, qui vise à obtenir un courant continu de 6.3V a été supprimée aussi. Comme pour le G5, les filamments des lampes du preamp seront alimentés par du courant alternatif. Délesté de tous ces éléments, le projet est devenu beaucoup plus simple, à la portée de mes courtes compétences ! Enfin, c'est ce que je croyais ...
Le schéma d'implantation est ici: La photo du rendu est là: Mais voilà le problème et l'objet de ce message : le préamp reste désespérément silencieux ... Le temps du débogage commence ! D'abord les valeurs des points de contrôles qui pourront peut être diriger les investigations.
schéma électrique (voir p4) : Les valeurs sont plus ou moins ok sauf pour la V2b. Vous remarquerez la croix à la cathode de la V2b. En consultant le schéma du MESA BOOGIE 400, j'ai remarqué que la croix était à la masse. Réaliser cette opération a permis de diminuer l'ensemble des tensions. Cela a donné les valeurs présentées plus tôt.
Ainsi, je me demande si le schéma ne comporte pas d'autres imprécisions. (1) Est ce que la résistance R106 3M3 (encadrée sur le schéma) est à sa place ? Ne faudrait il pas la mettre entre la grille de la V2b et la masse ?
caractéristiques du transformateur
Torique Puissance totale : 14.4VA
Primaire : 230V
Secondaires : 1x325V 0.025A (8.1VA) ; 1x6.3V 1A (6.3VA)
(2) Est il assez puissant pour alimenter les 2 double triodes ?
Est ce que la réponse est ailleurs ? L'hypothèse initiale est que bien sûr, le schéma a été parfaitement exécuté ...
(3) Est il possible que les tubes soient "grillés" après les premiers tests non réussis ?
après presque 2 ans de sommeil, voilà que je déterre ce sujet : DIY premap MESABOOGIE 400+. Cela mérite bien un double post
Le projet initial a été largement remanié. En effet, il est apparu impossible de faire tenir l'EQ en plus des potards Basse/Med/Aigu sur une façade d'un rack 1U. La plaque d'alimentation des filamments, qui vise à obtenir un courant continu de 6.3V a été supprimée aussi. Comme pour le G5, les filamments des lampes du preamp seront alimentés par du courant alternatif. Délesté de tous ces éléments, le projet est devenu beaucoup plus simple, à la portée de mes courtes compétences ! Enfin, c'est ce que je croyais ...
Le schéma d'implantation est ici: La photo du rendu est là: Mais voilà le problème et l'objet de ce message : le préamp reste désespérément silencieux ... Le temps du débogage commence ! D'abord les valeurs des points de contrôles qui pourront peut être diriger les investigations.
schéma électrique (voir p4) : Les valeurs sont plus ou moins ok sauf pour la V2b. Vous remarquerez la croix à la cathode de la V2b. En consultant le schéma du MESA BOOGIE 400, j'ai remarqué que la croix était à la masse. Réaliser cette opération a permis de diminuer l'ensemble des tensions. Cela a donné les valeurs présentées plus tôt.
Ainsi, je me demande si le schéma ne comporte pas d'autres imprécisions. (1) Est ce que la résistance R106 3M3 (encadrée sur le schéma) est à sa place ? Ne faudrait il pas la mettre entre la grille de la V2b et la masse ?
caractéristiques du transformateur
Torique Puissance totale : 14.4VA
Primaire : 230V
Secondaires : 1x325V 0.025A (8.1VA) ; 1x6.3V 1A (6.3VA)
(2) Est il assez puissant pour alimenter les 2 double triodes ?
Est ce que la réponse est ailleurs ? L'hypothèse initiale est que bien sûr, le schéma a été parfaitement exécuté ...
(3) Est il possible que les tubes soient "grillés" après les premiers tests non réussis ?
Groupe : Pint'Atomic
Basse : Jazz Bass (Fender), Thunderbird (Gibson)
Ampli : G5 version basse, "Fleig Bass"
Basse : Jazz Bass (Fender), Thunderbird (Gibson)
Ampli : G5 version basse, "Fleig Bass"
-
martin_rotsey
- G5 optimiseur

- Messages : 163
- Enregistré le : 05 juin 2015, 10:56
Re: DIY preamp MESA BOOGIE 400+
Salut,
Je n'aurai pas les compétences suffisantes pour t'aider efficacement dans le débogage. Je vais donc laisser les pros répondre.
Par contre, peut-être une piste :
V2-b !
L'isolation cathode - filament est donnée dans les data pour une valeur limite de 180 volts.
La chute de tension entre grille et cathode doit être de l'ordre de quelques volts.
Du coup, à la lecture du schéma, ça m'a fait choquer.
Je n'aurai pas les compétences suffisantes pour t'aider efficacement dans le débogage. Je vais donc laisser les pros répondre.
Par contre, peut-être une piste :
V2-b !
L'isolation cathode - filament est donnée dans les data pour une valeur limite de 180 volts.
La chute de tension entre grille et cathode doit être de l'ordre de quelques volts.
Du coup, à la lecture du schéma, ça m'a fait choquer.
- bilbo_moria
- Don Bilbo de la Vega
- Messages : 7492
- Enregistré le : 15 déc. 2004, 1:00
- Localisation : Tinteniac (35)
Re: DIY preamp MESA BOOGIE 400+
Hello,
Alors oui, là où il y a la croix, ça va à la masse !
Oui, le transfo est assez puissant pour alimenter les 2 x 12AX7 : il peut délivrer 25mA et chaque triode doit consommer quelques mA (il faudrait vérifier / calculer pour la dernière triode, mais ça doit passer à l'aise).
D'après les tensions mesurées, les tubes ont l'air de se polariser correctement, donc peut-être que tes tubes ont pris un pète au casque, mais ça reste quand même assez costaud des tubes.
Le montage qui peut sembler "bizarre" de la dernière triode est un CF (cathode follower), ça surprend toujours quand on voit ça la première fois
Il a un gain de 1 mais il est bien pratique pour alimenter un tone stack en aval ou un ampli
Par contre, comme le souligne martin, les tensions sont élevées (par rapport au schéma initial où les tensions sont également élevées) et il est possible que cette triode souffre voire dégage) : cathode to heater voltage max 180V et là tu as 310V, ainsi que la différence entre grille 1 (100V) et cathode (310V) : ouille
Si tu disposes d'un générateur BF et d'un d'oscillo, tu peux injecter en entrée un signal 1kHz 50 ou 100mV et suivre le signal pour voir où ça foire.
Mais si tu ne disposes pas d'oscillo, faut bidouiller pour voir où ça foire, en évitant de te prendre des grosses bourres de jus
- Déjà, tu peux virer V2, mettre un câble (blindé) entre l'entrée de V2 et un ampli et voir s'il y a du son
- Si oui, tu dessoudes la 3M3 (qui amène pas mal de volts sur la grille 1 de V2b (pin 7) et tu dessoudes le fil d'alim qui alimente l'anode de V2b (pin 6), tu soudes ton câble blindé (du test précédent) en aval de C221 (i.e. entre la capa et là où il y a la grille 1 de V2b, pin7) -> ampli et tu vois s'il y a du son.
Dis-nous ce que ça donne ...
Alors oui, là où il y a la croix, ça va à la masse !
Oui, le transfo est assez puissant pour alimenter les 2 x 12AX7 : il peut délivrer 25mA et chaque triode doit consommer quelques mA (il faudrait vérifier / calculer pour la dernière triode, mais ça doit passer à l'aise).
D'après les tensions mesurées, les tubes ont l'air de se polariser correctement, donc peut-être que tes tubes ont pris un pète au casque, mais ça reste quand même assez costaud des tubes.
Le montage qui peut sembler "bizarre" de la dernière triode est un CF (cathode follower), ça surprend toujours quand on voit ça la première fois
Par contre, comme le souligne martin, les tensions sont élevées (par rapport au schéma initial où les tensions sont également élevées) et il est possible que cette triode souffre voire dégage) : cathode to heater voltage max 180V et là tu as 310V, ainsi que la différence entre grille 1 (100V) et cathode (310V) : ouille
Si tu disposes d'un générateur BF et d'un d'oscillo, tu peux injecter en entrée un signal 1kHz 50 ou 100mV et suivre le signal pour voir où ça foire.
Mais si tu ne disposes pas d'oscillo, faut bidouiller pour voir où ça foire, en évitant de te prendre des grosses bourres de jus
- Déjà, tu peux virer V2, mettre un câble (blindé) entre l'entrée de V2 et un ampli et voir s'il y a du son
- Si oui, tu dessoudes la 3M3 (qui amène pas mal de volts sur la grille 1 de V2b (pin 7) et tu dessoudes le fil d'alim qui alimente l'anode de V2b (pin 6), tu soudes ton câble blindé (du test précédent) en aval de C221 (i.e. entre la capa et là où il y a la grille 1 de V2b, pin7) -> ampli et tu vois s'il y a du son.
Dis-nous ce que ça donne ...
-
Rimlock
- G5 guru

- Messages : 1204
- Enregistré le : 17 juil. 2018, 19:48
- Localisation : pas trop loin de l'Océan
Re: DIY preamp MESA BOOGIE 400+
En fait il n'y a pas assez de volts sur la G1 ! Avec les tensions normales du Mesa on est à 260V sur G1 et 267 V sur K donc une polar de -7V. Ici, avec 100V sur G1 et 310V sur K on a une polar de quasiment -200V ! ça devrait complétement bloquer le tube... Or on a quand même un courant Ik de 310/220k=1.5 mA. Ça cloche.... Et dans un Kfollower "normal", G1 est directement reliée à l'anode précedente donc on aurait de toute façon plus que 100V...la 3M3 (qui amène pas mal de volts sur la grille 1 de V2b (pin 7)
Et de deux ! Merci les Bleus 
Re: DIY preamp MESA BOOGIE 400+
À mon humble avis, Mesa étant de petits farceurs, ils ont "oublié" de reporter sur le schéma une R qui serait entre g1 et masse (toujours sur V2b), et qui servirait justement à faire un "fixed bias" pour cette triode. Une valeur de 10M semble cohérente avec les tensions affichées sur le schéma original.
Pour ce qui est de la tension de g1, la mesure est de toutes façon biaisée par la R interne du multimètre utilisé, donc il ne faut pas en tenir compte (problème classique également valable pour les cathodynes).
Pour ce qui est de la tension de g1, la mesure est de toutes façon biaisée par la R interne du multimètre utilisé, donc il ne faut pas en tenir compte (problème classique également valable pour les cathodynes).
-
Julien85
- G5 bidouilleur

- Messages : 27
- Enregistré le : 29 juin 2014, 15:46
- Localisation : Guyancourt (78)
- Contact :
Re: DIY preamp MESA BOOGIE 400+
merci pour tous ces éléments !

Le préamp chante maintenant même s'il n'est pas indemne de buzz. J'ai repéré une prise jack défecteuse et 1 sourdure pas très heureuse. Bref le débogage continue.
Etrangement, les tensions toujours trop élevées n'empêchent pas le fonctionnement. Les triodes ne sont finalement pas si fragiles que cela. Suite au prochain épisode.
Je suis parti de là car c'était l'opération la plus simple, la moins destructive. Malgré l'ajout (2x4M7 car je n'avais pas de 10M), le préamp restait encore muet. Cependant, le K2B était passé de 310 à 287V.a-wai a écrit : 13 avr. 2019, 14:27 Mesa étant de petits farceurs, ils ont "oublié" de reporter sur le schéma une R qui serait entre g1 et masse
En effet, une rapide estimation montre qu'il reste de la marge.bilbo_moria a écrit : 13 avr. 2019, 9:35 Oui, le transfo est assez puissant pour alimenter les 2 x 12AX7 : il peut délivrer 25mA et chaque triode doit consommer quelques mA (il faudrait vérifier / calculer pour la dernière triode, mais ça doit passer à l'aise).
Super conseil ! Je n'ai pas d'oscillo, mais l'idée de repiquer le signal à plusieurs points du préamp m'a permis de trouver l'explication de son mutisme. Aussi ai-je branché la basse l'entrée et scotché un fil sur le jack relié à l'amplificateur+haut parleur. J'ai donc contrôlé la présence du signal (avec plein de buzz) en G1A, P1A, G2A, P2A, K2B ... Du son partout ! La coquille venait d'un montage mal fait sur les prises de sortie. Le signal partait à la masse !bilbo_moria a écrit : 13 avr. 2019, 9:35
Si tu disposes d'un générateur BF et d'un d'oscillo, tu peux injecter en entrée un signal 1kHz 50 ou 100mV et suivre le signal pour voir où ça foire.
Mais si tu ne disposes pas d'oscillo, faut bidouiller pour voir où ça foire, en évitant de te prendre des grosses bourres de jus
Sans commentaireJulien85 a écrit : 12 avr. 2019, 22:06 L'hypothèse initiale est que bien sûr, le schéma a été parfaitement exécuté ..
Le préamp chante maintenant même s'il n'est pas indemne de buzz. J'ai repéré une prise jack défecteuse et 1 sourdure pas très heureuse. Bref le débogage continue.
Etrangement, les tensions toujours trop élevées n'empêchent pas le fonctionnement. Les triodes ne sont finalement pas si fragiles que cela. Suite au prochain épisode.
Groupe : Pint'Atomic
Basse : Jazz Bass (Fender), Thunderbird (Gibson)
Ampli : G5 version basse, "Fleig Bass"
Basse : Jazz Bass (Fender), Thunderbird (Gibson)
Ampli : G5 version basse, "Fleig Bass"
- bilbo_moria
- Don Bilbo de la Vega
- Messages : 7492
- Enregistré le : 15 déc. 2004, 1:00
- Localisation : Tinteniac (35)
Re: DIY preamp MESA BOOGIE 400+
C'était dans l'hypothèse de relier la sortie de la capa à l'ampli, en amont du CF, afin de ne pas injecter 100VDC dans l'ampliRimlock a écrit : 13 avr. 2019, 13:47En fait il n'y a pas assez de volts sur la G1 ! Avec les tensions normales du Mesa on est à 260V sur G1 et 267 V sur K donc une polar de -7V. Ici, avec 100V sur G1 et 310V sur K on a une polar de quasiment -200V ! ça devrait complétement bloquer le tube... Or on a quand même un courant Ik de 310/220k=1.5 mA. Ça cloche.... Et dans un Kfollower "normal", G1 est directement reliée à l'anode précedente donc on aurait de toute façon plus que 100V...la 3M3 (qui amène pas mal de volts sur la grille 1 de V2b (pin 7)
-
Rimlock
- G5 guru

- Messages : 1204
- Enregistré le : 17 juil. 2018, 19:48
- Localisation : pas trop loin de l'Océan
Re: DIY preamp MESA BOOGIE 400+
Ah oui bien sûr.... J'avais lu la manip un peu en diagonale ! Et la réponse de A-Waie au sujet de l' "erreur" de Mesa sur le schéma ne me surprend pas du tout, ils sont coutumiers de la chose.... Et pas qu'eux...
Et de deux ! Merci les Bleus 
