Restauration Ampli Bouyer ST30 pour Basse
- OnADarkDesertHighway
- Apprenti sorcier G5

- Messages : 3
- Enregistré le : 01 mai 2020, 11:53
- Localisation : Toulouse
Restauration Ampli Bouyer ST30 pour Basse
Hello
J'ai acheté récemment (sur LBC) un vieil ampli Bouyer ST30.
Par nostalgie - j'ai fait des sono avec ça il y a longtemps ... souvenirs souvenirs.
Et comme je joue de la basse et dans ce forum j'ai vu plusieurs fois que ça pouvait faire une tête convenable - pour répéter à la maison (le batteur n'est pas bûcheron). J'ai fait pas mal d'électronique mais à transistors - pour les lampes c'est une première.
Le vendeur l'avait allumé avant que j'arrive ... pour me montrer qu'il marchait ! ("les lampes s'allument .." )
Qq photos (Le fusible est en fait déporté à l'extérieur - je compte le remettre en service et supprimer celui dehors) (A droite une sorte de "tour" avec un montage en plus) Notez l'interrupteur (il était à la place du potar de tonalité) Le schéma est ici (entre autre)
http://gilles.thebault.free.fr/IMG/jpg/st30schema.jpg
Mais celui-là a été "bricolé" pour en faire un ampli d'église (il y avait une plaque par dessus celle de Bouyer d'un Mr LEVEQUE - ça ne s'invente pas - à Limoges)
Et une des entrées est commutable avec un inter vers un montage avec une lampe en plus - visible sur la petite "tour" en plastique gris. Je vais essayer de tracer le schéma.
Avant de le metttre sous tension je voudrais a minima changer les condensateurs indispensable - les 25 uf chimiques mais faut-il changer les autres ? Pour l'alim je pensais mettre des capas HT au lieu des montages série (cf http://www.radioman33.com/pages/mes-dep ... tants.html).
J'ai trouvé qq posts là-dessus et entre autre ces deux là
https://fr.audiofanzine.com/les-mains-d ... e,p.2.html (pour les modifs d'A-Wai)
https://fr.audiofanzine.com/les-mains-d ... e,p.5.html (pour les suggestions sur l'augmentations des capa d'alim)
Voilà toute suggestion est bienvenue
Bonne journée
Bertrand
J'ai acheté récemment (sur LBC) un vieil ampli Bouyer ST30.
Par nostalgie - j'ai fait des sono avec ça il y a longtemps ... souvenirs souvenirs.
Et comme je joue de la basse et dans ce forum j'ai vu plusieurs fois que ça pouvait faire une tête convenable - pour répéter à la maison (le batteur n'est pas bûcheron). J'ai fait pas mal d'électronique mais à transistors - pour les lampes c'est une première.
Le vendeur l'avait allumé avant que j'arrive ... pour me montrer qu'il marchait ! ("les lampes s'allument .." )
Qq photos (Le fusible est en fait déporté à l'extérieur - je compte le remettre en service et supprimer celui dehors) (A droite une sorte de "tour" avec un montage en plus) Notez l'interrupteur (il était à la place du potar de tonalité) Le schéma est ici (entre autre)
http://gilles.thebault.free.fr/IMG/jpg/st30schema.jpg
Mais celui-là a été "bricolé" pour en faire un ampli d'église (il y avait une plaque par dessus celle de Bouyer d'un Mr LEVEQUE - ça ne s'invente pas - à Limoges)
Et une des entrées est commutable avec un inter vers un montage avec une lampe en plus - visible sur la petite "tour" en plastique gris. Je vais essayer de tracer le schéma.
Avant de le metttre sous tension je voudrais a minima changer les condensateurs indispensable - les 25 uf chimiques mais faut-il changer les autres ? Pour l'alim je pensais mettre des capas HT au lieu des montages série (cf http://www.radioman33.com/pages/mes-dep ... tants.html).
J'ai trouvé qq posts là-dessus et entre autre ces deux là
https://fr.audiofanzine.com/les-mains-d ... e,p.2.html (pour les modifs d'A-Wai)
https://fr.audiofanzine.com/les-mains-d ... e,p.5.html (pour les suggestions sur l'augmentations des capa d'alim)
Voilà toute suggestion est bienvenue
Bonne journée
Bertrand
-
Rimlock
- G5 guru

- Messages : 1206
- Enregistré le : 17 juil. 2018, 19:48
- Localisation : pas trop loin de l'Océan
Re: Restauration Ampli Bouyer ST30 pour Basse
Je n'arrive pas à agrandir les photos, on ne voit pas grand chose....
Quand il a allumé l'ampli, il y avait un HP de branché ? Ça ne se fait pas d'allumer un ampli à lampe sans charge au cul !
Pour les condos chimique de filtrage de Haute Tension, prends du F&T, c'est plus cher mais de bien meilleure qualité que les petits radiaux chinois de la photo de la "restauration" de Bouyer de ton lien....
Exemple à ne pas suivre :
Quand il a allumé l'ampli, il y avait un HP de branché ? Ça ne se fait pas d'allumer un ampli à lampe sans charge au cul !
Pour les condos chimique de filtrage de Haute Tension, prends du F&T, c'est plus cher mais de bien meilleure qualité que les petits radiaux chinois de la photo de la "restauration" de Bouyer de ton lien....
Exemple à ne pas suivre :
Et de deux ! Merci les Bleus 
Re: Restauration Ampli Bouyer ST30 pour Basse
Il faut changer en priorité les condos du rail d'alimentation. Le reste peut attendre.
-
martin_rotsey
- G5 optimiseur

- Messages : 163
- Enregistré le : 05 juin 2015, 10:56
Re: Restauration Ampli Bouyer ST30 pour Basse
Hasard ou coïncidence, j'ai craqué sur un ST-30 le week-end dernier....
Après un petit rafraîchissement de la façade, le programme de remise en route :
1 ) vérifier la résistance DC des transfos (cavalier sélecteur de tension inclus).
sur le MT, j'ai sur le primaire entre . 9 Ω et 10,5 Ω , selon la position du survolteur
Sur les enroulements secondaire de chauffage (5v & 6,3v) <= 1Ω
secondaire HT 60Ω et 65 Ω, 125Ω au total
sur l'OT, j'ai secondaire <= 1Ω donc ok
au primaire j'ai un sacré déséquilibre entre les 2 branches : 155Ω et 205Ω
à comparer avec l'OT d'autres ST-30
2) test du MT sur secteur, àa vide, avec une ampoule 100w en série.
L'ampoule commence à éclairer légèrement à partir de la 3ème graduation du survolteur et la luminosité augmente proportionnellement aux graduations, rien d'anormal.
3) test des condensateurs de liaison et condensateurs de filtrage....
Aucune surprise, les moutarde sont impeccables.
Les S.I.R.E, tous à changer.....
Les chimiques complètement cuits.
4) remplacement de tous les condensateurs défectueux
Pour l'instant, j'en suis là.
Je n'hésiterai pas à développer les dernières étapes si cette démarche convient comme méthode de remise en route d'un ST-30
Au passage, je pense qu'il date de 1960. Alvéoles chromées, GZ32, Tonalité avec inductance, transfo déphaseur en // sur le driver. 4xEF86 + 1xECC83 (RCA, miam !)

Après un petit rafraîchissement de la façade, le programme de remise en route :
1 ) vérifier la résistance DC des transfos (cavalier sélecteur de tension inclus).
sur le MT, j'ai sur le primaire entre . 9 Ω et 10,5 Ω , selon la position du survolteur
Sur les enroulements secondaire de chauffage (5v & 6,3v) <= 1Ω
secondaire HT 60Ω et 65 Ω, 125Ω au total
sur l'OT, j'ai secondaire <= 1Ω donc ok
au primaire j'ai un sacré déséquilibre entre les 2 branches : 155Ω et 205Ω
à comparer avec l'OT d'autres ST-30
2) test du MT sur secteur, àa vide, avec une ampoule 100w en série.
L'ampoule commence à éclairer légèrement à partir de la 3ème graduation du survolteur et la luminosité augmente proportionnellement aux graduations, rien d'anormal.
3) test des condensateurs de liaison et condensateurs de filtrage....
Aucune surprise, les moutarde sont impeccables.
Les S.I.R.E, tous à changer.....
Les chimiques complètement cuits.
4) remplacement de tous les condensateurs défectueux
Pour l'instant, j'en suis là.
Je n'hésiterai pas à développer les dernières étapes si cette démarche convient comme méthode de remise en route d'un ST-30
Au passage, je pense qu'il date de 1960. Alvéoles chromées, GZ32, Tonalité avec inductance, transfo déphaseur en // sur le driver. 4xEF86 + 1xECC83 (RCA, miam !)
Re: Restauration Ampli Bouyer ST30 pour Basse
Joli ! Et tu l'as touché à combien, pour être indiscret ?
-
martin_rotsey
- G5 optimiseur

- Messages : 163
- Enregistré le : 05 juin 2015, 10:56
Re: Restauration Ampli Bouyer ST30 pour Basse
Je l'ai touché à 230v, et bin ça pique !!!!
En fait, il était quand même assez cher pour ce que c'est. Pas forcément une bonne affaire comptable, mais quand on aime....
Pour les condensateurs de filtrage, je vois deux options.
Soit on remplace par des can actuels en virant les R d'équilibrage.
Soit on refait à l'identique en conservant les R d'équilibrage et en vidant les can d'origine pour y mettre des condos neufs.
La 1ère option étant beaucoup plus simple et plus rapide, j'ai choisi la 2nde.

En fait, il était quand même assez cher pour ce que c'est. Pas forcément une bonne affaire comptable, mais quand on aime....
Pour les condensateurs de filtrage, je vois deux options.
Soit on remplace par des can actuels en virant les R d'équilibrage.
Soit on refait à l'identique en conservant les R d'équilibrage et en vidant les can d'origine pour y mettre des condos neufs.
La 1ère option étant beaucoup plus simple et plus rapide, j'ai choisi la 2nde.
- bilbo_moria
- Don Bilbo de la Vega
- Messages : 7497
- Enregistré le : 15 déc. 2004, 1:00
- Localisation : Tinteniac (35)
Re: Restauration Ampli Bouyer ST30 pour Basse
En tout cas, il a l'air super clean dedans, ce sera bien agréable de travailler dessus !
Et pour les capas, pourquoi faire simple quand on peut faire compliquer ?
Bien joué !
Et pour les capas, pourquoi faire simple quand on peut faire compliquer ?
Bien joué !
-
martin_rotsey
- G5 optimiseur

- Messages : 163
- Enregistré le : 05 juin 2015, 10:56
Re: Restauration Ampli Bouyer ST30 pour Basse
C'est le fameux câblage Moulin, j'aime beaucoup.
Que ce soit pour relever le schéma, checker les composants ou les remplacer, c'est vraiment très agréable, en effet.
Les condo de filtrage sont en série sur ce modèle, bien qu'ils aient une tension de service loin au delà de celle présente.
Ils font 12µF et sont câblés 2 par 2, en //, soit 24µF
Je me rends compte en regardant le data de la GZ32 que pour une rt de 70 Ω, c'est vraiment le max....
J'ai regardé ça avant de me fixer une valeur pour les condos de substitution, vu que j'ai une 5R4 dans mes tiroirs au cas où, mais pas de GZ34...
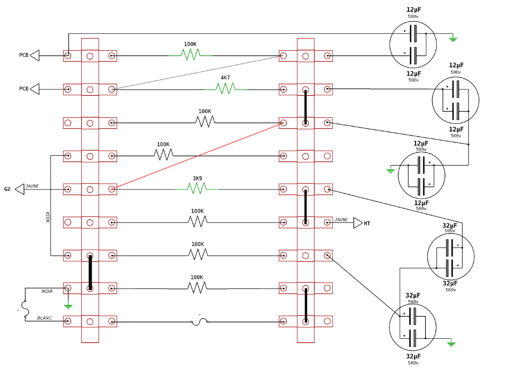
J'ai fait un croquis vite-fait (layout ?) du filtrage pour ce modèle.
J'en ai un, plus ancien, qui correspond au modèle de ce topic, au cas où ça pourrait aider....

Que ce soit pour relever le schéma, checker les composants ou les remplacer, c'est vraiment très agréable, en effet.
Les condo de filtrage sont en série sur ce modèle, bien qu'ils aient une tension de service loin au delà de celle présente.
Ils font 12µF et sont câblés 2 par 2, en //, soit 24µF
Je me rends compte en regardant le data de la GZ32 que pour une rt de 70 Ω, c'est vraiment le max....
J'ai regardé ça avant de me fixer une valeur pour les condos de substitution, vu que j'ai une 5R4 dans mes tiroirs au cas où, mais pas de GZ34...
J'ai fait un croquis vite-fait (layout ?) du filtrage pour ce modèle.
J'en ai un, plus ancien, qui correspond au modèle de ce topic, au cas où ça pourrait aider....
-
Rimlock
- G5 guru

- Messages : 1206
- Enregistré le : 17 juil. 2018, 19:48
- Localisation : pas trop loin de l'Océan
Re: Restauration Ampli Bouyer ST30 pour Basse
Donc, te connaissant un peu, tu l'as payé un peu plus de 40€martin_rotsey a écrit : 28 mai 2020, 11:50 ......................
En fait, il était quand même assez cher pour ce que c'est. Pas forcément une bonne affaire comptable, mais quand on aime....
...........................
Et de deux ! Merci les Bleus 
- OnADarkDesertHighway
- Apprenti sorcier G5

- Messages : 3
- Enregistré le : 01 mai 2020, 11:53
- Localisation : Toulouse
Re: Restauration Ampli Bouyer ST30 pour Basse
BonjourRimlock a écrit : 13 mai 2020, 16:40 Je n'arrive pas à agrandir les photos, on ne voit pas grand chose....
Quand il a allumé l'ampli, il y avait un HP de branché ? Ça ne se fait pas d'allumer un ampli à lampe sans charge au cul !
Pour les condos chimique de filtrage de Haute Tension, prends du F&T, c'est plus cher mais de bien meilleure qualité que les petits radiaux chinois de la photo de la "restauration" de Bouyer de ton lien....
Exemple à ne pas suivre :
condos Bouyer.jpg
je joins un agrandissement de meilleure résolution ... On voit bien le 25uF au dessus d'une lampe et il a fuit ... comme tous d'ailleurs.
Du coup j'ai commandé de F&T (chez Banzaï)
Par contre dans les deux condos rouges dessous celui du bas est plus gros d'un coté - ça me semble louche (donc commandé aussi)
Bref j'attends le colis ...
Pour l'alim je me suis posé la même question que martin_rotsey et au final j'ai commandé un double 50 uF+50 uF https://www.banzaimusic.com ... -500V.html pour garder le montage d'origine (à la place de deux 64uF) - ça permet d'augmenter la marge de tension.
Je n'ai pas eu trop de temps à y consacrer du coup ma méthodologie m'intéresse merci martin_rotsey.
J'ai commencé à relever le schéma sous Kicad pour suivre ensuite les modifs.
Bonne journée,
Bertrand
-
Rimlock
- G5 guru

- Messages : 1206
- Enregistré le : 17 juil. 2018, 19:48
- Localisation : pas trop loin de l'Océan
Re: Restauration Ampli Bouyer ST30 pour Basse
Les deux condos rouges, ce sont des polyesther enrobés dans une sorte d'époxy par trempage donc la forme est parfois irrégulière, ce n'est pas grave. Tu verras en mettant sous tension s'ils fuient en continu !
Et de deux ! Merci les Bleus 
-
martin_rotsey
- G5 optimiseur

- Messages : 163
- Enregistré le : 05 juin 2015, 10:56
Re: Restauration Ampli Bouyer ST30 pour Basse
J'aime beaucoup ces condensateurs rouges siglés d'un 'S' barré d'une flèche.
J'en utilise souvent et je n'ai jamais rencontré de problème.
Ils sont très similaires aux capamyl et autres moutarde, pour moi.
... des ketchup ?
En tout cas, ils ont un intérêt supplémentaire (sauf rares exceptions) ils sont datés !
63 - 65 - 66 .....
C'est leur année de naissance !
Pratique pour dater un appareil.

J'en utilise souvent et je n'ai jamais rencontré de problème.
Ils sont très similaires aux capamyl et autres moutarde, pour moi.
... des ketchup ?
En tout cas, ils ont un intérêt supplémentaire (sauf rares exceptions) ils sont datés !
63 - 65 - 66 .....
C'est leur année de naissance !
Pratique pour dater un appareil.
