J'ai enfin réussi à récuperer le lampemetre de mon grand père, je me rappel jouer avec étant petit. Ayant des tiroirs à rabord de lampes, j'aimerai les tester pour faire un tri.
J'ai scrupuleusement suivi le mode d'emploi, mais malheureusement, j'ai l'impression que ce Centrad 751 ne fonctionne plus très correctemet, en effet j'ai le même défaut sur chaque type de lampe ( en gros toutes les 12ax7 sont en court circuit au même endroit et ne sont pas "bonne" et les el34 ne s'allume pas au filament )
Il est en super état esthétique et après l'avoir ouvert, tout est propre, même les supports de lampes, pas de bricolage ou de modifications douteuses.
Aprés avoir vidé une baignoire de nettoyant contact j'ai réussi à avoir du mieux, j'ai réussi à faire bouger l'aiguille sur "bonne" et pas de court circuits une fois.
Donc cela semble être un faut contact...?
J'ai mesuré un peu ce que je pouvais mais j'avoue avoir un peu peur de mettre les mains dedans, j'ai l'impression que toutes les pièces de cette machine sont à placer dans un musée.
Dans le doute, quelqu'un aurait une idée ? confirmation de faux contactes ? astuces ? je le laisse dans une vitrine ?
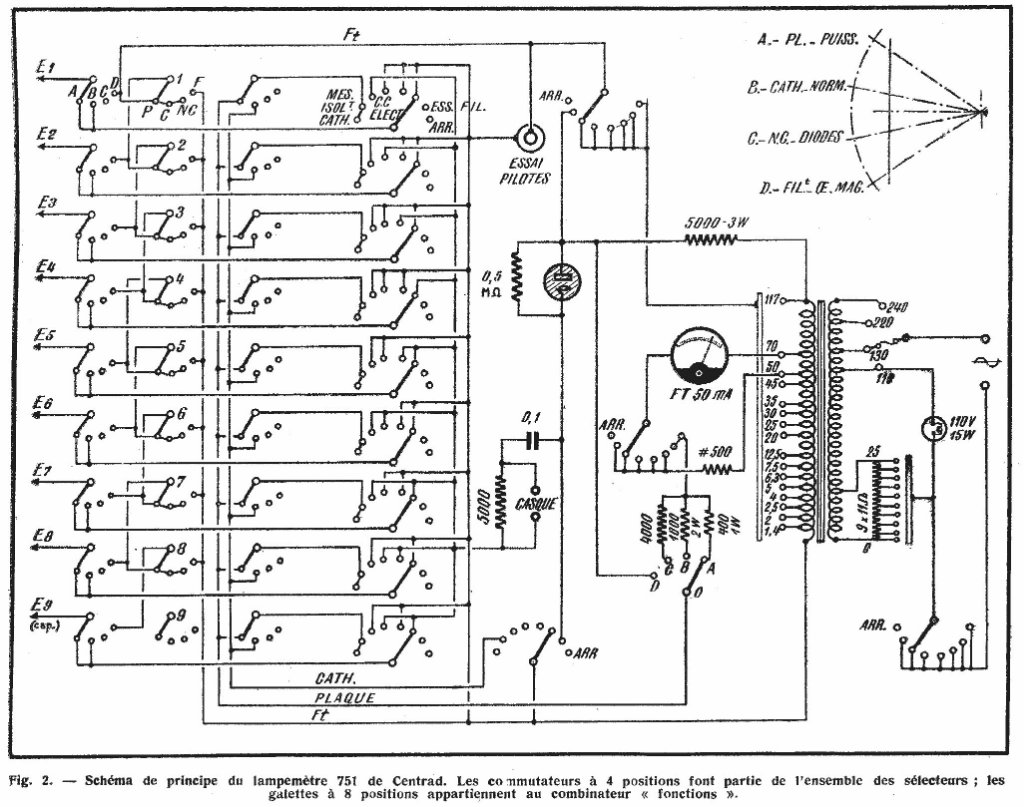
La bête en question : https://zupimages.net/up/20/42/luph.jpg
Merci
Je pense l'ouvrir et prendre des photos dans la journée, je vais être tétu avec !





..::