Page 1 sur 1
Ampli pour casque
Posté : 23 févr. 2014, 7:50
par jmd_91
hello ,
bon , j ai entamé la construction d un ampli pour casque .
&
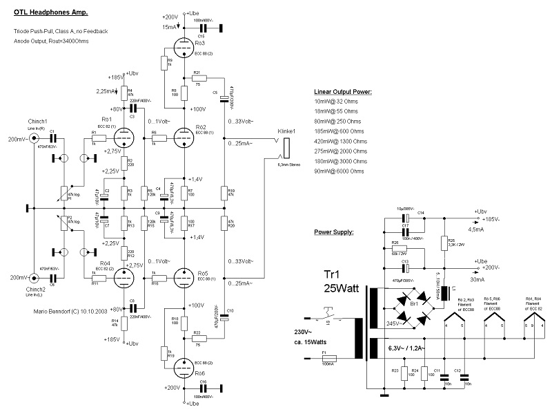
c est une reprise d un plan vu ici
http://www.jogis-roehrenbude.de/Leserbr ... eibung.htm
avec une différence sur l alim HT puisque j avais un transfo torique en rabe et les tensions sont différentes sur la HT
hop la
et paf
Re: Ampli pour casque
Posté : 23 févr. 2014, 10:04
par Lemontheo
Si la HT augmente, fait attention de ne pas dépasser le maximum cathode/filaments des ECC82. Sinon, augmente la tension de référencement du chauffage grˆace à un pont diviseur sur la HT.
Sinon, chouette projet
Théophile
Re: Ampli pour casque
Posté : 23 févr. 2014, 21:48
par Pote Gui
Si la HT augmente, fait attention de ne pas dépasser le maximum cathode/filaments des ECC82.
Tu ne voulais pas plutôt parler des ECC88? Parce que je ne vois pas très bien ce que risquent les ECC82 avec 2,75V à la cathode...
Re: Ampli pour casque
Posté : 23 févr. 2014, 21:58
par jmd_91
hello ,
les ECC88 , c est maxi 130 V= dans chaque triode , du coup , faut même pas compter d aller a 260 V= .
mais je vais faire en sorte d avoir max : 200 V= comme sur le plan de base

Re: Ampli pour casque
Posté : 23 févr. 2014, 23:05
par Lemontheo

oui, bien sˆur, je parlais de l'étage de sortie (la bourde...)
Re: Ampli pour casque
Posté : 01 mars 2014, 18:07
par jmd_91
hello ,
la MAJ se poursuit , arf , la ca devient hard pour mes yeux en morceaux 8O
si tout se passe bien , ca devrait etre audible pour ce week end
hello ,
le voila presque finis
pour les perfs
je donne juste la tension d alim : soit 185 V= après modif ultime , pour la puissance , oups , ca envois très fort , même trop fort et du coup , je referais des mesures quand il sera fini , je voudrais quand même limiter le gain car avec mon casque de 300 Ohms , je dépasse les 300mW 8O
erreur sur les cotes du coffret , c est donc en mode proto dans l immédiat

Re: Ampli pour casque
Posté : 13 mars 2014, 19:32
par jmd_91
MAJ ,
l ampli est full opérationnel
& tester avec 2 HP's de 16 Ohms
voila , le plan est okey , juste une modif entre l entré BF et le potar , rejout de 2 résistances de 39 K sur chaque voie , a noté , qu' il faut quand même un bon casque
PS: y avait une erreur sur le calcul de sortie , env. 20 mW sous 1 Khz a 16 Ohms

Re: Ampli pour casque
Posté : 17 mars 2014, 19:23
par Lemontheo
ça a l'air bien ton affaire!
Théophile
Re: Ampli pour casque
Posté : 17 mars 2014, 21:41
par vitriol82
J'ai bien apprécier les perfs, sympa ce petit projet, mais il faut que je le reteste avec mon casque Bose
Re: Ampli pour casque
Posté : 21 mars 2014, 12:42
par McColson
Merci de compiler tes poste jmd-91. Il est prohibé de poster plusieurs messages d'affilé. Merci.
Re: Ampli pour casque
Posté : 21 mars 2014, 14:42
par jmd_91
Maj & Fin

Re: Ampli pour casque
Posté : 21 mars 2014, 16:16
par Lemontheo
D'accord, mais il faut compiler les double posts et écrire dedans "à supprimer"
Théophile
Re: Ampli pour casque
Posté : 21 mars 2014, 23:06
par bilbo_moria
Mode d’emploi pour compiler les messages :
viewtopic.php?f=21&t=1323
Allez, JMD, tu peux le faire, on a confiance !

Re: Ampli pour casque
Posté : 06 déc. 2014, 10:13
par jmd_91
hello ,
d ici quelques jours , je pense modifier l alim HT sur cet ampli OTL pour casque , en effet , j avais eu des doutes sur la qualité a pleine puissance , ce que j ai contrôler a l oscillo , je vais donc mettre une self Hammond 154 H de 4 H sous 50 mA ( 300 ohms ) , histoire de faire chuter un parasite flottant sur le continu , que j avais découvert sur mes charge de 600 Ohms mais que je n avais pas sur mon ancien casque , le nouveau le laisse apparaitre
bien sur , j édite le post une fois finis
