Page 1 sur 1
un petit OTL
Posté : 05 nov. 2014, 20:39
par jmd_91

, bon , c est le 2 ieme essai mais ca me plait bien .
600 mW sous 8 Ohms .
http://www.dailymotion.com/video/x29e71 ... rcury_tech
y as mieux mais c est plus cher ...

Re: un petit OTL
Posté : 07 nov. 2014, 19:29
par McColson
ça m'a l'air sympa, tu as un schéma ? L'OTL ça m'a toujours interloqué...
Re: un petit OTL
Posté : 10 nov. 2014, 9:45
par jmd_91
Hello McColson ,
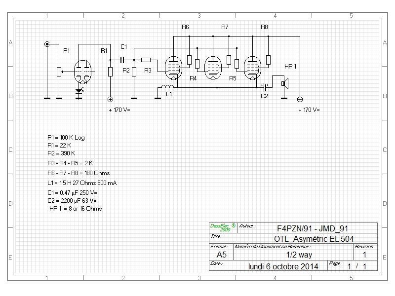
oui , celui au quel je suis dessus , pas finaliser mais les résultat sont pas si mal .
les valeurs lu sur l oscillo a 150 V= avec 300 mA de conso sur chaque EL 519 8O
j attend de finaliser mes test , on peut sous réserve en faire des plus puissant mais les OTL sont réputer " Tueurs d HP " , donc faut y aller doucement dessus
Re: un petit OTL
Posté : 28 nov. 2014, 21:26
par Pote Gui
Sujet déplacé! Merci de compiler tes post jmd (comme d'hab')...
Re: un petit OTL
Posté : 29 nov. 2014, 12:16
par jmd_91
hello ,
le post a été éditer le ou les transfo d alim HT & chauffage des tubes est fait sur mesure , je referais la MAJ au dernier moment , quelques soucis d approvisionnement de composants telles que les self et résistances de puissances me donne bien des soucis
l OTL avec des nouveaux éléments , assez performant et toujours en classe A
j attend d avoir les pièces adequates , 2 versions sous 8 Ohms devrait voir le jour .