bonjour,
ayant du temps libre suite à une opération du genou je voudrai me lancer dans l'aventure d'une construction d'ampli.
j'ai repéré un kit sur tubetown le HotLukas
http://www.tube-town.net/ttstore/Kits/V ... :6697.html
mais je ne trouve pas de retour ,essais.... si quelqu'un a déjà fait ce montage?
merci
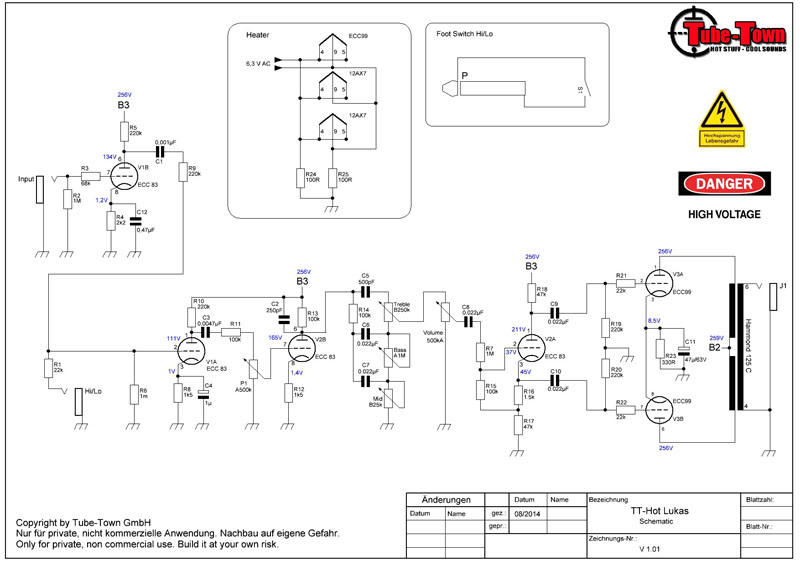
ps: j'ai trouvé le schéma au cas ou
https://www.tube-town.net/cms/userfiles ... tlukas.pdf
ampli en kit hotlukas tubetown
Re: ampli en kit hotlukas tubetown
Et pourquoi celui-ci plutôt qu'un autre? Il y a sans doute une raison à ton choix de départ, non?
Re: ampli en kit hotlukas tubetown
Je suis bassiste et un ptit peu guitariste donc c'est juste pour gratouiller de temps en temps donc le budget est forcement serré.
Il y a longtemps que le projet g5 m'a tappé deans l'oeil car je suis un grand fan du diy j'ai deja quelques pedales diy pour ma basse (tube screamer modifié,whawha modifié,wholy mamouth,delay et dernierement une meastro brass master.....vu metre à led sur mon ampli,controleur de spot rgb avec potard stromboscope......bref)
comme je le dt plus haut le kit g5 sur tt est à 249 euros ---->hors budget
alors pourquoi pas le g1?
le kit hotlukas a deux cannaux switchable et un vrai tonestack si je ne me trompe par rapport au schema, c'est ce que je recherche (manque la reverbe mais je verrai apres)
si je ne trompe pas le g1 n'a pas tout ça?
je ne suis pas une star en éléctronique j'acquiere des connaissances avec le temps je me trompe peut-etre
Il y a longtemps que le projet g5 m'a tappé deans l'oeil car je suis un grand fan du diy j'ai deja quelques pedales diy pour ma basse (tube screamer modifié,whawha modifié,wholy mamouth,delay et dernierement une meastro brass master.....vu metre à led sur mon ampli,controleur de spot rgb avec potard stromboscope......bref)
comme je le dt plus haut le kit g5 sur tt est à 249 euros ---->hors budget
alors pourquoi pas le g1?
le kit hotlukas a deux cannaux switchable et un vrai tonestack si je ne me trompe par rapport au schema, c'est ce que je recherche (manque la reverbe mais je verrai apres)
si je ne trompe pas le g1 n'a pas tout ça?
je ne suis pas une star en éléctronique j'acquiere des connaissances avec le temps je me trompe peut-etre
Re: ampli en kit hotlukas tubetown
Le Hot Lukas est un simple canal. Le footswitch permet de contrôler au pied ce que l'on fait d'ordinaire manuellement en passant de l'entrée high gain à low gain en façade de l'ampli. Pour simplifier, tu passes d'un mode avec tout le signal amplifié à un mode où la moitié du signal entrant est envoyé à la seconde triode, d'où moins de volume à la sortie...
Hormis cela, je n'ai pas eu l'occasion d'entendre ce que donne cet ampli au demeurant fort sympathique! Peut-être en fouillant sur You Tube?
Hormis cela, je n'ai pas eu l'occasion d'entendre ce que donne cet ampli au demeurant fort sympathique! Peut-être en fouillant sur You Tube?
- Didi
- G5 optimiseur

- Messages : 126
- Enregistré le : 30 déc. 2011, 1:00
- Localisation : Belgique (Gerpinnes)
Re: ampli en kit hotlukas tubetown
sur le forum il a pléthore de G1 avec "vrai" tonestack...garren28 a écrit :... un vrai tonestack
Re: ampli en kit hotlukas tubetown
merci pour le coup d'oeil,Pote Gui a écrit :Le Hot Lukas est un simple canal. Le footswitch permet de contrôler au pied ce que l'on fait d'ordinaire manuellement en passant de l'entrée high gain à low gain en façade de l'ampli. Pour simplifier, tu passes d'un mode avec tout le signal amplifié à un mode où la moitié du signal entrant est envoyé à la seconde triode, d'où moins de volume à la sortie...
Hormis cela, je n'ai pas eu l'occasion d'entendre ce que donne cet ampli au demeurant fort sympathique! Peut-être en fouillant sur You Tube?
je n'ai pas trouvé de video sur youtube
je vais me rabattre sur le g1 et foullier sur les forum voir si quelqu'un a fait une modif avec deux cannaux
merci

