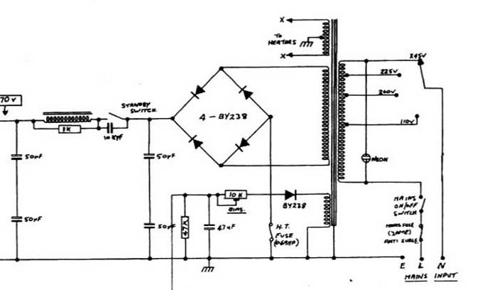
J'ai remis en état un ampli Carlsbro 60 PA 5, l'alim est assez bizarre, il y a une resistance de 1K en parallele avec la Choke, je me demande à quoi elle sert. Elle a grillé il y a pas longtemps, en même temps que la resistance 1k 5 Watt d'une des lampes, la lampe est mort également.
Bref, j'ai nettoyé tout les marques de brulé et j'ai remplacé ce qui était cassé et j'ai essayé d'améliorer ce que je pouvais mais je me demande toujours le rôle de cette resistance de 1k en parallele avec la choke.
Il y a aussi un condo de 10nF en parallele avec le switch de standby su le schémas, il n'était pas présent et l'ampli a très bien fonctionné pendant longtemps, je me demande si je dois le remettre ou peut-être cabler le standby autrement comme suggéré par The Valve Wizard ici : http://www.valvewizard.co.uk/standby.html

Si vous avez une idée pour ces quelques questions je suis preneur.
Merci

