Bonjour toutes et tous,
En ces temps confinés, je ne vais pas parler chinois pour exposer mon problème :
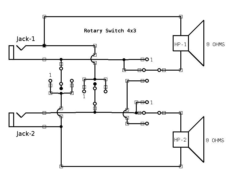
Il s'agit d'un cab.
Pour faire communiquer tout ce beau monde, un sélecteur à 3 positions.
- position 1 : les jacks de sortie sont en // sur une charge équivalente de 4 ohms
- position 2 : jack-1 sur HP-1 et jack-2 sur hp-2 = 2 x 8 ohms
- position 3 : les jacks de sortie sont en // sur une charge équivalente de 16 ohms
J'ai travaillé sous mon chapeau et j'ai finalement réfléchi par étapes (c'était un peu moins compliqué pour moi) :
Position 1 / Position 2 / Position 3 /
Ensuite, j'ai rapproché les positions 1 et 3 avec un simple switch DPDT. Ainsi, je me suis quelque peu simplifié la tâche, il ne reste plus qu'à gérer la position 2.
Et elle est très proche de la position 1 finalement.
Il faut surtout désolidariser les jacks dans cette position.
En partant de ce raisonnement, j'ai trouvé une solution qui me semble plutôt pas mal (
J'ai bon ?
Si oui, existerait-il une solution plus simple ?

