J'ai dans un coin une petite alimentation régulée pour 2 relais avec un 7805 qui figurait dans un vieux projet.
Ton atelier est une vraie caverne d'Ali Baba !
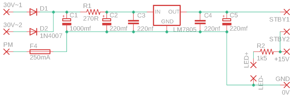
... je déporterais cette petite carte près de l'alim HT (ce qui évite de faire circuler de l'alternatif dans tout le chassis) et j'alimenterais la carte relais à la place de la capa de filtrage de 1000mf. Je ne sais pas si le pont de diodes de la carte relais en amont de la capa devra être enlevé...
C'est une solution plus encombrante, mais qui a l'avantage:
- de garder l'alternatif de son côté

- de ne pas faire un montage "volant" du régulateur et de ses composants annexes sur la carte relais (avec les vibrations dans un combo, c'est une sécurité de plus)
Par contre, il y des composants qui "doublonnent":
- côté carte relais, les diodes de redressement (à supprimer) puisque tu vas l'alimenter en continu
- côté carte alimentation, le condensateur C5 (à supprimer, plutôt que le condo de la carte relais) qui joue le même rôle que le condensateur de filtrage de la carte relais et qu'il est préférable de conserver au plus près de la consommation (donc des relais); si tu laisses les deux, ça ira aussi
Avec 2x17v au lieu de 2x30v, la R1 270R doit-elle changer de valeur ?
Et d'autres qui ne sont plus nécessaires: R1 et C2, car tu alimentes le montage en 2x17V au lieu de 2x30V.
La justification de R1 dans le montage initial est que le 7805 ne supporte pas une tension d'entrée supérieure à 35V que l'on dépasse largement en redressant 30V en double alternance (la tension redressée montera jusqu'à 30 √2 soit 42V); c'est le même montage que lorsque tu passes de A+ à B+ sur la HT: une résistance pour chuter la tension suivie d'un condo "réservoir".
Avec 17V en entrée, le maximum sera à 24V donc OK pour le 7805. Tu peux supprimer C2 et mettre un fil à la place de R1.
EDIT:
A la réflexion, on pourrait les garder pour éviter de faire trop chauffer le régulateur, mais cela nécessite de connaître la consommation maximale de la carte relais. Sur la base (a priori large) de 100mA, on pourrait chuter 10V à 15V dans R1 (il faut quand même laisser quelques V aux bornes du régulateur !) donc 100Ω (pour un 7809) à 150Ω (pour un 7805). A tester...
Fin de l'EDIT
Si on veut suivre à la lettre la datasheet du 7805, C3 devrait être de 330nF et C4 de 100nF; en pratique, comme ils ne sont même pas obligatoires et vu la tolérance sur ce genre de condo, 220nF fait aussi l'affaire.
Ce qui n'est pas top, c'est que c'est encore une histoire de point milieu... tu vas dire que je cherche les problèmes

Mais non, quelle idée !
Le schéma du GC30 Laney indique bien les couleurs qui constituent le point milieu et le référence à la masse, ça devrait donc fonctionner ?
En fait, ce principe de redressement (qui est bien un double alternance) est un "redressement du pauvre" (en diodes, mais riche en enroulements).
Au lieu d'avoir un secondaire et 4 diodes (qui ne coûtent plus rien aujourd'hui), on utilise 2 secondaires et 2 diodes mais chaque secondaire ne travaille qu'une alternance sur deux (et pas la même); il ne faut effectivement pas se rater sur les fils qui vont créer le point milieu sous peine de faire travailler les 2 secondaires en même temps et d'obtenir un redressement mono alternance, moins efficace.
Comme tu disposes du marquage du transfo Laney, pas de problème de ce côté là.
Le fait que le point milieu soit la masse de l'alimentation est plus une habitude qu'une nécessité (on pourrait obtenir le contraire en inversant le sens de montage des diodes); c'est donc la masse de ton alimentation à cause du schéma (sens de montage des diodes) et pas parce que c'est un point milieu.
Le seul problème potentiel avec cette alimentation est qu'elle est prévue pour un "petit" 7805 (boitier plastique); bien vérifier qu'il ne chauffe pas trop (il y a une protection thermique, il risque de couper) sinon monter un petit radiateur clip ou même un boitier TO220 qui dissipe mieux.

En pratique, il serait préférable de remplacer le 7805 par un 7809, mais il y a de fortes chances que les relais 9V fonctionnent à 5V:
à tester...
[edit] j'ai démonté le circuit d'alim, en fait, j'avais mis un régulateur 7815 mais avec 30v c'était plus adapté, je peux toujours le remplacer par un 7805 ou 7809.
J'avais vu le 15V sur le schéma qui me semblait curieux pour un 7805 !
Ce sera trop pour les relais 9V, il faut mettre un 7809 (idéalement) ou un 7805 (si tu n'as que ça pour l'instant).