|RESOLU| Sauvetage ampli tout lampes Musique industrie MI120 ???

Pour réparer ou rénover un ampli qui n'est pas issu du site.
Rimlock
G5 guru
G5 guru
Messages : 1169
Enregistré le : 17 juil. 2018, 19:48
Localisation : pas trop loin de l'Océan

Re: Sauvetage ampli tout lampes Musique industrie MI??

Message non lu par Rimlock »

En 38 mm, sans la flèche et ...... sans la fleur !

https://www.ebay.fr/i/292821037608?chn=ps&dispItem=1

Et celui-là avec la flèche ! mais toujours sans la fleur. :crazy

https://www.ebay.fr/itm/Bos-BOUTON-ROND ... SwYIxX7rtU
Et de deux ! Merci les Bleus :lol:
Patrick01
G5 constructeur
G5 constructeur
Messages : 53
Enregistré le : 12 nov. 2018, 21:32
Localisation : 01

Re: Sauvetage ampli tout lampes Musique industrie MI??

Message non lu par Patrick01 »

Merci Rimlock, nickel !!!
Le deuxième semble pas mal...
Diamètre de la jupe 76, je crois que c'est pile-poil la bonne dimension !!!
Je ferais un peu de peinture au pire... :siffle:

*****************************************
Partagez l'info:
Le gros bouton en vente ici:

https://www.ebay.fr/itm/Bos-BOUTON-ROND ... 1438.l2649

Je viens de le recevoir, et c'est un vrai bouton Stockly exactement comme ceux d'origine du MI60 (même l'emballage est d'époque !), mais sans la fleur...
"Avant de vouloir entendre le son de ton ampli, écoute d'abord le silence qu'il produit..." Aristote 350 av. JC
Patrick01
G5 constructeur
G5 constructeur
Messages : 53
Enregistré le : 12 nov. 2018, 21:32
Localisation : 01

Re: Sauvetage ampli tout lampes Musique industrie MI120 ???

Message non lu par Patrick01 »

C'est parti !!! On va l'appeler René...
On commence par un léger rafraichissement de la façade:
P1040970.JPG
Remplacement des condos chimiques, ajout d'un règlage du bias, vérification des composants:
P1040966.JPG
Reprise du câblage:
P1040971.JPG
"Avant de vouloir entendre le son de ton ampli, écoute d'abord le silence qu'il produit..." Aristote 350 av. JC
Avatar du membre
McColson
Admin du site
Admin du site
Messages : 8029
Enregistré le : 07 nov. 2004, 1:00
Localisation : La Celle sur Morin
Contact :

Re: Sauvetage ampli tout lampes Musique industrie MI120 ???

Message non lu par McColson »

Super !
Tu changes le condo de cathode tout à droite sur le pcb ou pas ?
J'ai une question, est-ce que tu as la valeur de la résistance de grille sur le jack d'entrée c'est une 100k ou une 1M ?
Patrick01
G5 constructeur
G5 constructeur
Messages : 53
Enregistré le : 12 nov. 2018, 21:32
Localisation : 01

Re: Sauvetage ampli tout lampes Musique industrie MI120 ???

Message non lu par Patrick01 »

Bonjour,
Je l'ai controlé ok en capa et ESR, il te semble important de le remplacer ce condo vintage ? il n'est pas soumis à de grandes contraintes ???
Pour la résistance d'input malheureusement je me pose la même question, cette partie était manquante dans le mien ...
"Avant de vouloir entendre le son de ton ampli, écoute d'abord le silence qu'il produit..." Aristote 350 av. JC
Avatar du membre
McColson
Admin du site
Admin du site
Messages : 8029
Enregistré le : 07 nov. 2004, 1:00
Localisation : La Celle sur Morin
Contact :

Re: Sauvetage ampli tout lampes Musique industrie MI120 ???

Message non lu par McColson »

J'ai toujours vue une 100k mais on avait essayé avec Celmo de mettre un buffer entre la guitare et l'entrée, et on retrouve des aigus, donc une 1M me semble plus adaptée, mais une 100k sera plus proche de l'original...C'est un choix à faire...
Si tu as testé la capa, et qu'elle va bien, garde là.
Patrick01
G5 constructeur
G5 constructeur
Messages : 53
Enregistré le : 12 nov. 2018, 21:32
Localisation : 01

Re: Sauvetage ampli tout lampes Musique industrie MI120 ???

Message non lu par Patrick01 »

D'ac, merci pour le tuyau, ça va m'aider à avancer, j'ai quelques questions en vrac:
J'avais envisagé de remplacer l'atténuateur à 4 positions par un potentiomètre, qu'en penses-tu ?
Je vais le cabler en 245v fixe en alim, si cela réduit un peu la HT ce ne sera pas grave, mais coté caractère j'èspère ne pas trop le dénaturer, pour le chauffage on devrait être dans les clous encore avec notre réseau à 235v ?
J'ai monté le règlage du bias au pif (47k + trimmer 22k pour chaque canal), l'idée étant de pouvoir augmenter un peu Vg1 pour calmer la bête et également de pouvoir fonctionner au choix en 6550 ou en EL34...
"Avant de vouloir entendre le son de ton ampli, écoute d'abord le silence qu'il produit..." Aristote 350 av. JC
Avatar du membre
McColson
Admin du site
Admin du site
Messages : 8029
Enregistré le : 07 nov. 2004, 1:00
Localisation : La Celle sur Morin
Contact :

Re: Sauvetage ampli tout lampes Musique industrie MI120 ???

Message non lu par McColson »

L'atténuateur 4 positions équivaut clairement à un potentiomètre de 1M donc oui c'est faisable.
Pour le bias tu devrais en tâtonnant trouver une solution pour pouvoir utiliser les 6550 et les EL34.
Patrick01
G5 constructeur
G5 constructeur
Messages : 53
Enregistré le : 12 nov. 2018, 21:32
Localisation : 01

Re: Sauvetage ampli tout lampes Musique industrie MI120 ???

Message non lu par Patrick01 »

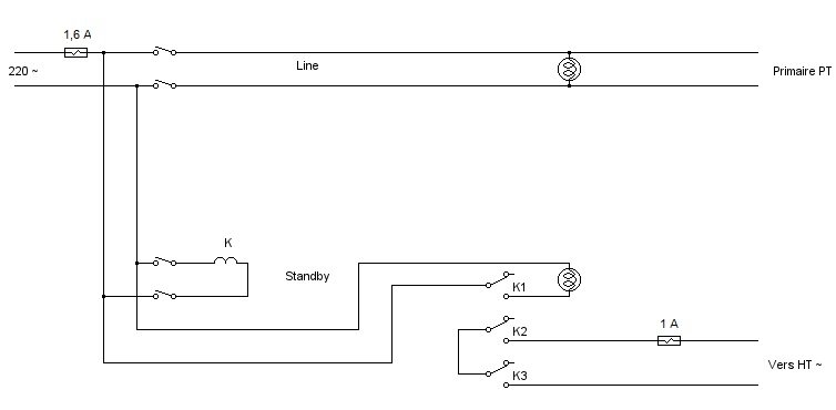
Suite du câblage, celui de l'alim ayant disparu, je le refais suivant ce principe, pour éviter de balader la HT partout, j'ajoute un relais:
Cablage Alim.jpg
"Avant de vouloir entendre le son de ton ampli, écoute d'abord le silence qu'il produit..." Aristote 350 av. JC
Rimlock
G5 guru
G5 guru
Messages : 1169
Enregistré le : 17 juil. 2018, 19:48
Localisation : pas trop loin de l'Océan

Re: Sauvetage ampli tout lampes Musique industrie MI120 ???

Message non lu par Rimlock »

Comme est placé le relais du standby, tu peux fermer le standby même avec le secteur ouvert ! Et ça utilise un relais 220V en alternatif... Ça risque de vibrer... Je verrais plutôt un relais 6V en continu en redressant à partir du chauffage. Mais amha un simple switch traditionnel fait aussi bien le taf qu'un relais, en plus simple.
Et de deux ! Merci les Bleus :lol:
Patrick01
G5 constructeur
G5 constructeur
Messages : 53
Enregistré le : 12 nov. 2018, 21:32
Localisation : 01

Re: Sauvetage ampli tout lampes Musique industrie MI120 ???

Message non lu par Patrick01 »

Merci Rimlock, c'est assumé, le voyant témoin de standby alertera dans le cas que tu sites, comme avec un simple inter. :siffle:
Avant tout sur cet engin la HT à près de 500V, je préfère ne pas l'avoir sur la façade sur un seul contact d'un inter prévu pour 250V. :?
Si quelqu'un à des infos sur le câblage original du standby je suis preneur :salut:
"Avant de vouloir entendre le son de ton ampli, écoute d'abord le silence qu'il produit..." Aristote 350 av. JC
Avatar du membre
Pote Gui
G5 Team
G5 Team
Messages : 4469
Enregistré le : 15 mai 2012, 11:07
Localisation : Lyon (69)

Re: Sauvetage ampli tout lampes Musique industrie MI120 ???

Message non lu par Pote Gui »

De toute façon, les 250V c'est pour de l'alternatif et là t'es en continu; et les specs en continu sont nettement revues à la baisse... Si tu prends ça tu devrais être tranquille : https://www.tube-town.net/ttstore/Switc ... :3674.html
Avatar du membre
McColson
Admin du site
Admin du site
Messages : 8029
Enregistré le : 07 nov. 2004, 1:00
Localisation : La Celle sur Morin
Contact :

Re: Sauvetage ampli tout lampes Musique industrie MI120 ???

Message non lu par McColson »

Le câblage du power et du stby est sur le schéma du MI60. Avec les switchs de chez apem donnés en lien par pote gui pas de soucis.
Rimlock
G5 guru
G5 guru
Messages : 1169
Enregistré le : 17 juil. 2018, 19:48
Localisation : pas trop loin de l'Océan

Re: Sauvetage ampli tout lampes Musique industrie MI120 ???

Message non lu par Rimlock »

En plus tu peux mettre une 220k 2W en // sur les contacts du standby.
Et de deux ! Merci les Bleus :lol:
Patrick01
G5 constructeur
G5 constructeur
Messages : 53
Enregistré le : 12 nov. 2018, 21:32
Localisation : 01

Re: Sauvetage ampli tout lampes Musique industrie MI120 ???

Message non lu par Patrick01 »

Si vous me dites qu'ils étaient cablés comme ça d'origine ... je vais simplifier alors :good:
"Avant de vouloir entendre le son de ton ampli, écoute d'abord le silence qu'il produit..." Aristote 350 av. JC
Répondre