fabrication en stack.
Re: fabrication en stack.
Bonjour à toutes et à tous !
Comme me l'a fait remarqué Rimlock la réverb n'est pas une 8EB2C1B que j'ai installé mais une 8AB2A1B
Je viens de l'installer et miracle (petit) les ronflements ont bien diminués
Il me reste du ZZZZZZZZZZ qui disparait quand je mets les doigts sur les cordes de la guitare ou sur la réverb
Volume et master au 3/4 j'ai un peu de 50Hz .
J'ai fabriqué un ampli guitare de 15W avec 12ax7-12au7 et deux EL84. La fabrication est identique (même configuration)
je n'ai pas de parasites
alimentations dans un boitier fermé relié à la masse . La réverb est reliée à la masse par la sortie vers 7 de T3/B
Je peux ajouter une liaison directe sur le chassis de la réverb à la masse !
A vous lire
cordialement
Comme me l'a fait remarqué Rimlock la réverb n'est pas une 8EB2C1B que j'ai installé mais une 8AB2A1B
Je viens de l'installer et miracle (petit) les ronflements ont bien diminués
Il me reste du ZZZZZZZZZZ qui disparait quand je mets les doigts sur les cordes de la guitare ou sur la réverb
Volume et master au 3/4 j'ai un peu de 50Hz .
J'ai fabriqué un ampli guitare de 15W avec 12ax7-12au7 et deux EL84. La fabrication est identique (même configuration)
je n'ai pas de parasites
alimentations dans un boitier fermé relié à la masse . La réverb est reliée à la masse par la sortie vers 7 de T3/B
Je peux ajouter une liaison directe sur le chassis de la réverb à la masse !
A vous lire
cordialement
Re: fabrication en stack.
Tiens, il a l'air pas mal conformable ton cable blindé ...
Tu aurais la référence de ce cable, s'il te plaît ?
Tu aurais la référence de ce cable, s'il te plaît ?
Re: fabrication en stack.
C'est du cable qui vient de chez E44 électronique
Si tu as mieux donnes moi la ref ! merci.
Re: fabrication en stack.
J'ai remonté le tout et ajouter une ligne de masse entre réverb et chassis .
Pas de ZZZZZZ ni de 50Hz mai une sinusoïde sur la sortie Hp de 100Hz qui ce trouve modulée par le signal de la guitare . Je ne vois pas d'ou viennent c'est 100Hz !
volume et master à 0 le sinus ne bouge pas !
Pas de ZZZZZZ ni de 50Hz mai une sinusoïde sur la sortie Hp de 100Hz qui ce trouve modulée par le signal de la guitare . Je ne vois pas d'ou viennent c'est 100Hz !
volume et master à 0 le sinus ne bouge pas !
Re: fabrication en stack.
100Hz c'est post rectification, donc soit le layout des masses, soit un ou des câbles qui passent trop près de l'alim, soit ton oscillo à un problème !
Re: fabrication en stack.
Bonjour Pote Gui !
Je n'ai pas signalé que la sinusoïde faisait 2 mv crête à crête ,ce qui est peu !
Cependant je devrais avoir une ligne horizontale .
Toutes les parties de l'ampli sont reliées à la masse châssis qui est relié à la terre par la prise 230vac.
Ce qui est bizarre !quand je passe en stand by ,j'ai un petit cloc dans le HP. (2mv peut faire ça ?)
Je n'ai pas signalé que la sinusoïde faisait 2 mv crête à crête ,ce qui est peu !
Cependant je devrais avoir une ligne horizontale .
Toutes les parties de l'ampli sont reliées à la masse châssis qui est relié à la terre par la prise 230vac.
Ce qui est bizarre !quand je passe en stand by ,j'ai un petit cloc dans le HP. (2mv peut faire ça ?)
Re: fabrication en stack.
2mV crête-à-crête ne peuvent pas produire un buzz dérangeant. Il doit y avoir autre chose (ou tu as les oreilles trop sensibles).
Non, le ploc n'a rien à voir avec ton éventuel problème.
Non, le ploc n'a rien à voir avec ton éventuel problème.
Re: fabrication en stack.
Les oreilles trop sensibles ! pas possible !Plusieurs années de chaudronnerie et c'est une forte chute de l'audition .
Je vais laisser vieillir un peu les lampes et voir l'évolution car pour l'instant dans le brouillard !
Merci pour votre aide .
Je vais laisser vieillir un peu les lampes et voir l'évolution car pour l'instant dans le brouillard !
Merci pour votre aide .
-
Rimlock
- G5 guru

- Messages : 1203
- Enregistré le : 17 juil. 2018, 19:48
- Localisation : pas trop loin de l'Océan
Re: fabrication en stack.
Je doute que 2mV ça s'entende ! Ou alors avec l'oreille collée au HP ! Quand j'ai 10 mV càc je suis content ! et en plus à 1m on n'entend rien ! mais en général mon "bruit" est un mélange de résidu 100 Hz et de souffle ! Exemple en sortie d'un Vibrolux reverb :
Et de deux ! Merci les Bleus 
Re: fabrication en stack.
Bonjour !
Pote Gui a raison ! mon oscillo a des problèmes.
Sonde sur le HP :ampli éteint ,j'ai une sinusoïde de 1V càc .(L'oscillo n'est pas relié à la terre)
Si je relie à la terre : plus de sinusoïde (Je n'avais pas ce problème avant )
J'ai quand même un hum à 70% de la rotation des pot suivi d'un accrochage .(désagréable )
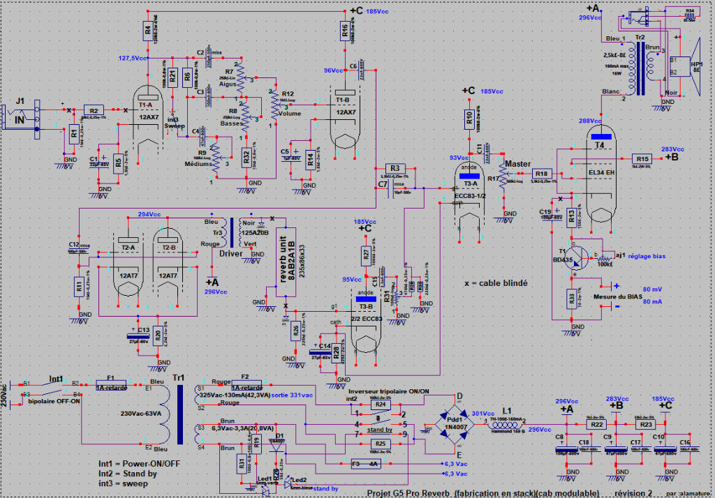
Je vous joint mon schéma du G5 pro reberb plus photo du montage . Sur la droite l'alimentation
au centre le driver
à gauche l'ampli
le long fil bleu c'est le plus A sur le transfo de sortie et le blanc c'est la tension d'anode de T4 (si je les bouge ça ne change rien)
Je n'ai pas encore appliqué la méthodologie de bilbo_moria
a plus
Pote Gui a raison ! mon oscillo a des problèmes.
Sonde sur le HP :ampli éteint ,j'ai une sinusoïde de 1V càc .(L'oscillo n'est pas relié à la terre)
Si je relie à la terre : plus de sinusoïde (Je n'avais pas ce problème avant )
J'ai quand même un hum à 70% de la rotation des pot suivi d'un accrochage .(désagréable )
Je vous joint mon schéma du G5 pro reberb plus photo du montage . Sur la droite l'alimentation
au centre le driver
à gauche l'ampli
le long fil bleu c'est le plus A sur le transfo de sortie et le blanc c'est la tension d'anode de T4 (si je les bouge ça ne change rien)
Je n'ai pas encore appliqué la méthodologie de bilbo_moria
a plus
Re: fabrication en stack.
Non, ça à l'air pas mal. Merci à toi !alamature a écrit : 06 mai 2021, 15:11 C'est du cable qui vient de chez E44 électronique
Capture d’écran 2021-05-06 150645.png
Si tu as mieux donnes moi la ref ! merci.
Re: fabrication en stack.
Revois ton câblage. Les fils de signal ne doivent pas se trouver à côté des fils d'alimentation, etc, etc... Utiliser du blindé n'est pas une obligation pour éviter ce genre de désagréments. Je dirais même plus, c'est parfois contre-productif parce qu'on se dit "oh, c'est bon, c'est du blindé" et on ne soigne pas son layout, on câble à la volée, vite fait et ce n'est pas toujours garanti que cela fonctionne...J'ai quand même un hum à 70% de la rotation des pot suivi d'un accrochage .(désagréable )
Les fils c'est comme un pcb : ça doit être organisé rationnellement en fonction de ce qui est relié ; ce ne sont pas de simples bouts de ficelle qu'on tire entre un point et un autre.
Re: fabrication en stack.
J'ai écouté les conseils de Pote Gui et je pense avoir trouvé l'origine du problème .
L'entrée du tube T1est un peu trop chargée .
a) : Quand l'entrée n'est pas chargée ,ne n'ai pas de "hum" et un accrochage se produit pot volume et master à 100%.
B): Quand l'entrée est chargée le "hum" est présent "pots" à 0%
Quand les pot atteignent (R12=60% et R17= 70% ) accrochage ! (Auto oscillation) Je pense que mon problème vient de là !
Qu'en penses -tu Pote Gui ?
L'entrée du tube T1est un peu trop chargée .
a) : Quand l'entrée n'est pas chargée ,ne n'ai pas de "hum" et un accrochage se produit pot volume et master à 100%.
B): Quand l'entrée est chargée le "hum" est présent "pots" à 0%
Quand les pot atteignent (R12=60% et R17= 70% ) accrochage ! (Auto oscillation) Je pense que mon problème vient de là !
Qu'en penses -tu Pote Gui ?
Re: fabrication en stack.
Qu'est-ce que tu entends par là ? Trop chargée en composants ? Chargée par une résistance trop élevée ou à l'inverse, comme disent les anglo-saxons, trop faible ?L'entrée du tube T1est un peu trop chargée
Re: fabrication en stack.
Trop chargé en composants !
Je pense que le sweep et l'entrée guitare sont trop près .
Ainsi que la sortie d'anode et l'entrée de grille (R1 sortie C2)
J'aurais du mettre C2 à l'horizontal sous R4 qui aurai du être relevée .
Je pense avoir une auto oscillation entre grille et anode .
Je pense que le sweep et l'entrée guitare sont trop près .
Ainsi que la sortie d'anode et l'entrée de grille (R1 sortie C2)
J'aurais du mettre C2 à l'horizontal sous R4 qui aurai du être relevée .
Je pense avoir une auto oscillation entre grille et anode .

