Désolé pour le double-post, mais vu que celui-ci comporte pas mal de texte, des images etc. j'ai préféré faire un post supplémentaire.
Je suis toujours sur mon projet de préamp (cf plus haut dans ce post ainsi que quelques schémas et simulations 3D là :
viewtopic.php?f=2&t=6281)
Pas encore fini (la partie "instru" est en bonne voie, j'ai testé aujourd'hui en sortie asymétrique, c'est ok), il reste à implémenter la partie "microphone" ...
Et les tests de cet après midi m'ont bien confirmé que mes neurones ne sont pas super compatibles avec le symétrique, j'ai toujours du mal à analyser … (certes, je pense avoir bien compris le concept mais les réflexes ne sont toujours pas là).
Dans ce (long) post, je mets le focus sur la sortie symétrique du bidule, interpelé par ce que j'ai constaté à l'oscillo.
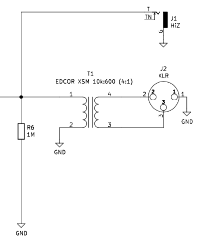
Le transfo est un Edcor XSM10k:600 (soit 4.1:1) dont voici le schéma de câblage :
Afin de bien me remémorer les rapports d'impédance Vs nombre de tours, avant d'installer le transfo dans mon préamp, j'ai injecté un signal en entrée (entre pin1 et pin4) : 5VRMS 1kHz puis mesuré à l'oscillo en sortie entre pin 5 et pin 8 : 1,24V soit 5/1,24 = 4.03 ce qui me paraît bien cohérent avec le rapport de la datasheet 4.1:1 (aux erreurs de mesure près).
Concernant le rapport d'impédance du bidule, si on met 600Ω au secondaire, on aura 4.03^2 x 600 = 9745Ω au primaire, proche de 10k et donc youpi.
Toujours préoccupé par l'aspect "symétrique", j'ai ensuite effectué la mesure suivante (en mettant la masse de mes 2 sondes sur le CT du secondaire soit pin 6 pour bien vérifier l'opposition de phase) :
Re-youpi !
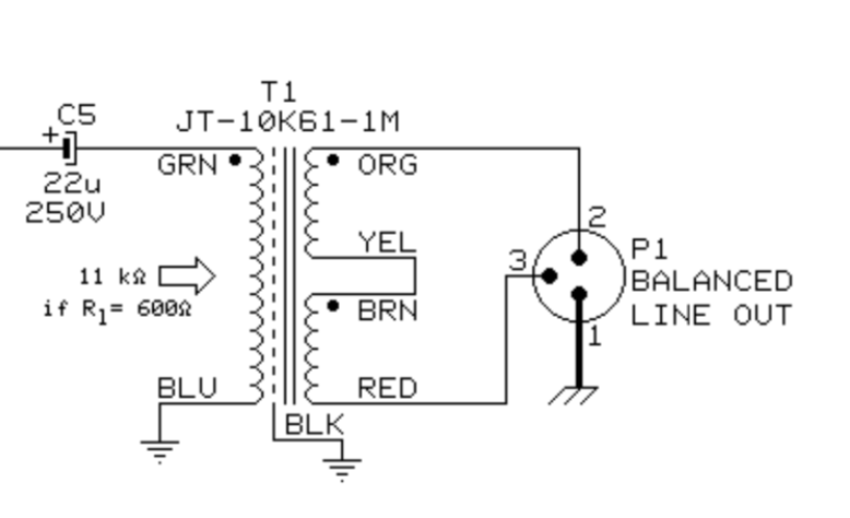
Ces tests préalables effectués, lors de la phase de conception, je me suis posé la question de "comment relier le secondaire" du transfo à ma XLR mâle en sortie. Les différents schémas que j'ai vu sont comme suit (et donc, j'ai pompé sans vergogne …) :
Jensen :
Un autre schéma ("Mila") :

- Mila.png (16.07 Kio) Vu 3239 fois
Mon schéma (il y a un condensateur en amont, que l'on ne voit pas sur cet extrait) :
(notez la sortie jack asymétrique et la sortie symétrique via le transfo, là encore je n'ai rien inventé)
A présent les tests "in situ", i.e. dans le préampli.
Au primaire :
Au secondaire, ça se corse. Comme sur les schémas ci-dessus je n'utilise pas le CT du secondaire et je mesure donc avec 2 sondes entre une extrémité du secondaire (pin5) et la masse pour la sonde n°1 et entre l'autre extrémité (pin 8) et la masse et voici ce que je vois :
Mesure avec masse sans point milieu transfo
Mes cheveux se dressent sur la tête : signal bleu (-) beaucoup plus faible que le signal jaune (+), pas d'opposition de phase etc. Je n'ai pas de sonde différentielle pour mesurer entre pin5 et pin8 ...
Je mesure (toujours in situ, dans le préamp) entre le CT (pin6) et pin5 d'une part et entre CT (pin6) et pin8 d'autre part avec 2 sondes : ouf, ça ressemble à quelque chose de plus familier (rappel, le CT pin6 n'est relié à rien dans le préamp) :
Mesure secondaire avec CT
Et là, grosse réflexion (alimentée par un poil de flip quand même)
Est-ce à dire que ces résultats sont corrects (i.e. que ma sortie symétrique est bien symétrique, avec un signal A, un signal B = -A et qu'à l'autre bout un transfo effectuera le (A-B) / 2 pour retrouver le "bon" signal ? Que mon interrogation (outre que je n'ai pas trop l'habitude de manipuler le symétrique) est plutôt un problème d'interprétation, de référence de potentiel ?
Si je reprends l'image
Mesure avec masse sans point milieu transfo et que j'effectue courbe jaune - courbe bleue, j'obtiens 1.35V - 664mV soit un signal de 686mV ; si je reprends l'image
Mesure secondaire avec CT, l'amplitude du signal entre les 2 courbes en opposition de phase est de 340mV + 334mV = 674mV, proche des 686mV ci-dessus, peut-être est-ce OK après tout …
Désolé pour le "roman" qui retrace toutes mes interrogations existentielles sur ce sujet nouveau pour moi, si vous avez des commentaires / idées, ils (elles) seront les bienvenu(e)s !