Salut à tous!
J'avais dans mes cartons depuis des lustres (un lustre étant égal à 25 ans...) une 1625, une 807 à chauffage 12V,datant de 1944.
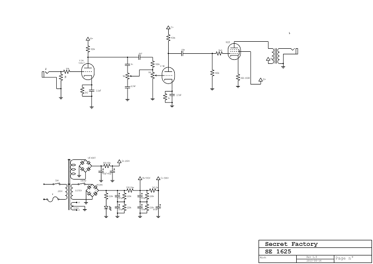
Je n'avais pas de G5 à mon actif, j'ai donc construit un G 1625, avec ce que j'avais sous la main, des transfos légèrement surdimensionnés (127 VA pour l'alim et un SE qui vient de InMadOut, une 12sl7 en préamp. Chauffage en 12V, mon TA étant équipé. HT de 500V pour exciter la vieille, 240V à l'écran avec une self pour filtrer, qu'on ne voit pas sur le schéma:
Une photo:
Va falloir que je fasse des samples... mais je suis très content du son.
miko
G-1625
- McColson
- Admin du site

- Messages : 8031
- Enregistré le : 07 nov. 2004, 1:00
- Localisation : La Celle sur Morin
- Contact :
Re: G-1625
Très sympa comme réalisation, parfois on est surpris du son de ces vielles bestiolles ! ça change en tout cas de l'éternel couple 12AX7 /EL84 ou autre.
- Didi
- G5 optimiseur

- Messages : 126
- Enregistré le : 30 déc. 2011, 1:00
- Localisation : Belgique (Gerpinnes)
Re: G-1625
y a un 2 de trop, un lustre ce n'est que cinq ansMiko667 a écrit :depuis des lustres (un lustre étant égal à 25 ans...)
- chanmix51
- G5 optimiseur

- Messages : 462
- Enregistré le : 14 févr. 2013, 12:46
- Localisation : Nantes (44)
Re: G-1625
On pourra télécharger le traité de pifométrie pour s'assurer de la bonne valeur des unités utilisées.
Amicalement,
Grégoire
Amicalement,
Grégoire
- Miko667
- G5 optimiseur

- Messages : 362
- Enregistré le : 30 janv. 2012, 1:00
- Localisation : Sud Toulousain
Re: G-1625
Succulent!!!chanmix51 a écrit :On pourra télécharger le traité de pifométrie pour s'assurer de la bonne valeur des unités utilisées.
Effectivement, le lustre ne dure que 5 ans
Pour la "saveur" sonore, la 12SL7 était souvent employée en préampli BF, ça doit ressembler à une 12AX7 avec moins de mu, et la 1625 est tres proche de la 6L6 avec une dissipation anode écran un poil supérieure. (pour la valeur du poil, se référer au document indiqué par chanmix)

..::