micro combo EF86/6SL7/PP 6SN7

Pour la conception et la réalisation de vos amplis.
franfranky
G5 optimiseur
G5 optimiseur
Messages : 369
Enregistré le : 09 déc. 2013, 11:40

micro combo EF86/6SL7/PP 6SN7

Message non lu par franfranky »

Bonjour.
Je démarre un nouveau projet suite à l'acquisition d'une petite Les Paul ( j'ai pas de petit ampli pour jouer dessus à la maison...).

Objectif: faire un petit combo d'appart, pas trop chère, original et en utilisant des tubes que j'ai en stock (notamment des 6SN7 et 6SL7).
Le style: du plug'n play! simple et efficace pour du gros blues et du bon rock qui tache: le Dr Z route 66 m'a bien plus niveau sonorité. Du coup je part sur la base de cet ampli (du moins le preamp) qui est d'une grande simplicité ( EF86 => 12AX7 en dephaseuse => PP de KT66) pour l'arranger à ma sauce.

cahier des charges:
- classe AB 2/3W
- PP de 6SN7GT
- Dephaseuse: 6SL7GT
- étage de gain unique: EF86
- volume / Basse /Aigu
- un atténuateur en T pour éponger les quelques watts
- un petit HP type 6/8 pouces (jensen, TT, celestion....)

plusieurs inspirations:
- Dr Z route 66
- AX84 october amp studio (un pp de 6SN7): http://www.ax84.com/october/AX84_Octobe ... 100325.pdf


J'ai commencé à monter un modèle sur LTSPice.
ça fonctionne mais les 6SN7 sature même à bas volume dans la modélisation. Normale?
oct_66.zip
(2.77 Mio) Téléchargé 223 fois
Myn Donos
G5 guru
G5 guru
Messages : 674
Enregistré le : 16 mai 2012, 18:50
Localisation : Toulouse

Re: micro combo EF86/6SL7/PP 6SN7

Message non lu par Myn Donos »

Bonjour,

Un petit projet bien sympa que voila ;)
Perso d'expérience, je n'utilise les simulations que pour du petit signal, c'est à dire, sans saturation.
Le reste, je le fais à la main, même si c'est moins mignon qu'un PC qui calcule à une vitesse de dingue, au moins, je suis sur de mon résultat, donc je te conseillerai de te taper les droites de charges de tous les étages ;)
Après, d'autres auront peut être d'autres idées plus pertinentes!

A bientôt!


François
François
franfranky
G5 optimiseur
G5 optimiseur
Messages : 369
Enregistré le : 09 déc. 2013, 11:40

Re: micro combo EF86/6SL7/PP 6SN7

Message non lu par franfranky »

pour commencer:
- l'étage de puissance: puch-pull de 6SN7, dissipation max par triode 5w, 7,5W pour les deux (voir datasheet ici: http://www.radiostation.ru/tubes/6SN7.pdf). partons sur 70% de dissipation max sur le PP: 7,5 x 0,7 /2 = 2,6 watts par triode. le primaire du transfo de sortie fera 22,5k (transfo hammond 125xxx). alimentation de l'anode autour de 350v.
Je vérifie la courbe, ça me semble passer:
[img]6SN7.png[/img]

la tension de bias de mon tube sera autour de -14V. Je suppose que le swing du signal en ortie de la déphaseuse ne doit pas excéder 14v du coup?

au niveau de mon PI (long tail donc) j'ai un gain de 15 environ (simulation faite avec le petit outil dispo sur le site ampbook :https://www.ampbooks.com/mobile/amplifi ... alculator/ en prenant une 5751 car il ne propose pas de 6SL7).

Au niveau de mon tone stack j'ai une atténuation d'environ -12dB avec tous les potards de basse et d'aigu à midi.

Reste à calculer le gain de l'EF86. La simulation sous LT me donne un gain de 160, ça me parait un peu fort en chocolat pour un tube avec un µ de 185.
existe t'il un lien ou un petit outil pour les calculs de gain de ce tube?
Fichiers joints
6SN7.png
Avatar du membre
bilbo_moria
Don Bilbo de la Vega
Messages : 7460
Enregistré le : 15 déc. 2004, 1:00
Localisation : Tinteniac (35)

Re: micro combo EF86/6SL7/PP 6SN7

Message non lu par bilbo_moria »

Oui, la EF86 a un gain de fou, ce qui peut être bien pour des signaux particulièrement faibles (préamp micro chant, par exemple).

Là, tu as mis 220k à l’anode, c’est assez énorme ...n’hésite pas à baisser drastiquement la valeur de cette résistance (ou bien tester en virant la capa de cathode). Par exemple, sur un de mes amplis, j’ai polarisé comme ça :
EF86.png
Je suis encore sensiblement au dessus de 100, en termes de gain ...
franfranky
G5 optimiseur
G5 optimiseur
Messages : 369
Enregistré le : 09 déc. 2013, 11:40

Re: micro combo EF86/6SL7/PP 6SN7

Message non lu par franfranky »

virer la capa de cathode sur l'EF 86 ne risque pas de poser un soucis de stabilité étant donné que le tube ne sera plus polarisé (variation de tension sur la cathode en fonction du signal)?

Je tracerais les droites de charge ce soir.

après j'avais une autre idée: substituer le PI long tail par un cathodyne et récupérer une triode pour faire un étage de gain (ou autre chose) entre l'EF86 et le PI (façon G1) mais j'ai peur que ça s'écarte du mon idée de base (je veux du crunch qui tache bien rapeux).

pour l’atténuateur, je me demande si un montage type VVR ne serait pas une bonne idée, ça coute trois sous et ça permet d'avoir vraiment un réglage fin et exploitable (je me souvient d'un atténuateur en T sur mon ancien vox AC4 qui n'était pas des plus pratique niveau utilisation).
TheGottferdom
G5 constructeur
G5 constructeur
Messages : 88
Enregistré le : 12 mars 2014, 13:53

Re: micro combo EF86/6SL7/PP 6SN7

Message non lu par TheGottferdom »

Très chouette projet.

J'avais d'ailleurs trouvé ici : http://home.comcast.net/~psymonds/6SN7amp.htm qui me tentait bien pour le coté full octal. En attendant, je me nourris de ton développement.

Bon Boulot.
franfranky
G5 optimiseur
G5 optimiseur
Messages : 369
Enregistré le : 09 déc. 2013, 11:40

Re: micro combo EF86/6SL7/PP 6SN7

Message non lu par franfranky »

Bon je suis arrivé à ramener le signal à un niveau raisonnable au niveau de l'étage de puissance en réduisant le gain de l'EF86 et du PI.
Prochaine étape tous remettre au propre et passer l'étage de puissance en cathode bias (jusque la j'ai toujours bricolé du fixed bias).

par contre le signal d'entrée joue énormément sur mon signal en sortie de ma dephaseuse (100 mV => 200 mV ça double, logique..)
que ce passe t'il si je passe en positif sur les grilles de mes 6SN7 au niveau de l'étage de puissance?
avec quelle valeur de signal d'entrée dois je raisonner pour des humbuckers avec un niveau de sortie moyen ( oublions les super humbucker speciale shred et autre....)?
Avatar du membre
bilbo_moria
Don Bilbo de la Vega
Messages : 7460
Enregistré le : 15 déc. 2004, 1:00
Localisation : Tinteniac (35)

Re: micro combo EF86/6SL7/PP 6SN7

Message non lu par bilbo_moria »

franfranky a écrit : par contre le signal d'entrée joue énormément sur mon signal en sortie de ma dephaseuse (100 mV => 200 mV ça double, logique..)
que ce passe t'il si je passe en positif sur les grilles de mes 6SN7 au niveau de l'étage de puissance?
avec quelle valeur de signal d'entrée dois je raisonner pour des humbuckers avec un niveau de sortie moyen ( oublions les super humbucker speciale shred et autre....)?
Je pense que les résistances 5k6 vont protéger les 6SN7 (à voir si 5k6 est la bonne valeur : ça va être un compromis entre valeur élevée sans entrainer de perte d’aigu dû aux capacités parasites de la 6SN7) d’une part (si un courant de grille apparaît, une tension va apparaître dans la 5k6 et diminuer d’autant l’amplitude du signal), et d’autre part ça risque d’écrouler le PI (et donc diminuer également l’amplitude du signal).

En gros, tant que tu n’injectes pas un signal de 150VRms, ça s’autodémerde dans une certaine mesure ;-) Le reste c’est de la mise au point.

Faudrait voir également si les R de 100k ne sont pas trop petites (pour un PI en 6SL7, peut-être que c’est ce que l’on met d’habitude ?) ... à voir

Bon courage pour la suite, chouette projet !
franfranky
G5 optimiseur
G5 optimiseur
Messages : 369
Enregistré le : 09 déc. 2013, 11:40

Re: micro combo EF86/6SL7/PP 6SN7

Message non lu par franfranky »

peu d'exemple de PI en 6SL7, chez ampeg ils mettent des 270k.
les 100k et les 5,6k proviennent du October Amp Studio d'AX84(PI en 12AY7 => PP en 6SN7).

je vais passer tous ça en cathode bias pour simplifier le schéma (pour 4w je vais pas trop me prendre le chou...) et la mise en place du VVR (comme ça je gère uniquement la HT Anode/grille sans me soucier du bias).
Avatar du membre
a-wai
G5 guru
G5 guru
Messages : 2721
Enregistré le : 23 sept. 2006, 2:00
Localisation : Toulouse
Contact :

Re: micro combo EF86/6SL7/PP 6SN7

Message non lu par a-wai »

Pour le PI c'est pas compliqué d'avoir une bonne base de départ, il suffit de prendre un étage de gain "standard" pour avoir la valeur des R d'anode (autour de 150k vu la gueule des courbes), et vu que la R de cathode est commune on prend la moitié de la valeur habituelle.

Pour les 5k6 c'est un héritage des étages de puissance classiques, le type ne s'est surement pas posé de question et a repris les valeurs qu'il voyait sur les Marshall et assimilés (perso, j'ai plutôt tendance à mettre entre 10 et 100k).
Dans l'absolu, le mieux est de calculer le gain en tension de l'étage en question pour déterminer la capa de miller, et ainsi dimensionner cette résistance au mieux. Le principe est que plus elle est importante, moins tu risques de "problèmes" quand l'ampli sature : quand la grille passe positive, cette R permet de limiter le courant de grille, et évite donc de trop charger le PI.
Par contre, avec une triode, la capa de miller peut être importante, donc il ne faut pas non plus une R trop grosse ;)
franfranky
G5 optimiseur
G5 optimiseur
Messages : 369
Enregistré le : 09 déc. 2013, 11:40

Re: micro combo EF86/6SL7/PP 6SN7

Message non lu par franfranky »

d'après la droite de charge de ma 6SN7 dans un de mes précédents post, j'ai un gain en tension de 12,5 en classe A:
-12V sur la grille => 325v à l'anode
-14V sur la grille => 350v à l'anode
(350-325)/2= 12.5

du coup pour la capa de miller d'une 6SN7: Cgp*a + Cgc
1er triode = 4*12.5 + 2.2 = 52.2pf
2ème triode = 3,6*12.5 + 2.6 = 47.6pf

arrondissons donc à 50pf par triode.

à partir de ça comment dimensionner la résistance de grille?

pour le PI, je peux donc jouer comme bon me semble entre le gain de la dephaseuse et mon gain d'entrée (EF86) pour obtenir un signal dans la fourchette de mes valeurs de bias si je comprend bien (autour de 14v donc)
Avatar du membre
bilbo_moria
Don Bilbo de la Vega
Messages : 7460
Enregistré le : 15 déc. 2004, 1:00
Localisation : Tinteniac (35)

Re: micro combo EF86/6SL7/PP 6SN7

Message non lu par bilbo_moria »

franfranky a écrit : du coup pour la capa de miller d'une 6SN7: Cgp*a + Cgc
1er triode = 4*12.5 + 2.2 = 52.2pf
2ème triode = 3,6*12.5 + 2.6 = 47.6pf

arrondissons donc à 50pf par triode.

à partir de ça comment dimensionner la résistance de grille?

pour le PI, je peux donc jouer comme bon me semble entre le gain de la dephaseuse et mon gain d'entrée (EF86) pour obtenir un signal dans la fourchette de mes valeurs de bias si je comprend bien (autour de 14v donc)
Tu utilises fc = 1/(2xPixRxC). Par exemple, avec une R = 300k et C=50pF, tu as une fréquence haute max à 10kHz
(bon, 300k, ça me paraît énorme, mais ça rassure de savoir qu’on peut monter pas mal au dessus de 5k6 ... après faut tester pour trouver le bon compromis entre son dégueu avec saturation à fond et aigus bouffés - quoique une satu dégueu, ça ne provient pas forcément de l’étage de sortie mais bon, ça participe de la mise au point de l’ampli ;-) )
franfranky
G5 optimiseur
G5 optimiseur
Messages : 369
Enregistré le : 09 déc. 2013, 11:40

Re: micro combo EF86/6SL7/PP 6SN7

Message non lu par franfranky »

petit calcul pour le cathode bias:
- résistance de cathode commune : consommation par triode: 7,5mA, tension Uk: -14V => 14/(2 x 7.5mA) = 933 ohms
- condensateur Ck pour une coupure à 50hz = 1/(6.28x50x933)= 3,4 µF
Avatar du membre
jptrol
G5 Team
G5 Team
Messages : 1437
Enregistré le : 13 mars 2006, 1:00
Localisation : Nord
Contact :

Re: micro combo EF86/6SL7/PP 6SN7

Message non lu par jptrol »

Bonjour franfranky,

Tu n'aurais pas un schéma global de ton projet à nous montrer maintenant ?
jptrol
______________________________________________
franfranky
G5 optimiseur
G5 optimiseur
Messages : 369
Enregistré le : 09 déc. 2013, 11:40

Re: micro combo EF86/6SL7/PP 6SN7

Message non lu par franfranky »

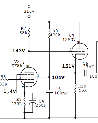
oui voici, il manque encore la partie alimentation (je verais ça après).
[img]oct_66.jpeg[/img]

EDIT: bon j'ai commencé à designer le combo.
ce sera certainement un 10 pouces du coup, le choix en HP de 8 pouces est bien limité et j'ai peur du résultat. En plus en optimisant on obtient un combo vraiment rikiki... bof.
une petite "vue d'artiste":
[img]oct_66_10p.jpg[/img]

niveau HP, je cherche encore, je partirais bien sur quelque chose de bien rond, chaud et doux pour éviter un crunch trop criard ou fuzzy.
un WGS G10c/s peut être?

l'alim est en cours de conception, par contre je me tâte: redressement à diode (j'ai plein d'UF4007 en stock) ou je m'embête à monter une EZ81?

Autre chose: est il envisageable de mettre un switch sur la résistance de l'anode de l'EF86 pour avoir deux niveaux de gain différents (en clair avoir un position "soft" pour un clean crunch et une position "hot" pour directement faire saturer le PI et l'étage de puissance)?
Fichiers joints
oct_66_10p.jpg
oct_66.jpeg
Répondre