[RÉSOLU] Souffle ab763 et LNDVerb
[RÉSOLU] Souffle ab763 et LNDVerb
Bonjour a tous,
Je suis en train de terminer la conversion d'un Blues Deluxe que j'ai transformé en AB763 type tremolux 1 canal avec ajout d'un master (voir mon post d'hier sur la page FB du projet G5). J'ai utilisé pour la 1ere fois le module de reverb Tube Town LNDVerb et, même si je trouve que le son est pas mal, j'ai des soucis de souffle un peu élevé a mon gout. Je précise qu'il ne s'agit pas de ronflette a 50hz mais plutôt d'une sorte de bruit blanc.
L'ampli sans le module de reverb souffle déja un peu mais c'est tolérable par contre lorsque j'ajoute le module de reverb ça devient pénible.
Après avoir échangé quelques mails avec Dirk de TT, j'ai implanté le module en sortie du tone stack avant d'attaquer le potard de volume. Auparavant je l'avais placé juste avant le déphaseur et c'était encore pire.
Sur les conseils de Bilbo_Moria je vais tenter une modif du circuit de mix et voir ce qui se passe.
Si vous avez d'autres suggestions je suis preneur.
Et plus généralement parlant, j'ai rencontré plusieurs fois des problèmes de souffle sur des circuits ab763. J'ai construit d'autres amplis ex: Vox AC15 (ef86), MI60 (Découvert grâce a ce site, merci!), 5E3, 5F6, 5F2 etc et en général ils sont très silencieux mais les circuits type ab763 soufflent.
Je ne comprends pas pourquoi...si quelques a des suggestions, je suis preneur.
Le souffle augmente avec le volume donc la source du bruit se situe avant le potard de volume. Si je mets a la masse la grille de V1a le souffle est toujours présent. Si je mets a la masse la grille de V1b il disparait. Encore une fois, c'est du bruit blanc, pas du HUM.
J'ai déjà changé les résistances d'anode, et la résistance de grille sur V1a. J'utilise du câble blindé du jack a V1a ainsi que du potard a V1b.
Des idées de ce qui pourrait causer ce souffle?
Merci
Je suis en train de terminer la conversion d'un Blues Deluxe que j'ai transformé en AB763 type tremolux 1 canal avec ajout d'un master (voir mon post d'hier sur la page FB du projet G5). J'ai utilisé pour la 1ere fois le module de reverb Tube Town LNDVerb et, même si je trouve que le son est pas mal, j'ai des soucis de souffle un peu élevé a mon gout. Je précise qu'il ne s'agit pas de ronflette a 50hz mais plutôt d'une sorte de bruit blanc.
L'ampli sans le module de reverb souffle déja un peu mais c'est tolérable par contre lorsque j'ajoute le module de reverb ça devient pénible.
Après avoir échangé quelques mails avec Dirk de TT, j'ai implanté le module en sortie du tone stack avant d'attaquer le potard de volume. Auparavant je l'avais placé juste avant le déphaseur et c'était encore pire.
Sur les conseils de Bilbo_Moria je vais tenter une modif du circuit de mix et voir ce qui se passe.
Si vous avez d'autres suggestions je suis preneur.
Et plus généralement parlant, j'ai rencontré plusieurs fois des problèmes de souffle sur des circuits ab763. J'ai construit d'autres amplis ex: Vox AC15 (ef86), MI60 (Découvert grâce a ce site, merci!), 5E3, 5F6, 5F2 etc et en général ils sont très silencieux mais les circuits type ab763 soufflent.
Je ne comprends pas pourquoi...si quelques a des suggestions, je suis preneur.
Le souffle augmente avec le volume donc la source du bruit se situe avant le potard de volume. Si je mets a la masse la grille de V1a le souffle est toujours présent. Si je mets a la masse la grille de V1b il disparait. Encore une fois, c'est du bruit blanc, pas du HUM.
J'ai déjà changé les résistances d'anode, et la résistance de grille sur V1a. J'utilise du câble blindé du jack a V1a ainsi que du potard a V1b.
Des idées de ce qui pourrait causer ce souffle?
Merci
Modifié en dernier par Varitone le 30 sept. 2019, 8:39, modifié 1 fois.
- bilbo_moria
- Don Bilbo de la Vega
- Messages : 7472
- Enregistré le : 15 déc. 2004, 1:00
- Localisation : Tinteniac (35)
Re: Souffle ab763 et LNDVerb
C'est bizarre, j'ai également restauré un Bandmaster qui était totalement à la ramasse, révisé quelques AB763 divers et variés, et construit un modèle proche du Deluxe Reverb (sans reverb ni vibrato
) et ça ne souffle pas particulièrement pour moi. Après, le souffle, c'est vraiment un ressenti un peu perso (sauf si ça fait le bruit d'un ventilateur poussé) et j'ai bien compris que ça passerait mais que c'est le module LNDVerb qui fout le dawa 
Re: Souffle ab763 et LNDVerb
Ce qui est bizarre dans l'histoire, c'est que le souffle vient généralement d'un excès de gain (les possesseurs de 5150 en savent quelque chose !), ce qui n'est pas vraiment le cas des blackface...
Tu as déja testé cet ampli dans différents lieux, et/ou avec différents tubes de préamp ? Si tu bypasses le tone stack, pas de changement ?
Tu as déja testé cet ampli dans différents lieux, et/ou avec différents tubes de préamp ? Si tu bypasses le tone stack, pas de changement ?
-
Rimlock
- G5 guru

- Messages : 1184
- Enregistré le : 17 juil. 2018, 19:48
- Localisation : pas trop loin de l'Océan
Re: Souffle ab763 et LNDVerb
Une 12AX7 de mauvaise qualité et qui souffle ? Du bruit sur la HT ?
Et de deux ! Merci les Bleus 
Re: Souffle ab763 et LNDVerb
Le souffle de l'ampli lui-même est acceptable mais avec celui que la reverb rajoute ça devient vraiment gênant.
Les lampes sont des JJ neuves. Je vais en essayer d'autres pour voir...
Le bruit sur la HT, que devrais-je regarder pour voir si c'est ça? Les résistances sur le B+?
Les lampes sont des JJ neuves. Je vais en essayer d'autres pour voir...
Le bruit sur la HT, que devrais-je regarder pour voir si c'est ça? Les résistances sur le B+?
Re: Souffle ab763 et LNDVerb
Bonsoir, pour en avoir le cœur net je viens de totalement déconnecter le module de réverb. L'ampli est silencieux. Les dernières fois que j'avais testé, j'avais juste enlevé le câble qui alimente le module mais mon signal y passait toujours. Comme je suis un peu parano avec le souffle depuis mes déboires avec mon Deluxe Reverb, j'ai immédiatement pensé que j'étais maudit et condamné a construire des amplis qui soufflent...
Le problème vient donc bien de la réverb.
Bilbo_moria, juste pour être bien sur que j'ai compris ta modif avant de me lancer. Le fait de modifier le câblage du potard de mix et de mettre le module en parallèle (au lien de couper le circuit) va faire en sorte que seul le signal réverbéré passe par le module, c'est bien ça? Le signal DRY passera normalement et le mix viendra juste y ajouter le signal WET?
J'ai hâte de tester ça mais je voudrais être sur avant de tout modifier.
Merci, Simon
Le problème vient donc bien de la réverb.
Bilbo_moria, juste pour être bien sur que j'ai compris ta modif avant de me lancer. Le fait de modifier le câblage du potard de mix et de mettre le module en parallèle (au lien de couper le circuit) va faire en sorte que seul le signal réverbéré passe par le module, c'est bien ça? Le signal DRY passera normalement et le mix viendra juste y ajouter le signal WET?
J'ai hâte de tester ça mais je voudrais être sur avant de tout modifier.
Merci, Simon
- bilbo_moria
- Don Bilbo de la Vega
- Messages : 7472
- Enregistré le : 15 déc. 2004, 1:00
- Localisation : Tinteniac (35)
Re: Souffle ab763 et LNDVerb
Yep, pour compléter ce que l'on s'est dit sur FB (et que les autres puissent suivre un peu au besoin
)
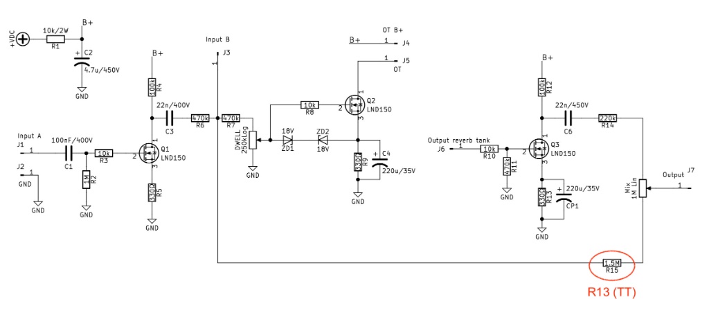
Déjà, le schéma du module de TT que j'ai repiqué (sans erreur, j'espère ...) c'est celui-ci (la numérotation de mon schéma n'est pas celle de TT, j'ai entouré en rouge la R13) :
Tu as donc le signal direct atténué par le pont diviseur R7 (je pense que c'est la R52 de TT) et le DWELL, et ensuite encore atténué (dans une certaine mesure) par R15 (R13 chez TT) + le pot de mix + l'impédance de sortie du LND150 Q3, et le signal réverbéré issu du reverb tank qui est amplifié par Q3 et qui est mélangé au signal direct via le pot de mix.
Comme je t'ai dit (je sais, je radote un max
), j'aime pas du tout ce pot de mix et sur une reverb standalone comme sur mon Bandmaster BF, j'ai fait passer le signal direct en direct, j'ai modifié le pot de mix pour qu'il ait une patte à la masse (et donc à zéro, c'est zéro) et je somme après (sur ma reverb standalone, c'est avec un circuit intégré sommateur, sur le Bandmaster c'est avec une résistance de 1MΩ (valeur mi-calculée, mi-affinée par test
).
Je remets le schéma d'implantation dans mon Bandmaster, ça marche plutôt bien :
Et donc :
Déjà, le schéma du module de TT que j'ai repiqué (sans erreur, j'espère ...) c'est celui-ci (la numérotation de mon schéma n'est pas celle de TT, j'ai entouré en rouge la R13) :
Tu as donc le signal direct atténué par le pont diviseur R7 (je pense que c'est la R52 de TT) et le DWELL, et ensuite encore atténué (dans une certaine mesure) par R15 (R13 chez TT) + le pot de mix + l'impédance de sortie du LND150 Q3, et le signal réverbéré issu du reverb tank qui est amplifié par Q3 et qui est mélangé au signal direct via le pot de mix.
Comme je t'ai dit (je sais, je radote un max
Je remets le schéma d'implantation dans mon Bandmaster, ça marche plutôt bien :
Et donc :
Yep, that's right !!!Varitone a écrit : 18 sept. 2019, 19:49 Bilbo_moria, juste pour être bien sur que j'ai compris ta modif avant de me lancer. Le fait de modifier le câblage du potard de mix et de mettre le module en parallèle (au lien de couper le circuit) va faire en sorte que seul le signal réverbéré passe par le module, c'est bien ça? Le signal DRY passera normalement et le mix viendra juste y ajouter le signal WET?
Re: Souffle ab763 et LNDVerb
Super, merci beaucoup! Je teste ça demain après-midi et je vous tiens au jus.
Si ça marche pas je vire la réverb et on en parle plus!
Je lui filerai une pédale et ça fera le job
Simon
Si ça marche pas je vire la réverb et on en parle plus!
Je lui filerai une pédale et ça fera le job
Simon
- bilbo_moria
- Don Bilbo de la Vega
- Messages : 7472
- Enregistré le : 15 déc. 2004, 1:00
- Localisation : Tinteniac (35)
Re: Souffle ab763 et LNDVerb
Hé hé, parfois effectivement, il faut savoir abandonner un truc qui fait bien ch* (quitte à y revenir quelques mois plus tard si on en a l'occasion)Varitone a écrit : 18 sept. 2019, 20:36 Super, merci beaucoup! Je teste ça demain après-midi et je vous tiens au jus.
Si ça marche pas je vire la réverb et on en parle plus!
Je lui filerai une pédale et ça fera le job
Simon
Re: Souffle ab763 et LNDVerb
Salut, je viens de tester la modif. Niveau souffle, c'est beaucoup mieux. Par contre, la reverb est assez faiblarde. j'ai besoin de tout mettre a fond pour avoir un truc correct (j'aime bien les grosses reverbs!). J'ai baissé la valeur de r52 jusqu’à 100k. C'est un peu mieux mais je pense que c'est plutôt vers le pont diviseur formé par la 220k (R14 sur ton schéma et r12 sur le module)/potard de mix je devrais trafiquer, non? Ou tweaker la valeur de la 1meg sur le point milieu du potard...j'avoue que je comprends pas trop son rôle.
Simon
Simon
- bilbo_moria
- Don Bilbo de la Vega
- Messages : 7472
- Enregistré le : 15 déc. 2004, 1:00
- Localisation : Tinteniac (35)
Re: Souffle ab763 et LNDVerb
La 1MΩ participe à la sommation du signal réverbéré au signal direct. Si on admet que tu la supprimes, si tu regardes le schéma que j'ai posté plus haut (bandmaster), tu verras que si on met le potard de mix à zéro, ça fout également le signal direct à la masse, donc plus du tout de son.
Bizarre, chez ouam, ça marche plutôt pas mal (mais je n'ai pas le LNDVerb, un truc perso mais qui ressemble quand même beaucoup) ... peut-être ton kit LNDVerb a pris un pète quelque part (d'où le souffle etc. ? )
Bizarre, chez ouam, ça marche plutôt pas mal (mais je n'ai pas le LNDVerb, un truc perso mais qui ressemble quand même beaucoup) ... peut-être ton kit LNDVerb a pris un pète quelque part (d'où le souffle etc. ? )
Re: Souffle ab763 et LNDVerb
Ok pour la 1meg, je comprends. Je ferai un ptit essai avec une 470k ou 680k pour voir.
Et si je réduit la 220k qui, si je ne me trompe, forme un diviseur avec le potard relié a la masse, ça laisserait pas passer plus de signal wet?
Après, comme je te disais, j'ai l'habitude d'y aller fort sur la réverb. Ça fonctionne mais c'est un peu léger a mon gout. Je ferai tester a mon pote ce wd. Ce sera peut être assez pour lui...
Et si je réduit la 220k qui, si je ne me trompe, forme un diviseur avec le potard relié a la masse, ça laisserait pas passer plus de signal wet?
Après, comme je te disais, j'ai l'habitude d'y aller fort sur la réverb. Ça fonctionne mais c'est un peu léger a mon gout. Je ferai tester a mon pote ce wd. Ce sera peut être assez pour lui...
- bilbo_moria
- Don Bilbo de la Vega
- Messages : 7472
- Enregistré le : 15 déc. 2004, 1:00
- Localisation : Tinteniac (35)
Re: Souffle ab763 et LNDVerb
Oui oui, il me semble d'ailleurs que je t'ai dit que je l'avais virée perso (on parle bien de celle juste en amont du potard de mix ?)
Bon, après, tu vas pas gagner de folie, mais ce sera toujours mieux
Bon, après, tu vas pas gagner de folie, mais ce sera toujours mieux
Re: Souffle ab763 et LNDVerb
Oui, c'est bien celle-la. Je vais la shunter...
Je pensais que tu parlais des résistances de mix entre les 2 canaux. Je comprends mieux la...
Ça devrait laisser passer vachement plus de signal en effet.
Simon
Je pensais que tu parlais des résistances de mix entre les 2 canaux. Je comprends mieux la...
Ça devrait laisser passer vachement plus de signal en effet.
Simon
Re: Souffle ab763 et LNDVerb
yeep Simon,
t'as essayé de prendre le signal en sortie de la première triode plutôt qu'après le tone stack ? tu devrais avoir plus de jus... en plus le niveau de reverb serait indépendant des réglages treble, bass, middle, volume...
t'as essayé de prendre le signal en sortie de la première triode plutôt qu'après le tone stack ? tu devrais avoir plus de jus... en plus le niveau de reverb serait indépendant des réglages treble, bass, middle, volume...
"Tout fil coupé à la bonne longueur se révélera trop court... "
