On me demande un préamp pour instru (bon, déjà fait, ras) avec une option préamp micro (genre SM57, 58 voire micro nécessitant une alim fantôme 48V)(je pense à un deuxième canal et je switche préamp instru / préamp micro selon les besoins).
J'ai déjà fait un proto dans le passé de préamp micro avec entrée symétrique et transfo lundhal (ouille le tarif), pas super abouti et pompé sur un vieux schéma UA610 : j'avoue m'être fortement inspiré sans forcément comprendre tout bien ce que je faisais
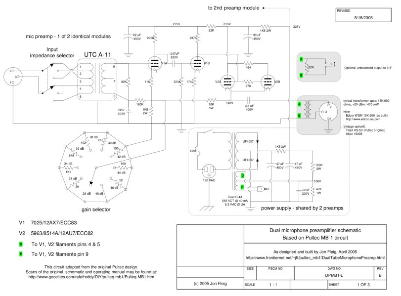
Ma philosophie étant "keep it simple", le coeur du bidule sera ... simple
Bref, (outre la gymnastique de me replonger dans le symétrique, pas compliqué mais pas mes points de repères habituels) mes principales interrogations portent sur :
- le rapport de transformation du transfo d'entrée (symétrique -> asymétrique)
- à la fois en tension, mais également son impact sur l'impédance présentée au micro (paraitrait que si on lui propose 1MΩ d'impédance d'entrée, il fait la gueule ...)
- l'alimentation fantôme et son insertion en amont du transfo
- et éventuellement un PAD atténuateur ; de mémoire c'était pour passer d'un niveau micro à un niveau ligne, mais si le cahier des charges précise uniquement micro, je dois pouvoir me passer d'un PAD d'atténuation au final ... (encore une question à creuser avant des désillusions de fin de projets
Bref, un peu (beaucoup ?) largué sur ce sujet qui m'intéresse depuis pas mal de temps, mais je n'ai jamais vraiment trouvé le bon fil à tirer pour m'éclairer ...
Si vous avez des pistes, des liens etc. ils sont les bienvenus ! Merci !



