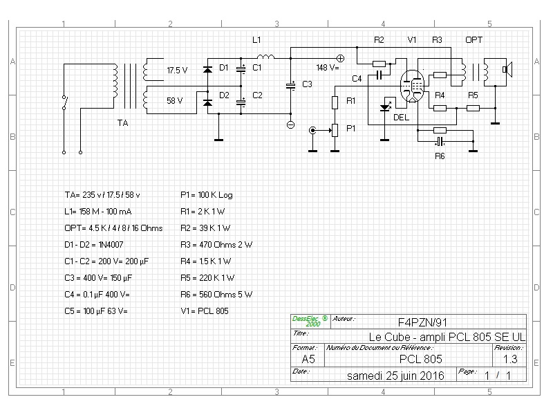
je suis en cours de montage d un proto sur base PCL 805 sur lequel , devrait venir le clone avec la version ECL 805 balayant les 2 derniers en mode penthode & " Triode " .
pour les perfs , j espère faire aussi bien que l ampli SE UL ECL 86 monter au début de l année
concernant la partie HT , je vais utiliser un doubleur de tension , précédemment exploiter sur mon 1 er proto EL 504 .
je rajoute la suite sur le même fil





..::