Bref, on m'a confié un Eko Viscount à réviser. 4 x EL84 avec 2 OT, marrant
(merci à l'auteur de cette page : http://lecaldevalvole.altervista.org/ek ... nt-reverb/)

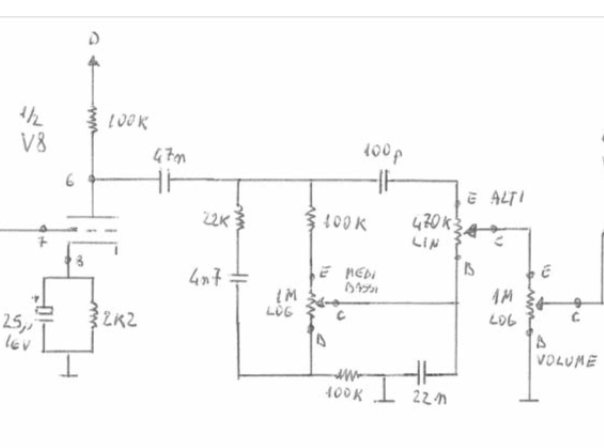
Par contre, on amplifie le bruit d'une 4.7MΩ en théorie (je ne sais pas en pratique si ça s'entend plus que le bruit d'une résistance de 1MΩ)Pote Gui a écrit : 05 juil. 2021, 8:29 Ah oui, rigolo le coup des OT avec les secondaires en parallèle !
La polarisation chelou, c'est du grid-leak bias. L'avantage pour un triode d'entrée c'est que tu présentes une forte impédance.
Les inconvénients : un condo de découplage parce qu'il y a du DC sur l'entrée (mais au final pas de condo à la cathode donc bon...) et une polarisation moins stable d'un tube à l'autre et dans le temps puisqu'elle est fonction du courant de grille.



Ouaip, c'est une idée, merci pour la pisteRimlock a écrit : 06 juil. 2021, 19:14 Vérifie les soudures des petits fils souples sur les cosses... Et teste le HP seul en lui mettant de la puissance (250 Hz sinus) en insérant une R de 1 ohms pour mesurer le courant qui passe ! C'est dommage de remplacer un HP d'époque par un truc moderne...
