layout G5 Reverb

Variante du G5 avec une réverbe.
pierre-alexandre
G5 bidouilleur
G5 bidouilleur
Messages : 21
Enregistré le : 11 juin 2020, 16:06

Re: layout G5 Reverb

Message non lu par pierre-alexandre »

Merci, faites en pas trop j'ai les chevilles qui enflent là ! :shock:
Oui avec plaisir tu peux mettre les photos sur le instagram.
D'ailleurs je vais aller m'inscrire au instagram pg5 !
Pour le chassis oui c'est du tt :
https://www.tube-town.net/ttstore/tt-ch ... -x-65.html
pierre-alexandre
G5 bidouilleur
G5 bidouilleur
Messages : 21
Enregistré le : 11 juin 2020, 16:06

Re: layout G5 Reverb

Message non lu par pierre-alexandre »

Test de tank, le tank long 4AB3C1B, et ensuite le court 8AB3C1B.
Strat micro du milieu. Je monte petit à petit le potar de réverb (mini jusqu'à fond).
https://youtu.be/DcXAD9KVmho[/Youtube]

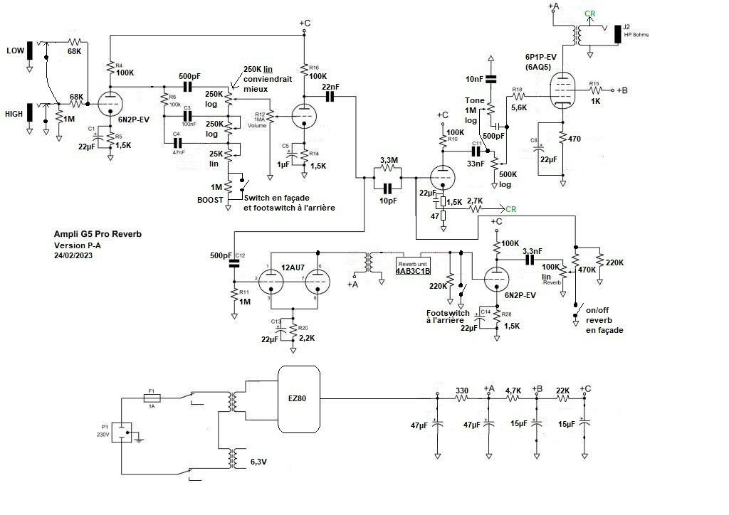
Et le schéma mis à ma sauce :
SchemaG5proreverb.jpg
Répondre