Mais pas conçu et fabriqué de la même façon, je le répète.
Hormis la structure du bobinage, on recherche une self primaire la plus importante sur un OT (pour descendre très bas en fréquence) que l'on fuit en TA, ça génère une pointe de courant magnétisant inutile et contraignant pour les organes de protection.
Push-Pull : utilisation de 2 transfos de sortie ?
Re: Push-Pull : utilisation de 2 transfos de sortie ?
Si tu veux voir des bleus gagner, regardes Avatar 
- chanmix51
- G5 optimiseur

- Messages : 462
- Enregistré le : 14 févr. 2013, 12:46
- Localisation : Nantes (44)
Re: Push-Pull : utilisation de 2 transfos de sortie ?
Je plussoie Vitriol82, avoir un OT qui ne passe bien que le 50Hz c'est un peu galère à la longueJean-Baptiste a écrit :TA ou OT, les considérations de la FAQ s'appliquent tout de même, un transfo - fut-il de sortie - restant du cuivre bobiné autour d'un noyau.vitriol82 a écrit :Un peu décalé par rapport à ton projet car là on parle d'OT et non de TA utilisés en OT, mais dans l'ensemble on s'y approche.
Le sens de bobinage a son importance en effet, il faut avoir des transfos bobinés dans le même sens afin qu'en sortie on ne soit pas en inversion de phase, auquel cas et comme indiqué, ce sera chaud pour le primaire.
Il y a certains cas où on peut faire un OT avec un TA mais, de ma maigre expérience, ce que j'en ai vu c'est en auto-transfo avec une sortie à basse impédance dans des montages de type Single Ended Push Pull.
Amicalement,
Grégoire
-
Rimlock
- G5 guru

- Messages : 1184
- Enregistré le : 17 juil. 2018, 19:48
- Localisation : pas trop loin de l'Océan
Re: Push-Pull : utilisation de 2 transfos de sortie ?
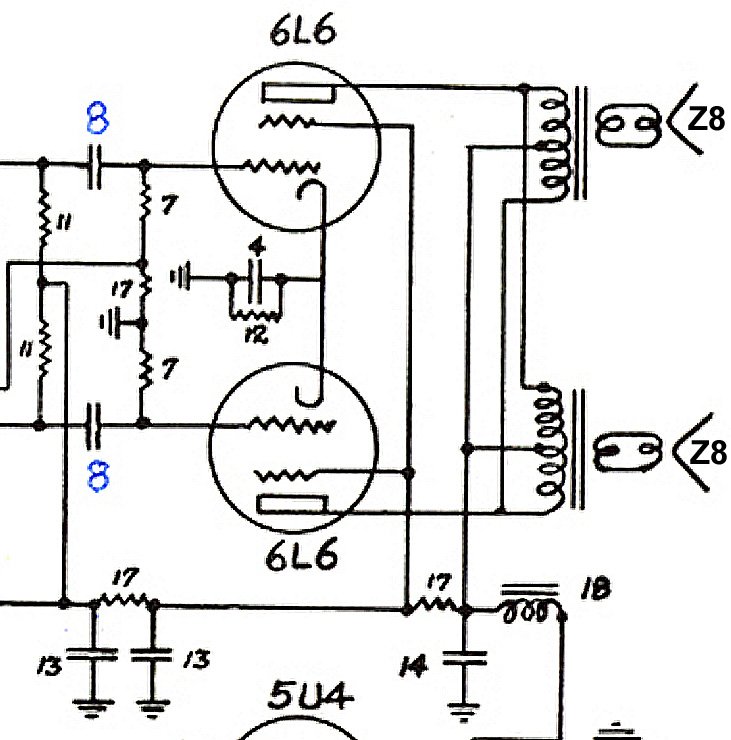
Je remonte ce sujet car j'ai un peu le même projet mais plus "conforme" à une utilisation classique : je voudrais utiliser deux transfos de sortie pour chaque 6L6 d'un push pull, chacun drivant son HP ! C'est le principe d'un vieux schéma de Fender, le Dual Professional 2x10 V-front de 1947. Ma question est quelle impédance primaire ? Les primaire sont en parallèle , en raisonnant comme pour les résistances, je dirais qu'il faut que chaque primaire soit le double de celui d'un OT unique, soit environ 8-9 k. Correct ? Alors les Classictone 40-18045 seraient parfaits ! Ils seraient fixés directement sur les HP, à l'ancienne !
https://reverb.com/item/3184036-1947-fe ... ront-super
https://reverb.com/item/3184036-1947-fe ... ront-super
Et de deux ! Merci les Bleus 
Re: Push-Pull : utilisation de 2 transfos de sortie ?
Scuzez, mais je ne vois pas directement l’intérêt de l'utilisation de deux transfos de sortie en parallele, comme sur le schéma proposé ?...Quel en est l'avantage, par rapport à un transfo unique? Faucon m'esseplique!... Le prix de revient peut etre?
Et pendant qu'Elvis, Miles Davis...
- bilbo_moria
- Don Bilbo de la Vega
- Messages : 7472
- Enregistré le : 15 déc. 2004, 1:00
- Localisation : Tinteniac (35)
Re: Push-Pull : utilisation de 2 transfos de sortie ?
Wow, inhabituel, c'est le moins que l'on puisse dire !
Yep, tant qu'on reste en classe A, peut-être bien que 8 à 10k par OT convient (et donc en // on tomberait à 4 à 5k). Par contre, si on passe en classe B, je ne sais pas trop : une option consiste à dire qu'on s'en fout (oui, c'est un peu osé)
Yep, tant qu'on reste en classe A, peut-être bien que 8 à 10k par OT convient (et donc en // on tomberait à 4 à 5k). Par contre, si on passe en classe B, je ne sais pas trop : une option consiste à dire qu'on s'en fout (oui, c'est un peu osé)
-
Rimlock
- G5 guru

- Messages : 1184
- Enregistré le : 17 juil. 2018, 19:48
- Localisation : pas trop loin de l'Océan
Re: Push-Pull : utilisation de 2 transfos de sortie ?
Il n'y a aucun intérêt pratique ! C'est juste pour respecter le design de 1947 ! J'ai un Silvertone 1396 qui a deux push-pull de 6L6 de 25W séparés chargés par chacun son transfo et son HP mais alimentés par le même PI ! Ce n'est aps de la stéreo. J'adore les trucs bizarres !
Et de deux ! Merci les Bleus 
Re: Push-Pull : utilisation de 2 transfos de sortie ?
Oui, en gros, Ils ont dù faire ça dans un but de standardisation, non? les mêmes transfos de sortie pour les 25 W et les 50W, pas besoin de deux modeles differents...Après tout, c'est pas con
Et pendant qu'Elvis, Miles Davis...

