Et pour le reste ouais, c'est logique d'ailleurs : pour une puissance de sortie similaire, on a des datas qui se recoupent. Dans tous les cas, attends-toi à devoir te taper au moins un 500VA en alim, et là ton dos ne va pas te dire merci
Tête d'ampli 4x6550 à la sauce Ampeg
Re: Tête d'ampli 6x6L6 à la sauce Ampeg
Niveau fiabilité, les 2 types sont fabriqués aussi bien par JJ que par New Sensor, donc à mon avis ça se vaut...
Et pour le reste ouais, c'est logique d'ailleurs : pour une puissance de sortie similaire, on a des datas qui se recoupent. Dans tous les cas, attends-toi à devoir te taper au moins un 500VA en alim, et là ton dos ne va pas te dire merci
Et pour le reste ouais, c'est logique d'ailleurs : pour une puissance de sortie similaire, on a des datas qui se recoupent. Dans tous les cas, attends-toi à devoir te taper au moins un 500VA en alim, et là ton dos ne va pas te dire merci
-
franfranky
- G5 optimiseur

- Messages : 369
- Enregistré le : 09 déc. 2013, 11:40
Re: Tête d'ampli 6x6L6 à la sauce Ampeg
oui je ne m'attend pas à un truc à glisser dans mon sac à dos...
Bref, je vais reflexionner sur la chose.
Les 6550/KT88 sont des tubes qui me titillent un peu...
En attendant une petite analyse du preamp de mon B15:
- 1er étage de 6SL7 (volume à 9): gain de 18 entre la grille du premièer étage et la grille du second
- 2ème étage de 6SL7: gain de 50 (cathode bypassé avec une 25u)
- passage par l'EQ baxandall (basse et aigu au milieu): gain de 0,15 (-17dB)
ce qui nous donne un gain d'environ 130 entre l'entré du preamp et la grille de la dephaseuse dans le meilleur des mondes (sans saturation).
ça me parait louche... ma g&l crache certainement plus de 500mV en active: 0.5 * 130 => j'aurais 65V en entrée de la déphaseuse???? ça me parait tout à fais délirant. pourtant mon ampli commence à cruncher dans les graves passé les 2/3 ou 3/4 du volume (vers 14-15h quoi).
Mon raisonnement dois pas tenir la route
D'après mes calculs ma dephaseuse en 6SN7 aurait un gain autour de 16 mais je pense que l'impédance d'entrée de l'étage de puissance doit jouer.
Comment calculer cette impédance pour déduire le swing réel au niveau de la g1 des lampe de puissance?
Bref, je vais reflexionner sur la chose.
Les 6550/KT88 sont des tubes qui me titillent un peu...
En attendant une petite analyse du preamp de mon B15:
- 1er étage de 6SL7 (volume à 9): gain de 18 entre la grille du premièer étage et la grille du second
- 2ème étage de 6SL7: gain de 50 (cathode bypassé avec une 25u)
- passage par l'EQ baxandall (basse et aigu au milieu): gain de 0,15 (-17dB)
ce qui nous donne un gain d'environ 130 entre l'entré du preamp et la grille de la dephaseuse dans le meilleur des mondes (sans saturation).
ça me parait louche... ma g&l crache certainement plus de 500mV en active: 0.5 * 130 => j'aurais 65V en entrée de la déphaseuse???? ça me parait tout à fais délirant. pourtant mon ampli commence à cruncher dans les graves passé les 2/3 ou 3/4 du volume (vers 14-15h quoi).
Mon raisonnement dois pas tenir la route
D'après mes calculs ma dephaseuse en 6SN7 aurait un gain autour de 16 mais je pense que l'impédance d'entrée de l'étage de puissance doit jouer.
Comment calculer cette impédance pour déduire le swing réel au niveau de la g1 des lampe de puissance?
Re: Tête d'ampli 6x6L6 à la sauce Ampeg
Quand tu parles de volume à 9 pour ton 1er étage, tu veux dire 90% ? Si oui, tu commences déjà à saturer le 2ème étage, qui rabote donc pas mal le signal, et le gain effectif est donc bien inférieur...
Pour les 2 6SL7, on peut considérer un gain de 33dB (à la louche).
En sortie du 1er étage, et en considérant une amplitude d'entrée de 500mV, tu as donc 22.5V d'amplitude, ce qui fait largement saturer l'étage suivant dont la sensibilité est de l'ordre de 2V.
Il faut donc diviser par 10 (en gros), ce qui revient à mettre le potar de volume à 50% (potar log), et atténue donc le signal de 20dB.
A ce stade, le gain est donc de 13dB, auxquels on ajoute les 33dB de la 2ème 6SL7, et les -17dB du tone stack : entre l'entrée et le déphaseur, le gain est donc de 29dB, soit un facteur 28 => 14V en entrée de déphaseur (c'est plus raisonnable, mais déjà trop)
Petite remarque, l'hypothèse de départ est un niveau d'entrée de 500mV d'amplitude, ce qui me semble un peu généreux : sur les attaques, je ne doute pas qu'on y arrive, mais le niveau moyen est sans doute moins élevé.
En tous cas, ça pourrait expliquer ton ressenti : avant d'arriver à 14-15h au volume, seules les 1ères (et très brèves) crêtes feraient saturer l'ampli, ce qui reste léger et ne donne pas la sensation que l'ampli crunche.
Pour les 2 6SL7, on peut considérer un gain de 33dB (à la louche).
En sortie du 1er étage, et en considérant une amplitude d'entrée de 500mV, tu as donc 22.5V d'amplitude, ce qui fait largement saturer l'étage suivant dont la sensibilité est de l'ordre de 2V.
Il faut donc diviser par 10 (en gros), ce qui revient à mettre le potar de volume à 50% (potar log), et atténue donc le signal de 20dB.
A ce stade, le gain est donc de 13dB, auxquels on ajoute les 33dB de la 2ème 6SL7, et les -17dB du tone stack : entre l'entrée et le déphaseur, le gain est donc de 29dB, soit un facteur 28 => 14V en entrée de déphaseur (c'est plus raisonnable, mais déjà trop)
Petite remarque, l'hypothèse de départ est un niveau d'entrée de 500mV d'amplitude, ce qui me semble un peu généreux : sur les attaques, je ne doute pas qu'on y arrive, mais le niveau moyen est sans doute moins élevé.
En tous cas, ça pourrait expliquer ton ressenti : avant d'arriver à 14-15h au volume, seules les 1ères (et très brèves) crêtes feraient saturer l'ampli, ce qui reste léger et ne donne pas la sensation que l'ampli crunche.
-
franfranky
- G5 optimiseur

- Messages : 369
- Enregistré le : 09 déc. 2013, 11:40
Re: Tête d'ampli 6x6L6 à la sauce Ampeg
Du coup il serait peut être intéressant de réduire le gain de l'étage d'entrée pour gager un peu de course en clean sur mon potard de volume (même si ça ne change globalement rien au seuil de saturation).
donc plusieures solutions possibles je suppose:
- abaisser le gain des deux premier étages de preamplification (les 470k et 220k en anode sont peut être un peu fortes en chocolat...)
- éventuellement ajouter un étage de drive avant la déphaseuse et ajuster la pola du déphaseur pour obtenir un swing suffisant en minimisant la satu, ce qui me permettrait au passage l'ajout d'un master volume entre les deux (indispensable avec 200w derrière...)
Ma 6SN7 en déphaseuse semble t'elle plus adaptée qu'une 6SL7?
ok, par contre je dois être loin du compte avec mes 500mV car je ne commence à ressentir la satu sur les attaques (grosse corde de Si) qu'à partir de 14h/15h sur le volume avec ma g&l L2500 (qui en terme de niveau de sortie est plutôt ingérable...).Il faut donc diviser par 10 (en gros), ce qui revient à mettre le potard de volume à 50% (potard log), et atténue donc le signal de 20dB.
A ce stade, le gain est donc de 13dB, auxquels on ajoute les 33dB de la 2ème 6SL7, et les -17dB du tone stack : entre l'entrée et le déphaseur, le gain est donc de 29dB, soit un facteur 28 => 14V en entrée de déphaseur (c'est plus raisonnable, mais déjà trop)
donc plusieures solutions possibles je suppose:
- abaisser le gain des deux premier étages de preamplification (les 470k et 220k en anode sont peut être un peu fortes en chocolat...)
- éventuellement ajouter un étage de drive avant la déphaseuse et ajuster la pola du déphaseur pour obtenir un swing suffisant en minimisant la satu, ce qui me permettrait au passage l'ajout d'un master volume entre les deux (indispensable avec 200w derrière...)
Ma 6SN7 en déphaseuse semble t'elle plus adaptée qu'une 6SL7?
Re: Tête d'ampli 6x6L6 à la sauce Ampeg
Oui, mais autant voir ça une fois l'ampli terminé, ça fait partie des ajustements à faire "en vrai" en fonction du résultat souhaité.franfranky a écrit :- abaisser le gain des deux premier étages de preamplification (les 470k et 220k en anode sont peut être un peu fortes en chocolat...)
Un étage de drive, ça n'existe pas : c'est soit un étage de gain, soit un buffer (qui est aussi un étage de gain, d'ailleurs, mais bon), dont le but est de "driver" le circuit qu'il y a derrière, mais il faut choisir...franfranky a écrit :- éventuellement ajouter un étage de drive avant la déphaseuse et ajuster la pola du déphaseur pour obtenir un swing suffisant en minimisant la satu, ce qui me permettrait au passage l'ajout d'un master volume entre les deux (indispensable avec 200w derrière...)
J'ajoute qu'un master peut sans problème s'insérer à la suite du TS, sans qu'il soit besoin de rajouter un étage.
Peut-être : la 6SN7 a une résistance interne bien plus faible (< 10k) que la 6SL7 (> 40k), donc elle sera moins impactée par les R de bias de 100k.franfranky a écrit :Ma 6SN7 en déphaseuse semble t'elle plus adaptée qu'une 6SL7?
Par contre elle a un gain bien plus faible, avec un µ de 20 seulement. Dans les faits, ça peut se traduire par un gain de 17-18 pour une triode seule, soit 8 ou 9 utilisée en LTP.
En se basant sur un bias à -45V, il faut donc avoir au moins 5V d'amplitude en entrée de déphaseur => réduire le gain des étages d'entrée n'est peut-être pas une bonne idée, finalement
-
franfranky
- G5 optimiseur

- Messages : 369
- Enregistré le : 09 déc. 2013, 11:40
Re: Tête d'ampli 4x6550 à la sauce Ampeg
bon du coup autant rester sur le schema du preamp de base si je comprend bien (moi ça me va et au moins je sais qu'il fonctionne).
par ailleurs en partant sur un quad de 6550/kt88 je me rend compte que j'ai besoin d'une tension de bias plus faible autours de -33v ce qui serais peut être plus intéressant que les -45v des 6L6 dans le sens où les 6550 auraient besoin de moins solliciter le preamp (5V en entré du PI => 45V contre 3,6V en entré du PI => 33v la différence ne me parait pas négligeable) et limiterais donc la saturation sur les étages de gain et la PI.
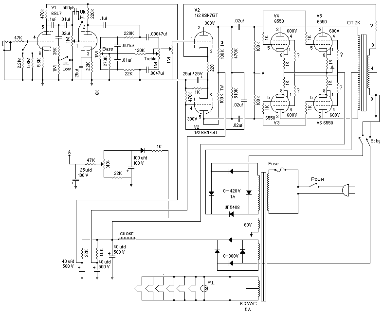
Bon après un peu de boulot voici un premier schema. il me manque encore 2-3 inconnues à ajuster. EDIT: mon dieu me tapez pas! J ai oublié le filtrage de la HT
... bon pas de panique il y aura 550uf pour assurer ça (5x2 condo de 220uf 350v mis en série)
par ailleurs en partant sur un quad de 6550/kt88 je me rend compte que j'ai besoin d'une tension de bias plus faible autours de -33v ce qui serais peut être plus intéressant que les -45v des 6L6 dans le sens où les 6550 auraient besoin de moins solliciter le preamp (5V en entré du PI => 45V contre 3,6V en entré du PI => 33v la différence ne me parait pas négligeable) et limiterais donc la saturation sur les étages de gain et la PI.
Bon après un peu de boulot voici un premier schema. il me manque encore 2-3 inconnues à ajuster. EDIT: mon dieu me tapez pas! J ai oublié le filtrage de la HT
Re: Tête d'ampli 4x6550 à la sauce Ampeg
Quelques remarques, du coup :
- le standby => pas sur du continu ! On switche l'alternatif, et de préférence on ne coupe pas complètement le circuit (cf. G5V3)
- le switch power : il est conseillé de switcher les 2 phases
- le déphaseur : si tu tiens à garder celui d'origine, il va falloir adapter, et notamment les résistances d'anode (100K pour une 6SN7, ça fait beaucoup)/cathode, et surtout le pont diviseur en sortie (le couple 470K/510K) ; ceci dit, il vaut mieux à mon avis le remplacer par un LTP, en termes de symétrie c'est plus fiable...
- le master : cablé comme ça, il va modifier la réponse du TS selon sa position, un cablage classique en pont diviseur serait plus adapté
- le standby => pas sur du continu ! On switche l'alternatif, et de préférence on ne coupe pas complètement le circuit (cf. G5V3)
- le switch power : il est conseillé de switcher les 2 phases
- le déphaseur : si tu tiens à garder celui d'origine, il va falloir adapter, et notamment les résistances d'anode (100K pour une 6SN7, ça fait beaucoup)/cathode, et surtout le pont diviseur en sortie (le couple 470K/510K) ; ceci dit, il vaut mieux à mon avis le remplacer par un LTP, en termes de symétrie c'est plus fiable...
- le master : cablé comme ça, il va modifier la réponse du TS selon sa position, un cablage classique en pont diviseur serait plus adapté
Re: Tête d'ampli 4x6550 à la sauce Ampeg
Si la HT est de 420Vac avec 8% de taux de régulation et 10% de variation EDF
=> 420 x 1.08 x 1.10 = 499Vac à vide dans les pires conditions
499 x 1.414 = 705Vdc donc 2 x 350V me parait safe pour la ligne d'alimentation, par contre 550µF en capa de tête sur du PP (ou quad), je n'en vois pas réellement l'utilité à part augmenter les pains de courant dans le transfo.
=> 420 x 1.08 x 1.10 = 499Vac à vide dans les pires conditions
499 x 1.414 = 705Vdc donc 2 x 350V me parait safe pour la ligne d'alimentation, par contre 550µF en capa de tête sur du PP (ou quad), je n'en vois pas réellement l'utilité à part augmenter les pains de courant dans le transfo.
Si tu veux voir des bleus gagner, regardes Avatar 
-
franfranky
- G5 optimiseur

- Messages : 369
- Enregistré le : 09 déc. 2013, 11:40
Re: Tête d'ampli 4x6550 à la sauce Ampeg
bon je vais revoir mes calcul sous PSU.
Pour l'alim sur deux enroulements ce serait un peu comme sur celle de l'hiwatt DR201 (http://hiwatt.org/Schematics/DR_200wPS.gif).
Pour simplifier je resterais bien sur un seul enroulement comme sur le schema de l'ampli d'A-wai (le bass 200). l'objectif est d'avoir 600v en A+.
Le fait d'avoir 2 enroulements permettrait t'il de limiter les chutes de tension sur la partie preamp lors des gros appels de courant de l'étage d'amplification?
je vais revoir le PI pour un LTP.
côté stand by et allumage quel est l’intérêt d'ouvrir sur les deux enroulements (je pensais garder une partie des switch pour gérer l'allumage de led de différentes couleurs entre la mise sous stand by et l'allumage de l'ampli)? si on ouvre que d'un côté on coupe bien le circuit (hormis sur l'aspect sécurité quand on met les doigts dedans mais perso j'évite d'intervenir sur mes amplis branchés au secteur lorsque ce n'est pas nécessaire).
pour les 550uF, j'ai eu les yeux plus gros que le ventre je crois.
autre points, y a t'il un intérêt à chauffer les filaments en continu côté préamp ou est ce que c'est beaucoup de boulot pour pas grands chose?
Pour l'alim sur deux enroulements ce serait un peu comme sur celle de l'hiwatt DR201 (http://hiwatt.org/Schematics/DR_200wPS.gif).
Pour simplifier je resterais bien sur un seul enroulement comme sur le schema de l'ampli d'A-wai (le bass 200). l'objectif est d'avoir 600v en A+.
Le fait d'avoir 2 enroulements permettrait t'il de limiter les chutes de tension sur la partie preamp lors des gros appels de courant de l'étage d'amplification?
je vais revoir le PI pour un LTP.
côté stand by et allumage quel est l’intérêt d'ouvrir sur les deux enroulements (je pensais garder une partie des switch pour gérer l'allumage de led de différentes couleurs entre la mise sous stand by et l'allumage de l'ampli)? si on ouvre que d'un côté on coupe bien le circuit (hormis sur l'aspect sécurité quand on met les doigts dedans mais perso j'évite d'intervenir sur mes amplis branchés au secteur lorsque ce n'est pas nécessaire).
pour les 550uF, j'ai eu les yeux plus gros que le ventre je crois.
autre points, y a t'il un intérêt à chauffer les filaments en continu côté préamp ou est ce que c'est beaucoup de boulot pour pas grands chose?
Re: Tête d'ampli 4x6550 à la sauce Ampeg
Tout dépend de l'architecture de ton alimentation
Avec un transfo sur mesure, il est possible d'avoir un enroulement spécifique pour le préamp et un autre pour un chauffage continu pour également la partie préamp
Dans le cas d'une alim telle que sur le plan hiwatt, il est certain que le swing en tension sur la HT2 sera moindre en plus du fait que la self viendra en partie "réguler" la tension, ceci à condition qu'elle soit correctement magnétisée
Avec un transfo sur mesure, il est possible d'avoir un enroulement spécifique pour le préamp et un autre pour un chauffage continu pour également la partie préamp
Dans le cas d'une alim telle que sur le plan hiwatt, il est certain que le swing en tension sur la HT2 sera moindre en plus du fait que la self viendra en partie "réguler" la tension, ceci à condition qu'elle soit correctement magnétisée
Si tu veux voir des bleus gagner, regardes Avatar 
Re: Tête d'ampli 4x6550 à la sauce Ampeg
Toutafé ! Et comme ça limite aussi les baisses de tension sur l'alim des g2, tu limites la compression à fort volume, donc le son reste dynamique même à fond.franfranky a écrit :Le fait d'avoir 2 enroulements permettrait t'il de limiter les chutes de tension sur la partie preamp lors des gros appels de courant de l'étage d'amplification?
Justement la sécurité quand tu bricoles, notamment côté power (ça permet de déconnecter complètement l'ampli du réseau EDF, équivalent à retirer le cable d'alim). C'est pas une règle absolue, mais perso je préfère...franfranky a écrit :côté stand by et allumage quel est l’intérêt d'ouvrir sur les deux enroulements ?
Aucun intérêt si le cablage des filaments est fait proprement.franfranky a écrit :autre points, y a t'il un intérêt à chauffer les filaments en continu côté préamp ou est ce que c'est beaucoup de boulot pour pas grands chose?
-
franfranky
- G5 optimiseur

- Messages : 369
- Enregistré le : 09 déc. 2013, 11:40
Re: Tête d'ampli 4x6550 à la sauce Ampeg
Bon pour l'aspect sécurité je me contenterais d'un switch simple sur le secteur et la HT. Débrancher le cable d'alim me parait une règle de sécurité de base (hormis lorsque il faut intervenir sur l'ampli en marche mais à ce moment la ça ne change rien que l'ont ouvre le circuit sur un ou deux enroulements).
Pour en revenir à l'alim; En regardant celle du DR201 on trouve donc 2 enroulements HT:
- un 280VAC qui alimente les g2 des kt88 et le preamp => HT2/3
- un 170VAC qui alimente A+ => HT1
je constate que sur ce dernier le pont de diodes n'est pas référencé à la masse 0V mais à la sortie du pont de diode du premier enroulement HT.
Si je comprend bien on élève le potentiel de l'enroulement en 170V:
(170*1.414) + (280*1.414) = 636V
au passage le filtrage de tête est monté en parallèle des deux circuits (les 4 condos de 100uf 450V) du coup si je comprend bien:
- pour HT2/3 on a 200uf de filtrage (100uF 450V x 2),
-pour HT1 on a 100uf de filtrage (couple de 100uF 450 en série x 2 en //).
ça me semble ingénieux (économie de condo) mais y a t'il un inconvénient à ce type de montage?
Autre chose, pour l'inverseur de phase en LTP j'ai pus voir qu'il y avais deux façon de faire:
-LTP classique

- dephaseur de Schmidt

quels sont les avantages et inconvénients entre ces deux montages?
Pour en revenir à l'alim; En regardant celle du DR201 on trouve donc 2 enroulements HT:
- un 280VAC qui alimente les g2 des kt88 et le preamp => HT2/3
- un 170VAC qui alimente A+ => HT1
je constate que sur ce dernier le pont de diodes n'est pas référencé à la masse 0V mais à la sortie du pont de diode du premier enroulement HT.
Si je comprend bien on élève le potentiel de l'enroulement en 170V:
(170*1.414) + (280*1.414) = 636V
au passage le filtrage de tête est monté en parallèle des deux circuits (les 4 condos de 100uf 450V) du coup si je comprend bien:
- pour HT2/3 on a 200uf de filtrage (100uF 450V x 2),
-pour HT1 on a 100uf de filtrage (couple de 100uF 450 en série x 2 en //).
ça me semble ingénieux (économie de condo) mais y a t'il un inconvénient à ce type de montage?
Autre chose, pour l'inverseur de phase en LTP j'ai pus voir qu'il y avais deux façon de faire:
-LTP classique

- dephaseur de Schmidt

quels sont les avantages et inconvénients entre ces deux montages?
Re: Tête d'ampli 4x6550 à la sauce Ampeg
Le 1er, comme tu peux le voir, est couplé en DC à l'étage précédent, dont le potentiel d'anode au repos fixe donc le potentiel de grille du déphaseur... C'est un peu plus complexe à calculer de mon point de vue, et surtout tu es tributaire de la tension d'anode du tube précédent : si sa conso est hors des clous, ta tension de grille aussi, donc le courant traversant les tubes, etc...franfranky a écrit :BAutre chose, pour l'inverseur de phase en LTP j'ai pus voir qu'il y avais deux façon de faire:
-LTP classique
- dephaseur de Schmidt
quels sont les avantages et inconvénients entre ces deux montages?
Bref, les perfs risquent plus facilement de s'écarter des prévisions.
Avantage : un condo en moins sur le trajet du signal, donc potentiellement moins de distortion ; c'est un point qui peut avoir son importance en hifi (encore que pour un seul condo, c'est du domaine du tripotage de nouille à mon avis), pas vraiment pertinent en amplification guitare/basse.
Pour le Schmidt, bah c'est plus fiable (en termes de correspondance aux perfs théoriques), mais il y a plus de composants, donc un poil plus chiant à cabler. Perso, je préfère.
- bilbo_moria
- Don Bilbo de la Vega
- Messages : 7488
- Enregistré le : 15 déc. 2004, 1:00
- Localisation : Tinteniac (35)
Re: Tête d'ampli 4x6550 à la sauce Ampeg
Juste pour info, j'ai fabriqué un clone de STA 200 (4 x KT88) pour un client, j'ai mesuré aujourd'hui 240W sur charge résistive (je n'ai pas de cab ni d'oreilles qui tiennent le choc)
-
franfranky
- G5 optimiseur

- Messages : 369
- Enregistré le : 09 déc. 2013, 11:40
Re: Tête d'ampli 4x6550 à la sauce Ampeg
Je vais laisser décanter le projet un petit moment histoire de bien clarifier mes idées (puis j'ai un petit 2x15 à fabriquer d'ici la)

