Bonjour à tous.
J'ai dégoté récemment un ampli Faylon BK 30. Le vendeur l'a trouvé dans le grenier de son papa, aucune idée de l'état donc vendu comme défectueux.
Avant de remplacer les condos et faire un check complet, j'ai évidement fait des recherches et comme d'hab, que dalle. Hormis un site en néerlandais sauf que son modèle n'est pas vraiment le même ampli que le mien.
Résumé: 2 Canaux avec TS séparé Basse Trebble Volume, pas de master.
2X 12AX7
1x 12AU7
2x EL84
1X EZ80
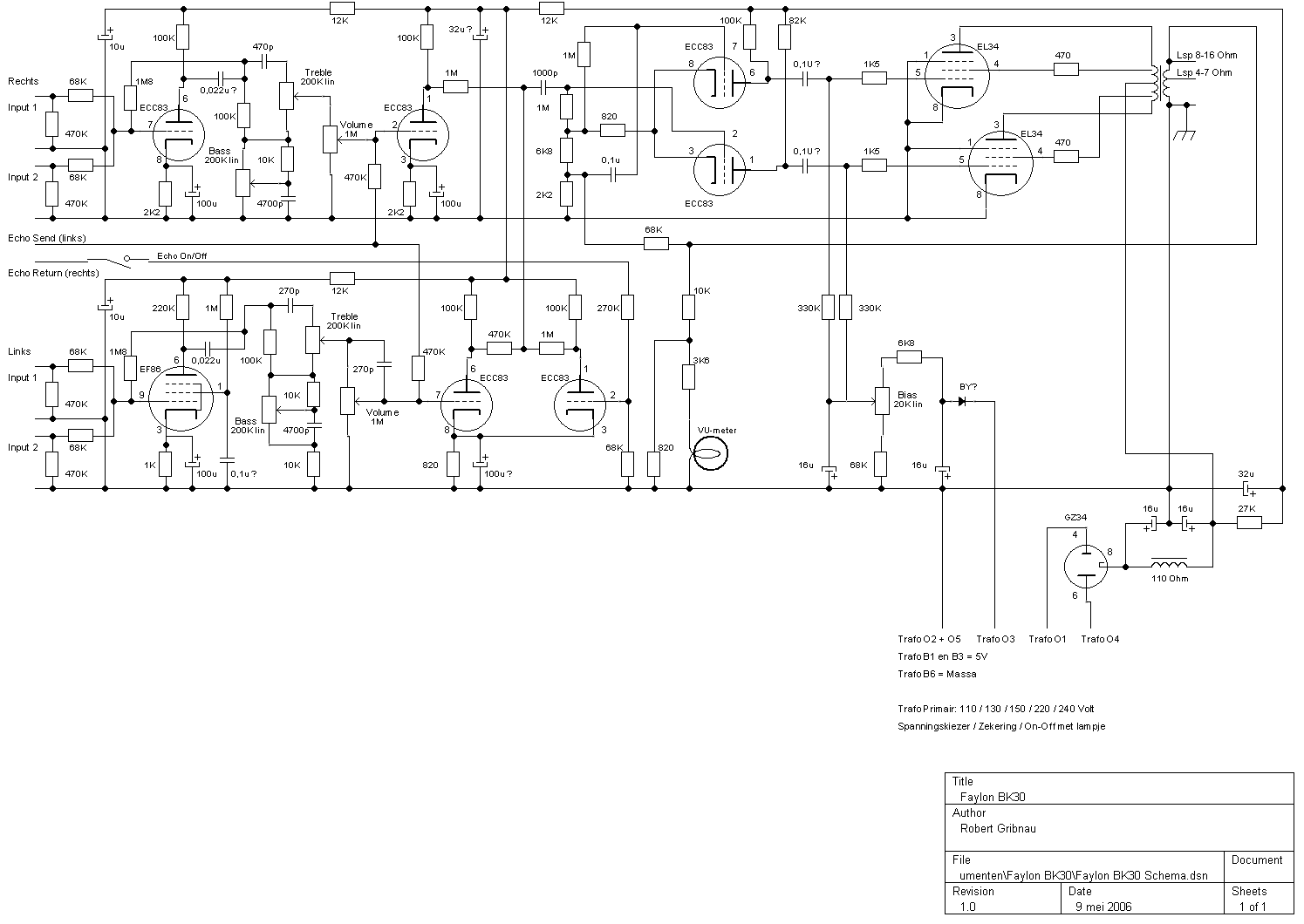
Puisque je ne trouve rien, je me suis attelé à relever le schéma à partir du Joyeux bordel à l'intérieur. J'ai essayé de faire ça propre et sans erreur mais c'est loin d’être garantis. J'ai quelques question pour les experts que vous etes:
* Ca vous rappelle un schéma connu ?
* Les potentiometres de volume sont particuliers, je ne suis pas trop sur de savoir comment les noter avec cette résistance qui contourne pour finir sur une 4eme patte.
* Il y a quelque chose qui vous choque sur le schéma ? j'ai noté les valeurs affichées sur les composants et pas les valeurs mesurées.
* Bizarrement t la 12AU7 était en V1, ne serait-ce pas une erreur et plutôt la déphaseuse qui se promène
* C'est fréquent un condo qui relie les deux plaques de la déphaseuse ?
* Pourquoi les deux sorties de triodes juste après le TS ne sont pas identiques, pour l'une un condo et un R de 1M, pour l'autre juste une 470K
Merci à tous pour l’éventuel coup d’œil.
Gott.
Schema Faylon BK15 (et non 30)
-
TheGottferdom
- G5 constructeur

- Messages : 88
- Enregistré le : 12 mars 2014, 13:53
Schema Faylon BK15 (et non 30)
- Fichiers joints
-
- Faylon BK15 Schematic.pdf
- (41.57 Kio) Téléchargé 300 fois
Modifié en dernier par TheGottferdom le 09 sept. 2016, 18:30, modifié 1 fois.
- bilbo_moria
- Don Bilbo de la Vega
- Messages : 7460
- Enregistré le : 15 déc. 2004, 1:00
- Localisation : Tinteniac (35)
Re: Schema Faylon BK30
Les potards de volume ressemblent à des pots que l'on trouve sur les Fender CBS pour réglage de la balance de bias, avec point milieu. Il me semble que Pote Gui en avait parlé mais je ne me souviens plus s'il cherchait une source pour les remplacer ou si il en avait trouvé. Pour comprendre le fonctionnement, tu peux en dessouder un (en sauvegardant sur photo et/ou papier comment il était monté, avec quels composants autour) et le tester à l'ohm-mètre pour voir comment il se comporte ...
La capa sur la déphaseuse, oui c'est assez classique pour éviter qu'elle ne parte en oscillation ...
En sortie de V2A, la capa en // avec la 1MΩ est également classique, c'est un "treble bleed", ça force les aigus, ce doit être un canal "bright" ...
La capa sur la déphaseuse, oui c'est assez classique pour éviter qu'elle ne parte en oscillation ...
En sortie de V2A, la capa en // avec la 1MΩ est également classique, c'est un "treble bleed", ça force les aigus, ce doit être un canal "bright" ...
Re: Schema Faylon BK30
Alors dans l'ordre :
1.non
2.le potar semble se diviser en 2 : une partie à 200k et une autre à 800k pour un total de 1M. Reste plus qu'à vérifier à l'ohmmètre...
3.non, ça semble correct
4.Tu peux essayer de les échanger et tu gardes se que tu préfères!
5.ça se fait
6.parce que l'une a un condo en parallèle et que l'impédance résultante à certaines fréquences tendra à se rapprocher de 470k.
grillé par bilbo
1.non
2.le potar semble se diviser en 2 : une partie à 200k et une autre à 800k pour un total de 1M. Reste plus qu'à vérifier à l'ohmmètre...
3.non, ça semble correct
4.Tu peux essayer de les échanger et tu gardes se que tu préfères!
5.ça se fait
6.parce que l'une a un condo en parallèle et que l'impédance résultante à certaines fréquences tendra à se rapprocher de 470k.
grillé par bilbo
Re: Schema Faylon BK30
Ça ne ressemble pas beaucoup à ton relevé a priori. Au fait, c'est BK30 ou BK15? Parce que tu dis 30 dans le titre et tu indiques 15 pour le schéma...
-
TheGottferdom
- G5 constructeur

- Messages : 88
- Enregistré le : 12 mars 2014, 13:53
Re: Schema Faylon BK30
Merci. Tout se recoupe.
Effectivement, ça devrait plutot etre BK15, j'ai du noter ça inconscienment puisque pp d'El84 mais il est ecrit bk30 sur le chassis. (on y voit derriere la faceplate la découpe pour le vu-metre sur le bk30 vu dans google)
Le schema trouvé par Celmo est en effet ce que j'avais trouvé mais avec une EF86, PP de EL34 et donc une rectifieuse aux hormones aussi. Mais j'y ai constaté beaucoup de valeurs identiques, et le TS en particulier. En revanche, sur la version EL34, il y a un switch pour l'echo qui sur le mien est un "Ground".
Du coup il est fort possible que j'aie cet ampli dans un chassis bk30.
Je vais un peu analyser ces potards merci. Puis chercher l'impedance du transfo de sortie.
(je change le titre du message par la meme occasion, javais pas pensé à aller voir si il existait un autre modele BK, merci Pote Gui)
Effectivement, ça devrait plutot etre BK15, j'ai du noter ça inconscienment puisque pp d'El84 mais il est ecrit bk30 sur le chassis. (on y voit derriere la faceplate la découpe pour le vu-metre sur le bk30 vu dans google)
Le schema trouvé par Celmo est en effet ce que j'avais trouvé mais avec une EF86, PP de EL34 et donc une rectifieuse aux hormones aussi. Mais j'y ai constaté beaucoup de valeurs identiques, et le TS en particulier. En revanche, sur la version EL34, il y a un switch pour l'echo qui sur le mien est un "Ground".
Du coup il est fort possible que j'aie cet ampli dans un chassis bk30.
Je vais un peu analyser ces potards merci. Puis chercher l'impedance du transfo de sortie.
(je change le titre du message par la meme occasion, javais pas pensé à aller voir si il existait un autre modele BK, merci Pote Gui)

