Je voulais utiliser l'idée du power scaling pour faire un petit circuit facile à implanter partout où un standby est requis et sans traumatiser les châssis de nos amplis chéris. J'ai trouvé pour cela un article intéressant sur les "load switches" de chez le fabricant ON semiconductor. Arrêtez-moi si je me trompe, mais le power scaling (PS) fonctionne dans la région ohmique (en résistance variable quoi), alors que les load switches fonctionnent en commutation (2 états : on ou off).
Bref, sur le papelard de ON semiconductor, il est écrit que les mosfet à enrichissement N sont galère pour faire des switches car nécessitent une alim dédiée pour la tension de gate. En effet, Vgs devant être positive, cela implique que Vgs doit être supérieure de la tension de seuil du Mosfet (Vth) à la tension Vs (source, soit Vout en fait); soit Vgs>Vout+Vth. Il est donc recommandé d'utiliser un Mosfet P avec lequel on pourra aisément polariser la gate à partir de la tension présente à l'entrée (drain).
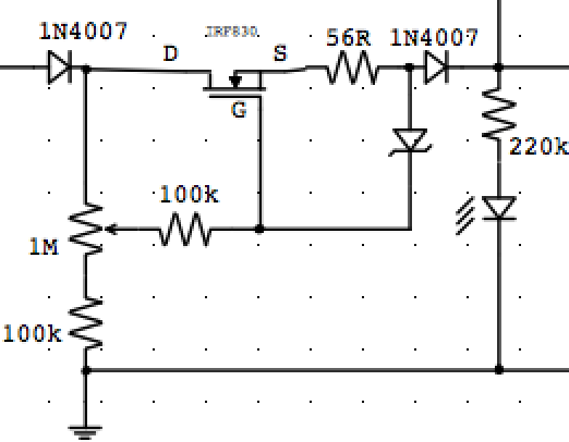
Et donc, en me repenchant sur le Power Scaling et les schémas proposés entre autre par Lemontheo, je constate qu'ils utilisent un Mosfet N; et je n'arrive pas à comprendre comment ce foutu transistor se polarise et peut conduire dans les conditions du schéma...
Y'a sûrement un truc qui m'échappe, mais quoi...




