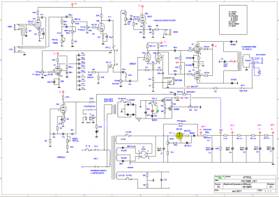
J'étais intéressé au départ pour faire un clone de Princeton 65 et aussi très intrigué par le schéma du canal drive du Matchless DC30 à base de EF86 et de correcteur de tonalité par sélecteur. J'ai donc mis les deux dans le même panier et voici ce que cela donne. (cliquer ICI GRAND FORMAT)
Le Princeton a été Deluxé par le remplacement du PI qui passe de cathodyne à ampli différentiel en 12AT7 ( en fait le long-tailed pair du Deluxe Reverb 65 donc). Le correcteur de tonalité est celui du G5V3 meilleur que le Fender d'origine bien sûr ( de plus à 1 kHz la chute est de 17 dB seulement contre 23 pour le Fender) . Je n'ai pas repris le sweep du G5V3 car j'ai déjà pas mal de switches sur la face avant ! Donc rien de remarquable dans la chaîne que j'appelle clean.
EDIT : nouveau plan au 20 novembre 2017 ci-dessous
Télécharger en grand format
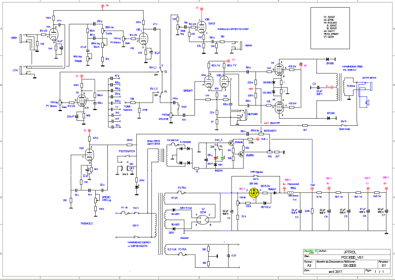
Le canal drive est constitué du préampli du Princeton/Deluxe en série avec un étage à EF86 dont le gain est modéré ( suivant en cela les préconisations de Merlin Blencowe) . Au départ l'EF86 était en série uniquement avec l'étage d'entrée mais le son n'atteignait pas ce que j'attendais en termes de saturation . J'ai donc déporté l'entrée de l'EF86 sur la sortie de l'étage 2 . EDIT : j'ai ajouté un atténuateur devant l'EF86 variable suivant que l'on utilise l'entrée LOW ou pas.

EDIT : en sortie de l'EF86 j'ai ajouté un switch 0 dB / -10 dB pour régler le niveau de drive attaquant la puissance suivant que l'on veut ou non saturer aussi l'étage de puissance
Par rapport au sélecteur du DC30 j'ai ajouté 3 capa dans les aigus ce qui porte le tout à 9 ! Comme on peut le voir plus on monte en capa plus on ajoute de "basses" dans le son. Pour avoir une idée voici les courbes de réponses du passe-haut avec les capa et le réseau de résistances formés par la 1 Mo +270 k en parallèle sur le pot de volume et les pot/résistances de l'entrée du CF de SEND :
Cliquer ici pour les détails grand format
Pour chaque courbe de réponse j'ai fait un sample en commençant par les aigus. Ce sont les power chords de Cocaîn : je joue le riff deux fois et je passe à la capa suivante donc sur le schéma on passe de droite à gauche. Pour suivre en écoutant le mieux est d'ouvrir l'image dans un deuxième onglet.
Cliquer ici pour écouter la suite des 9 samples
Il y a encore beaucoup à dire sur cet ampli , je n'ai pas fini de m'en parler
Amicalement



..:: 





