G5 "Le Baron"

Dirigé par G5team
Ampli 10W, 12AX7, SE EL34
CocaBlanca
G5 bidouilleur
G5 bidouilleur
Messages : 26
Enregistré le : 29 juin 2018, 16:38
Localisation : Île-de-France

Re: G5 "Le Baron"

Message non lu par CocaBlanca »

Bonjour tout le monde

Je commence par le commencement.. un grand merci à vous tous! Vous m'avez apporté tellement de réponses et de conseils.. vraiment, merci!

Une dernière précision avant de rentrer dans le vif du sujet, si je ne réponds pas trop au tac-au-tac ces temps ci c'est juste que en même temps que ce projet j'ai des terrains à réaliser ainsi que tout un tas d'articles/livres à analyser pour mon master.. Ceci étant dis je vous lis tous au fil du post, je préfère juste vous répondre quand j'ai un temps à vous consacrer au moins aussi important que celui que vous m'avez consacré!

Je repars avec les réponses dans l'ordre:

Tony
, merci du conseil. Je vais essayer de le joindre, ça me feras bosser mon english :P D'ailleurs ce qu'il fait a l'air cool!

bilbo_moria, merci du partage d’expérience! J'aimerais juste te demander par curiosité pourquoi le couple 6V6-6L6? Je veux dire en terme de sonorités elle ne sont pas sensés être relativement proches (la V étant une L mini grossièrement)? C'était pour une question de puissance ou de sonorité? En tout cas merci pour tous ces détails, tout est à prendre :)

ChopSauce et Myn Donos, merci à vous! ça sera une réponse commune cette fois ci :D
Pour ce qui est de l'achat, ça va se passer nécessairement en plusieurs commandes. Je pense déjà commencer par le kit du G5, quelques résistances, quelques condos ainsi que des culots en rab pour toutes les potentielles combinaisons (6V6-EL84, 6L6-EL34 ou 6L6-EL84, j'en ai pour 8€ de culots et au moins j'en aurais en stock). En tout cas avoir tous les composant devant c'est clairement un plus pour moi, je suis assez manuel du coup c'est toujours plus facile avec la "bête" devant!
Je vais aussi me lancer sur JSchem, c'est clairement 10 fois plus intuitif.. N'ayant pas la nécessité de faire des pcb ça devrait faire plus que l'affaire :D

a-wai, un grand merci à toi aussi! Déjà que je m'inspire de ta version du G5 pour le boost, avec toutes les infos que tu me donnes en plus je ne sais pas quoi dire de plus mais merci! :good:
Donc pour la question de la boucle et du TS, j'ai bien compris un grand merci! C'est super clair et ça me confirme que je suis plutôt tenté par le TS du G5 classique, je suis en quête de headroom et 80% de mon jeu est en clean donc que demander de plus?
C'est vraiment si "spécial" le double potard?

Pour la question de la combinaison de lampes vous avez tous les deux raison ChopSauce et a-wai: selon les constructeurs du fameux V10 qui me plaît tant c'est possible de mettre une 6V6 à la place de la 6L6 mais avec une perte de headroom et de brillance en gros.. que ça soit la 6V6 ou la 6L6 il y a un gain de headroom par rapport aux EL mais ce qui est déterminant dans le caractère sonore de l'engin ça serait bien la 6L6 sous alimentée.. Quoi qu'il en soit je pense tenter les 2 paires quand j'en saurais plus et je serais sûr de ne pas risquer de griller quelque choe!


Pour résumer je me lance à present dans JSchem, je vais essayer de faire un premier jet de l'ampli ça seras plus simple en parlant autour de quelque chose de concret!
Je me lance aussi sur les lectures (d'ailleurs si quelqu'un a une copie du dropbox "E-livres et E-documentation téléchargeable" je le veux bien, il n'est plus accessible depuis le forum :confused: ), je vais aussi pour la prochaine fois essayer de faire un bilan complet pour les deux config, la 6L6 et la 6V6.
Pour ce qui est des achats, comme dit plus haut juste après le bilan je vais acheter le G5 en kit, de quoi faire une boucle active, les culots nécessaires pour toutes les combinaisons (trois socket de plus en gros) et tout ce qui est résistances/condos pour un boost, une 6V6 et une 6L6. Juste pour l'idée culots, condos et résistances ça fait même pas 15€ de plus, "ça va".


En tout cas je me répète mais merci à tous, vous êtes géniaux! :)

Je vous dis à bientôt pour la suite! :salut:
Avatar du membre
bilbo_moria
Don Bilbo de la Vega
Messages : 7472
Enregistré le : 15 déc. 2004, 1:00
Localisation : Tinteniac (35)

Re: G5 "Le Baron"

Message non lu par bilbo_moria »

CocaBlanca a écrit : 05 oct. 2018, 12:23 bilbo_moria, merci du partage d’expérience! J'aimerais juste te demander par curiosité pourquoi le couple 6V6-6L6? Je veux dire en terme de sonorités elle ne sont pas sensés être relativement proches (la V étant une L mini grossièrement)? C'était pour une question de puissance ou de sonorité? En tout cas merci pour tous ces détails, tout est à prendre :)
J'ai le G5V1 : avec une 6L6 et en crunch, je trouvais qu'il sonnait bien dans l'esprit "Stones" Keith Richards ; et puis j'ai écouté un autre G5 à fond à fond équipé d'une 6V6 et j'ai adoré le crunch de cette lampe, d'où l'idée d'associer les 2 ;-) (pour un résultat décevant dans mon cas)
CocaBlanca
G5 bidouilleur
G5 bidouilleur
Messages : 26
Enregistré le : 29 juin 2018, 16:38
Localisation : Île-de-France

Re: G5 "Le Baron"

Message non lu par CocaBlanca »

bilbo_moria a écrit : 05 oct. 2018, 13:35 J'ai le G5V1 : avec une 6L6 et en crunch, je trouvais qu'il sonnait bien dans l'esprit "Stones" Keith Richards ; et puis j'ai écouté un autre G5 à fond à fond équipé d'une 6V6 et j'ai adoré le crunch de cette lampe, d'où l'idée d'associer les 2 ;-) (pour un résultat décevant dans mon cas)
Ok ok je comprends mieux :D
Merci pour ces précisions en tout cas! Du coup tu as réussi à trouver ce crunch que t'aimais tant d'une autre façon?
Avatar du membre
bilbo_moria
Don Bilbo de la Vega
Messages : 7472
Enregistré le : 15 déc. 2004, 1:00
Localisation : Tinteniac (35)

Re: G5 "Le Baron"

Message non lu par bilbo_moria »

CocaBlanca a écrit : 05 oct. 2018, 14:59 Ok ok je comprends mieux :D
Merci pour ces précisions en tout cas! Du coup tu as réussi à trouver ce crunch que t'aimais tant d'une autre façon?
Oui, mais il faut jouer à burnes avec la 6V6, donc ça fait quand même du bruit ;-)
CocaBlanca
G5 bidouilleur
G5 bidouilleur
Messages : 26
Enregistré le : 29 juin 2018, 16:38
Localisation : Île-de-France

Re: G5 "Le Baron"

Message non lu par CocaBlanca »

bilbo_moria a écrit : 05 oct. 2018, 22:19 Oui, mais il faut jouer à burnes avec la 6V6, donc ça fait quand même du bruit ;-)
Hahaha c'est déjà ça :lol:

Pour ce qui est de mon petit projet j'ai commencé le schéma (God bless JSchem :clap:) et logiquement je m'interroge sur certains points.
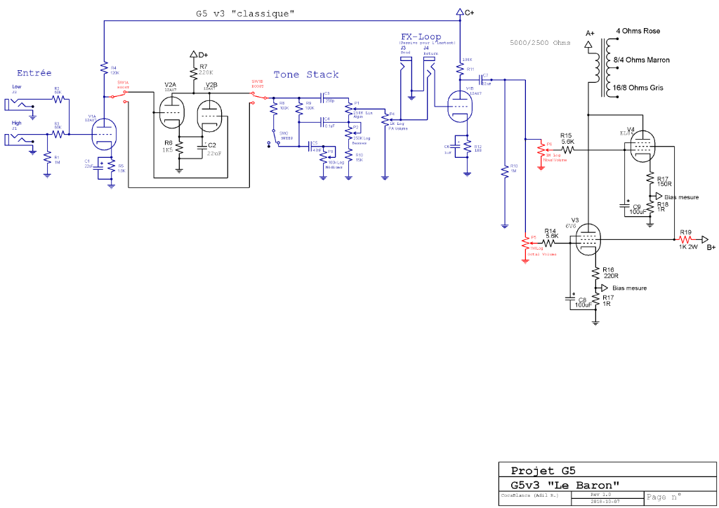
(Ce qui est en bleu ne change pas du G5v3, il n'y a que les zones délimités par des connecteurs/résistances rouges qui sont à confirmer/infirmer)
baron.png
1) Boost Qu'est-ce que vous pensez de ce boost? Je n'ai pas mit de potard exprès, je préfère un petit coup de switch. Si j'ai bien compris en le mettant entre le V1A et le TS ça devrait laisser inchangé le clean du G5, une fois enclenché il devrait suffisamment envoyer pour servir de boost.

2) OT Si je ne m'abuse mon impédance en primaire détermine celle en secondaire. De ce que j'ai compris l'ajout d'une lampe (enfin pour un montage comme celui la) est sensé diviser mon impédance en secondaire. Est-ce bien cela? En utilisant la primaire 2,5K je devrais avoir 8 ohms et 4 ohms en secondaire c'est bien ça?

3) J'ai de gros doutes sur les valeurs de R14 et R15 ainsi que les les résistance pour le Bias (R16 et R17). Pour ce côté puissance je me suis techniquement inspiré du TT-Sam MKII qui a le combo 2 lampes / 2 potards donc voici le schéma.
tt-sam-mkii_p001.jpg
Si on regarde le schéma des collègues allemands (R8 et R9 dans leur schéma) nous pouvons voir qu'elle n'ont pas les même valeurs (5,6K et 1,5K), alors que dans 95% des montage en 6V6 ou EL84 que j'ai trouvé c'est du 5,6K. Quel est l’intérêt?
De plus leur valeur de Bias, 220R pour l'EL mais surtout 330R pour la 6V6, me paraissent un peu élevés.. Est-ce nécessaire pour faire fonctionner les deux en même temps?


Pour ce qui est du bilan énergétique je suis vraiment perdu.. Que ça soit avec PSUD2 ou Electro Suite Gold je bloque, j'arrive pas à me servir de ces softs. En plus une bonne partie des lectures conseillés sont plus accessibles ce qui n'aide pas! Si vous avec un lien/article/soft relativement accessible c'est avec grand plaisir! :D

En tout cas prochaine étape ça seras revoir l'étage de filtrage, et pour le boost et pour la deuxième lampe.
Je reviens vers vous quand j'en saurais plus ou que j'aurais trouvé des réponses à mes multiples intérrogations :lo:

à bientôt :salut:
Rimlock
G5 guru
G5 guru
Messages : 1184
Enregistré le : 17 juil. 2018, 19:48
Localisation : pas trop loin de l'Océan

Re: G5 "Le Baron"

Message non lu par Rimlock »

Amha les valeurs des grid stopper R14 R15 ne sont pas critiques, des valeurs entre 1.5k et 10k voire plus font l'affaire. C'est le filtre RC (c capacité parasite d'entrée du tube) qui définit la coupure haute.
Et de deux ! Merci les Bleus :lol:
Myn Donos
G5 guru
G5 guru
Messages : 674
Enregistré le : 16 mai 2012, 18:50
Localisation : Toulouse

Re: G5 "Le Baron"

Message non lu par Myn Donos »

Bonjour,

J'essaie de répondre avec le peu que je sais:
  • 2) OT Si je ne m'abuse mon impédance en primaire détermine celle en secondaire. De ce que j'ai compris l'ajout d'une lampe (enfin pour un montage comme celui la) est sensé diviser mon impédance en secondaire. Est-ce bien cela? En utilisant la primaire 2,5K je devrais avoir 8 ohms et 4 ohms en secondaire c'est bien ça?
    Il ne faut pas le voir ainsi, mais plutôt de la sortie vers l'entrée.
    Ton transformateur va réfléchir l'impédance sur laquelle il est connecté au secondaire vers le primaire.
    • Si tu branches un HP 8 Ohms sur la sortie 8 Ohms du transformateur, cela réfléchira une impédance de 2.5k Ohms au primaire.
    • Si tu branches 4 Ohms sur la sortie 8 Ohms, tu auras 1.25k Ohms réfléchis (faut pas le faire hein!).
    • Et si tu branches 4 Ohms sur la sortie 4 Ohms tu retrouveras 2.5k ohms au primaire.
  • Il y a pour moi deux erreurs sur ton schéma (enfin deux fois la même). C9 et C8 ne sont pas connectées convenablement.
    La grille numéro trois appelée aussi suppresseuse peut être reliée dans un amplificateur "classique" de deux façons: Soit au 0V. Soit à la cathode.
    Cette grille sert à éviter que les électrons bombardant l'anode comme des bourrins ne repartent sur la grille écran. Dans certains modèles de tubes elle est d'ailleurs reliée en interne.
    Sur ton schéma, elles sont reliées à la grille de commande. Et ni à la cathode ni au 0V puisqu'il y a le condensateur de découplage de 100µF. Ce dernier devrait d'ailleurs lui aussi être relié non pas à la grille de commande (parce que là il va annuler ton signal utile), mais à la cathode (pour qu'en alternatif, les résistances de polarisations ne soient pas vues par le tube).

    En gros, les nœuds sont mal placés.
  • Pour ce qui est du bilan énergétique je suis vraiment perdu..
    Pour savoir quoi? Combien consomme chaque étage?
    Déjà, tu peux faire le bilan des filaments.

    Si tu ne connais pas le courant de polarisation des tubes (qui est déterminé à la conception normalement):
    • Tu sais que tu vas avoir une certaine tension de polarisation sur chaque tube, sachant que dans ton cas il n'y a que des polarisations automatiques par résistances de cathode.
    • Tu prends donc la tension de cathode, divisée par la résistance de cathode, ça te donne le courant qui transite dans le tube.
    • Ne pas oublier le courant des grilles écrans avec les tétrodes/pentodes.
    • Vu que ton ampli est totalement en classe A, la consommation moyenne est égale à la consommation au repos.
    • Reste à faire des additions.
  • Concernant R19, j'ai vu qu'ils avaient fait pareil sur le ttsam Mk2, mais je verrai plus une résistance par grille écran perso.
  • Dernier point sur ton schéma: le switching. Lorsque tu va être en position non boostée, V2A et V2B vont se retrouver avec leurs grilles en l'air, donc en mode antenne. Il y a au pire risque d'oscillation, au mieux des gros plocs! En effet, ta grille en l'air va capturer des électrons, et ne pouvant pas les évacuer, son potentiel va changer, et quand tu vas commuter pour booster, ce potentiel va devoir changer brusquement, les électrons qui se trouvaient là comme des cons vont bourrer sur le reste du circuit, et ça va faire ploc. Ajoutes donc une résistance de 1M Ohms entre la grille 1 de V2A et le 0V, ça fixera le potentiel de grille, signal ou pas. D'ailleurs je ferai pareil de l'autre côté, sur les sorties, mais je suis un maniaco...
J'espère n'avoir pas dit trop d'insanités, et si c'est le cas, flagellez moi en place public, ou corrigez moi :banana:

A bientôt!
François
Avatar du membre
Pote Gui
G5 Team
G5 Team
Messages : 4469
Enregistré le : 15 mai 2012, 11:07
Localisation : Lyon (69)

Re: G5 "Le Baron"

Message non lu par Pote Gui »

Concernant le boost : niveau polarisation, tu as le double de courant à travers une 1k5 qui est en général une valeur utilisée pour une 12ax7 seule chargée par 100k. Les tubes étant en parallèle, la résistance équivalente est de 3k. Donc, là tu vas avoir une tension de polarisation élevée, et des tubes biasés froid.
Pour la polarisation des tubes de puissances, j'aurais eu tendance à monter à 470R pour commencer. On a pas les tensions d'alim pour bien dire, mais bon à vue de nez...
Et enfin, 1k pour les deux g2, ça fait 2k par grille ce qui est pas mal. On s'accorde entre 100R et 1k en général. Ensuite il faut s'attendre à un effet de compression plus marqué lors de forts appels de courant, i.e. quand tu joues fort.
Avatar du membre
Lemontheo
G5 Team
G5 Team
Messages : 1810
Enregistré le : 21 janv. 2011, 1:00
Localisation : Rouen
Contact :

Re: G5 "Le Baron"

Message non lu par Lemontheo »

Myn Donos a écrit : 08 oct. 2018, 13:19
  • Dernier point sur ton schéma: le switching. Lorsque tu va être en position non boostée, V2A et V2B vont se retrouver avec leurs grilles en l'air, donc en mode antenne. Il y a au pire risque d'oscillation, au mieux des gros plocs! En effet, ta grille en l'air va capturer des électrons, et ne pouvant pas les évacuer, son potentiel va changer, et quand tu vas commuter pour booster, ce potentiel va devoir changer brusquement, les électrons qui se trouvaient là comme des cons vont bourrer sur le reste du circuit, et ça va faire ploc. Ajoutes donc une résistance de 1M Ohms entre la grille 1 de V2A et le 0V, ça fixera le potentiel de grille, signal ou pas. D'ailleurs je ferai pareil de l'autre côté, sur les sorties, mais je suis un maniaco...
Je ne trouve pas que ce soit de la maniaquerie, d'autant que c'est de la HT qui va être switchée..... :non:

Il faut donc que tu places d'abord un condo en sortie de V1a et une résistance de 2M2 (ou plus) reliée à la masse. puis le switch.... enfin, un schéma est plus parlant !
G boost.png
Rimlock
G5 guru
G5 guru
Messages : 1184
Enregistré le : 17 juil. 2018, 19:48
Localisation : pas trop loin de l'Océan

Re: G5 "Le Baron"

Message non lu par Rimlock »

Switcher 150V ou plus sur les grilles du boost.... ben ça aurait boosté méchamment :clap:

Devant le boost je verrais bien une cellule R//C en série pour favoriser le médium/haut médium àla marshall...
Et de deux ! Merci les Bleus :lol:
CocaBlanca
G5 bidouilleur
G5 bidouilleur
Messages : 26
Enregistré le : 29 juin 2018, 16:38
Localisation : Île-de-France

Re: G5 "Le Baron"

Message non lu par CocaBlanca »

Comme toujours, merci pour les réponses tout le monde :D

Rimlock, merci pour ces précisions, ça me rassure! Et merci pour le conseil au sujet de la R//C, ça me tente bien en effet!! :D

Myn Donos, "le peu que tu sais" est utile et pratique, comme d'habitude :wink: Merci à toi!!

- Pour ce qui est de l'OT, cela n'a aucune incidence du coup le nombre de lampes côté primaire (et peut-être le fait qu'elle soient parallèles)? C'est le projet du TT-Sam qui m'a induit en erreur, en gros sans modifier les branchements, en enlevant une des deux lampes de puissance l’impédance de sortie se retrouve doublé (la secondaire 8 ohms en double lampe passe à 16 ohms en mono lampe, la 4 ohms passe à 8 ohms etc )

- Pour ce qui est de la double erreur, je corrige ça ce soir. J'ai "failli" bien faire, j'avais utilisé un des deux pattern de pentode avec suppresseuse de JSchem mais puis j'ai tout refait :ouch: D'ailleurs des préférence personnelles entre les 2 méthodes classiques?
Je vais aussi faire ce que tu me conseille pour R19!

- Pour les calculs que tu me montre je dois mesurer physiquement ces valeurs ou je peux y aller avec les spécifications fénériques de chaque lampe ? Sachant que c'est spécifié en général pour chaque lampe en pratique il me suffit d'additionner les consommation en mA de chaque lampe (pas celle de chauffage)? Si c'est bien le cas à 250v ça donne quelque chose comme 45mA pour la 6V6, 49.5mA pour l'EL84 et 1,2mA x2 pour les 12ax7... Donc quelque chose comme 96,9 mA... Le PT devrait donc suffire.. Je crois? En faite je vais m'y remettre demain, avant de faire cette petite liste, j'ai essayé pendant quelques heures (j'ai commencé à repondre vers 17h :crazy: ) d'appliquer ce que tu m'as dit mais je n'ai trouvé que des chiffres aléatoires à chaque fois :mur:

- Je note pour la question du switching, en effet ça aurait été disgracieux! Merci beaucoup je vais tout appliquer! :D

Pote Gui, merci à toi pour cette correction. Je changerais les valeurs des résistances du pré-amp sur dans le nouveau schéma. Pour la polarisation des tubes on parle bien de R16 et R17? (J'ai fait une petite erreur il y a 2 R17, je parle de celle de l'EL84) Tu mettrais donc 470R chacune?
Pour les résistances de grille tu les laisserais donc comme sur le schéma ou comme le préconise Myn t'en mettrait deux? Ou alors je pense à la mauvaise résistance.. :confused:

Lemontheo, un grand merci à toi aussi! J'intègre tes modification à la prochaine version du schéma :D


En tout cas merci à tous pour vos conseils, vous êtes géniaux!
Je comptais reposter un schéma dans la soirée mais vu le temps que ça me prend de les réaliser et le temps que j'ai passé à essayer de faire mon bilan énergétique je remet ça à demain avec l'esprit reposé!

à bientôt! :salut:
Myn Donos
G5 guru
G5 guru
Messages : 674
Enregistré le : 16 mai 2012, 18:50
Localisation : Toulouse

Re: G5 "Le Baron"

Message non lu par Myn Donos »

Bonjour,
- Pour ce qui est de l'OT, cela n'a aucune incidence du coup le nombre de lampes côté primaire (et peut-être le fait qu'elle soient parallèles)? C'est le projet du TT-Sam qui m'a induit en erreur, en gros sans modifier les branchements, en enlevant une des deux lampes de puissance l’impédance de sortie se retrouve doublé (la secondaire 8 ohms en double lampe passe à 16 ohms en mono lampe, la 4 ohms passe à 8 ohms etc )
Ce n'est pas ainsi que ça fonctionne. L'impédance reliée au secondaire va te refléter une impédance au primaire du transformateur. Point, rien de plus, rien de moins. C'est l'impédance de ton HP et le facteur de transformation qui fixent l'impédance vue par tes tubes.

L'impédance qu'il te faut au primaire est fonction des droites de charges que tu as tracées précédemment. Tu peux prendre des valeurs dans les datasheet ou sur les schémas, mais honnêtement, je te conseille l'exercice des droites de charges, tu comprendras pleins de trucs avec ce bête outil graphique.
Mettons que tu ne mettes que 1.25k au lieu des 2.5k. Quand tu n'utilises qu'un seul tube, avec le volume de l'autre à 0, ben ton tube seul voit 1.25k, donc il ne va pas aimer...
Donc pour moi, si tu dois avoir 2.5k, et étant donné que c'est une charge inductive, qui ne changera donc pas en DC (à un poil de mérou près), tu mets 2.5k et c'est tout. Les deux tubes en parallèle ne changent pas la donne, c'est juste que tu vas avoir plus de courant en continu (ampli au repos, ou volume à 0 si tu préfères), et tu auras plus d'excursion en courant et en tension en régime d'utilisation.
D'autres corrigeront si je me trompe, et j'espère que ce n'est pas le cas, mais bon on est le second lundi de la semaine.
- Pour ce qui est de la double erreur, je corrige ça ce soir. J'ai "failli" bien faire, j'avais utilisé un des deux pattern de pentode avec suppresseuse de JSchem mais puis j'ai tout refait :ouch: D'ailleurs des préférence personnelles entre les 2 méthodes classiques?
Je vais aussi faire ce que tu me conseille pour R19!
Qui rigole au traçage pleure à l'usinage! :dance: Prends le temps pour faire ton plan, plus tu y passeras de temps à le peaufiner (sans aller dans l'extrême où tu ne fais que des plans toute ta vie), moins tu seras ennuyé après ;)
- Pour les calculs que tu me montre je dois mesurer physiquement ces valeurs ou je peux y aller avec les spécifications fénériques de chaque lampe ? Sachant que c'est spécifié en général pour chaque lampe en pratique il me suffit d'additionner les consommation en mA de chaque lampe (pas celle de chauffage)? Si c'est bien le cas à 250v ça donne quelque chose comme 45mA pour la 6V6, 49.5mA pour l'EL84 et 1,2mA x2 pour les 12ax7... Donc quelque chose comme 96,9 mA... Le PT devrait donc suffire.. Je crois? En faite je vais m'y remettre demain, avant de faire cette petite liste, j'ai essayé pendant quelques heures (j'ai commencé à repondre vers 17h :crazy: ) d'appliquer ce que tu m'as dit mais je n'ai trouvé que des chiffres aléatoires à chaque fois :mur:
Ben... les spécifications génériques, c'est beau, mais qu'est-ce qui t’indique que c'est ce qui a été suivi sur les schémas? Vu que tu pars sur le G5, essaie de trouver des relevés de mesure plutôt, ça sera plus proche de la réalité que tu verras à la fabrication à mon avis.
pas celle de chauffage?
Si, mais c'est un autre enroulement du transformateur d'alimentation. Il te faut calculer les consommations totales sur chaque enroulement, puis les puissances, et en additionnant le tout, tu sais combien ton transfo doit tenir comme puissance, et quel courant doit pouvoir être délivré sur chaque enroulement.

Voila, enfin c'est mes réflexions du matin, pas eu le temps de prendre un café, donc j'espère ne pas t'induire en erreur. A vous les studios!
François
Avatar du membre
bilbo_moria
Don Bilbo de la Vega
Messages : 7472
Enregistré le : 15 déc. 2004, 1:00
Localisation : Tinteniac (35)

Re: G5 "Le Baron"

Message non lu par bilbo_moria »

Myn Donos a écrit : 09 oct. 2018, 10:11 Donc pour moi, si tu dois avoir 2.5k, et étant donné que c'est une charge inductive, qui ne changera donc pas en DC (à un poil de mérou près), tu mets 2.5k et c'est tout. Les deux tubes en parallèle ne changent pas la donne, c'est juste que tu vas avoir plus de courant en continu (ampli au repos, ou volume à 0 si tu préfères), et tu auras plus d'excursion en courant et en tension en régime d'utilisation.
D'autres corrigeront si je me trompe, et j'espère que ce n'est pas le cas, mais bon on est le second lundi de la semaine.
Heu ... je ne suis jamais super à l'aise avec le coup de "j'ajoute un tube / j'enlève un tube (ou une paire, en PP)", mais pour une 6V6 ou une EL84 (utilisées en "mono tube de sortie" si je puis dire), il faudrait brancher le primaire de l'OT en 5k (et tracer la droite de charge en 5k).

Dans le cas de 2 tubes en //, il faut brancher l'OT en 2k5 (et brancher le HP 8Ω sur la sortie 8Ω) (et continuer à tracer la droite de charge en 5k ;-) ) ...
Myn Donos
G5 guru
G5 guru
Messages : 674
Enregistré le : 16 mai 2012, 18:50
Localisation : Toulouse

Re: G5 "Le Baron"

Message non lu par Myn Donos »

Ah je me trompais bien donc, merci Bilbo! Mais perso j'aime pas trop le concept de retirer un tube ou d'en ajouter un au pif dans les montages non plus, c'est peut être pour ça que je me plante :)
François
Rimlock
G5 guru
G5 guru
Messages : 1184
Enregistré le : 17 juil. 2018, 19:48
Localisation : pas trop loin de l'Océan

Re: G5 "Le Baron"

Message non lu par Rimlock »

Si tu utilise le Hammond 125CSE, tu utilises les sorties jaune (Yel) et blanche (Wht) qui te donne respectivement 4/2500 ou 8/5000 et 8/2500 ou 16/5000. Si tu utilises un seul tube, soit Z=5k, tu peux brancher soit un HP de 8Z sur le jaune ou un HP de 16Z sur le blanc. Si tu mets deux tubes, soit z=2.5k, alors tu mets un HP de 4z sur le jaune ou un HP de 8z sur le blanc. Donc un HP de 8z te permet un ou deux tubes ! De toute façon avec le 125CSE t'as pas trop le choix ! Tu ne peux pas avoir une impédance de 7K au primaire par exemple ! De toute façon, entre 5k et 7k ce n'est pas très critique, l'impédance d'un HP variant énormément avec la fréquence. Si tu as un oscillo, tu vérifies que l'écrêtage d'une sinusoïde est à peu près symétrique à pleine puissance. Si ça écrête bien plus tôt en haut ou en bas de la sinusoïde, c'est qu'il y a trop de mismatch ...
Et de deux ! Merci les Bleus :lol:
Répondre