OT comme self de filtrage ?
OT comme self de filtrage ?
Bonjour à tous,
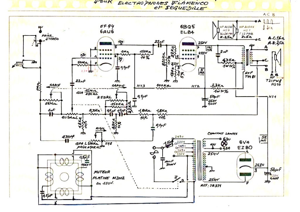
ca fait bien longtemps que je ne suis plus très actif sur le forum mais hier en bricolant un vieux magnétophone acheté 3 francs 6 sous à un magasin genre Titi, je me suis retrouvé face à un schéma qui fait réfléchir. Voici les images :
Le schéma provient de Radiomuseum, donc je ne vais pas vous donner le nom du modèle (un petit message privé peut résoudre ce problème :d )
Le point central de l'OT (qui ressemble un d'un montage ultra linéaire) est utilisé dans le circuit de filtrage HT.
Est ce que quelqu'un a déjà vu ce type de montage ? Est ce que quelqu'un sait mettre un nom sur ce montage ?
A vos cerveaux, prêt ? Chauffés !
ca fait bien longtemps que je ne suis plus très actif sur le forum mais hier en bricolant un vieux magnétophone acheté 3 francs 6 sous à un magasin genre Titi, je me suis retrouvé face à un schéma qui fait réfléchir. Voici les images :
Le schéma provient de Radiomuseum, donc je ne vais pas vous donner le nom du modèle (un petit message privé peut résoudre ce problème :d )
Le point central de l'OT (qui ressemble un d'un montage ultra linéaire) est utilisé dans le circuit de filtrage HT.
Est ce que quelqu'un a déjà vu ce type de montage ? Est ce que quelqu'un sait mettre un nom sur ce montage ?
A vos cerveaux, prêt ? Chauffés !
-
Rimlock
- G5 guru

- Messages : 1184
- Enregistré le : 17 juil. 2018, 19:48
- Localisation : pas trop loin de l'Océan
Re: OT comme self de filtrage ?
C'était très utilisé par Schneider dans ses électrophones Seguedille Flamenco etc... La partie HT sert de self de filtrage et en plus, comme le courant passe dans le sens inverse que celui d'anode ça fait "humbucker" !
Schneider avait même inventé le "caisson de basse" dans son ampli Chorale ! mélange des basses des deuc canaux dans un transfo de sortie unique, avec le même système de bobinahe HT "humbucker"...
Schneider avait même inventé le "caisson de basse" dans son ampli Chorale ! mélange des basses des deuc canaux dans un transfo de sortie unique, avec le même système de bobinahe HT "humbucker"...
Et de deux ! Merci les Bleus 
- bilbo_moria
- Don Bilbo de la Vega
- Messages : 7472
- Enregistré le : 15 déc. 2004, 1:00
- Localisation : Tinteniac (35)
Re: OT comme self de filtrage ?
Pas mal !!!
- McColson
- Admin du site

- Messages : 8038
- Enregistré le : 07 nov. 2004, 1:00
- Localisation : La Celle sur Morin
- Contact :
Re: OT comme self de filtrage ?
Excellent on pourrait utiliser un transfo pp pour un se alors ?
-
Rimlock
- G5 guru

- Messages : 1184
- Enregistré le : 17 juil. 2018, 19:48
- Localisation : pas trop loin de l'Océan
Re: OT comme self de filtrage ?
Heuuuu y a pas de PP sur le schéma, regarde bien !
Les deux EL84 sont en // dans le transfo de basses.
Ou alors tu veux dire un demi secondaire pour l'anode du SE et l'autre demi secondaire en self de filtrage avec la HT arrivant au milieu et sortant par l'autre "anode"... Pour que ça marche, comme le rapport des bobines sera de 50/50, il faudrait que le préamp et G2 consomment presque autant que le SE. A tester .
Ou alors tu veux dire un demi secondaire pour l'anode du SE et l'autre demi secondaire en self de filtrage avec la HT arrivant au milieu et sortant par l'autre "anode"... Pour que ça marche, comme le rapport des bobines sera de 50/50, il faudrait que le préamp et G2 consomment presque autant que le SE. A tester .
Et de deux ! Merci les Bleus 
- McColson
- Admin du site

- Messages : 8038
- Enregistré le : 07 nov. 2004, 1:00
- Localisation : La Celle sur Morin
- Contact :
Re: OT comme self de filtrage ?
Ouaip c'est ça mais en effet c'est pas gagné...Rimlock a écrit : 02 août 2019, 23:35 Ou alors tu veux dire un demi secondaire pour l'anode du SE et l'autre demi secondaire en self de filtrage avec la HT arrivant au milieu et sortant par l'autre "anode"... Pour que ça marche, comme le rapport des bobines sera de 50/50, il faudrait que le préamp et G2 consomment presque autant que le SE. A tester .
- Lemontheo
- G5 Team

- Messages : 1810
- Enregistré le : 21 janv. 2011, 1:00
- Localisation : Rouen
- Contact :
Re: OT comme self de filtrage ?
J'avais déjà la bobine du HP qui servait de self dans une vielle radio...


..:: 