Polarisation d'un LTP
-
Rimlock
- G5 guru

- Messages : 1205
- Enregistré le : 17 juil. 2018, 19:48
- Localisation : pas trop loin de l'Océan
Re: Polarisation d'un LTP
Il y a couplage des cathodes, donc oui, on peut considérer la 1ere triode comme un "cathode follower" en plus d'un ampli classique sur l'anode et que la 2eme triode est attaquée par la cathode. C'est juste que quand la 1ere triode reçoit une alternance positive, le courant augmente et la tension de la cathode augmente aussi. Mais vu du coté de la 2eme triode, si la tension de cathode augmente alors que la grille reste à zéro c'est comme si la grille devenait plus négative. On a donc un signal positif sur G1a et un "signal" négatif sur G1b, c'est le principe du différentiel. Et vice versa pour l'alternance négative... Ce ne sont que des nuances de vocabulaire amha.
Et de deux ! Merci les Bleus 
- chanmix51
- G5 optimiseur

- Messages : 462
- Enregistré le : 14 févr. 2013, 12:46
- Localisation : Nantes (44)
Re: Polarisation d'un LTP
Bonjour JPTrol,
D’emblée je précise que je ne prétends pas que ce que tu dis est faux ou erroné, ni que ce que je dis est la vérité vraie™. Je partage un point de vue, je trouve le tien intéressant aussi car je n’avais pas perçu ça comme toi. Ça permet de se poser des questions et de, peut être, considérer les choses autrement.
Les montages classiques ont tendance à prendre le signal que sur une seule électrode (cathode commune, anode commune etc.) alors qu’ici chacun des tubes du LTP en a deux :
- par la grille évidemment
- via la cathode par le biais de la contre-réaction de la R de cathode non découplée quand l’autre tube est modulé par sa grille.
Cela est la même chose qu’un simple tube en charge d’anode classique sur lequel on ré-injecte la CR globale de l’ampli sur la cathode par exemple.
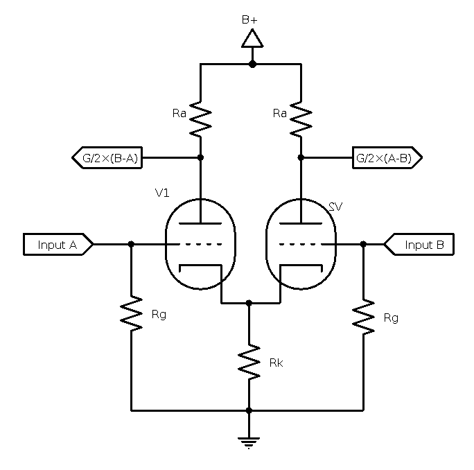
Voila un soustracteur qui marche très bien tant que les impédance de sortie des entrées A & B sont faibles devant Rg et Rk respectivement. Ce montage est un montage en charge d’anode classique qui combine les fonctionnements cathode commune et grille commune. Si on modifie un peu ce schéma pour palier au fait que l’impédance de sortie de l’entrée B est critique du fait de la souvent faible valeur de Rk on obtient :
Génial ! Mais ce qui serait encore plus cool, c’est d’avoir deux sorties symétriques … le Long Tail Pair.
Si on regarde maintenant la bande passante de ce montage on comprend que les deux tubes, en fonction de l’impédance perçue sur leur grille respective, vont avoir un effet Miller qui va donner une bande passante différente. L’expérience que j’en ai est que la bande passante générale du montage est celle du tube le plus limitant mais pour bien faire il faudrait isoler le montage et tester correctement. Mon cas était une boucle de rétro-action alors il y a forcément des effets de bord.
Amicalement,
Grégoire
D’emblée je précise que je ne prétends pas que ce que tu dis est faux ou erroné, ni que ce que je dis est la vérité vraie™. Je partage un point de vue, je trouve le tien intéressant aussi car je n’avais pas perçu ça comme toi. Ça permet de se poser des questions et de, peut être, considérer les choses autrement.
Les montages classiques ont tendance à prendre le signal que sur une seule électrode (cathode commune, anode commune etc.) alors qu’ici chacun des tubes du LTP en a deux :
- par la grille évidemment
- via la cathode par le biais de la contre-réaction de la R de cathode non découplée quand l’autre tube est modulé par sa grille.
Cela est la même chose qu’un simple tube en charge d’anode classique sur lequel on ré-injecte la CR globale de l’ampli sur la cathode par exemple.
Voila un soustracteur qui marche très bien tant que les impédance de sortie des entrées A & B sont faibles devant Rg et Rk respectivement. Ce montage est un montage en charge d’anode classique qui combine les fonctionnements cathode commune et grille commune. Si on modifie un peu ce schéma pour palier au fait que l’impédance de sortie de l’entrée B est critique du fait de la souvent faible valeur de Rk on obtient :
Génial ! Mais ce qui serait encore plus cool, c’est d’avoir deux sorties symétriques … le Long Tail Pair.
Si on regarde maintenant la bande passante de ce montage on comprend que les deux tubes, en fonction de l’impédance perçue sur leur grille respective, vont avoir un effet Miller qui va donner une bande passante différente. L’expérience que j’en ai est que la bande passante générale du montage est celle du tube le plus limitant mais pour bien faire il faudrait isoler le montage et tester correctement. Mon cas était une boucle de rétro-action alors il y a forcément des effets de bord.
Amicalement,
Grégoire
Re: Polarisation d'un LTP
En fait c'est ça aussi . Mais je me méfie de ce type d'approche car il laisse des éléments de côté comme les différentes impédances en jeu et comporte trop de pièges pour moi ( je veux dire par là que moi, je tombe dedansRimlock a écrit : 29 nov. 2018, 12:55 Il y a couplage des cathodes, donc oui, on peut considérer la 1ere triode comme un "cathode follower" en plus d'un ampli classique sur l'anode et que la 2eme triode est attaquée par la cathode. C'est juste que quand la 1ere triode reçoit une alternance positive, le courant augmente et la tension de la cathode augmente aussi. Mais vu du coté de la 2eme triode, si la tension de cathode augmente alors que la grille reste à zéro c'est comme si la grille devenait plus négative. On a donc un signal positif sur G1a et un "signal" négatif sur G1b, c'est le principe du différentiel. Et vice versa pour l'alternance négative... Ce ne sont que des nuances de vocabulaire amha.
Il y a beaucoup à dire sur ces schémas en fait . Le premier est un mélangeur. Aux temps héroïques A était une porteuse radio et B la BF modulante sortant du micro , ça donnait une modulation d'amplitude et on envoyait ça sur un transfo connecté à l'anode et une antenne derrière , c'était la radio des anciens ( "RADIO PARIS MENT RADIO PARIS EST ALLEMAND"chanmix51 a écrit : 29 nov. 2018, 13:52
Cela est la même chose qu’un simple tube en charge d’anode classique sur lequel on ré-injecte la CR globale de l’ampli sur la cathode par exemple.
schema1.png
Voila un soustracteur qui marche très bien tant que les impédance de sortie des entrées A & B sont faibles devant Rg et Rk respectivement. Ce montage est un montage en charge d’anode classique qui combine les fonctionnements cathode commune et grille commune. Si on modifie un peu ce schéma pour palier au fait que l’impédance de sortie de l’entrée B est critique du fait de la souvent faible valeur de Rk on obtient :
schema2.png
Après tu parles de la faible impédance de RK mais la vraie impédance vue là est encore plus faible que RK puisque c'est RK // (RA + rak) / (µ + 1)
ce qui fait qu'il faut corriger ta deuxième conclusion. C'est vrai que B entre sur une cathode suiveuse dont l'impédance de sortie est encore plus faible du fait de l'absence de RA , tu as rak / (µ+1) =~ 1/gm . Donc à la cathode de V2 tu sors le signal B atténué (sur un LTP où les deux RA sont égaux théoriquement B serait carrément divisé par deux) . Donc pour mesurer le signal qui entre sur la cathode de V1 tu dois voir un générateur de Thévenin avec un ZS de (rak / µ+1)//2Rk attaquer une impédance de ( RA+rak/µ+1)//2Rk (2RK car RK est partagée par les deux triodes). En fait au lieu de récupérer G (B-A) sur l'anode tu ne récupères que G (kB - A) avec k = 2/3 ou 3/4 , dans ces eaux là.
Ton LTP est lui parfaitement symétrique. Pourquoi l'effet Miller serait-il différent sur les deux côtés ?
jptrol
______________________________________________
______________________________________________
- chanmix51
- G5 optimiseur

- Messages : 462
- Enregistré le : 14 févr. 2013, 12:46
- Localisation : Nantes (44)
Re: Polarisation d'un LTP
Hello Hello,
Le LTP ici est polarisé à la masse via les R de grille et est composé d’une double 6N1P-EV dont les cathodes sont alimentées via une tension négative. La grille de gauche (entrée A) prend le signal d’entrée de l’ampli. La grille de droite (entrée B) prend l’erreur de l’ampli. Chacune de ses grilles voit une impédance différente : l’entrée A perçoit l’impédance de sortie du lecteur CD et potar de volume, l’autre entrée perçoit l’impédance de sortie de l’étage de calcul d’erreur (triode en charge anodique très élevée car CCS donc approx. ri + rk×(µ+1)). Avec le même effet Miller, chacun des deux tubes du LTP aura donc une BP différente car percevant une impédance différente sur sa grille. La bande passante totale du LTP sera la bande passante la plus faible des deux tubes du LTP. Ce qui confirmerait que les deux tubes fonctionnent de façon identique sans que l’un soit plus cathode commune que l’autre est grille commune.
Pour en revenir à cette R25 de 1 Meg, elle forme un filtre passe-haut avec C16 coupure à 1,6Hz. Vu la position de C16, R25 n’a aucun effet sur Miller du tube du LTP donc mon idée était débile.
Amicalement,
Grégoire
Les 3 schémas sont des mélangeurs et le dernier est un mélangeur symétrique.jptrol a écrit : 29 nov. 2018, 16:47 Il y a beaucoup à dire sur ces schémas en fait . Le premier est un mélangeur.
L’effet Miller est bien le même des 2 coté seulement la bande passante de chaque coté dépend de l’impédance vue de la grille de chaque tube. Prenons le cas suivant :jptrol a écrit : 29 nov. 2018, 16:47 Ton LTP est lui parfaitement symétrique. Pourquoi l'effet Miller serait-il différent sur les deux côtés ?
Le LTP ici est polarisé à la masse via les R de grille et est composé d’une double 6N1P-EV dont les cathodes sont alimentées via une tension négative. La grille de gauche (entrée A) prend le signal d’entrée de l’ampli. La grille de droite (entrée B) prend l’erreur de l’ampli. Chacune de ses grilles voit une impédance différente : l’entrée A perçoit l’impédance de sortie du lecteur CD et potar de volume, l’autre entrée perçoit l’impédance de sortie de l’étage de calcul d’erreur (triode en charge anodique très élevée car CCS donc approx. ri + rk×(µ+1)). Avec le même effet Miller, chacun des deux tubes du LTP aura donc une BP différente car percevant une impédance différente sur sa grille. La bande passante totale du LTP sera la bande passante la plus faible des deux tubes du LTP. Ce qui confirmerait que les deux tubes fonctionnent de façon identique sans que l’un soit plus cathode commune que l’autre est grille commune.
Pour en revenir à cette R25 de 1 Meg, elle forme un filtre passe-haut avec C16 coupure à 1,6Hz. Vu la position de C16, R25 n’a aucun effet sur Miller du tube du LTP donc mon idée était débile.
Amicalement,
Grégoire
-
Rimlock
- G5 guru

- Messages : 1205
- Enregistré le : 17 juil. 2018, 19:48
- Localisation : pas trop loin de l'Océan
Re: Polarisation d'un LTP
Pendant ce temps-là, le fer à souder refroidit

Et de deux ! Merci les Bleus 
Re: Polarisation d'un LTP
Oui tu as raison, les 3 sont des mélangeurs, mais le premier était le mélangeur type, ou primitif si tu veux.
L’effet Miller est bien le même des 2 coté seulement la bande passante de chaque coté dépend de l’impédance vue de la grille de chaque tube. Prenons le cas suivant :jptrol a écrit : 29 nov. 2018, 16:47 Ton LTP est lui parfaitement symétrique. Pourquoi l'effet Miller serait-il différent sur les deux côtés ?
JX12.png
Le LTP ici est polarisé à la masse via les R de grille et est composé d’une double 6N1P-EV dont les cathodes sont alimentées via une tension négative. La grille de gauche (entrée A) prend le signal d’entrée de l’ampli. La grille de droite (entrée B) prend l’erreur de l’ampli. Chacune de ses grilles voit une impédance différente : l’entrée A perçoit l’impédance de sortie du lecteur CD et potar de volume, l’autre entrée perçoit l’impédance de sortie de l’étage de calcul d’erreur (triode en charge anodique très élevée car CCS donc approx. ri + rk×(µ+1)). Avec le même effet Miller, chacun des deux tubes du LTP aura donc une BP différente car percevant une impédance différente sur sa grille.
Je comprends ce que tu veux dire. J'ai mal interprété ta phrase : "vont avoir un effet Miller différent ... " dans ton post précédent. Non l'effet Miller proprement dit est bien le même mais ce sont les passe-bas constitués avec les impédances de sortie en amont qui vont faire la différence.
Je suis d'accord effectivement dans le cas que tu cites les signaux A et B n'auront effectivement pas la même bande passante. ( effet Miller proprement dit = A x Cga , A étant le gain - voir le topo déjà présent sur la partie théorie du site : http://www.projetg5.com/theorie/1-6-le- ... -de-miller)
Là nous divergeons fortement : il n'y a pas de triode qui soit "plus cathode commune que l’autre est grille commune" . Pour le signal A : V1 est strictement en cathode commune et V2 strictement en grille commune. Pour le signal B : V2 est strictement en cathode commune et V1 strictement en grille commune. Comment pourrait-il en être autrement puisqu'il y a symétrie parfaite ?La bande passante totale du LTP sera la bande passante la plus faible des deux tubes du LTP. Ce qui confirmerait que les deux tubes fonctionnent de façon identique sans que l’un soit plus cathode commune que l’autre est grille commune.
J'invite les lecteurs courageux de ce post ( s'il en reste
http://www.projetg5.com/theorie/1-5-fil ... as#fve1ve2
Sur les bandes passantes il n'y a aucune raison pour que les fréquences se limitent en sortie à celles du signal à la bande passante la plus réduite. En sortie nous avons A mélangé à B avec A limité par le PB en entrée A (Miller etc...) et B par le PB en entrée B. D'ailleurs dans l'exemple que tu nous montres en HIFI, ce serait particulièrement déconnant de limiter la sortie vers le Push-Pull aux fréquences de B alors que celui-ci n'est qu'un signal de correction issu d'une triple intégration du signal audio
Surtout on ne le débranche pas
Amicalement
jptrol
______________________________________________
______________________________________________
- chanmix51
- G5 optimiseur

- Messages : 462
- Enregistré le : 14 févr. 2013, 12:46
- Localisation : Nantes (44)
Re: Polarisation d'un LTP
Hello hello !
Et merci pour les articles “théorie” qui sont très clairs.
Amicalement,
Grégoire
Au top ! J’ai tout compris mercijptrol a écrit : 30 nov. 2018, 22:31Là nous divergeons fortement : il n'y a pas de triode qui soit "plus cathode commune que l’autre est grille commune" . Pour le signal A : V1 est strictement en cathode commune et V2 strictement en grille commune. Pour le signal B : V2 est strictement en cathode commune et V1 strictement en grille commune. Comment pourrait-il en être autrement puisqu'il y a symétrie parfaite ?La bande passante totale du LTP sera la bande passante la plus faible des deux tubes du LTP. Ce qui confirmerait que les deux tubes fonctionnent de façon identique sans que l’un soit plus cathode commune que l’autre est grille commune.
J'invite les lecteurs courageux de ce post ( s'il en reste) à méditer sur la méthode de mesure d'une tension dépendant de plusieurs entrées indépendantes et qui constitue une base fondamentale de l'électronique dans la section théorie du site ici :
http://www.projetg5.com/theorie/1-5-fil ... as#fve1ve2
Et merci pour les articles “théorie” qui sont très clairs.
Amicalement,
Grégoire
-
Rimlock
- G5 guru

- Messages : 1205
- Enregistré le : 17 juil. 2018, 19:48
- Localisation : pas trop loin de l'Océan
Re: Polarisation d'un LTP
A la fin du calcul de Vs on peut dire que si R1=R2 (cas en général dans un sommateur) Vs=(Ve1+Ve2)/2 ou, dans le cas général Vs= somme Vn/n. Mais dans la vraie vis, ça ne marche pas tout à fait pareil ! Il y a des impédances non nulles ou infinies qui mettent le bololo
.
Et de deux ! Merci les Bleus 
Re: Polarisation d'un LTP
Oui on peut le dire et si on ne le dit pas c'est parce qu'il y a une raison : l'article est général et la sommation n'est qu'un exemple trivial. Il s'agit d'exposer une méthode extrapolable à tout montage. Ce cursus est destiné aux musiciens amateurs de DIY à tubes et l'objectif est tout sauf de les noyer pour le moment sous des détails inutiles (je parle comme Kevin O'Connor et là ce n'est pas une référenceRimlock a écrit : 01 déc. 2018, 14:51 A la fin du calcul de Vs on peut dire que si R1=R2 (cas en général dans un sommateur) Vs=(Ve1+Ve2)/2 ou, dans le cas général Vs= somme Vn/n.
Des vraies vis cachées en sommeMais dans la vraie vis, ça ne marche pas tout à fait pareil ! Il y a des impédances non nulles ou infinies qui mettent le bololo.
jptrol
______________________________________________
______________________________________________
