Pour retrouver le G5 il faudrait carrément sauter jusqu'au Master à partir de R3-C7.
Et ne câble pas en câble blindé partout, au mieux l'entrée de V1 c'est le principal, tu vas t'embêté pour pas grand chose si tu câbles proprement le reste.

C'est noté !McColson a écrit : 05 déc. 2020, 23:12 [td][/td]Il te manque une résistance sous le potar de bassesOK je complète avec une 15k
Pour retrouver le G5 il faudrait carrément sauter jusqu'au Master à partir de R3-C7. Là ,ça devient compliqué !
Et ne câble pas en câble blindé partout, au mieux l'entrée de V1 c'est le principal, tu vas t'embêté pour pas grand chose si tu câbles proprement le reste.
A voir, mais je ne pense pas : sur les Fender, il est positionné super près de lampes de préamp, sans problèmes ...alamature a écrit : 03 janv. 2021, 19:13 Bonjour à toutes et à tous !
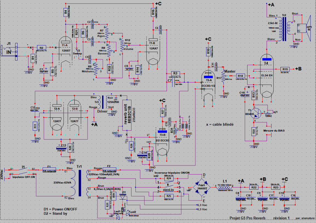
J'ai encore modifié la position des éléments.
J'aimerai savoir si le driver 1750A émet des parasites ou pas !
Pour la self je n'ai remarqué aucun problème .
cordialement.

alamature a écrit : 06 déc. 2020, 10:33C'est noté !McColson a écrit : 05 déc. 2020, 23:12 [td][/td]Il te manque une résistance sous le potar de bassesOK je complète avec une 15k
Pour retrouver le G5 il faudrait carrément sauter jusqu'au Master à partir de R3-C7. Là ,ça devient compliqué !
Et ne câble pas en câble blindé partout, au mieux l'entrée de V1 c'est le principal, tu vas t'embêté pour pas grand chose si tu câbles proprement le reste.
merci
Liste composants suite G5 proreverb.png
Liste composants G5 proreverb.png
Bonjour,
Quelqu'un saurait-il m'expliquer pourquoi R19-R31 et R26 ont été changé à 56Ohms? Ca me parait être une erreur...
Merci
Emmanuel.