Power Amp Stéréo G5 - KT88 - 6SL7 (mise à jour page 1)
Power Amp Stéréo G5 - KT88 - 6SL7 (mise à jour page 1)
EDIT 29/03/22
Cahiers des charges:
Power Amp SE stéréo au format tête d'ampli basé sur la partie amplification et alim du G5. Permettant l'utilisation de différents tubes de puissance tout comme le G5, avec bias system.
Caractéristiques:
- Deux voies bien indépendantes pour la stéréo
- Un volume et une entrée pour chaque voie recevant un niveau ligne provenant de mon pedalboard
- Un transformateur d'alimentation 150VA Dissidence Audio à 3 secondaires (2 secondaires HT et 1 secondaire de chauffage)
- Standby pour chacune des voies (permettant d'utiliser une voie, ou l'autre, ou les deux)
- Deux transformateurs de sortie ESO (même puissance que ceux du G5 mais avec uniquement 2.5K au primaire et 8 Ohm au secondaire)
- Puissance en KT88 en premier choix
- Driver de puissance commun aux deux voies (une triode chacun) en 6SL7
- Montage sur Turrets / Cosses / PTP
Schéma:
Cotations et perçage du chassis:
Vue de Dessus:
Assemblage définitif:
Face Avant Face Arrière
Work In Progress
Mots Clés: G5 Power Amp Single Ended, Power Amp Stereo, Power Amp G5, Stéréo Power Amp, Puissance KT88, 6SL7, Power Amp KT88 6SL7 Single Ended
Cahiers des charges:
Power Amp SE stéréo au format tête d'ampli basé sur la partie amplification et alim du G5. Permettant l'utilisation de différents tubes de puissance tout comme le G5, avec bias system.
Caractéristiques:
- Deux voies bien indépendantes pour la stéréo
- Un volume et une entrée pour chaque voie recevant un niveau ligne provenant de mon pedalboard
- Un transformateur d'alimentation 150VA Dissidence Audio à 3 secondaires (2 secondaires HT et 1 secondaire de chauffage)
- Standby pour chacune des voies (permettant d'utiliser une voie, ou l'autre, ou les deux)
- Deux transformateurs de sortie ESO (même puissance que ceux du G5 mais avec uniquement 2.5K au primaire et 8 Ohm au secondaire)
- Puissance en KT88 en premier choix
- Driver de puissance commun aux deux voies (une triode chacun) en 6SL7
- Montage sur Turrets / Cosses / PTP
Schéma:
Cotations et perçage du chassis:
Vue de Dessus:
Assemblage définitif:
Face Avant Face Arrière
Work In Progress
Mots Clés: G5 Power Amp Single Ended, Power Amp Stereo, Power Amp G5, Stéréo Power Amp, Puissance KT88, 6SL7, Power Amp KT88 6SL7 Single Ended
Modifié en dernier par Tony le 29 mars 2022, 14:24, modifié 69 fois.
- Dagda
- FAQueur
- Messages : 1103
- Enregistré le : 05 mars 2008, 1:00
- Localisation : La terre de Fangh
- Contact :
Re : Power Amp Stéréo G5
Pour le transfo, je regarderais pour un torique (pour l'alimentation)
http://www.audiophonics.fr/transformate ... -3675.html
à 3 secondaires un 100VA c'est 32€ ... et trois profils différents pour le montage en rack.
Ensuite, pour la partie drive, je pense qu'il va falloir savoir quel niveau sort de ton préampli?
Dagda
http://www.audiophonics.fr/transformate ... -3675.html
à 3 secondaires un 100VA c'est 32€ ... et trois profils différents pour le montage en rack.
Ensuite, pour la partie drive, je pense qu'il va falloir savoir quel niveau sort de ton préampli?
Dagda
Rien pour le moment ...
Re: Re : Power Amp Stéréo G5
Ben mon préampli est encore en état de projet, mais j'aimerai que le power amp puisse s'adapter à tout, comme ce qu'on trouve dans le commerce.Dagda a écrit :Ensuite, pour la partie drive, je pense qu'il va falloir savoir quel niveau sort de ton préampli?
A savoir qu'en amont du power amp, je place un delay stéréo qui dispose d'un niveau guitare, ou ligne. (Pédale Eventide Time Factor)
- Dagda
- FAQueur
- Messages : 1103
- Enregistré le : 05 mars 2008, 1:00
- Localisation : La terre de Fangh
- Contact :
Re : Power Amp Stéréo G5
Ben, dans le commerce ils ont une entrée de niveau ligne il me semble non ?
Dagda
Dagda
Rien pour le moment ...
Re : Power Amp Stéréo G5
Oui en général on gère le passage du préamp à l'étage de puissance comme une boucle d'effet donc on part du principe qu'il y a en sorti du buffer de préamp un niveau de 1V/10dB max.
Le principe de ce type de montage stéréo avec préampli + ampli séparés en Rack étant de na pas faire saturer l'étage de puissance et donc de travailler dans une plage linéaire pour celui-ci alors qu'au contraire le préampli devient alors le point crucial dans la coloration du son.
Le principe de ce type de montage stéréo avec préampli + ampli séparés en Rack étant de na pas faire saturer l'étage de puissance et donc de travailler dans une plage linéaire pour celui-ci alors qu'au contraire le préampli devient alors le point crucial dans la coloration du son.
Re: Re : Power Amp Stéréo G5
Donc une seule triode suffit, pour pas trop colorer, garder un bon son clair dont la couleur changera selon le type de lampe en puissance.Mikka a écrit :Oui en général on gère le passage du préamp à l'étage de puissance comme une boucle d'effet donc on part du principe qu'il y a en sorti du buffer de préamp un niveau de 1V/10dB max.
Le principe de ce type de montage stéréo avec préampli + ampli séparés en Rack étant de na pas faire saturer l'étage de puissance et donc de travailler dans une plage linéaire pour celui-ci alors qu'au contraire le préampli devient alors le point crucial dans la coloration du son.
Je peux placer le master de la sorte ?
- Dagda
- FAQueur
- Messages : 1103
- Enregistré le : 05 mars 2008, 1:00
- Localisation : La terre de Fangh
- Contact :
Re : Power Amp Stéréo G5
Oui mais 500k le potar ... la 1M qui traine ici n'est pas correct sur le schéma, c'est 500k maxi 
sinon: http://www.bonavolta.ch/hobby/fr/audio/el34_4.htm
Dagda

sinon: http://www.bonavolta.ch/hobby/fr/audio/el34_4.htm
Dagda
Rien pour le moment ...
Re: Re : Power Amp Stéréo G5
Pourquoi c'est 500K max ? c'est le fait de régler le volume juste avant la pentode ? ou c'est une erreur même sur le G5 de base ?Dagda a écrit :Oui mais 500k le potar ... la 1M qui traine ici n'est pas correct sur le schéma, c'est 500k maxi

Je préfère rester sur plus simple, et quelque chose qui a déjà fait ses preuves, qui fonctionne bien...Dagda a écrit :sinon: http://www.bonavolta.ch/hobby/fr/audio/el34_4.htm

- Dagda
- FAQueur
- Messages : 1103
- Enregistré le : 05 mars 2008, 1:00
- Localisation : La terre de Fangh
- Contact :
Re : Power Amp Stéréo G5
C'est une erreur récurante sur G5 ... l'en faut bien une, mais ce n'est pas critique.
Ensuite, les schémas dispo sur bonavolta sont éprouvés depuis des lustres
Dagda
Ensuite, les schémas dispo sur bonavolta sont éprouvés depuis des lustres

Dagda
Rien pour le moment ...
Re : Power Amp Stéréo G5
J'en doute pas, mais c'est pas aussi bien détaillé que le tuto G5, puis là je peux prendre les mêmes transfo, les mêmes composants, tout est détaillé. Je me sent moins paumé.Dagda a écrit :Ensuite, les schémas dispo sur bonavolta sont éprouvés depuis des lustres
Dagda
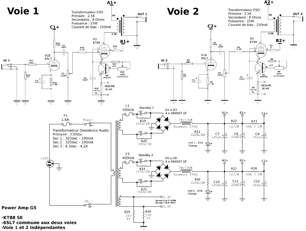
[Edit 23/08]: Voici mon schéma complet inspiré de celui de "Vinzouille".
Est ce que ça réduit le coût de faire bobiner le transfo de sortie ESO de façon à n'avoir que 2,5K au primaire ?
Etant donné que je ne souhaite essayer que de la KT88, EL34 ou 6L6.
J'ai poussé le chauffage à 4A pour pouvoir alimenter les deux KT88 et la 12AX7, ça pose pas de problème ?

- Dagda
- FAQueur
- Messages : 1103
- Enregistré le : 05 mars 2008, 1:00
- Localisation : La terre de Fangh
- Contact :
Re : Power Amp Stéréo G5
Pourquoi cela poserait un problème 
Tant que tu fait ton bilan de consommation comme il faut, je ne vois pas où sera le problème
Le schéma semble correct ... perso, j'aurais monté un peu le courant de la HT ... autour des 170mA si tu monte une KT88 un peu gourmande ... mais jojo saura te conseiller mieux que moi.
Dagda

Tant que tu fait ton bilan de consommation comme il faut, je ne vois pas où sera le problème

Le schéma semble correct ... perso, j'aurais monté un peu le courant de la HT ... autour des 170mA si tu monte une KT88 un peu gourmande ... mais jojo saura te conseiller mieux que moi.
Dagda

Rien pour le moment ...
Re : Power Amp Stéréo G5
Ben faut coller au plus près de la carcasse, si on prend un 150VA
Chauffage 30 VA il reste 120VA soit 60VA par HT
60 / 325 = 184 mA et le tour est joué
Chauffage 30 VA il reste 120VA soit 60VA par HT
60 / 325 = 184 mA et le tour est joué

Si tu veux voir des bleus gagner, regardes Avatar 

Re: Re : Power Amp Stéréo G5
Moi non plus, mais peut-être dans le fait de chauffer la 12AX7 dont la deuxième triode n'est pas forcément en fonctionnement.Dagda a écrit :Pourquoi cela poserait un problème
Tant que tu fait ton bilan de consommation comme il faut, je ne vois pas où sera le problème
Il y a deux voies indépendantes, mais utilisant le même driver.
Perturbations, buzz, boucle de masse ou autre

J'avais un doute quant au schéma de la V3, qui indique la HT à 325V - 130mA.Dagda a écrit :Le schéma semble correct ... perso, j'aurais monté un peu le courant de la HT ... autour des 170mA si tu monte une KT88 un peu gourmande ... mais jojo saura te conseiller mieux que moi.
Du coup j'ai pris ce qui était indiqué dans les tests des transfo ESO vs TT vs Hammond, soit 150mA.
Les 150VA, c'est pour coller aux specs "TP-G5" dont tu as fait part à ESO pour avoir le tarif bridé à 59€ ?vitriol82 a écrit :Ben faut coller au plus près de la carcasse, si on prend un 150VA
Chauffage 30 VA il reste 120VA soit 60VA par HT
60 / 325 = 184 mA et le tour est joué Wink
Re : Power Amp Stéréo G5
Ben non
le transfo du G5 fait 70 VA, au dessus c'est 100 -120 et 150, en partant du principe 2 x 70 = 140 , j'ai choisi 150VA
Le TP-G5 de 150VA à 59 euros c'est pour l'année où j'avais annoncé le produit, je ne pense pas que le tarif ait été bloqué, vu la hausse des matières premières.
le transfo du G5 fait 70 VA, au dessus c'est 100 -120 et 150, en partant du principe 2 x 70 = 140 , j'ai choisi 150VA
Le TP-G5 de 150VA à 59 euros c'est pour l'année où j'avais annoncé le produit, je ne pense pas que le tarif ait été bloqué, vu la hausse des matières premières.
Si tu veux voir des bleus gagner, regardes Avatar 

Re: Re : Power Amp Stéréo G5
Ah d'accord, je pensais qu'il fallait dire pile poil ce qui est nécessaire en VA. Donc je vais pousser l'intensité pour que ça tombe rond, j'aurai pas mal de marge ainsi.vitriol82 a écrit :Ben non
le transfo du G5 fait 70 VA, au dessus c'est 100 -120 et 150, en partant du principe 2 x 70 = 140 , j'ai choisi 150VA

C'était bien tenté...vitriol82 a écrit :Le TP-G5 de 150VA à 59 euros c'est pour l'année où j'avais annoncé le produit, je ne pense pas que le tarif ait été bloqué, vu la hausse des matières premières.


J'espère quand même rester en dessous de 70€ pour le PT. Je vais leur demander un devis, je serais fixé.

[edit]: Voilà c'est corrigé
325Vac - 185mA par ligne HT
6.3Vac - 4,7A pour la chauffe

Par contre quelles sont les specs à demander pour le transfo de sortie G5 ?
Juste un transfo SE de 2,5K et 5K au primaire / 4, 8, 16 Ohms secondaire.