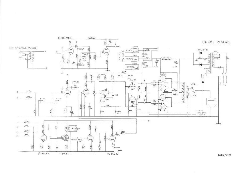
Ampli : SELMER PA 100/6 reverb
Alors je galère depuis avant hier donc je me permet de venir vous voir...
Voilà l'histoire : je suis en train de retuber entièrement un ampli Selmer PA100 Reverb, tout va "bien" jusque là, avant de placer mes 4 tubes de puissances EL34, je mesure la tension négative aux cathodes sans les lampes (environ -40v), je précise que c'est un cathode bias donc je me dis que la valeur n'est pas trop déconnante avant de changer éventuellement la résistance de cathode pour affiner le bias.
C'est là ou ça se gâte, je place mes lampes de puissance avec mon bias probe + multimètre, j'envoi la HT et là je vois mes lampes monter à plus de 100mA... j'arrête donc de suite et je remesure ma tension négative mais cette fois avec les lampes de puissance insérées, mesure = 4 volts !...
Je décide de monter un potard variable de bias, je règle cette fois ma tensions à -50 v sans les lampes et rebelote... je remets les lampes dans les sockets et pareil... en gros vous l'aurez compris ma tension négative s'emballe dés que les lampes de puissances sont sur leur sockets.
J'ai vérifié toutes les résistances et condensateurs sur le circuit de bias et tout est ok de ce point de vue là.
Mes tensions d'anode sont visiblement ok : 466 volts au pin 3/8
Je suis qu'un apprenti électronicien mais là je ne comprend pas.
Voilà.. si quelqu'un peut m'éclairer et à déjà eu ce genre de problème : ):)
Merci !!!
Schéma de l'ampli ci-joint.


