Oscillations sur un G5-ver 3.1
Oscillations sur un G5-ver 3.1
Bonjour a tous !
j'ai terminé mon G5 ver 3.1 depuis plusieurs semaines et depuis je cherche pourquoi ces oscillations !
Les tensions sont celle annoncées . Au départ elle étaient plus hautes ,j'ai donc ajouter une résistance chutrice de 5W-330 £.
J'ai sorti J3 et J4 pour éliminer le 50Hz en mélange avec l'oscillation . L'oscillation est toujours la !
Quand j'injecte du sinusoïdal de 1kHz en entrée j'obtiens l'oscillation que vous pouvez voir sur la pièce jointe N° 7. (Pour les oreilles c'est horrible !)
Si on peut me guider j'en serais ravi !
Bonne journée
alamature
j'ai terminé mon G5 ver 3.1 depuis plusieurs semaines et depuis je cherche pourquoi ces oscillations !
Les tensions sont celle annoncées . Au départ elle étaient plus hautes ,j'ai donc ajouter une résistance chutrice de 5W-330 £.
J'ai sorti J3 et J4 pour éliminer le 50Hz en mélange avec l'oscillation . L'oscillation est toujours la !
Quand j'injecte du sinusoïdal de 1kHz en entrée j'obtiens l'oscillation que vous pouvez voir sur la pièce jointe N° 7. (Pour les oreilles c'est horrible !)
Si on peut me guider j'en serais ravi !
Bonne journée
alamature
Modifié en dernier par alamature le 20 juil. 2020, 10:28, modifié 1 fois.
-
Rimlock
- G5 guru

- Messages : 1204
- Enregistré le : 17 juil. 2018, 19:48
- Localisation : pas trop loin de l'Océan
Re: Oscillations sur un G5-ver 3.1
Salut,
Pourquoi voit-on aussi un signal carré sur le 2eme oscillogramme en plus de la sinusoïde ? Ton oscillation est à quelle fréquence ? On dirait le double soit 2 kHz si on en croit l'indication T=200µs sur les deux photos...
Pourquoi voit-on aussi un signal carré sur le 2eme oscillogramme en plus de la sinusoïde ? Ton oscillation est à quelle fréquence ? On dirait le double soit 2 kHz si on en croit l'indication T=200µs sur les deux photos...
Et de deux ! Merci les Bleus 
Re: Oscillations sur un G5-ver 3.1
Bonjour !
Le signal carré c'est la synchro du GBF.
A vide je n'ai aucun bruit ! Mais dès que j'insère la fiche jack l'oscillation apparait . Depuis que j'ai viré J3 et J4 le son est plus grave .
J'ai aussi connecté J1 et J2 au plus simple car connecté comme le schéma VER 3.1 c'est l'horreur .
Maintenant à l'oscillo je n'ai plus cette image ,ça ressemble à du 50Hz modulé en fréquence mais mon oscillo refuse de le stabiliser !
Les câbles torsadés du chauffage passent au dessus des culots des lampes ; Cela peut il jouer ?
Le signal carré c'est la synchro du GBF.
A vide je n'ai aucun bruit ! Mais dès que j'insère la fiche jack l'oscillation apparait . Depuis que j'ai viré J3 et J4 le son est plus grave .
J'ai aussi connecté J1 et J2 au plus simple car connecté comme le schéma VER 3.1 c'est l'horreur .
Maintenant à l'oscillo je n'ai plus cette image ,ça ressemble à du 50Hz modulé en fréquence mais mon oscillo refuse de le stabiliser !
Les câbles torsadés du chauffage passent au dessus des culots des lampes ; Cela peut il jouer ?
-
Rimlock
- G5 guru

- Messages : 1204
- Enregistré le : 17 juil. 2018, 19:48
- Localisation : pas trop loin de l'Océan
Re: Oscillations sur un G5-ver 3.1
Vérifie la bonne connexion à la masse de ton jack d'entrée...
Et de deux ! Merci les Bleus 
Re: Oscillations sur un G5-ver 3.1
La masse des jack est reliée au châssis et aux masses des potards . (voir la première photo )
A la mise sous tension ,j'ai du ronflement 50Hz pendant 3 secondes ,puis silence absolu !
Dès que j'insère le jack dans J2 (J1 déconnecté) j'ai un fort ronflement "aïgu" ou plutôt un crépitement ( au moins 100Hz je pense ou plus ).
je remarque que ce montage est particulièrement sensible au 50Hz et à l'auto oscillation !
(Il y a quelques mois je vous avais demandé conseil pour un premier ampli guitare en push pull de EL84.
Grace à vos infos il fonctionne bien ! un son très clair . Mais je n'ai pas eu ce genres de problème ! )
Restons positif il faut chercher !
A la mise sous tension ,j'ai du ronflement 50Hz pendant 3 secondes ,puis silence absolu !
Dès que j'insère le jack dans J2 (J1 déconnecté) j'ai un fort ronflement "aïgu" ou plutôt un crépitement ( au moins 100Hz je pense ou plus ).
je remarque que ce montage est particulièrement sensible au 50Hz et à l'auto oscillation !
(Il y a quelques mois je vous avais demandé conseil pour un premier ampli guitare en push pull de EL84.
Grace à vos infos il fonctionne bien ! un son très clair . Mais je n'ai pas eu ce genres de problème ! )
Restons positif il faut chercher !
- McColson
- Admin du site

- Messages : 8069
- Enregistré le : 07 nov. 2004, 1:00
- Localisation : La Celle sur Morin
- Contact :
Re: Oscillations sur un G5-ver 3.1
Ce schéma n'est pas spécialement plus sensible qu'un autre, on devrait trouver...
Est ce que tu as câblé l'entrée avec un fil blindé ?
A quel point du circuit tu as l'oscillation ? Fin du preamp, fin de l'ampli etc ?
Essaye d'envoyer des photos en bonne qualité (prise de vue en extérieur) pour qu'on trouve plus facilement.
Est ce que tu as câblé l'entrée avec un fil blindé ?
A quel point du circuit tu as l'oscillation ? Fin du preamp, fin de l'ampli etc ?
Essaye d'envoyer des photos en bonne qualité (prise de vue en extérieur) pour qu'on trouve plus facilement.
Re: Oscillations sur un G5-ver 3.1
Bonjour à tous !
Sur le chantier ne pas remettre sa peine ! J'ai donc tout repris de A à Z .
a) mon ampli était relié à une prise sans terre . Il me restait un léger ronflement 50Hz .
Sur une prise avec terre , silence complet .
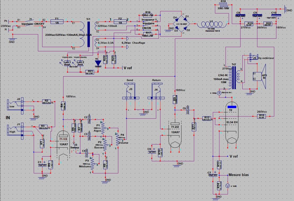
b) La sonde de l'oscillo branchée sur 7 de T1 ,aucun signal capté.
le pot volume au 1/3 une oscillation apparait et varie suivant la position des pots .
De 89kHz à 100kHz et de 150mV à 2V C à C
c) Quand je branche une petite guitare ,j'ai un son très clair ,mais dès que j'arrive aux 1/3 du volume une vilaine oscillation apparait .
de 3,3 kHz à 90 kHz en fonction de la position des pots . (ces fréquences sont simplement modulées par le son de la guitare )
Si je mets les pots médium et aigus à 0 J'ai un son guitare très clair (genre cathédrale) si je remonte le pot aigus ,j'ai un horrible sifflement (3kHz )
si je remonte le pot médiums j'ai du 90kHz (inaudible) (le volume est à fond ).
Voila ce que j'ai remarqué ! J'aimerais avoir votre avis .
Merci !
Sur le chantier ne pas remettre sa peine ! J'ai donc tout repris de A à Z .
a) mon ampli était relié à une prise sans terre . Il me restait un léger ronflement 50Hz .
Sur une prise avec terre , silence complet .
b) La sonde de l'oscillo branchée sur 7 de T1 ,aucun signal capté.
le pot volume au 1/3 une oscillation apparait et varie suivant la position des pots .
De 89kHz à 100kHz et de 150mV à 2V C à C
c) Quand je branche une petite guitare ,j'ai un son très clair ,mais dès que j'arrive aux 1/3 du volume une vilaine oscillation apparait .
de 3,3 kHz à 90 kHz en fonction de la position des pots . (ces fréquences sont simplement modulées par le son de la guitare )
Si je mets les pots médium et aigus à 0 J'ai un son guitare très clair (genre cathédrale) si je remonte le pot aigus ,j'ai un horrible sifflement (3kHz )
si je remonte le pot médiums j'ai du 90kHz (inaudible) (le volume est à fond ).
Voila ce que j'ai remarqué ! J'aimerais avoir votre avis .
Merci !
- McColson
- Admin du site

- Messages : 8069
- Enregistré le : 07 nov. 2004, 1:00
- Localisation : La Celle sur Morin
- Contact :
Re: Oscillations sur un G5-ver 3.1
Est ce que lorsque ça oscille, tu as essayé de bouger certains fils de ton ampli pour voir si ça influence qqchose ? Utilise une baguette chinoise en bois ou autre isolante et tu bouge tes fils 1 par 1.
Je pense notamment à ton tone stack câblé en blindé...
Je pense notamment à ton tone stack câblé en blindé...
Re: Oscillations sur un G5-ver 3.1
Pas une mauvaise idée !
Je bouge les fils un à un avec un morceau de bambou ! rien ne bouge sauf le fil reliant la sortie du volume à la broche 2 de T1 (petite variation de l'amplitude ).
J'ai inséré une plaque alu entre les condos et le stone stack ; Rien ne change !
Je déplace ma petite guitare ,parce qu'elle me gène et l'oscillation cesse . Mon cordon guitare c'est du bricolage : non blindé .
Quand la guitare est éloignée l'oscillation à 100kHz revient .
Je n'ai pas de véritable cordon pour guitare .
Petite question : pourquoi tone stack câblé en blindé ?
Je bouge les fils un à un avec un morceau de bambou ! rien ne bouge sauf le fil reliant la sortie du volume à la broche 2 de T1 (petite variation de l'amplitude ).
J'ai inséré une plaque alu entre les condos et le stone stack ; Rien ne change !
Je déplace ma petite guitare ,parce qu'elle me gène et l'oscillation cesse . Mon cordon guitare c'est du bricolage : non blindé .
Quand la guitare est éloignée l'oscillation à 100kHz revient .
Je n'ai pas de véritable cordon pour guitare .
Petite question : pourquoi tone stack câblé en blindé ?
-
Rimlock
- G5 guru

- Messages : 1204
- Enregistré le : 17 juil. 2018, 19:48
- Localisation : pas trop loin de l'Océan
Re: Oscillations sur un G5-ver 3.1
Tu as une contre réaction ? si oui essaie de la débrancher voir l'effet...
D'après ton schéma, c'est non !

D'après ton schéma, c'est non !
heuuuu ! pas très sérieuxMon cordon guitare c'est du bricolage : non blindé .
Et de deux ! Merci les Bleus 
- McColson
- Admin du site

- Messages : 8069
- Enregistré le : 07 nov. 2004, 1:00
- Localisation : La Celle sur Morin
- Contact :
Re: Oscillations sur un G5-ver 3.1
Achète un Jack correct !
Re: Oscillations sur un G5-ver 3.1
a) pas de CR ! Donc pas de modif possible .
b) Je fabrique généralement des amplis audio et un cordon jack mâle mâle ne me sert à rien ,mais là ! ce serait pratique .
c) Je vais en commander 1 et je l'aurai dans 10 jours ( pour info ma guitare fait 50cm )
En attendant ,merci pour votre participation.
b) Je fabrique généralement des amplis audio et un cordon jack mâle mâle ne me sert à rien ,mais là ! ce serait pratique .
c) Je vais en commander 1 et je l'aurai dans 10 jours ( pour info ma guitare fait 50cm )
En attendant ,merci pour votre participation.
- McColson
- Admin du site

- Messages : 8069
- Enregistré le : 07 nov. 2004, 1:00
- Localisation : La Celle sur Morin
- Contact :
Re: Oscillations sur un G5-ver 3.1
Excellent sympa ta guitare, si tu as un câble micro en stock
ça marche aussi
il te suffit de câbler 2 prises Jack...
Re: Oscillations sur un G5-ver 3.1
Bonjour à tous !
Câble micro blindé reçu !
C'est parfait ! le son de la guitare est très clair ! pas de ronflement .
Quand ma guitare est branchée mon oscillo présente une ligne droite horizontale même à 5 ms .
Quand je gratte ,bien sur c'est très animé !
Quand je débranche la guitare j'ai une oscillation inaudible qui apparait.
Echelle: 5µs -1 pas =12µs soit 83 kHz pour une tension de 1,3V càc - mesuré sur patte 2 de V1B.
Cette fréquence ainsi que la tension varient en fonction de la position des pots .
Je pense que c'est le courant de repos de l'ampli à vide .
J'avais imaginé que ce courant de repos était linéaire ! Mais pourquoi le serait-il ? (je plaisante ! )
J'aimerais avoir des avis sur ce phénomène !
Dans l'attente de vous lire !
Encore merci pour votre aide .
alamature
Câble micro blindé reçu !
C'est parfait ! le son de la guitare est très clair ! pas de ronflement .
Quand ma guitare est branchée mon oscillo présente une ligne droite horizontale même à 5 ms .
Quand je gratte ,bien sur c'est très animé !
Quand je débranche la guitare j'ai une oscillation inaudible qui apparait.
Echelle: 5µs -1 pas =12µs soit 83 kHz pour une tension de 1,3V càc - mesuré sur patte 2 de V1B.
Cette fréquence ainsi que la tension varient en fonction de la position des pots .
Je pense que c'est le courant de repos de l'ampli à vide .
J'avais imaginé que ce courant de repos était linéaire ! Mais pourquoi le serait-il ? (je plaisante ! )
J'aimerais avoir des avis sur ce phénomène !
Dans l'attente de vous lire !
Encore merci pour votre aide .
alamature
Modifié en dernier par alamature le 12 août 2020, 10:16, modifié 1 fois.
Re: Oscillations sur un G5-ver 3.1
As-tu essayé de virer ton tube de préamp pour voir si avais tjs ou non cette oscillation ?
Si oui, ton oscillation vient de ton étage de puissance .
Sinon, après avoir remis ton tube preamp, tu peux essayer d'inserer un jack male non cablé dans le "return" de la boucle d'effet pour deconnecter ton 1er étage ... Ca pourrait te donner une indication sur son origine ...
Si oui, ton oscillation vient de ton étage de puissance .
Sinon, après avoir remis ton tube preamp, tu peux essayer d'inserer un jack male non cablé dans le "return" de la boucle d'effet pour deconnecter ton 1er étage ... Ca pourrait te donner une indication sur son origine ...


..::