Comme je disais dans le post dédié à ce G5 gonflé aux hormonesviewtopic.php?t=6351: j'ai comme qui dirait un souci.
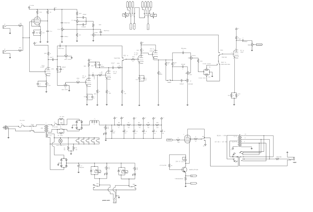
Voici le setup:
* V1: EF86 : préamp canal clean
* V2: ECC83/12Ax7: 1/2 crunch, 1/2 déphaseur
* V3: idem : canal Distorsion
* V4: idem : Tonalité canal disto / crunch
* V5: 6v6 GT HE : Pour cet essais, R bias 330 ohm avec en parallèle un condensateur chimique 60V de 100µ
Hp: The governor 8 Ohm
TS: Primaire à 5K, Secondaire à 8 Ohm mode Pentode .
Voici les symptômes:
en canal clean : ça sonne ç'est pas très péchu même à fond.
en canal crunch : c'est la cata, on dirait jane Birkin avec de l'anémie, quasi pas de son avec tout à toc.
en canal disto : c'est pareil, j'ai en plus un léger motor boating.
Voici les relevés de tension d'alim:
J'ai essayé d'échanges les lampes v2 à v4 façon bonneteau ça change pas grand chose....
Je suis un peu perdu




..::