Ces transfos étranges pour le symétrique ...

Pour causer de choses et d'autres, c'est ici !
Avatar du membre
bilbo_moria
Don Bilbo de la Vega
Messages : 7472
Enregistré le : 15 déc. 2004, 1:00
Localisation : Tinteniac (35)

Ces transfos étranges pour le symétrique ...

Message non lu par bilbo_moria »

Je les qualifie d'étranges, simplement car je n'ai pas l'habitude.

Je travaille actuellement sur un préamp micro / ligne, avec entrée et sortie symétriques ("balanced"), basé sur un schéma de UA610. Ce n'est pas naturel pour moi, l'aspect "studio" : crainte de bruit de fond d'une part, gestion du symétrique d'autre part.

Bon, le symétrique, c'est un peu zarb quand on n'a pas l'habitude, mais finalement, on fout 2 transfos, et entre les deux on se retrouve en terrain connu avec des lampes, du gain, du tone stack (et parfois une contre réaction bizarre à laquelle on n'entrave que pouïc, mais ce n'est pas le sujet).

Finalement, le symétrique, ça consiste à isoler la masse et à utiliser les 2 extrémités de l'enroulement d'un transfo pour le signal épicétou, non ?

Cela fait des années que j'avais un vague projet en tête, j'avais acheté 2 transfos Lundahl (LL 1576 en entrée, LL 1680 en sortie). Après câblage du bazar et premiers tests / mesures, ça ne semble pas trop mal se passer ... sauf au niveau du transfo de sortie : ce dernier se comporte en fait comme un OT pour ampli SE : au primaire on place le B+ sur une extrémité et l'autre extrémité du primaire sur l'anode d'une 12AY7, rien de déroutant.

C'est un transfo avec un ratio 18:4, i.e. si on branche 600Ω au secondaire, on doit se retrouver avec 12kΩ et des poussières

Si on veut rester en symétrique, on utilise les 2 extrémités du secondaire comme signal + et signal - plus la masse

Alors, probable première erreur : alors que je n'oublie jamais de mettre une résistance de charge aux fesses d'un ampli, là je suis parti de l'idée que c'est du préamp donc je n'ai pas mis de résistance 600Ω avant de tester (j'aurais probablement dû ... entre signal + et signal - ?)

Bref, j'ai mesuré l'amplitude du signal un peu partout dans le préamp et j'ai fini par la sortie : j'avais 193V RMS de signal en sortie de 12AY7, et j'ai mesuré 100V sur la sortie line out + et 64 V sur la sortie line out - ; première surprise, ce n'est pas franchement symétrique. Le problème c'est : est-ce que je mesure quelque chose de significatif ? Je mesure entre line out + et masse et line out - et masse, mais cela a t il véritablement un sens ?
Les 2 signaux line out + et line out - sont en phase, je m'attendais à ce qu'ils soient hors phase (mais là encore, peut-être que je mesure n'importe quoi ...)

Et s'ils sont en phase, peut-être la "vraie" valeur à prendre en compte c'est (line+) - (line-) soit 100-64 = 36V ? (cela correspondrait pas trop mal au rapport de transformation : 36 x 18/4 = 162 V alors que je présente 193V au primaire ...)

Mais bon, même si le préamp était réglé "à donf de clean", si quelqu'un touche une broche de la XLR de sortie, il se prend 100V dans les doigts ? Gloups ...

D'après la doc du Lundhall, on peut sortir en "unbalanced" en reliant une borne de sortie à la masse (comme on le fait sur un ampli SE sur lequel on branche un HP, quoi) ; du coup, j'ai soudé un fil volant pour réaliser ce test, et le fusible du préamp a pété ...

J'ai déssoudé le transfo de son PCB et testé ce soir : on retrouve bien le rapport de transformation, les résistances DC etc. donc il semble bon

Finalement, peut-être que ça fonctionne mon bidule et je me pose trop de questions métaphysiques ? (sauf que le fusible qui pète, ça pue un peu ...)


La doc du Lundahl me semble un peu strange au niveau du câblage :
Voici la présentation des enroulements :
OT1680.png
Et voici le schéma de câblage qu'ils proposent pour une sortie 600Ω symétrique :
DocLundahl.jpg
(et pour le transformer en "unbalanced", ils placent le [7] à la masse, ce qui fait péter le fusible de mon préamp)

Voici ce que j'aurais fait (et d'ailleurs, en fils volants, c'est comme ça que j'ai testé le rapport de transformation de l'OT après l'avoir dessoudé) :
MonTestOT.jpg
(mais peut-être leur câblage permet-il de mieux équilibrer les enroulements, que sais-je ?)

Désolé pour le long post qui traduit un peu les questions que je me pose (un peu comme une poule devant un couteau) :wink:

Vous avez déjà joué avec ce type de transfo en environnement symétrique ?


(et désolé pour les 2 schémas qui suivent, je n'arrive pas à les virer du post ;-) ) :
Fichiers joints
MonTestOT.jpg
DocLundahl.jpg
Avatar du membre
Pote Gui
G5 Team
G5 Team
Messages : 4469
Enregistré le : 15 mai 2012, 11:07
Localisation : Lyon (69)

Re: Ces transfos étranges pour le symétrique ...

Message non lu par Pote Gui »

L'idée du symétrique, c'est surtout pour se débarrasser des signaux indésirables (bruit, artefacts divers, parasites de tout poil) qui viennent s'ajouter au signal durant son transport du micro à l'entrée de la table de mixage par exemple. Mais ensuite, il y a dé-symétrisation et sommation et on ne traite plus qu'un signal standard (mono quoi). Et en sortie, on symétrise à nouveau pour le transport vers autre chose (moniteur, ampli de puissance pour une face). Pour ce qui est de l'utilisation de ton transfo, tu peux regarder du côté du schéma de la Tycobrahe qui symétrise à la sortie (mais pour faire une rectification à diode). Je ne sais pas si ça t'aide mais bon...
Par contre, il y a des images qui n'apparaissent pas dans ton post.
Fichiers joints
Tycobrahe Octavia original schematic.pdf
(32.75 Kio) Téléchargé 257 fois
Avatar du membre
bilbo_moria
Don Bilbo de la Vega
Messages : 7472
Enregistré le : 15 déc. 2004, 1:00
Localisation : Tinteniac (35)

Re: Ces transfos étranges pour le symétrique ...

Message non lu par bilbo_moria »

Merci Pote Gui, j'ai réparé les images qui n'apparaissaient pas

Oui, il faut que je creuse un peu le sujet ... il y a peut-être un bug sur mon PCB qui supporte l'OT (j'ai vérifié plusieurs fois, mais au bout d'un moment, on ne voit plus rien).
Avatar du membre
Pote Gui
G5 Team
G5 Team
Messages : 4469
Enregistré le : 15 mai 2012, 11:07
Localisation : Lyon (69)

Re: Ces transfos étranges pour le symétrique ...

Message non lu par Pote Gui »

Tiens, j'ai trouvé ceci qui pourrait t'aider (peut-être)... C'est un papier de chez JacMusic dont le lien est donné par le site Lundahl. Or, on s'aperçoit que le câblage du secondaire n'a rien à voir avec la datasheet du constructeur. Troublant...
Fichiers joints
LL1680-Applications-1.pdf
(409.54 Kio) Téléchargé 242 fois
Avatar du membre
bilbo_moria
Don Bilbo de la Vega
Messages : 7472
Enregistré le : 15 déc. 2004, 1:00
Localisation : Tinteniac (35)

Re: Ces transfos étranges pour le symétrique ...

Message non lu par bilbo_moria »

Ah ah, yes, j'ai également trouvé ce doc hier soir en continuant à chercher.
Plus un autre (orienté ampli pour casque, mais pourquoi pas)
Je vais les analyser aujourd'hui, ainsi qu'une façon de le recâbler en l'air mais raccordé au préamp (un peu flippant le câblage en l'air avec 300V qui se baladent, mais bon) pour pouvoir mieux mesurer et prototyper qu'avec mon PCB (PCB pour un proto, pas forcément une bonne idée, enfin pour moi en tout cas ;-) )
Avatar du membre
warteko
G5 optimiseur
G5 optimiseur
Messages : 308
Enregistré le : 30 mars 2008, 1:00
Localisation : 68 Riedisheim

Re: Ces transfos étranges pour le symétrique ...

Message non lu par warteko »

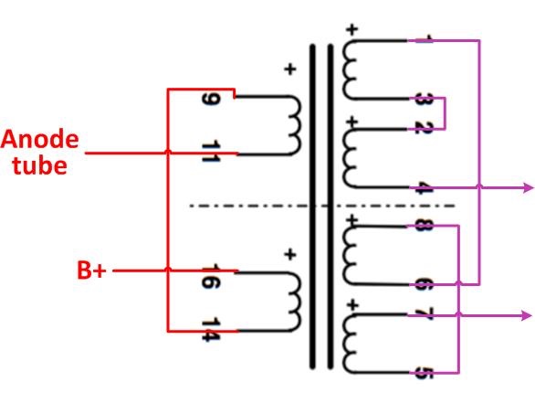
Tu aurais quand même relié 11 et 16 dans ton exemple ?
Maintenant, il y a peut être un sens (une polarité) dans les enroulements, on ne peut pas les câbler sans en tenir compte. Je pense que le signal doit se mesurer entre les extrémités de l’enroulement et non par rapport à la masse : la sortie est flottante et pour peu que ton multimètre choppe des parasites... et il me semble en effet que la sortie devrait être chargée.
Avatar du membre
bilbo_moria
Don Bilbo de la Vega
Messages : 7472
Enregistré le : 15 déc. 2004, 1:00
Localisation : Tinteniac (35)

Re: Ces transfos étranges pour le symétrique ...

Message non lu par bilbo_moria »

warteko a écrit : 07 mai 2018, 13:13 Tu aurais quand même relié 11 et 16 dans ton exemple ?
Maintenant, il y a peut être un sens (une polarité) dans les enroulements, on ne peut pas les câbler sans en tenir compte. Je pense que le signal doit se mesurer entre les extrémités de l’enroulement et non par rapport à la masse : la sortie est flottante et pour peu que ton multimètre choppe des parasites... et il me semble en effet que la sortie devrait être chargée.
Ah yes, bévue sur le dessin : effectivement, 11 et 16 reliés ensemble (c'est pas une espèce de pléonasme ça ? ;-) ), je viens de corriger le dessin

Bon, poursuite des tests ce matin :
- OT câblé un poil comme un porc sans PCB (fils entre les pinoches, quoi),
- Résistance 680Ω soudée (pour test) sur la sortie
- câblage un peu emberlificoté comme sur la doc Lundahl (ils doivent avoir leur raison, quand même ;-) )

Ca semble OK : d'une part, le rapport de transformation est conservé (env. 4.5V), d'autre part, mettre une patte du secondaire à la masse ne fait plus péter le fusible (dont la valeur a été soigneusement choisie au pif).

Bref, soit un coup de pas de bol la dernière fois, soit mon PCB qu'il aurait fallu grigritter ou un truc qui trainait et que je n'ai pas vu, soit mes compétences bien réduites dans ce domaine particulier (comme dans tant d'autres, remarque) entrainant une c*ie.

Je vais donc le réinstaller proprement dans la boîte et passer à des tests sonores.

Du coup, pour un préamp à lampes, il serait plus que conseillé de brancher une charge en sortie (idéalement l'équipement suivant) ; cela dit, selon l'impédance d'entrée dudit équipement suivant, la lampe de sortie du préamp doit potentiellement faire la tronche ... (tout un monde à découvrir pour moi)
Avatar du membre
Pote Gui
G5 Team
G5 Team
Messages : 4469
Enregistré le : 15 mai 2012, 11:07
Localisation : Lyon (69)

Re: Ces transfos étranges pour le symétrique ...

Message non lu par Pote Gui »

C'est pas un standard le 600 ohms pour l'impédance de sortie?
Avatar du membre
bilbo_moria
Don Bilbo de la Vega
Messages : 7472
Enregistré le : 15 déc. 2004, 1:00
Localisation : Tinteniac (35)

Re: Ces transfos étranges pour le symétrique ...

Message non lu par bilbo_moria »

Je pense qu'il s'agit de l'impédance d'entrée du bidule qui suit le préamp ...
Avatar du membre
bilbo_moria
Don Bilbo de la Vega
Messages : 7472
Enregistré le : 15 déc. 2004, 1:00
Localisation : Tinteniac (35)

Re: Ces transfos étranges pour le symétrique ...

Message non lu par bilbo_moria »

Je pense qu'il s'agit de l'impédance d'entrée du bidule qui suit le préamp ...


EDIT : bon, je viens de terminer le bidule, ça fonctionne pas mal du tout ce machin. Je vais le passer à un pote qui utilise du matos studio pour avoir son avis, si ça vaut le coup ou si ça sonne comme une bouse ;-)
Avatar du membre
a-wai
G5 guru
G5 guru
Messages : 2723
Enregistré le : 23 sept. 2006, 2:00
Localisation : Toulouse
Contact :

Re: Ces transfos étranges pour le symétrique ...

Message non lu par a-wai »

Pour les 600Ω, c'est "traditionnellement" à la fois l'impédance de sortie de l'équipement et l'impédance d'entrée du suivant : historiquement, pour les équipements de studio, on travaillait avec une adaptation d'impédance en puissance, et il n'était pas rare de voir une résistance de 300Ω sur chaque branche du signal de sortie.
Répondre