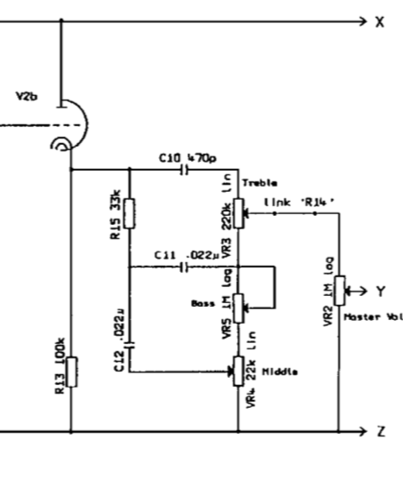
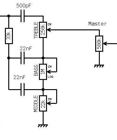
Et donc, tests au géné BF et à l'oscillo + Duncan TSC : ben oui, pourtant ça bouge à l'oscillo ; j'ai testé la capa de 500pF et les 2 de 22nF: elles sont bonnes. Puis je me suis souvenu que j'utilise ce TS sur 2 autres amplis (dont un que j'ai à l'atelier, l'autre est en vadrouille ...) : idem : dans un sens ou dans l'autre, le potard des aigus, j'aurais pu l'économiser (heu ... j'utilise cet ampli depuis 2 ans régulièrement, je n'avais pas vraiment remarqué ça
Et donc, mon sang n'a fait qu'un tour : j'ai allumé mon 2203 et là, c'est pas énorme, mais on sent quand même nettement l'action du potard d'aigus !
Etrange, non ?
Alors, je vois 3 explications :
1/ Je me suis gaufré sur le câblage sur mes amplis ... oui mais j'ai encore vérifié 15 fois, j'vous jure Mr le Juge, c'est pareil !
2/ Les pots Alpha que j'utilise ne sont pas équivalents au Marshaux (constaté par rapport au potards CTS Fender, mais là c'est du linéaire pour l'aigu donc bof ...)
3/ Les Marshaux sont pétés de bright cap et treble bleed avant le TS (peut-être même un peu trop), du coup les aigus passent bien et sont plus susceptibles d'être influencés par l'action du potard d'aigu. Sur les 2 modèles que j'ai sous la main de mes amplis, j'ai viré ces bright cap et treble bleed, perso j'aime bien mais on me dit souvent que mes amplis sonnent trop aigus ... Il me semble que le pot d'aigus joue sur les 10kHz, s'il n'y a pas de signal à cette fréquence ben on n'entend pas trop l'effet du pot d'aigus (je peux me gourer)
J'ai donc prêté une oreille très attentive à mon proto pour un nouveau test et c'est vrai qu'entre le potard à 0 et le potard au max, on sent vaguement une différence (le vrai réglage des aigus vient plutôt du pot de présence)
Avez-vous déjà constaté ça ?
Demain, j'ajoute un bon gros bright cap pour valider mon hypothèse n° 3/


