Nouveau projet typé fender de Otiss

Dirigé par G5team
Ampli 10W, 12AX7, SE EL34
Otiss
G5 bidouilleur
G5 bidouilleur
Messages : 24
Enregistré le : 29 oct. 2012, 8:52

Re: Nouveau projet typé fender de Otiss

Message non lu par Otiss »

blacksnake a écrit :
Otiss a écrit :Concernant le bias reglable, j’ai quelques interrogations :
Je pense le mettre sur une plaque à cosse. J’envisage de l’installer sur la même plaque que le module préampli/ampli, du coté de la resistance R20. Pas de risque de bruit parasite ? La connection à la cathode remplace un des pôles de la résistance R20. L’autre pôle de cette même resistance est t’il remplacé par ce qui correspond à la masse du PCB?
Si il faut séparer ce module du module préampli, faut t’il le localiser près du transfo d’alim ou près du transfo de sortie, ou cela n’a pas d’importance ?
Concernant les pontages sur les plaque à cosse, que faut t’il utiliser : du fil de cuivre monobrin convient t’il ?
Merçi pour ces premières réponses.
Ca risque d'être galère à mettre sur une plaque à cosse, le plus simple serait de le mettre sur une plaque à pastille qui sera fixée au chassis à l'aide d'une ou deux entretoise. Je pense que le mieux serait de le mettre près du transfo d'alimentation pour éviter de perturber l'OT.

Le fil de cuivre monobrin, j'ai pas trop confiance en la soudure ... l'idéal c'est le multibrin.

J'ai remarqué que l'on peut faire pivoter les cosses et les amener à la bonne distance pour les fiches du transistor...Pour des questions pratiques, je pensais que mettre le biais règlable à la suite du module préamp/amp, ça serait pas mal. Tu n'as pas répondu directement à la question, mais j'en deduis quand même que ça ne te parait pas une bonne idée...
Pour la deuxième connection du biais, qu'en est t'il?
blacksnake
G5 Team
G5 Team
Messages : 665
Enregistré le : 15 déc. 2004, 1:00
Localisation : Dans un ampli
Contact :

Re: Nouveau projet typé fender de Otiss

Message non lu par blacksnake »

Sur le trimer il y a une patte qui n'est pas connectée si c'est ça la question.

http://egraffin.free.fr/g5/G5_Snake_-_V2d.pdf
Otiss
G5 bidouilleur
G5 bidouilleur
Messages : 24
Enregistré le : 29 oct. 2012, 8:52

Re: Nouveau projet typé fender de Otiss

Message non lu par Otiss »

Non, ça n'est pas la question.
Le biais vient à la place de la resistance R20. Si je me base sur le lay out du biais reglable, j'ai bien un départ vers la cathode (=un pole de R20). Qu'est ce qui remplace le deuxième pôle de R20 : la masse du PCB ?
blacksnake
G5 Team
G5 Team
Messages : 665
Enregistré le : 15 déc. 2004, 1:00
Localisation : Dans un ampli
Contact :

Re: Nouveau projet typé fender de Otiss

Message non lu par blacksnake »

Le module bias remplace R20 (schéma G5 V3). Il faudra rajouter une résistance de 1 Ohm entre l'autre borne et la masse.
Otiss
G5 bidouilleur
G5 bidouilleur
Messages : 24
Enregistré le : 29 oct. 2012, 8:52

Re: Nouveau projet typé fender de Otiss

Message non lu par Otiss »

Bonjour,
La fabrication suit son cours…
Quelques questions à vous poser :
Les fils de sortie du transfo d’alim sont reperés en 0V-6,3V et 0V-325V. Sur le schema de l’ampli, je ne vois pas de polarité. Est ce que je peux brancher ces fils de manière indifférente?
Le courant de chauffage des lampes est bien branché sur les bornes 4 et 9 de la 12AX et 2 et 7 de l’EL ?
Le fil de préchauffage de la 12 AX passe à proximité de la plaque d’ampli : est ce un problème ? Si oui, il faut que je les fassent passer près de la ligne des potentiometres....
J'essaye de mettre une photo de mon montage de biais reglable, mais ça ne marche pas, bien qu'elle fasse moins de 256 K. Une raison?
Merçi de vos réponses.
Avatar du membre
roffli
G5 guru
G5 guru
Messages : 571
Enregistré le : 29 nov. 2007, 1:00
Localisation : Strasbourg

Re: Nouveau projet typé fender de Otiss

Message non lu par roffli »

Otiss a écrit :Les fils de sortie du transfo d’alim sont reperés en 0V-6,3V et 0V-325V. Sur le schema de l’ampli, je ne vois pas de polarité. Est ce que je peux brancher ces fils de manière indifférente?
oui, c'est de l'alternatif
Le courant de chauffage des lampes est bien branché sur les bornes 4 et 9 de la 12AX et 2 et 7 de l’EL ?
pour l'EL34 oui
pour la 12AX7 non. C'est 4 et 5 en parallèle sur un des fils 6,3V, et 9 sur l'autre.
Le fil de préchauffage de la 12 AX passe à proximité de la plaque d’ampli : est ce un problème ? Si oui, il faut que je les fassent passer près de la ligne des potentiometres....
ou entre, par exemple en utilisant la 3ème dimension.
J'essaye de mettre une photo de mon montage de biais reglable, mais ça ne marche pas, bien qu'elle fasse moins de 256 K.
Euh là, je crois qu'il va te falloir donnet plus de détails. Photos, symptômes précis, tests effectués, résultats...
Lentrefer est gavé de bonnes vibrations
Otiss
G5 bidouilleur
G5 bidouilleur
Messages : 24
Enregistré le : 29 oct. 2012, 8:52

Re: Nouveau projet typé fender de Otiss

Message non lu par Otiss »

Merçi des réponses

J'essaye de mettre une photo de mon montage de biais reglable, mais ça ne marche pas, bien qu'elle fasse moins de 256 K.
Euh là, je crois qu'il va te falloir donnet plus de détails. Photos, symptômes précis, tests effectués, résultats...[/quote]

J'ai essayé de mettre une photo sur mon message precedant pour montrer mon montage du biais reglable et avoir une validation. La réponse du site est la suivante : "La taille de l’image doit mesurer moins de 0 pixels de large et 0 pixels de haut et plus de 800 pixels de large et 600 pixels de haut. L’image que vous avez envoyée mesure 2432 pixels de large et 3648 pixels de haut." Je comprends pas...La réponse d'avant me disait " la photo doit faire moins de 256 Ko", ce qui était le cas...

J'ai par ailleurs une autre question : je n'ai pas de résistance de 1 ohm (oubli de commande) pour relier les bornes des fiches bananes, mais j'en ai trouvé une sur une carte que je mesure à 1,5 - 2 ohms : est ce que ça change beaucoup? J'ai vu une formule, mais je ne sais plus où, que tout le monde doit connaitre, sauf moi, qui dit quelque chose comme : I=U*R, ou inversement....ou alors, je me fiche de cette petite variation de la résitance?
Merçi.

EDIT ADMIN : Compilation des messages

Bonjour,
Le montage est maintenant terminé. J’ai laissé R20, dans l’attente du biais reglable, dont je souhaiterais vous montrer un photo, pour validation, mais que je n’arrive pas à mettre sur le site (je n’ai pas eu de réponse à ma dernière salve de question, concernant en particulier ce problème).
J’ai également mis un potentiometre de volume, à la place de R17 : les 2 bornes latérales du potentiometre de 1M sont reliées à C6 et la masse, la borne centrale est reliée à R18 : correct ? J’ai vu dans le forum, qu’un constructeur avait laissé R17 et mis le potar après R17 et avant R18. Quelque chose que j’aurais mal interpreté? J’ai également lu dans un livre (j’essaye de me documenter…”amplificateurs pour guitare et Hi Fi” G. Dutheil) qu’il fallait mettre un deuxieme condensateur de 22nF après le potard (potard pris en “sandwich” entre les 2 condensateurs, car :”sans eux, le potentiometre reglé au minimum court-circuiterait à la masse la tension de polarisation de la grille du tube de sortie”. R18 rempli ce même rôle? Qu’en pensez vous?
Dans les variantes, j’ai également mis un selecteur d’impedance au transformateur de sortie, et un rotocontacteur au jack de HP, ainsi qu’une résistance de fuite pour proteger le transfo de sortie.
J’ai branché l’ampli, qui s’est gentiment allumé, sans faire de fumée. J’ai fait les mesures de tension préconnisée : les tensions à vide sont plus basses que prévues, mais se corrigent aves les tubes. Je joins le tableau de mesure que j’ai effectué. Je constate que l’ampérage mesuré aux bornes de R19 est carrement plus faible (27 au lieu de 85) que celui attendu… Concernant le son de l’ampli : gros parasites à haute fréquence…très majorés quand je tourne les potar du tone stack, du 0 vers le 10. J’ai repris tout le cablage du tone stack, que j’ai blindé partout où je pouvais, j’ai enlevé la boucle d’effet, qui, d’après ce que j’ai lu, peut être une source de parasites, enlevé le sweep (des fils en moins…). Il y a de l’amélioration, mais l’ampli n’est pas encore prêt pour la scène…Je vous joins un fichier son où vous pourrez entendre successivement : volume à fond, sans guitare branchée : bruit assez sourd, “supportable”. Puis guitare branchée, volume à 2-3, car après, c’est insupportable, des parasites à plus haute fréquence…enfin, je ramene les potards du tone stack à O. Est ce que les parasites que vous entendez vous incitent à chercher quelque part en particulier???
Merçi de toute l’aide que vous pourrez me donner…

PS : je n'arrives à mettre ni .PDF, ni .MP3, ni .AIF...comment faire pour importer ces formats?
Avatar du membre
McColson
Admin du site
Admin du site
Messages : 8045
Enregistré le : 07 nov. 2004, 1:00
Localisation : La Celle sur Morin
Contact :

Re: Nouveau projet typé fender de Otiss

Message non lu par McColson »

Sujet remis en conformité, pour la fonction 'EDITER UN MESSAGE' il suffit de cliquer sur le crayon en haut à droite de ton message.
Merci de respecter cela. Pour t’entraîner à utiliser la fonction tu peux faire des tests ici :
viewtopic.php?f=2&t=2084&hilit=editer+ses+messages
Avatar du membre
Pote Gui
G5 Team
G5 Team
Messages : 4469
Enregistré le : 15 mai 2012, 11:07
Localisation : Lyon (69)

Re: Nouveau projet typé fender de Otiss

Message non lu par Pote Gui »

Normalement, le format pdf passe. Essaye de le convertir en .doc à tout hasard. Pour le mp3, il faut héberger ton son sur un cloud, c'est mieux. Ensuite, mets-nous des photos de ton montage, car les phénomènes d'oscillations proviennent pour beaucoup du câblage. Pour les photos, tu passes par un hébergeur externe (Hostpic, etc...).
Enfin, soit j'ai mal lu (ou trop vite) soit tu n'as pas posté de schéma de ton montage. Ça peut aider...
Otiss
G5 bidouilleur
G5 bidouilleur
Messages : 24
Enregistré le : 29 oct. 2012, 8:52

Re: Nouveau projet typé fender de Otiss

Message non lu par Otiss »

Bonjour,
depuis 2013, date de mon dernier message, le projet a un peu avancé.
ampli otiss.jpg
L'ampli marche bien. Par rapport au schéma de base, j'ai enlevé l'entrée "low", ajouté un potentiometre "master" (qui ne me sert jamais...), ajouté un biais reglable.
Le schéma de mon ampli.
schema ampli otiss.pdf
(260.85 Kio) Téléchargé 316 fois
J'ai envie de l'ameliorer : je souhaite ajouter une reverb, et une boucle d'effet active à la place de la boucle passive, pour y placer ma pédale multi effet et pouvoir la « debrayer ». Ces 2 ajouts seront switchables.
Pour ça, je souhaite acheter 3 kits chez tube town, qui me permettront de faire cette évolution sans douleur, j'espère...Ca n'est pas très "DIY", je sais, mais ça me semble plus simple et rapide vu mon niveau de competence et le temps dont je dispose.
Ma proposition de modification :
ampli otiss modif.jpg
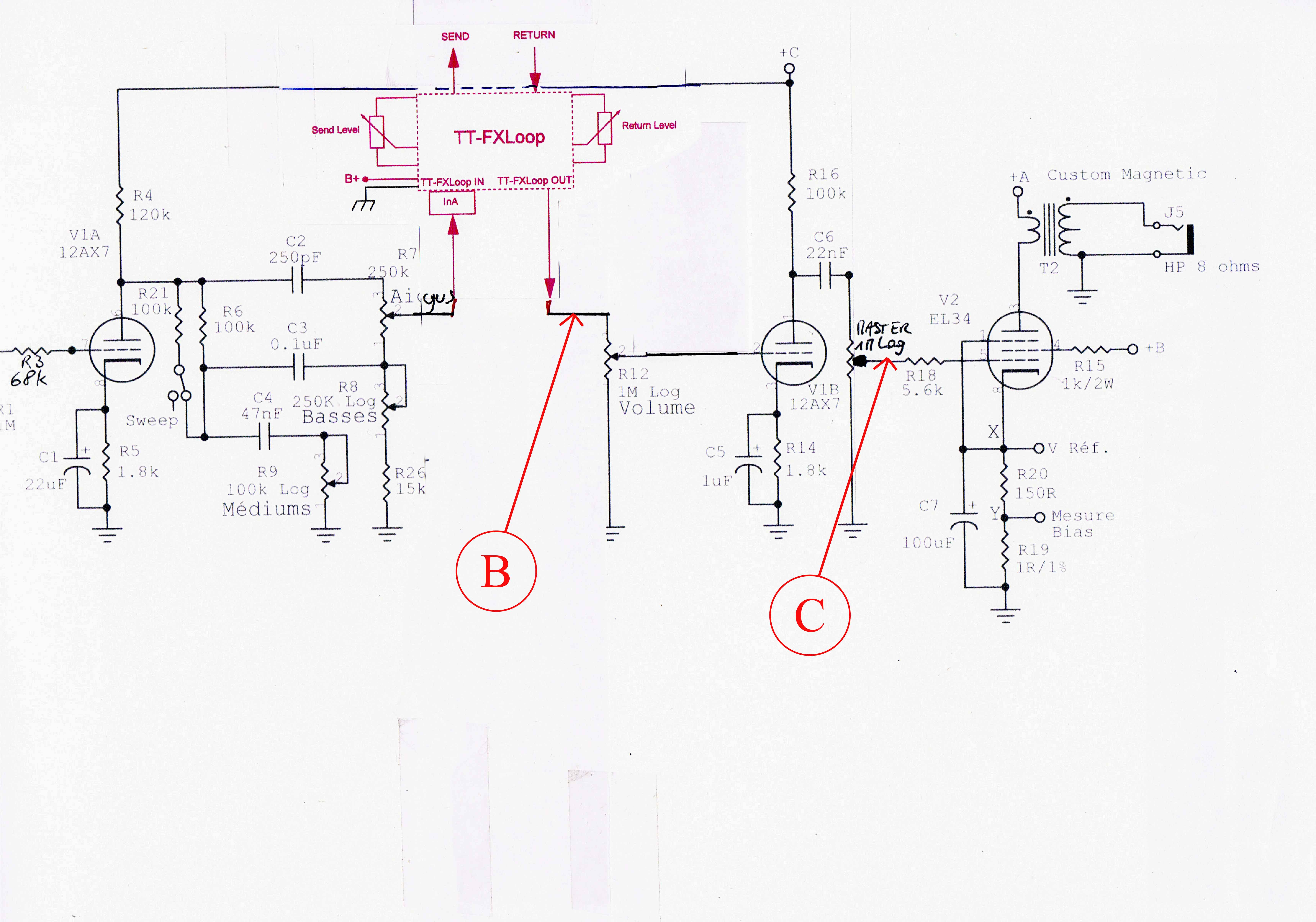
Je pensais inserer la boucle juste avant le potentiometre de volume. Le kit possede 2 entrees selon le niveau de signal (en Vpp) : comment et où je mesure ce niveau ?
Voilà le schéma proposé par TT.
fxloop.pdf
(270.78 Kio) Téléchargé 324 fois
Pour la reverb (à transistor..), je pensais la mettre juste après la boucle (en B sur mon schéma), mais j’ai vu sur certains schémas de constructeurs de G5, qu’elle est placé en C : que faire ? D'ailleurs, pourquoi la mettre derriere le volume ?
Voilà le schéma proposé par TT.
fxloop.pdf
(270.78 Kio) Téléchargé 324 fois
Comme je l’ai dit precedement, ces deux modules sont switchables.
Question subsidiaire. Comment règle t’on les niveaux sur une boucle active ? Voilà comme j’imagine la chose : je regle le niveau input de manière à ce que le pédalier ne sature pas à l’entrée (mon pédalier a la gentillesse d’être équipé d’un led de saturation ), puis je règle le niveau output de manière à ce que le niveau sonore en sortie de haut parleur soit égal, effet enclenché ou non ? Est ce que c’est la bonne méthode ?
Merçi de votre contribution.
Fichiers joints
reverb.pdf
(323.36 Kio) Téléchargé 306 fois
Avatar du membre
McColson
Admin du site
Admin du site
Messages : 8045
Enregistré le : 07 nov. 2004, 1:00
Localisation : La Celle sur Morin
Contact :

Re: Nouveau projet typé fender de Otiss

Message non lu par McColson »

Perso je tenterais de mettre les deux modules en série au point B : FXLOOP suivi de la REVERBE juste avant le potar de volume.
Pour les niveaux oui tu peux procéder ainsi. Pour la mesure du niveau de signal, tu mesure à l'entrée du module que tu connectera donc au point B, avec un oscillo, tu pourra mesurer Vpp. Au pire tu testes, l'un risque de saturer, pas l'autre, tu prends celui qui te convient ;-)
Otiss
G5 bidouilleur
G5 bidouilleur
Messages : 24
Enregistré le : 29 oct. 2012, 8:52

Re: Nouveau projet typé fender de Otiss

Message non lu par Otiss »

Merçi de ta réponse.
McColson a écrit : Pour la mesure du niveau de signal, tu mesure à l'entrée du module que tu connectera donc au point B, avec un oscillo, tu pourra mesurer Vpp. Au pire tu testes, l'un risque de saturer, pas l'autre, tu prends celui qui te convient ;-)
N'ayant pas d'oscillo, je vais être obligé de le faire à l'intuition...Sur la fiche technique, ils mentionnent : entrée A, signal maximum 65 Vpp, entrée B signal maximum 20 Vpp. Si ça dépasse, je risque de cramer le module ? Ce sont des volt, milli V? Qu'est ce qu'on peut attendre théoriquement comme tension sur un G5, à la sortie du tone stack ?
Par ailleurs, est ce que quelqu'un à une experience de ces modules (boucle active et reverbe à transistor) de chez Tube Tone ?
Avatar du membre
McColson
Admin du site
Admin du site
Messages : 8045
Enregistré le : 07 nov. 2004, 1:00
Localisation : La Celle sur Morin
Contact :

Re: Nouveau projet typé fender de Otiss

Message non lu par McColson »

Vpp : Volts peak to peak soit en français Volts crête à crête.
Sur le G5, le tone stack passif atténue pas mal le son, à mon avis l'entrée 20Vpp devrait convenir.
Au pire tu testes l'entrée A et si ça ne te satisfait pas, tu tentes la B en montant progressivement le potar d'entrée. A mon avis tu risques pas grand chose à part une détérioration du son.
Je n'ai pas eu l'occasion de tester ces kits personnellement.
Avatar du membre
bilbo_moria
Don Bilbo de la Vega
Messages : 7474
Enregistré le : 15 déc. 2004, 1:00
Localisation : Tinteniac (35)

Re: Nouveau projet typé fender de Otiss

Message non lu par bilbo_moria »

J'ai testé la boucle, ça fonctionne bien. Tu peux même tenter de faire saturer V1B en "poussant" le potard Return de la boucle (puisque tu as un master après V1B), c'est sympa.

Je n'ai pas testé la reverb.
Otiss
G5 bidouilleur
G5 bidouilleur
Messages : 24
Enregistré le : 29 oct. 2012, 8:52

Re: Nouveau projet typé fender de Otiss

Message non lu par Otiss »

Bonjour,
Je n'ai pas eu de réponse à ce message. Je me permet donc de reposer mes questions .J'espère que quelqu'un pourra m'aider.
Merçi d'avance.

Bon, je repars sur quelques questions.
Avant tout, une vue générale de l'intérieur de l'ampli :
vue générale.jpg
Ca fait bordel, mais, curieusement, il n'y as pas de buzz....J'ai dû respecter les règles essentielles.
Une vue du biais réglable :
module biais.jpg
Ma première question concerne le biais réglable : est ce que je peux relocaliser le potentiometre de reglage, ainsi que la petite plaque à cosse à droite de la plaque d'alimentation ? Autrement dit, est ce que ce module est sensible aux interférences ? Le but est de dégager le centre du chassis pour y acceuillir la plaque de la reverbe.
Ma deuxieme question concerne la position de L'OT de la reverbe.
position du transfo.jpg
Est ce que je peux le placer sous mon pouce...coté alim ?
Merçi de vos réponses
Répondre