un preamp à lampe pour basse

Les bassistes ont des attentes particulières en matières de son, ce forum est là pour eux.
Avatar du membre
Lemontheo
G5 Team
G5 Team
Messages : 1814
Enregistré le : 21 janv. 2011, 1:00
Localisation : Rouen
Contact :

Re: un petit combo à lampe pour basse

Message non lu par Lemontheo »

Tu peux aller vers ça alors > http://www.ebay.com/itm/KIT-IRS2092-IRF ... 3380b43c05

C'est comme un kit Technniguitare, sauf que c'est un ampli de 250w :twisted:

Théophile
Avatar du membre
hotamp
Messie MI60
Messages : 843
Enregistré le : 25 sept. 2006, 2:00
Localisation : perigueux
Contact :

Re: un petit combo à lampe pour basse

Message non lu par hotamp »

tiens jette un oeil la dessus !

http://www.gaedtke.name/verstaerker/hyb ... t-der-6n3p

meme principe que le SVT III en moins puissant !
franfranky
G5 optimiseur
G5 optimiseur
Messages : 369
Enregistré le : 09 déc. 2013, 11:40

Re: un petit combo à lampe pour basse

Message non lu par franfranky »

tien, une idée me vient: étant donné que j'ai déja un bon ampli de puissance (le quad de 6CA7 de mon DR103), serait il envisageable de faire une préamp reprenant le schéma du B15 (un pourquoi pas un double canaux B15/Bassman) et de modifier ma tête d'ampli (DR103) pour pouvoir réinjecter le signal avant la lampe de drive ( entre le potard d'aigus de master donc)?

Comme ça je conserve mes 100w tout lampes mais je peux profiter de différent preamp.
je vois un peu le concept comme ceci: http://www.juleamps.com/bass/monique.html
Avatar du membre
bilbo_moria
Don Bilbo de la Vega
Messages : 7488
Enregistré le : 15 déc. 2004, 1:00
Localisation : Tinteniac (35)

Re: un petit combo à lampe pour basse

Message non lu par bilbo_moria »

Ouaip, pourquoi pas ! (sauf que partir d’un projet petit combo pas lourd pour arriver à un préamp + un DR103 + un cab de basse ... :D )

BTW, as-tu essayé de jouer la basse directement dans le DR103 ?
franfranky
G5 optimiseur
G5 optimiseur
Messages : 369
Enregistré le : 09 déc. 2013, 11:40

Re: un petit combo à lampe pour basse

Message non lu par franfranky »

bien entendu! je l'ai construit pour ça!

ben en fait l'idée du modulaire me plait pas mal:
- un preamp tout lampes basé sur l'ampeg B15 et le bassman pour deux sonorités différentes.
- un ampli de puissance derrière (à lampe ou à transistor, pourquoi pas un format pédale style EH 44 Magnum couplé à un petit baffle)

l'avantage c'est que ça me parait assez souple niveau config et utilisation.

le projet pourrait être pas trop chère et assez ludique:
- le petit transfo qui va bien pour driver deux tubes de preamp :https://www.tube-town.net/ttstore/produ ... -7-VA.html
- une petite sortie XLR aussi: https://www.tube-town.net/ttstore/produ ... R-110.html

y'aurais moyen de reproduire les deux canaux du B15 NF et NC (1966 et 1964)

Bon j'ai un peu avancé.
Je viens de finir le layout du preamp du B15NC, il me reste à faire le plan de l'alimentation pour avoir mes 175v et 110V en courant d'anode avec le transfo 7VA de chez TT. Si vous avez des conseil la dessus par rapport au schéma original je suis preneur!

j'ai uniquement conservé l'entré basse (J2) du canal n°1, au pire je câblerais une deuxième entrée en remplaçant la 5,6M par une résistance plus faible pour faire 'active/passive'.

Des idées sinon pour une sortie XLR 'line out'?

Pour le deuxième préamp je réfléchis:
- bassman: oui mais lequel?
- ampeg B15NF (tone stack après le deuxième étage de préamp): la différence sera t'elle si flagrante entre les deux canaux? pas sûr...
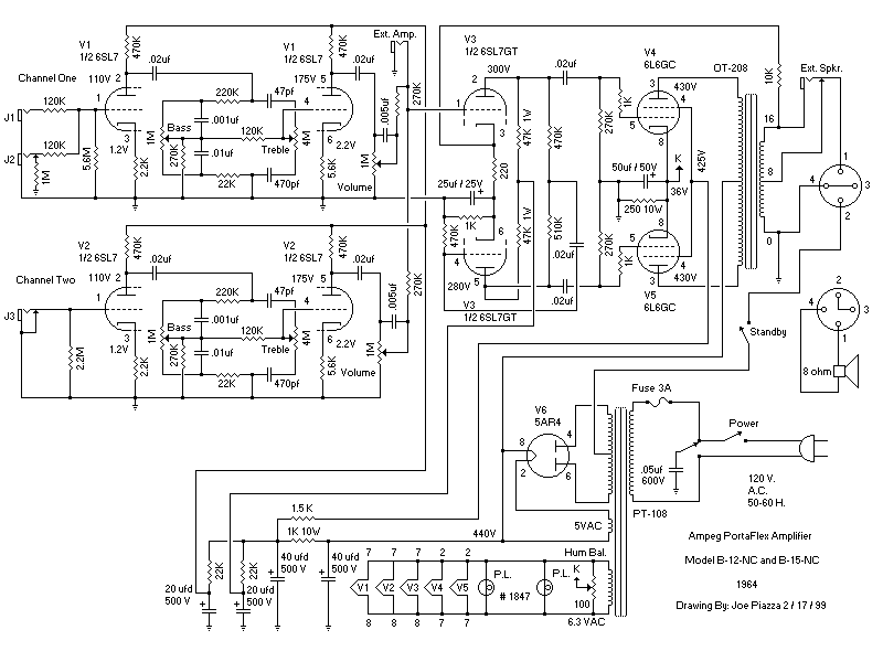
Fichiers joints
schema original du B15NC
schema original du B15NC
ampeg B15 nC preamp.pdf
layout du preamp B15NC sans la partie alimentation
(32.84 Kio) Téléchargé 409 fois
Modifié en dernier par franfranky le 29 mars 2014, 17:24, modifié 1 fois.
Avatar du membre
Lemontheo
G5 Team
G5 Team
Messages : 1814
Enregistré le : 21 janv. 2011, 1:00
Localisation : Rouen
Contact :

Re: un petit combo à lampe pour basse

Message non lu par Lemontheo »

Juste pour préciser que le EH 44 magnum fonctionne à base de TPA3106D1, puce de chez Texas instrument que j'ai déjà citée....

Théophile
franfranky
G5 optimiseur
G5 optimiseur
Messages : 369
Enregistré le : 09 déc. 2013, 11:40

Re: un petit combo à lampe pour basse

Message non lu par franfranky »

pour la partie ampli de puissance je laisse ça en attente pour le moment (réflexion....).

J'avance sur l'alim du preamp mais je rencontre quelques "problèmes".
tout d'abords mes hypothèses:
- consommation de 2 lampes de preamp (je n'ai pas encore bien saisi le principe pour calculer la conso d'une 6SL7): courrant d'anode d'une triode de 6SL7 sous 250V : 2,3mA
donc pour deux lampes: 2,3 mA x 4 triodes = 9,2 mA
- courrant d'alimentation du preamp: j'ai un transfo avec un secondaire qui fait du 200V, après redressement (de manière totalement empirique) disons 250v (corrigez moi si je dis des bétises).
- fréquence de mon courrant redressé: 100 hz
je calcule mon condensateur de filtrage selon la formule suivante:

C=t x I / U

t= 0,01 secondes
I = 0,0092 ampères
U= 250 volts

0,01x0,0092/250=0,00000037 F = 0,37 uF

ça me parait un peu faible pour un condensateur de filtrage non?
Avatar du membre
vitriol82
G5 Team
G5 Team
Messages : 7086
Enregistré le : 25 août 2005, 2:00
Contact :

Re: un petit combo à lampe pour basse

Message non lu par vitriol82 »

La réflexion est bonne sur la conso des tubes, c'est ensuite que ça se gâte car il faut estimer
- le taux de régulation du transfo
- le taux d'ondulation final que tu veux obtenir

En gros avec un TT30 et ses 30% de régulation à l'époque où je les avais testé, compte plutôt dans les 280/290Vdc en charge.
Pour le filtrage, sur le Quattro, j'ai mis 3 cellules RC avec des capas de 47µ et régulation par zener à 300V
Si tu veux voir des bleus gagner, regardes Avatar :-)
franfranky
G5 optimiseur
G5 optimiseur
Messages : 369
Enregistré le : 09 déc. 2013, 11:40

Re: un petit combo à lampe pour basse

Message non lu par franfranky »

en fait je omptais plutot utiliser le TT 7VA (15 mA en HT c'est largement suffisant pour mon projet je pense).
pour le taux d'odulation, bonne question! j'ai pas vraiment de notion précise (je suppose que plus le taux est faible mieux c'est)
pas d'info sur le taux de régulation du transfo non plus
Avatar du membre
vitriol82
G5 Team
G5 Team
Messages : 7086
Enregistré le : 25 août 2005, 2:00
Contact :

Re: un petit combo à lampe pour basse

Message non lu par vitriol82 »

15 mAac pour 10 mAdc, le rapport est maigre, pour bien faire il faut au moins un coef 3
Si tu veux voir des bleus gagner, regardes Avatar :-)
franfranky
G5 optimiseur
G5 optimiseur
Messages : 369
Enregistré le : 09 déc. 2013, 11:40

Re: un petit combo à lampe pour basse

Message non lu par franfranky »

ok donc le 7VA irait bien pour un tube mais pas plus?
du coup faut il aussi un coef 3 sur le chauffage?

- le TT30 permettrait donc de faire 2 canaux de 6SL7 avec une redresseuse en plus (EZ81)
- le TT7 se limiterais à un canaux de 6SL7 et un pont redresseur à diode.
Avatar du membre
vitriol82
G5 Team
G5 Team
Messages : 7086
Enregistré le : 25 août 2005, 2:00
Contact :

Re: un petit combo à lampe pour basse

Message non lu par vitriol82 »

Impossible de mettre de rectifieuse sur le TT30, ce n'est pas un PM et en plus aucun intérêt.
https://www.tube-town.net/ttstore/produ ... -30VA.html

Pas de coef à mettre sur le chauffage, utilisé en AC direct.

Par contre je ne trouve pas de TT7 chez Dirk :roll:
Si tu veux voir des bleus gagner, regardes Avatar :-)
franfranky
G5 optimiseur
G5 optimiseur
Messages : 369
Enregistré le : 09 déc. 2013, 11:40

Re: un petit combo à lampe pour basse

Message non lu par franfranky »

en fait je parlais de celui ci: https://www.tube-town.net/ttstore/produ ... -7-VA.html
pour 10 euros ça donne envis de s'amuser!
Avatar du membre
vitriol82
G5 Team
G5 Team
Messages : 7086
Enregistré le : 25 août 2005, 2:00
Contact :

Re: un petit combo à lampe pour basse

Message non lu par vitriol82 »

Ok mais avec une implantation sur pcb, ça marchera mais il faudra contrôler son échauffement et de surcroit son rayonnement
Si tu veux voir des bleus gagner, regardes Avatar :-)
franfranky
G5 optimiseur
G5 optimiseur
Messages : 369
Enregistré le : 09 déc. 2013, 11:40

Re: un petit combo à lampe pour basse

Message non lu par franfranky »

Pour le redressement je pensais à un bête pont de graetz avec un filtrage condo + résistances derrière.

du coup j'ai trois choix de transfo:
- le petit 7VA classique de chez TT: pas chère, léger mais pas pratique à cabler et fixer il me semble. Je ne sais pas non plus si les spec sont top (un commentaire dit que le 6.3V sort du 7,1...)
https://www.tube-town.net/ttstore/produ ... -7-VA.html
-le 30VA classique: plus chère (33€) mais certainement plus sérieux et largement dimensionné pour mon projet (2x6sl7)
https://www.tube-town.net/ttstore/produ ... -30VA.html
-le 30VA torique: moins chère que le classique, par contre je ne maitrise pas trop les inconvénients du torique (fixation? rayonnement?...)
https://www.tube-town.net/ttstore/produ ... -30VA.html

ensuite pour une sortie 'line out', pour se brancher sur une table de mixage par exemple (repicage dans la sono), faut il prévoir un petit transfo pour convertir et isoler le signal? ceci par exemple:
https://www.tube-town.net/ttstore/produ ... B-110.html
https://www.tube-town.net/ttstore/produ ... R-110.html
Répondre