le power scaling, une autre méthode d'atténuation, des avis?
- McColson
- Admin du site

- Messages : 8068
- Enregistré le : 07 nov. 2004, 1:00
- Localisation : La Celle sur Morin
- Contact :
Re: le power scaling, une autre méthode d'atténuation, des avis?
Cool merci A-wai !
Re: le power scaling, une autre méthode d'atténuation, des avis?
Merki A-Wai, Euhhhh tu caches encore combien de coups comme ça?
Rappelle-toi de vivre et n'oublie pas d'aimer. Julia F.K. (Squeezers)
Re: le power scaling, une autre méthode d'atténuation, des avis?
Ben vrai. Et moi qui ne savais même pas que ça existait. Tout y est là-dedans, on peut fermer le forum
Vous avez remarqué, dans la liste des fabricants du tome 1, il n'est pas mentionné Vox
Vous avez remarqué, dans la liste des fabricants du tome 1, il n'est pas mentionné Vox
jptrol
______________________________________________
______________________________________________
- bilbo_moria
- Don Bilbo de la Vega
- Messages : 7492
- Enregistré le : 15 déc. 2004, 1:00
- Localisation : Tinteniac (35)
Re: le power scaling, une autre méthode d'atténuation, des avis?
Merci, jp !jptrol a écrit : 06 janv. 2018, 12:32 Oui Bilbo, c'est tout à fait ça. J'ai édité mon message ici en reprenant le plan : il y a effectivement un système de tracking du fixed bias qui marche parfaitement. Tu peux télécharger le plan en grand format. (Les deux LED rouge et verte ne jouent pas de rôle dans le fixed bias tracker ! Ce sont juste les témoins de la position du switch CLEAN/OVERDRIVE)
(et merci à A-wai, évidemment ! je suis rentré à temps pour télécharger !)
Re: le power scaling, une autre méthode d'atténuation, des avis?
Je déterre un poil le sujet pour avoir une précision sur le rôle de la résistance en série avec la source (celle de 47R). J'ai bien saisi son rôle de limitation du courant, mais je m'interroge sur pourquoi limiter le courant à de si faibles valeurs alors que le mosfet peut sortir plusieurs ampères moyennant un bon dissipateur bien entendu? Si la réponse est : protéger le mosfet alors je ne comprends pas. Car en effet, lorsqu'on arrive à la limite de courant déterminée par la résistance, Vs est clampée par la tension de la zéner. Si la tension d'entrée en Vd continue d'augmenter, alors Vds augmente aussi ce qui a pour effet d'augmenter Pd et d'amener à cramer le mosfet.
Si au contraire, on ne met pas de résistance, alors Rds(on) étant par nature très faible (1R5 pour un BUZ90), on peut imaginer utiliser pleinement les capacités en courant du mosfet sans risque d'échauffement. Par ailleurs, Vdsmax étant aussi très élevée (600V pour le BUZ90), et considérant que cette tension ne serait atteinte que dans le cas de figure où l'ampli serait complètement "éteint" et disposerait d'une alimentation ayant la capacité de sortir 600V, on serait plutôt tranquille sans cette résistance, non?
J'ajoute que l'on pourrait aussi jouer avec la valeur de la zéner; un BUZ90 admet +/-20V max pour Vgs. Une zéner de 18V permettrait d'atteindre près de 300mA de conso tout en protégeant le mosfet.
Si au contraire, on ne met pas de résistance, alors Rds(on) étant par nature très faible (1R5 pour un BUZ90), on peut imaginer utiliser pleinement les capacités en courant du mosfet sans risque d'échauffement. Par ailleurs, Vdsmax étant aussi très élevée (600V pour le BUZ90), et considérant que cette tension ne serait atteinte que dans le cas de figure où l'ampli serait complètement "éteint" et disposerait d'une alimentation ayant la capacité de sortir 600V, on serait plutôt tranquille sans cette résistance, non?
J'ajoute que l'on pourrait aussi jouer avec la valeur de la zéner; un BUZ90 admet +/-20V max pour Vgs. Une zéner de 18V permettrait d'atteindre près de 300mA de conso tout en protégeant le mosfet.
Re: le power scaling, une autre méthode d'atténuation, des avis?
Bonjour Pote et tous ceux qui suivent le fil !
Je vois les MOSFET comme des colosses aux pieds d'argile. Comme tous les composants ils sont limités en puissance P = Id x Vds en forme d'hyperbole pour Id = f(Vds) . Sur un radiateur infini le BUZ90 est limité à 75W mais .. avec une zener de 18 V sans résistance de source un BUZ90 sera limité à disons 6,5 A avec Vds = 75 / 6.5 = 11,5 V, ce qui veut dire qu'à la mise sous tension tu alimentes quasiment un court circuit dès que Vgs = 3 V , seuil de conduction avec Vds = Valim et I qui monte jusqu'à être arrêté par la destruction du BUZ
Si tu ajoutes une résistance de source de 47 ohms en gardant ta zener de 18 v , ton courant sera limité à 18 - 3 = 15 / 47 = 320 mA , ce qui t'autorise ( sur radiateur infini !) à un VDS de 75 / 0.32 = 234 V* , ce qui est insuffisant pour une bonne plage de réglage de ton power scaling. Il faut donc se résoudre à limiter davantage le courant soit en diminuant la tension zener soit en augmentant la résistance de source.
OK ?
*sur la sortie en A+ tu auras une plage de 234 +15 = 249 V
Amicalement.
Je vois les MOSFET comme des colosses aux pieds d'argile. Comme tous les composants ils sont limités en puissance P = Id x Vds en forme d'hyperbole pour Id = f(Vds) . Sur un radiateur infini le BUZ90 est limité à 75W mais .. avec une zener de 18 V sans résistance de source un BUZ90 sera limité à disons 6,5 A avec Vds = 75 / 6.5 = 11,5 V, ce qui veut dire qu'à la mise sous tension tu alimentes quasiment un court circuit dès que Vgs = 3 V , seuil de conduction avec Vds = Valim et I qui monte jusqu'à être arrêté par la destruction du BUZ
Si tu ajoutes une résistance de source de 47 ohms en gardant ta zener de 18 v , ton courant sera limité à 18 - 3 = 15 / 47 = 320 mA , ce qui t'autorise ( sur radiateur infini !) à un VDS de 75 / 0.32 = 234 V* , ce qui est insuffisant pour une bonne plage de réglage de ton power scaling. Il faut donc se résoudre à limiter davantage le courant soit en diminuant la tension zener soit en augmentant la résistance de source.
OK ?
*sur la sortie en A+ tu auras une plage de 234 +15 = 249 V
Amicalement.
jptrol
______________________________________________
______________________________________________
Re: le power scaling, une autre méthode d'atténuation, des avis?
Oui, merci c'est bon; j'aurais pu y penser tout seul d'ailleurs, mais je me suis arrêté en chemin... Donc, on fait un compromis entre le courant nécessaire au circuit qu'alimente le VVR et la chute de tension souhaitée aux "bornes" du mosfet. Plus le fait qu'à la mise sous tension, le couple zéner/résistance est essentiel pour éviter la destruction du mosfet. Merci jp!
- Lemontheo
- G5 Team

- Messages : 1814
- Enregistré le : 21 janv. 2011, 1:00
- Localisation : Rouen
- Contact :
Re: le power scaling, une autre méthode d'atténuation, des avis?
Merci JP, c’est éclairant. Parce que je n’aurais pas su répondre à Guillaume....
- McColson
- Admin du site

- Messages : 8068
- Enregistré le : 07 nov. 2004, 1:00
- Localisation : La Celle sur Morin
- Contact :
Re: le power scaling, une autre méthode d'atténuation, des avis?
Moi non plus lol !
Re: le power scaling, une autre méthode d'atténuation, des avis?
Bonjour,
Je re-relance, profitant notamment du fait du nouveau G5, qui embarque un tel montage.
En parlant de bruits potentiellement indus par un VVR sur un autre forum, on m'a suggéré de monter une résistance de 1k carbon comp. plutôt qu'une 100k, surtout si cette dernière est à base de film métal et ainsi susceptible de servir d'antenne. Par ailleurs on m'a conseillé de monter des condensateurs au plus proche du MOSFET, avant et après.
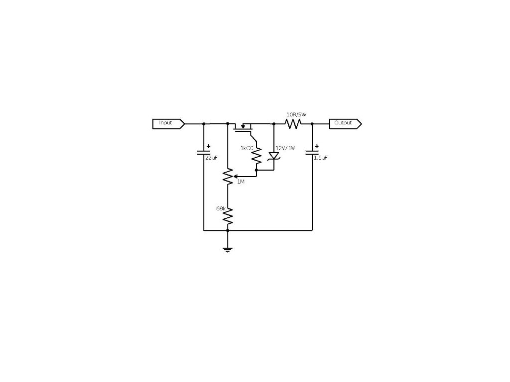
Avec une zener directement connectée au MOSFET - comme je crois j'ai pu lire dans les pages précédentes - ça donnerait ça
Des avis/commentaires &/ou critiques - sur la valeur de la résistance (10R) vs. la 47R du G5-15th, notamment ...
Je re-relance, profitant notamment du fait du nouveau G5, qui embarque un tel montage.
En parlant de bruits potentiellement indus par un VVR sur un autre forum, on m'a suggéré de monter une résistance de 1k carbon comp. plutôt qu'une 100k, surtout si cette dernière est à base de film métal et ainsi susceptible de servir d'antenne. Par ailleurs on m'a conseillé de monter des condensateurs au plus proche du MOSFET, avant et après.
Avec une zener directement connectée au MOSFET - comme je crois j'ai pu lire dans les pages précédentes - ça donnerait ça
Des avis/commentaires &/ou critiques - sur la valeur de la résistance (10R) vs. la 47R du G5-15th, notamment ...
-
Rimlock
- G5 guru

- Messages : 1203
- Enregistré le : 17 juil. 2018, 19:48
- Localisation : pas trop loin de l'Océan
Re: le power scaling, une autre méthode d'atténuation, des avis?
ChopSauce a écrit : 10 déc. 2021, 11:13
résistance de 1k carbon comp. plutôt qu'une 100k, surtout si cette dernière est à base de film métal et ainsi susceptible de servir d'antenne.
Et de deux ! Merci les Bleus 
Re: le power scaling, une autre méthode d'atténuation, des avis?
Oui, c'est ce qu'il dit : les fils doivent être le plus court possible. Quand au bruit des carbon comp ... je me demande si on n'en fait pas un peu trop à ce sujet, tout de même ... 
Quand au "bon" schéma, voilà justement la question : qu'est-ce que le "bon" en la matière ?
Quand au "bon" schéma, voilà justement la question : qu'est-ce que le "bon" en la matière ?
- bilbo_moria
- Don Bilbo de la Vega
- Messages : 7492
- Enregistré le : 15 déc. 2004, 1:00
- Localisation : Tinteniac (35)
Re: le power scaling, une autre méthode d'atténuation, des avis?
Heu ... non : j'en ai déjà utilisé pas mal (pour apporter du "mojo" à des amplis, sans toutefois savoir si le mojo était vraiment là). Bref, même si dans 99% des cas tout se passe bien, il m'est déjà arrivé d'avoir à remplacer des résistances carbone (sur mes amplis, ceux de confrères ou de vieilles pétoires vintage) qui faisaient du bruit (vous savez, pshiouuuiiiiChopSauce a écrit : 10 déc. 2021, 13:26 Oui, c'est ce qu'il dit : les fils doivent être le plus court possible. Quand au bruit des carbon comp ... je me demande si on n'en fait pas un peu trop à ce sujet, tout de même ...![]()
Ca ne m'est jamais arrivé avec les couches carbone, par contre
Re: le power scaling, une autre méthode d'atténuation, des avis?
Oui, mais en dehors des pannes - dans la plupart des cas ?
Admettons une carbon film, mais quid de la valeur de la résistance (100k) et du reste : le bon schéma c'est celui du G5, c'est bien ça ?
(j'aurais du m'en douter ...
)
Admettons une carbon film, mais quid de la valeur de la résistance (100k) et du reste : le bon schéma c'est celui du G5, c'est bien ça ?
(j'aurais du m'en douter ...
Re: le power scaling, une autre méthode d'atténuation, des avis?
C'est ça, le bon schéma , c'est celui du G5 !ChopSauce a écrit : 10 déc. 2021, 16:43 Oui, mais en dehors des pannes - dans la plupart des cas ?
Admettons une carbon film, mais quid de la valeur de la résistance (100k) et du reste : le bon schéma c'est celui du G5, c'est bien ça ?
(j'aurais du m'en douter ...)
Celui que tu nous montres plus haut est mauvais car la zener ne protège pas la sortie, elle est en parallèle sur cette fameuse résistance de 100k dans laquelle ne passe aucun (ou presque ) courant , ce qui disqualifie tout ce raisonnement , on peut mettre n'importe quelle valeur , elle ne sert qu'à appliquer la tension de polarisation à la gate du MOSFET. Eviter surtout le carbon comp qui ne peut amener là que des emm...
Pour revenir à la zener son anode devrait être connectée en aval de la résistance de 10 ohms ( trop faible !) et non en amont.
Entre parenthèses le VVR du G5 sera peu sollicité car avec la qualité du préamp on n'est peu tenté d'aller chercher la saturation de la partie puissance, je trouve !
jptrol
______________________________________________
______________________________________________

..:: 
