Alors j'ai fait les mesures et d'autres essais audio au terme desquels je conclus que le tremolo sans opto de type Vibrochamp est à réserver ..... au Vibrochamp
Sur le G5 15th , le fait de basculer le tremolo ON et OFF fait varier le gain de l'étage U1B de 8dB ! Bien sûr on peut compenser en jouant sur les volumes et la perte de puissance en sortie n'est pas de 8 dB . Mais on joue sur la polarisation de U1B et ce n'est pas folichon , le son glorieux du G5 15th y perd beaucoup de sa gloire

. Le point de polarisation se déplace trop bas sur la droite de charge ( malgré une simulation qui donne -2.7 V il reste proche de -3 V en réalité , ce qui est trop ) . Les micros de type single coil (plutôt Fender comme par hasard) s'en sortent plutôt mieux mais un P90, par exemple donne un son claquant avec moins de sustain.
Le Vibrochamp garde sa polarisation quel que soit le mode tremolo ON ou OFF et personne ne se rend compte ainsi que le son serait meilleur sans ce montage

(mauvaise langue) . En fait c'est un 5F1 avec un TS à deux bandes mais dont l'unique canal est dédié au tremolo. Les tensions d'alim sont aussi plus élevées que sur le G5, 320 V au preamp.
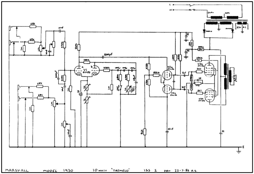
Les autres types de tremolo sans optocoupleur ( MARSHALL 18 W et VOX) n'attaquent pas la cathode mais l'anode et nécessitent un canal dédié, ce qui est exclu pour le G5 15th bien sûr.