besoin d'un conseil
besoin d'un conseil
bonjour,
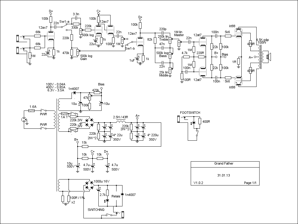
je suis en train de réaliser un ampli en pp kt88
mais j'ai un doute sur le choix du transfo d'alim je n'arrive pas à comprendre quelque chose:
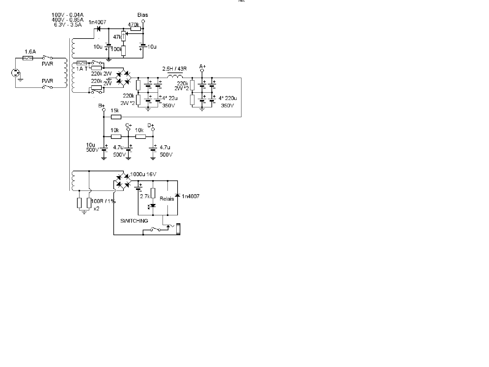
sur le schéma il y a écrit 100v 400v et 6.3 v
par exemple pour l’enroulement en 100v c'est 100v de chaque coté? idem pour le 400v j'ai un doute car je ne vois pas de " neutre ou de de point zéro"?
merci
je suis en train de réaliser un ampli en pp kt88
mais j'ai un doute sur le choix du transfo d'alim je n'arrive pas à comprendre quelque chose:
sur le schéma il y a écrit 100v 400v et 6.3 v
par exemple pour l’enroulement en 100v c'est 100v de chaque coté? idem pour le 400v j'ai un doute car je ne vois pas de " neutre ou de de point zéro"?
merci
Re: besoin d'un conseil
Ce qui sort d'un transfo est forcément de l'alternatif, donc il n'y a pas de "côté" pour la tension, comme il y a une polarité pour les piles par exemple.
Ainsi donc, les indications données te renseignent sur la différence de potentiel entre les deux extrémités de chaque enroulement.
Voilà!
Ainsi donc, les indications données te renseignent sur la différence de potentiel entre les deux extrémités de chaque enroulement.
Voilà!
Re: besoin d'un conseil
C'est:
- un enroulement 100V pour le fixed bias
- un enroulement 400V pour la HT
- un enroulement 6.3V pour le chauffage
D'ailleurs il faut noter qu'il ne faut pas référencer la masse du switching à la masse générale car dans ce cas 2 diodes du pont serait court circuitées par les résistances de 100R
Par ailleurs je ne vois pas l'utilité d'un filtrage C/L/C dans ce cas pour la HT
- un enroulement 100V pour le fixed bias
- un enroulement 400V pour la HT
- un enroulement 6.3V pour le chauffage
D'ailleurs il faut noter qu'il ne faut pas référencer la masse du switching à la masse générale car dans ce cas 2 diodes du pont serait court circuitées par les résistances de 100R
Par ailleurs je ne vois pas l'utilité d'un filtrage C/L/C dans ce cas pour la HT
Si tu veux voir des bleus gagner, regardes Avatar 
Re: besoin d'un conseil
merci pour ta réponse !!!Pote Gui a écrit :Ce qui sort d'un transfo est forcément de l'alternatif, donc il n'y a pas de "côté" pour la tension, comme il y a une polarité pour les piles par exemple.
Ainsi donc, les indications données te renseignent sur la différence de potentiel entre les deux extrémités de chaque enroulement.
Voilà!
Re: besoin d'un conseil
salut,vitriol82 a écrit :C'est:
- un enroulement 100V pour le fixed bias
- un enroulement 400V pour la HT
- un enroulement 6.3V pour le chauffage
D'ailleurs il faut noter qu'il ne faut pas référencer la masse du switching à la masse générale car dans ce cas 2 diodes du pont serait court circuitées par les résistances de 100R
Par ailleurs je ne vois pas l'utilité d'un filtrage C/L/C dans ce cas pour la HT
pour le transfo j'ai pigé par contre je n'ai pas encore trouvé un transfo avec les trois enroulements qu'il me faut, j'ai trouvé celui-ci mais bon s'il faut en mettre un autre avec un enroulement en 100 volt c'est pas grave.
l'ampli que je me fabrique et une copie du grandfather de Yeepee sur lequel tu as beaucoup contribué,je n'invente rien je copie juste le schéma ,de ce que je vois sur le schéma la masse du switching ne touche pas l'un des fil du 6.3v mais va directement en haut du pont de diode,j’espère ne pas me tromper car j'ai déjà soudé tous mes composant sur turret et pour la ht et le filtrage c'est toi l'expert je n'ai pas vos connaissances(j'aimerai bien..) juste des notions d’électronique ,je suis électricien.
voici le dernier schéma que j'ai trouvé sur le post de Yeppe si tu peux jeter un oeil et me dire ce qu'il ne va pas je le mettrai à jour dans mon post "réalisation d'une copie du grand father" j'ai déjà posté les latouts. en tout cas merci pour ta reponse
Re: besoin d'un conseil
155 mA pour un PP de KT88 en UL, tu peux oublier
Il faudrait d'abord définir la polarisation de ton étage de puissance avant de t'attaquer aux caractéristiques du transfo
EDIT
Ua à 560V ça fait un ampli de 100W avec une conso max de plus de 300 mAdc, pour cela il te faut mini 600 mA en HT sous 400V
Il faudrait d'abord définir la polarisation de ton étage de puissance avant de t'attaquer aux caractéristiques du transfo
EDIT
Ua à 560V ça fait un ampli de 100W avec une conso max de plus de 300 mAdc, pour cela il te faut mini 600 mA en HT sous 400V
Si tu veux voir des bleus gagner, regardes Avatar 
Re: besoin d'un conseil
autant pour moi
j'ai regardé ça avant hier, tard...j'avais lu 1.55 A
merci pour ta remarque
je continue mes recherches.
EDIT
j'en ai trouvé un mais bon ça vaut une blinde!!!
j'ai regardé ça avant hier, tard...j'avais lu 1.55 A
merci pour ta remarque
je continue mes recherches.
EDIT
j'en ai trouvé un mais bon ça vaut une blinde!!!
- bilbo_moria
- Don Bilbo de la Vega
- Messages : 7497
- Enregistré le : 15 déc. 2004, 1:00
- Localisation : Tinteniac (35)
Re: besoin d'un conseil
Oui, dès qu’on veut de la puissance, les transfos (PT, OT) coûtent cher ...

