Le problème :
Comme nous le savons tous, une fois qu'on met un doigt dans l'engrenage infernal du DIY, il n'y a plus de retour possible : on commence par un modeste mono-canal de petite puissance, puis un autre mais avec une reverb, ah et si on faisait un 2/3 canaux pour le prochain, oh mais il me faut un ampli de scène maintenant, etc... Évidemment, on ne fait que des têtes (ou presque), puisqu'avec un cab ou 2 on a tout ce qu'il faut.
Oui mais voilà, les années passent, les projets s'enchainent, les amplis s'accumulent, et comme on manque de place impossible de rajouter un cab ! Du coup à chaque fois c'est la même rengaine : débrancher un ampli, en rebrancher un autre, vérifier le réglage d'impédance, se demander si le cab est bien en 8 ou en 16Ω
À force la flemme s'installe, on garde les 2 mêmes amplis branchés sur les 2 mêmes cabs, et le reste prend la poussière ! Heureusement, tonton a-wai est là pour y remédier
La solution :
Elle est finalement assez simple : il suffirait d'un appareil auquel on relierait d'une part l'entrée de chaque ampli, et d'autre part leurs sorties HP. Avec évidemment une entrée guitare et une sortie HP "globales", cette dernière étant reliée à un unique cab. L'idée serait donc de router le signal guitare vers l'entrée de l'ampli sélectionné, et la sortie dudit ampli vers le cab, rien de bien sorcier en somme...
Il y a même un certain nombre de produits sur le marché qui semblent remplir cette fonction :
- de Lisle Amp-Speaker Selector 4×4 Deluxe (550€, jusqu'à 4 amplis et 4 cabs, version 8x8 disponible pour 200€ de plus)
- KHE ACS 4x2 (800€, 4 amplis / 2 cabs) ou ASX 8 (1000€, 8 amplis / 1 cab)
- Tube Amp Manufactur Amp Switch 4/2 (550€, 4 amplis / 2 cabs)
- N-Audio 4x4 Amp Cabinet Switcher (720€, 4 amplis / 4 cabs) ou 8x7 (1100€, 8 amplis / 7 cabs)
- Uraltone CabAmp 6x6 Switcher (kit DIY 200€, 6 amplis / 6 cabs)
- un switcher 5-6 amplis / 1 cab
- un (autre) switcher 2 amplis / 1 cab (j'ai 2 stacks, éloignés de plusieurs mètres et que j'utilise parfois simultanément)
- "interface utilisateur" aussi simple que possible : un rotoswitch N positions, un feedback visuel (afficheur 7 segments ou N LEDs)
- boitier assez solide pour supporter le poids d'un ou 2 amplis 15/20W (donc 25 kgs max), du moins pour le "gros" switcher
Conception technique :
Sur le principe, c'est un projet très simple, et un simple switch 2 pôles / 6 positions pourrait faire l'affaire. Oui mais voilà, on parle ici de switcher des amplis à lampes, avec d'un côté un signal guitare (donc haute impédance, puissance quasi-nulle) et de l'autre un signal HP (basse impédance, puissance non négligeable), avec tous les risques de parasitage que ça implique.
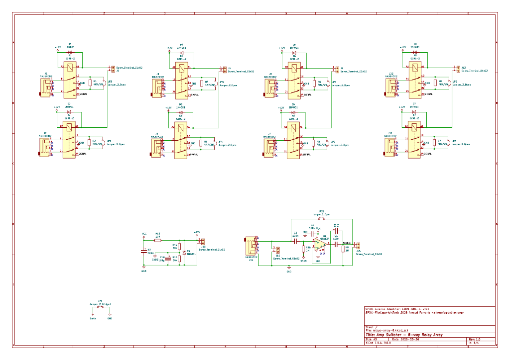
J'opte donc pour un switching par relais, histoire de bien séparer les parties guitare et HP. Par ailleurs, j'aimerais pouvoir garder plusieurs amplis sous tension pour switcher de l'un à l'autre rapidement (mais pas au milieu d'un morceau), il faut donc sécuriser un peu le bouzin : je choisis donc de shunter l'entrée des amplis inutilisés, et mettre une petite résistance de charge (4.7Ω / 2W) en sortie de ceux-ci pour dissiper l'éventuel bruit de fond de ceux-ci.
Enfin, je veux en profiter pour intégrer un buffer sur l'entrée guitare, histoire de rendre ce signal moins sensible aux parasites, j'en arrive donc à ce schéma pour les boards de switching (qui seront au nombre de 2 : 1 en entrée, l'autre en sortie) :
Pour la partie commande, c'est encore plus simple :
Note: comme toujours, les fichiers du projet sont dispos sur mon Github
Design des PCBs :
Là je me rajoute des contraintes, histoire de pimenter le tout :
- les PCBs d'entrée et sortie doivent être identiques, la différence se fera en fonction des composants montés ou non
- tous les PCBs doivent pouvoir être "redimensionnés" après fabrication : en clair, si on veut un switcher 2 voies, on pourra prendre un version 8 voies par exemple, et découper la partie inutilisée
- les relais doivent pouvoir supporter un courant assez important sur la partie HP, j'opte donc pour des Omron G2RL-2 (donnés pour 8A, même avec 200W sous 8Ω on est large !)
- pour la même raison, je fais des pistes aussi larges que possible, en l'occurence 2mm
- pour les routages "conditionnels" selon que le PCB est utilisé en entrée ou en sortie (par ex. R de charge ou simple shunt) je prévois des petits pads à souder ou non
- le cablage inter-PCBs se fera avec des borniers à vis
- l'ensemble sera alimenté en 12V DC (par exemple via un RockPower NT14, le montage consommant moins de 100mA en fonctionnement)
Fabrication :
Rien de bien spécial à signaler ici, si ce n'est que j'ai fait faire les PCBs par PCBWay: ils ont repéré le projet (sans doute sur GitHub) et m'ont alors contacté pour me proposer de faire les PCBs gratuitement en échange d'un peu de pub, je n'allais pas cracher sur une économie de 100€
Je vous recommande toutefois de toujours passer par PCBShopper afin de trouver le meilleur prix en fonction du projet (même si ce sera souvent JLCPCB qui sortira en tête
À noter que pour les boards de switching, j'en ai profité pour les commander en double épaisseur de cuivre (2 oz) histoire de doubler la section de cuivre pour passer encore plus de puissance. En épaisseur standard (1 oz) je recommande de ne pas utiliser avec plus de 20-25W de puissance effective en sortie.
Au niveau des boitiers, j'ai choisi du Hammond en acier pour la robustesse (1441-26 et 1441-12, tous 2 en noir et avec la "bottom plate" correspondante), même si je l'ai un peu regretté au moment de percer les 15 trous pour tous les jacks du switcher 6 voies
J'ai aussi mis en place un genre de "code couleur" avec une LED de couleur différente pour chaque ampli, et des cables plus ou moins assortis histoire de pas me planter pendant le cablage final
J'ai fini de l'installer/connecter ce matin, tout fonctionne à merveille même si j'ai un buzz très présent notamment sur le 6505 (très très high gain) : ce n'est pas dû au switcher lui-même, mais plutôt à une combinaison de boucle de masse entre les 4 amplis (via les raccordements à la terre) et mes pédalboards et de cablage du pedalboard et autres accessoires à améliorer. Il semblerait aussi que ce buzz soit sensible à l'ordre d'allumage des amplis et/ou la chance



..:: 

