McColson a écrit : 01 oct. 2025, 10:37
Le montage ground lift n'améliore par directement le rapport S/B dans une même condition de test. En revanche, elle diminuait drastiquement le bruit de pollution par la terre qu'engendrait le branchement de la réverbe sur mon yamaha THR-5 à l'époque. Je pense que c'est une protection supplémentaire. Et tant qu'a refaire le PCB, vu le peu de composants que cela rajoute, autant les rajouter à cette nouvelle version, je pense.
En fait dans mes divers travaux acharnés pour améliorer le S/B j'avais finalement changé d'avis en découvrant que le meilleur ( relatif , nous ne sommes pas au bout de nos peines - voir ci-dessous) étant obtenu en virant tout ( résistances et diodes) et en conservant ta solution de connexion du PCB au châssis par la vis supérieure gauche ! Merlin Blencowe critique l'utilisation dans notre domaine d'un plan de masse en argumentant que le résultat est aléatoire c'est-à-dire qu'il peut être positif ou négatif , et bien ici il est positif
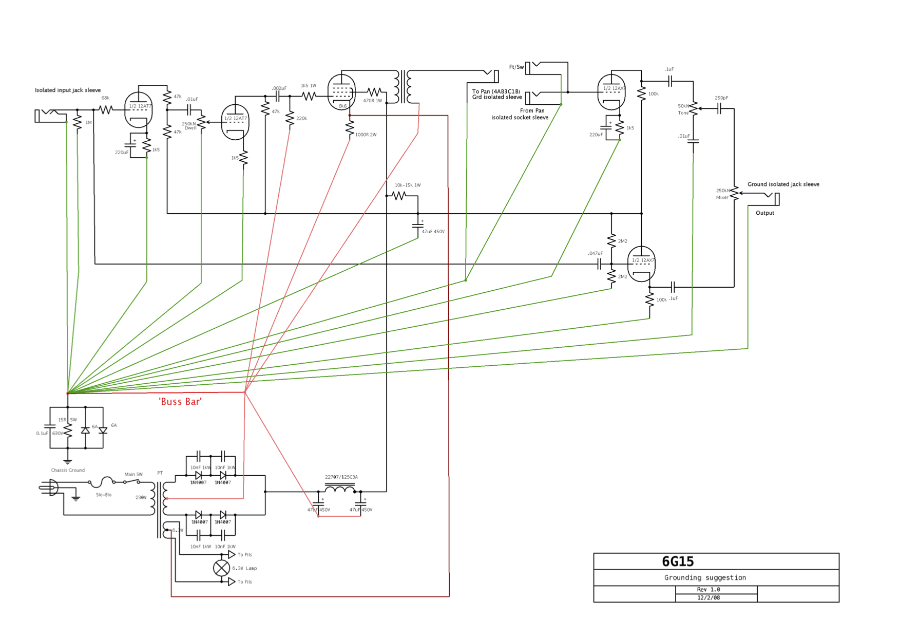
Maintenant , tu as probablement raison , quitte à retravailler l'aspect S/B , on pourrait intégrer le système complet tel qu'adopté par la 6G15 RI de 1994 . SI on le fait il ne faut surtout pas l'intégrer au PCB sous risque de tout polluer. Le bon exemple d'application est donné par la Surfmate de chez TT :
On voit ici le schéma classique avec toutes les masses revenant en un point suivant la méthode du star grounding et ce point est relié au châssis par le dispositif complet. Les fils de masse repartent alimenter chacun un groupe de composants et ne sont surtout pas reliés entre eux bien sûr .
Au vu des tests que j'ai faits , ce système ne fait pas bon ménage avec le type de PCB que nous avons . Il faudrait alors revenir à la philosophie classique de la masse générale en étoile et non plus du plan de masse. Quitte à avoir un petit PCB pour l'alimentation et laisser les deux tubes câblés en l'air à l'ancienne .
Maintenant , en comparaison de la TT-reverb dont je dispose, le S/B de notre 6PG5 est encore mitigé . Voici comment ça se présente
Contre toute attente , c'est le canal WET qui s'en tire le mieux , bien mieux que la TT-reverb , donc en mode parallèle ( celui qui servira le moins , hélas) :
On voit ci-dessous pour le DWELL et le TONE à 50 % , trois mesures prises sur les deux appareils , le MIX/, ici reverb only à 20% , 50% et 100%
Notre 6PG5 est en dessous de -45 dB.
Pour le canal DRY : idem , mais ici c'est l'inverse. Là on est en mode série , soit en entrée d'ampli , soit dans la boucle d'effets.
En effet sur la sortie du CF apparaît systématiquement un spectre qui mérite bien son nom , le voici
Le 50 Hz avec quelques harmoniques : attention il ne s'agit pas d'une résiduelle d'alimentation qui serait à 100 Hz , celle-ci est domptée à 30 µV.
Les 50 Hz sont captés par la cathode suiveuse U2B qui présente une impédance d'entrée énorme étant polarisée en bootstrapping (au moins 4 MegOhms !!) . C'est donc une antenne pour tout champ électromagnétique dans les parages et donc pour les conducteurs du chauffage filament qui transportent sous le circuit mais en toute proximité 600 mA à 50Hz sur des pistes qui ne peuvent pas être torsadées

. Ceci plaiderait pour un retour au câblage classique avec masse en étoile et PCB réduit aux composants alignés , en laissant les tubes à part câblés en volant.
Voilà où j'en suis. Je vais essayer de couper les pistes du chauffage pour les remplacer par du fil torsadé. J'envisage aussi de remplacer le CF en bootstrap par le montage plus élémentaire adopté par nos 4 "concurrents" ( et oui il y la 6G15 d'origine, la RI de 1994, la Reverb de TT et maintenant la Surfmate que nous serions bien inspirés de prendre pour modèle ). Ce montage plus simple avec son pont diviseur de 2 x 2M2 présente une impédance d'entrée 4 fois moindre mais engage davantage la survie du tube !
N'hésitez pas à dire tout ce que vous en pensez !