[Reverb 6PG5] Proto #2, ça marche !

Unité de réverbe standalone, avec une 12DW7 et une 12AX7, sans transformateur de réverbe.
Réglages : Dwell, Tone, et Mix
Avatar du membre
jptrol
G5 Team
G5 Team
Messages : 1468
Enregistré le : 13 mars 2006, 1:00
Localisation : Nord
Contact :

Re: [Reverb 6PG5] Proto #2, ça marche !

Message non lu par jptrol »

Je suis en train de reprendre un peu le schéma donc que personne ne se précipite pour reprendre le PCB ! :mrgreen:

En effet en peut optimiser le tone control devant le DWELL afin de réduire les basses ( EDIT : et le bruit ) et d'avoir une gamme de tonalités plus étendue.

EDIT : actuellement la réponse du tone control sur l'entrée du dwell est la suivante :

Graphe_ToneV2-9_dwell.png
Ce n'est pas optimum pour des questions de bruit et de réglage : on se contente de baisser les aigus en laissant mediums et surtout les graves ( en dessous de 82 Hz ) inutiles en guitare et ne transportant que du bruit notamment le 50Hz ( si la guitare est mal blindée par ex).

la modification apporterait la courbe suivante :


Haut
Graphe_ToneV3.0_dwell.png

On voit que l'on peut baisser ou monter les aigus par rapport aux mediums tout en limitant les basses voire annulant ou presque les inutiles .

Les schémas seraient modifiés comme suit :

AVANT :
V2_avant.png
APRES:
V3_après.png
Comme le tonestack charge U1A on booste le gain avec C18 et le dwell est libéré de la 220k et de la 33k pour passer à 1Mo au lieu de 500k. On retrouve alors le même gain pour les mediums en remontant légèrement le DWELL. C'est une espèce de TS traditionnel tronqué qui ferait la chasse aux basses ( désagréables en reverb). Le 15n et les 110k forment un PH à 100Hz et le 15n isole le 300p qui peut être en Silver Mica !

fin d'EDIT.

J'envisage en face arrière un switch supplémentaire de GROUND LIFT afin de pouvoir shunter éventuellement le dispositif de "séparation masse-chassis" selon les configurations ( par exemple je teste sur un ampli très silencieux et ce dispositif apporte plus de bruit qu'il n'en élimine contrairement à l'expérience de Matthieu avec son THR-5)

Edit :
_
Ground-lift_V3.png




En troisième lieu et là je reconnais que c'est limite uzine à gaz , j'ai simulé en sortie du tank un filtre destiné à éliminer toute trace de 50 Hz . En fait un double T mais .... il faudrait remplacer C9 et R17 par un LND150 pour driver + 6 résistances + 5 capas ! :oops: :roll: :shock: :surprised:
EDIT : ça fonctionne bien pour le 50 Hz mais ses harmoniques subsistent et donc le jeu n'en vaut pas la chandelle, mieux vaut faire la chasse aux parasites comme nous le faisons.

jptrol
_____________________________________________
jptrol
______________________________________________
dilet
G5 optimiseur
G5 optimiseur
Messages : 339
Enregistré le : 31 janv. 2023, 0:06
Localisation : Lyon

Re: [Reverb 6PG5] Proto #2, ça marche !

Message non lu par dilet »

jptrol a écrit :En effet en peut optimiser le tone control devant le DWELL afin de réduire les basses ( EDIT : et le bruit ) et d'avoir une gamme de tonalités plus étendue.
Du beau travail (et sans ajouter beaucoup de composants) ! :good:
jptrol a écrit :J'envisage en face arrière un switch supplémentaire de GROUND LIFT afin de pouvoir shunter éventuellement le dispositif de "séparation masse-chassis" selon les configurations...
Cela me semble une excellente idée, même si elle coûte un interrupteur, car l'expérience (en sonorisation de locaux, pas en guitare :oops:) m'a montré que l'usage d'un ground-lift est toujours a décider au cas par cas: des fois c'est mieux, des fois c'est pire, des fois ça ne fait rien... :mrgreen:
dilet
Avatar du membre
jptrol
G5 Team
G5 Team
Messages : 1468
Enregistré le : 13 mars 2006, 1:00
Localisation : Nord
Contact :

Re: [Reverb 6PG5] Proto #2, ça marche !

Message non lu par jptrol »

dilet a écrit : 10 oct. 2025, 23:11 Du beau travail (et sans ajouter beaucoup de composants) ! :good:
Merci pour le compliment !

Alors en effet le résultat est plutôt emballant : les tonalités que l'on peut obtenir sont davantage variées . Un petit sample en clean pour juger ( avec un bémol , c'est une impro sur le pouce avec une telecaster micro bridge ( Fender SCN ) un peu trop harsh ici ) - j'en ferai d'autres:


jptrol a écrit :J'envisage en face arrière un switch supplémentaire de GROUND LIFT afin de pouvoir shunter éventuellement le dispositif de "séparation masse-chassis" selon les configurations...
Cela me semble une excellente idée, même si elle coûte un interrupteur, car l'expérience (en sonorisation de locaux, pas en guitare :oops:) m'a montré que l'usage d'un ground-lift est toujours a décider au cas par cas: des fois c'est mieux, des fois c'est pire, des fois ça ne fait rien... :mrgreen:


Tout à fait , finalement je l'ai monté et ça n'a aucun effet dans aucun sens , ce qui ne veut pas dire qu'il soit inutile bien sûr.

Le résultat des modifs tient dans la version 3.0 ici :

Image

Il y a donc un certain nombre de modifs et davantage de composants :

- permutation des tubes pour faire gérer le tank par le même tube , la 12DW7 ( idem G5-20th ), ça me semble plus judicieux .
- ajout d'un deuxième PH devant U2A pour filtrer davantage les fréquences autour de 50 Hz.

Je verrais bien un PCB dédié à l'alim et un autre aux composants bien alignés devant les tubes câblés comme ceci ( à discuter) avec un retour aux masses en étoile et plus en plan de masse :

Image

L'idée me plaît bien car elle permet de retirer 12 composants du PCB, ce qui n'est pas rien ? Qu'en pensez-vous ?



EDIT : pour revenir au traitement du buzz en sortie du tank , buzz lié au secteur , la Fender originelle de 1963 se présentait ainsi :

Image

On voit très bien le PT tout à gauche , à l'intérieur du châssis et la sortie du reverb tank tout à droite. Les deux sont bien éloignés , d'autant que le modèle du tank est le long ( réf 4 et non 8) et surtout le châssis est en ACIER ! L'acier offre un blindage optimal aussi pour les fréquences basses comme le 50Hz ici et le 60Hz aux US. Très vite ils sont passés du tank vertical au tank horizontal qui éloignait encore la sortie. Tout laisse donc à penser que la 6G15 d'époque était plutôt silencieuse. Aujourd'hui, en matière de blindage , seuls les boîtiers de tank sont en acier ( tous le sont, les ACCUTRONICS , MOD et Belton) et les châssis en alu . Je me pose la question de la reissue de 1994 ici :

Image

L'emplacement du PT est identique mais le châssis est-il toujours en acier ? Je pense que oui mais ce n'est pas sûr.

Pour conclure il n'y a jamais eu de véritable cage de Faraday pour isoler le tank car la cage suppose une fermeture complète, or les tank sont ouverts . Les CEM font le tour :confused: Maintenant je me demande ce que donnerait la fermeture par une simple plaque en acier sous le tank et vissée dessus. :?:
jptrol
______________________________________________
dilet
G5 optimiseur
G5 optimiseur
Messages : 339
Enregistré le : 31 janv. 2023, 0:06
Localisation : Lyon

Re: [Reverb 6PG5] Proto #2, ça marche !

Message non lu par dilet »

jptrol a écrit :Je verrais bien un PCB dédié à l'alim et un autre aux composants bien alignés devant les tubes câblés comme ceci ( à discuter) avec un retour aux masses en étoile et plus en plan de masse. L'idée me plaît bien car elle permet de retirer 12 composants du PCB, ce qui n'est pas rien ? Qu'en pensez-vous ?
Pourquoi pas ? Le résultat serait sans doute meilleur, mais le montage sous les tubes - astucieux et très propre - n'est peut-être pas à la portée du débutant en soudures.
Reste à savoir quelle serait la clientèle du kit ? :think:
jptrol a écrit : Je me pose la question de la reissue de 1994 ici. L'emplacement du PT est identique mais le châssis est-il toujours en acier ? Je pense que oui mais ce n'est pas sûr.
A voir les traces de frottement sombres, les marques de pliage, les bords des tôles très nets, ... je dirais aussi acier (zingué).
jptrol a écrit :Pour conclure il n'y a jamais eu de véritable cage de Faraday pour isoler le tank car la cage suppose une fermeture complète, or les tank sont ouverts . Les CEM font le tour :confused: Maintenant je me demande ce que donnerait la fermeture par une simple plaque en acier sous le tank et vissée dessus. :?:
Le plus simple, c'est d'essayer... :wink:
dilet
Avatar du membre
jptrol
G5 Team
G5 Team
Messages : 1468
Enregistré le : 13 mars 2006, 1:00
Localisation : Nord
Contact :

Re: [Reverb 6PG5] Proto #2, ça marche !

Message non lu par jptrol »

dilet a écrit : 15 oct. 2025, 10:43
jptrol a écrit :Je verrais bien un PCB dédié à l'alim et un autre aux composants bien alignés devant les tubes câblés comme ceci ( à discuter) avec un retour aux masses en étoile et plus en plan de masse. L'idée me plaît bien car elle permet de retirer 12 composants du PCB, ce qui n'est pas rien ? Qu'en pensez-vous ?
Pourquoi pas ? Le résultat serait sans doute meilleur, mais le montage sous les tubes - astucieux et très propre - n'est peut-être pas à la portée du débutant en soudures.
Reste à savoir quelle serait la clientèle du kit ? :think:
On utilise cette pièce à 96 centimes :

tbez-060a.png
Peut-être un peu plus délicat à souder qu'un PCB mais les surfaces me semblent quand même confortables, non ? Ça ne devrait pas être insurmontable à mon avis.
jptrol a écrit : Je me pose la question de la reissue de 1994 ici. L'emplacement du PT est identique mais le châssis est-il toujours en acier ? Je pense que oui mais ce n'est pas sûr.
A voir les traces de frottement sombres, les marques de pliage, les bords des tôles très nets, ... je dirais aussi acier (zingué).

jptrol a écrit :Pour conclure il n'y a jamais eu de véritable cage de Faraday pour isoler le tank car la cage suppose une fermeture complète, or les tank sont ouverts . Les CEM font le tour :confused: Maintenant je me demande ce que donnerait la fermeture par une simple plaque en acier sous le tank et vissée dessus. :?:
Le plus simple, c'est d'essayer... :wink:
Bien sûr ! C'est fait.

J'ai acheté cette plaque d'acier zingué pour 4,99 € chez LM ( 50 cm x 25 cm) de 0.5 mm d'épaisseur . La théorie dit 3 mm pour faire monter le S/B de 20dB !


Plaque acier.jpg

J'ai fermé le tank . Voici les spectres obtenus :
- sans plaque
- avec une plaque de 0.5 mm : le rapport S/B augmente de 3 dB environ
- avec deux plaques soit 1 mm : le rapport S/B augmente encore de 3 dB environ
On voit qu'avec 6 plaques (!!!) on atteindrait 18~20 dB mais stop au délire ! Et encore , comme l'épaisseur du boîtier est de 1 mm , il faudrait l'envelopper entièrement de 4 plaques de 0.5 mm ( ou une de 2) :redc:

Image

Mais le fait de faire pivoter le tank de 90° dans le coffret rapporte beaucoup plus ! : voici d'abord le spectre .

Image

Maintenant , les spectres c'est quelque chose , l'oreille en est une autre : si la tôle acier n'apporte que peu de bonus ( c'est ce que dit la théorie aussi) , en revanche faire pivoter le tank donne un résultat remarquable !

Donc première conclusion : laisser tomber la tôle ( elle n'est pas lourde :lol: )

Maintenant par chance , je dispose de deux tanks complètement différents avec lesquels j'ai fait les mêmes mesures :
  • un ACCUTRONICS made in USA , ancien donc
  • un MOD
:cry:
et bien , tenons nous bien, les résultats sont complètement différents . Si le vieil ACCUTRONICS devient bon lorsqu'on le fait pivoter de 90° en le faisant dépasser de l'arrière du coffret :evil: , pour le MOD , c'est l'inverse ! :roll: si je le mets dans la même position en dépassant de l'arrière du coffret il buzze à qui mieux mieux alors qu'il est excellent en position normale sous le châssis !

C'est donc le moment de prendre du recul : si l'on ne peut pas trouver de solution pour tous les types de tank , c'est que le coffret est inadapté.
. Et ça se comprend . A la fois la 6G15 de 63, la RI de 94 et maintenant le SurfMate de TT utilisent la même taille de coffret plus grand ( qui fait malheureusement 40 € de plus que celui de la TT-reverb) . Tube-Town avait choisi , pour sa TT-Reverb qui fonctionne pourtant assez bien ( avec un tank MOD ) mais pour laquelle il faut quand même accepter un certain niveau de buzz, un coffret qui correspond à sa gamme de kits LoW. Au début du projet on leur a emboîté le pas sans trop se poser de questions mais là on voit distinctement le travers et comment atteindre un niveau de qualité excellent en fait .

Le coffret ici permettrait d'éloigner davantage la sortie du tank du transfo , en allant même jusqu'à sortir le transfo du châssis , voire de pivoter le tank ( l'arrière effleurerait le bord) et même d'utiliser des tanks plus longs de type 9 ou 4 ( mais attention avec le 4 Ze = 600 ohms seulement)
jptrol
______________________________________________
dilet
G5 optimiseur
G5 optimiseur
Messages : 339
Enregistré le : 31 janv. 2023, 0:06
Localisation : Lyon

Re: [Reverb 6PG5] Proto #2, ça marche !

Message non lu par dilet »

jptrol a écrit :Maintenant , les spectres c'est quelque chose , l'oreille en est une autre : si la tôle acier n'apporte que peu de bonus ( c'est ce que dit la théorie aussi) , en revanche faire pivoter le tank donne un résultat remarquable !
Donc première conclusion : laisser tomber la tôle ( elle n'est pas lourde :lol: )
Je te trouve sévère avec la tôle: si l'effet sur les harmoniques à 50Hz, 100Hz, 200Hz et 250Hz est modeste, je trouve que la tôle de 1mm donne quand même des résultats sur l'harmonique à 150Hz qui disparait et le bruit entre 500Hz et 5000Hz qui est bien réduit.
Ce n'est certes pas le Pérou, mais, pour un petit morceau de tôle à trois sous, ce n'est peut-être pas à rejeter. :think:
Je suis d'accord qu'aller plus loin serait une complication inutile et sans doute improductive.
jptrol a écrit :C'est donc le moment de prendre du recul : si l'on ne peut pas trouver de solution pour tous les types de tank , c'est que le coffret est inadapté.
Et ça se comprend . A la fois la 6G15 de 63, la RI de 94 et maintenant le SurfMate de TT utilisent la même taille de coffret plus grand ( qui fait malheureusement 40 € de plus que celui de la TT-reverb) . Tube-Town avait choisi , pour sa TT-Reverb qui fonctionne pourtant assez bien ( avec un tank MOD ) mais pour laquelle il faut quand même accepter un certain niveau de buzz, un coffret qui correspond à sa gamme de kits LoW. Au début du projet on leur a emboîté le pas sans trop se poser de questions mais là on voit distinctement le travers et comment atteindre un niveau de qualité excellent en fait.
Le coffret ici permettrait d'éloigner davantage la sortie du tank du transfo , en allant même jusqu'à sortir le transfo du châssis , voire de pivoter le tank ( l'arrière effleurerait le bord) et même d'utiliser des tanks plus longs de type 9 ou 4 ( mais attention avec le 4 Ze = 600 ohms seulement)
C'est une conclusion judicieuse !
Vous aviez déjà remarqué en 2022 à l'occasion de soucis pour le placement du transfo et du tank (ici) que l'on faisait face à un problème d'intégration, mais le choix d'un petit coffret n'avait effectivement pas été remis en question à l'époque.
dilet
Avatar du membre
McColson
Admin du site
Admin du site
Messages : 8069
Enregistré le : 07 nov. 2004, 1:00
Localisation : La Celle sur Morin
Contact :

Re: [Reverb 6PG5] Proto #2, ça marche !

Message non lu par McColson »

Bravo jp pour ton boulot ! Tu as sacrément avancé !
Je te rejoins complètement pour la répartition des triodes, c'est un plus d'avoir V1 pour l'entrée et le CF.
En revanche, pour la plaque pour le montage des composants sur le socket, c'est un peu trop compliqué à mon avis pour les débutants.
On pourrait garder l'idée du PCB plus facile pour un kit d'autant plus que le sondage sur FB à l'époque montrait clairement que les personnes voulait un kit très facile à câbler et complet jusqu'aux boutons. On enlève le plan de masse et on route les pistes en étoile pour les masses.
Les sockets pourrait être sur le PCB mais le câblage des 6.3V en volant, ça c'est déjà vu, comme sur mon PCB pour le G1
https://www.projetg5.com/Projets/G1/G1layout.gif
Un seul PCB avec l'alimentation isolée le plus possible du reste du circuit (on a encore de la place pour mettre les composants en plus, largement).

A voir pour un châssis et headshell plus grand pourquoi pas. Le problème c'est surtout éloigné le transfo d'alim de l'entrée du tank vue tes conclusions.
Avatar du membre
jptrol
G5 Team
G5 Team
Messages : 1468
Enregistré le : 13 mars 2006, 1:00
Localisation : Nord
Contact :

Re: [Reverb 6PG5] Proto #2, ça marche !

Message non lu par jptrol »

dilet a écrit : 16 oct. 2025, 22:31
jptrol a écrit :Maintenant , les spectres c'est quelque chose , l'oreille en est une autre : si la tôle acier n'apporte que peu de bonus ( c'est ce que dit la théorie aussi) , en revanche faire pivoter le tank donne un résultat remarquable !
Donc première conclusion : laisser tomber la tôle ( elle n'est pas lourde :lol: )
Je te trouve sévère avec la tôle: si l'effet sur les harmoniques à 50Hz, 100Hz, 200Hz et 250Hz est modeste, je trouve que la tôle de 1mm donne quand même des résultats sur l'harmonique à 150Hz qui disparait et le bruit entre 500Hz et 5000Hz qui est bien réduit.
Ce n'est certes pas le Pérou, mais, pour un petit morceau de tôle à trois sous, ce n'est peut-être pas à rejeter. :think:
Je suis d'accord qu'aller plus loin serait une complication inutile et sans doute improductive.
Oui tu as raison . Mais remarque que la raie à 150Hz reprend du poil de la bête ( 20dB) lorsque l'on fait pivoter le tank , alors que les autres harmoniques se tassent. Et comme je le disais l'arbitre absolue c'est l'oreille et là aucun doute : le pivotement est le plus parlant et de loin (pour l'ACCUTRONICS), pour le MOD c'est l'inverse ! Quant à la tôle , rien n'empêche de la recommander aux amateurs du kit, en effet , je te rejoins.

ACCu_doc_EMF.png
jptrol a écrit :C'est donc le moment de prendre du recul : si l'on ne peut pas trouver de solution pour tous les types de tank , c'est que le coffret est inadapté.
Et ça se comprend . A la fois la 6G15 de 63, la RI de 94 et maintenant le SurfMate de TT utilisent la même taille de coffret plus grand ( qui fait malheureusement 40 € de plus que celui de la TT-reverb) . Tube-Town avait choisi , pour sa TT-Reverb qui fonctionne pourtant assez bien ( avec un tank MOD ) mais pour laquelle il faut quand même accepter un certain niveau de buzz, un coffret qui correspond à sa gamme de kits LoW. Au début du projet on leur a emboîté le pas sans trop se poser de questions mais là on voit distinctement le travers et comment atteindre un niveau de qualité excellent en fait.
Le coffret ici permettrait d'éloigner davantage la sortie du tank du transfo , en allant même jusqu'à sortir le transfo du châssis , voire de pivoter le tank ( l'arrière effleurerait le bord) et même d'utiliser des tanks plus longs de type 9 ou 4 ( mais attention avec le 4 Ze = 600 ohms seulement)
C'est une conclusion judicieuse !
Vous aviez déjà remarqué en 2022 à l'occasion de soucis pour le placement du transfo et du tank (ici) que l'on faisait face à un problème d'intégration, mais le choix d'un petit coffret n'avait effectivement pas été remis en question à l'époque.

Maintenant ça peut en chagriner certains de devoir dépenser plus ou de devoir intégrer un petit châssis dans un grand coffret. Alors je pense à des solutions comme lier le choix de coffret au tank (par ex tank MOD = petit coffret)..... Mais auparavant il faut s'assurer que le travers :P de mon tank ACCUTRONICS US made n'est pas lié à l'ancienne technologie et que les nouveaux made in KOREA ne sont pas différents ( voire améliorés pourquoi pas) . Donc en premier lieu il faut que je commande un tank coréen chez TT pour m'en assurer. Mais de toute manière le problème S/B peut être considéré comme résolu.

Maintenant un deuxième point très important : depuis le début du projet j'ai fait tous les tests et samples en utilisant les boucles d'effets de mes amplis ( série et parallèle) . Je n'avais pas testé l'entrée directe sur la guitare en mode série. Je l'ai fait et je constate un manque certain de vitalité dans cette configuration. J'ai en tête une solution que je dois tester d'abord avec LTSpice : si ça fonctionne nous sommes partis sur une version surf de la 6PG5 ! Mais qui peut le plus peut le moins en jouant sur le dwell.


EDIT : pour illustrer ce que je dis , et aussi relativiser les défauts, voici quatre exemples sonores à partir du premier qui ne contient aucune réverbération :




Ici voici le mode série à partir de l'entrée guitare : GTR + REV + AMP



Ici le mode série dans la boucle d'effet :



Ici le mode parallèle :


Avec la modification du TONE CONTROL il faut faire gaffe de ne pas mettre trop d'aigus car on risque la disto dans les harmoniques ! Il va sans dire que les réglages sont différents dans tous les cas et que l'on joue pas mal du DWELL . Par exemple , sachant que le niveau de signal moyen d'une guitare intermédiaire entre single-coil/humbucker est , si l'on exclut la corde basse de Mi , d'environ 120 mVRMS , le niveau d'entrée moyen sur la boucle FX est 40 fois plus élevé dans l'exemple ci-dessus ! Autrement dit la 6PG5 a vu entre les deux samples concernés un écart de niveau d'entrée de 40 ![EDIT : non , non , je me suis trompé. Ce n'est pas possible . La 6PG5 aurait saturé d'une manière ou autre. ] C'est la raison pour laquelle je pense harmoniser les niveaux d'entrée ... en modifiant le schéma , à moins que quelqu'un insiste pour qu'on n'y touche plus :think: :non:

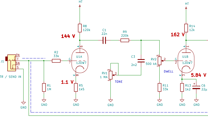
EDIT2 : En fait cette harmonisation supposée n'est vraiment pas nécessaire. J'ai refait des mesures sérieuses au géné BF pour m'en assurer. Un mot quand même avant pour préciser sur quoi je mesure. Pour les tests je me sers de mon ampli qui est en fait un clone de Deluxe 65 (avec une option higain à base d'EF86 dont je ne me suis pas servi encore pour tester la 6PG5) que j'avais décrit ici . Le préampli est celui-ci :

Image

On y voit les deux étages classiques à 12AX7 et en haut à droite le driver de SEND qui n'est pas du tout standard , donc nos mesures n'ont aucun caractère universel mais donnent une bonne approximation . Pour le return, j'ai pris un schéma décrit par Merlin Blencowe qui le fait revenir sur le PI . C'est pratique mais pas la panacée car le PI est alors un ampli différentiel et les signaux égaux en phase et amplitude de chaque côté s'annulent :think: Il n'y a donc pas de vrai recovery stage mais la bête était déjà bien encombrée !

Donc pour différents réglages du SEND j'ai voulu mesurer l'écart de niveau entre la sortie SEND et le niveau moyen du signal guitare (sauf corde 6) estimé à 120 mVRMS. Le résultat est rassurant, loin du facteur 40 que j'avais pris pour comptant ci-dessus, avec le gain à fond et le SEND à fond on arrive quand même à 25 !
Comp_GTR_input_send_level.png


Les graduations en X sont celles du pot de gain en amont de la deuxième 12AX7 . Les chiffres en Y sont les rapports de grandeur Signal SEND / SIgnal guitare théorique. Les valeurs de réglage sont les valeurs effectives au pot logarithmique de SEND et non les graduations ! Pour mémoire 10% sur 5 , 50% au-dessus de 7 ( qui fait en principe 46%) et 100% à fond. On voit que pour des gains raisonnables les niveaux sont équivalents et que le risque sur la 6PG5 de saturer en courant la self d'entrée du tank de reverb est limité et facilement réglable par le DWELL . Quand on pousse le gain on agit de même sachant qu'il faut alors distinguer la distortion du DRY de celle du WET !
Modifié en dernier par jptrol le 18 oct. 2025, 14:38, modifié 5 fois.
jptrol
______________________________________________
Avatar du membre
jptrol
G5 Team
G5 Team
Messages : 1468
Enregistré le : 13 mars 2006, 1:00
Localisation : Nord
Contact :

Re: [Reverb 6PG5] Proto #2, ça marche !

Message non lu par jptrol »

McColson a écrit : 17 oct. 2025, 9:27 Bravo jp pour ton boulot ! Tu as sacrément avancé !
Je te rejoins complètement pour la répartition des triodes, c'est un plus d'avoir V1 pour l'entrée et le CF.
En revanche, pour la plaque pour le montage des composants sur le socket, c'est un peu trop compliqué à mon avis pour les débutants.
On pourrait garder l'idée du PCB plus facile pour un kit d'autant plus que le sondage sur FB à l'époque montrait clairement que les personnes voulait un kit très facile à câbler et complet jusqu'aux boutons. On enlève le plan de masse et on route les pistes en étoile pour les masses.
Les sockets pourrait être sur le PCB mais le câblage des 6.3V en volant, ça c'est déjà vu, comme sur mon PCB pour le G1
https://www.projetg5.com/Projets/G1/G1layout.gif
Un seul PCB avec l'alimentation isolée le plus possible du reste du circuit (on a encore de la place pour mettre les composants en plus, largement).

A voir pour un châssis et headshell plus grand pourquoi pas. Le problème c'est surtout éloigné le transfo d'alim de l'entrée du tank vue tes conclusions.
Salut Matthieu , nos messages se sont croisés ! D'accord pour un retour au PCB intégral mais je dois voir pour une solution "universelle" qui soit aussi efficace en entrée d'ampli que dans les boucles d'effet ! Je m'en occupe !

EDIT : pour le PCB , en opérant une rotation des socles de tubes de 180° on présente les triodes dans l'ordre pour les relier au PCB, ce qui doit faciliter les choses : on aurait U1B - U1A - U2B - U2A => pistes en direct sans les croiser ! :dance:
Modifié en dernier par jptrol le 17 oct. 2025, 14:40, modifié 1 fois.
jptrol
______________________________________________
Rimlock
G5 guru
G5 guru
Messages : 1204
Enregistré le : 17 juil. 2018, 19:48
Localisation : pas trop loin de l'Océan

Re: [Reverb 6PG5] Proto #2, ça marche !

Message non lu par Rimlock »

je ne sais pas si c'est possible avec le transfo d'alim que vous utilisez, mais j'ai déjà fait des reverb en mettant le transfo d'alim dans le chassis, en laissant juste la self et le transfo de drive au-dessus du chassis. Il se trouve donc enfermé dans la cage de Faraday formée par le chassis plaqué contre le headshell recouvert d'un film d'alu autocollant. Bon, voire excellent niveau de bruit.
IMG_0712.JPG
IMG_0716b.JPG
Et de deux ! Merci les Bleus :lol:
Avatar du membre
jptrol
G5 Team
G5 Team
Messages : 1468
Enregistré le : 13 mars 2006, 1:00
Localisation : Nord
Contact :

Re: [Reverb 6PG5] Proto #2, ça marche !

Message non lu par jptrol »

Rimlock a écrit : 17 oct. 2025, 12:59 je ne sais pas si c'est possible avec le transfo d'alim que vous utilisez, mais j'ai déjà fait des reverb en mettant le transfo d'alim dans le chassis, en laissant juste la self et le transfo de drive au-dessus du chassis. Il se trouve donc enfermé dans la cage de Faraday formée par le chassis plaqué contre le headshell recouvert d'un film d'alu autocollant. Bon, voire excellent niveau de bruit.
Merci Rimlock pour ton RE . Le transfo qu'on utilise est un torique de chez TT, en théorie il devrait rayonner encore moins que celui que tu utilises ! Et il est facile à placer , ne tenant qu'avec un seul boulon. Je suppose que ton châssis est en alu . Dans ce cas il ne joue un rôle que pour les fréquences élevées mais aucun pour celles qui nous emm.... le plus , le 50 Hz et ses premières harmoniques. Et bien sûr le film alu autocollant idem. La cage de Faraday en revanche que tu formes est efficace pour les RF. Je pense que l'efficacité de ton montage tient aussi à l'éloignement transfo-sortie de tank, et au câblage soigné de l'alimentation : fils torsadés ( la théorie donne les fils torsadés champions dans la lutte anti-bruits )

En fait comme on le voit avec ce projet pour résumer if faut lutter contre le buzz :

- en agençant correctement les masses ( en étoile ) : on évite les boucles
- en montant éventuellement un ground-lift switchable sur le châssis
- en éloignant les sources de signaux faibles, surtout sur impédance inductive comme ici , du transfo d'alimentation .
- en torsadant tous les fils d'alimentation au primaire , au secondaire et sur le chauffage.

=> torsadons encore et toujours comme le dit la chanson : round and round and up and down and round again. Je ne mens pas , écoutez :

:mrgreen:
jptrol
______________________________________________
Avatar du membre
jptrol
G5 Team
G5 Team
Messages : 1468
Enregistré le : 13 mars 2006, 1:00
Localisation : Nord
Contact :

Re: [Reverb 6PG5] Proto #2, ça marche !

Message non lu par jptrol »

Voici maintenant le "brouillon" du PCB en mode masses en étoile. Les circuits d'alimentation + et - devraient tenir sur la face composants et tout le reste au verso. Je pense que , comme le conseille Merlin Blencowe, on devrait connecter le ground-lift monté en dehors du PCB sur le jack d'entrée ( déjà muni de deux fils blindés). Rien n'empêche ici de ramener toutes les connexions des potentiomètres sur le PCB pour les aligner proprement comme ici :

SmartPots.png
SmartPots.png (159.88 Kio) Vu 1819 fois

Plan dispo en pdf ici :
STDAlone_rev_layout_V3.pdf
(111.23 Kio) Téléchargé 112 fois
CLIQUER POUR AGRANDIR :
Image
jptrol
______________________________________________
Rimlock
G5 guru
G5 guru
Messages : 1204
Enregistré le : 17 juil. 2018, 19:48
Localisation : pas trop loin de l'Océan

Re: [Reverb 6PG5] Proto #2, ça marche !

Message non lu par Rimlock »

Je ne sais pas si c'est une bonne idée de mettre le connecteur "rev out" qui reçoit un signal faible juste à coté de l'alim...
STDAlone_rev_layout_V3.png
Et de deux ! Merci les Bleus :lol:
Avatar du membre
jptrol
G5 Team
G5 Team
Messages : 1468
Enregistré le : 13 mars 2006, 1:00
Localisation : Nord
Contact :

Re: [Reverb 6PG5] Proto #2, ça marche !

Message non lu par jptrol »

Rimlock a écrit : 21 oct. 2025, 11:36 Je ne sais pas si c'est une bonne idée de mettre le connecteur "rev out" qui reçoit un signal faible juste à coté de l'alim...
Bonne remarque Rimlock. Mais je ne me fais pas trop de souci car ,comme je le disais, c'est un brouillon et les composants ne sont pas à l'échelle . On peut prendre des WIMA pour C9 et C15. Je vais voir aussi pour agrandir le PCB vers la droite . Il faut reprendre la nomenclature, la BOM etc..

En attendant j'ai fait un vrai sample ( en fait le morceau entier !) qui nous dit tout : le SM57 capte devant le HP un bruit de - 76 dB ! Le morceau a une dynamique qui va de - 75 dB ( silence entre deux coups de médiator) à -15 dB au plus fort soit 60 dB de dynamique sans entendre le moindre bruit ! On peut voir qu'une fois qu'on a maîtrisé les problème de buzz ( distance du PT à la sortie de tank surtout et choisi le bon tank et le bon emplacement) le résultat est vraiment excellent. :banane:

Pour le sample , on est connecté sur une FX loop parallèle qui sort sur le PI d'un PP de 6V6GTR . Le tank est un MOD 8FB3C1B donc de type long ( ça s'entend !) . La guitare est une STRATOCASTER et je joue sur les tonalités des micros medium et bridge.

Stratocaster for ever !

jptrol
______________________________________________
Rimlock
G5 guru
G5 guru
Messages : 1204
Enregistré le : 17 juil. 2018, 19:48
Localisation : pas trop loin de l'Océan

Re: [Reverb 6PG5] Proto #2, ça marche !

Message non lu par Rimlock »

jptrol a écrit : 21 oct. 2025, 16:18 Le tank est un MOD 8FB3C1B donc de type long ( ça s'entend !) .
Tu veux dire long en delay, parce que le 8 c'est le court en dimension :D
Et de deux ! Merci les Bleus :lol:
Répondre